Розрахунок керованого випрямляча за схемою з нульовим виводом
Курсова робота мiстить сторiнок, 12 iлюстрацiй, 1 додаток тАУ схема керованого випрямляча в зборi, функцiональна схема з характеристиками, 5 джерел.
Цiль курсовоi роботи тАУ розрахунок керованого випрямляча за схемою з нульовим виводом, СРЖФУ (у даному випадку тАУ система iмпульсно-фазового керування), джерела живлення, що включений у схему СРЖФУ.
У курсовому проектi проводиться опис схеми керованого випрямляча, обгрунтування вибору елементiв, розроблений захист пристрою вiд аварiйних режимiв, при розрахунку враховувалось коливання величини живлячьоi напруги, для пiдсилення несинусоiдальних сигналiв на входi випрямляча передбачений нульовий вентиль.
Розроблений випрямляч може використовуватись для живлення двигунiв постiйного струму i регулювання швидкостi iхнього обертання. Зарядки акумуляторiв,у зварювальних апаратах, електроапаратурi.
Схема разрахованного випрямляча маi наступнi достоiнства: вiдносна простота, використання однiii СРЖФУ, мала кiлькiсть елементiв, простота в керуваннi, налагодженi i с борцi. До недолiку можна вiднести великий коефiцiiнт пульсацii i в наслiдок цього необхiднi необхiднiсть застосування в деяких випадках додатковi стабiлiзатори.
Зроблено докладний розрахунок схеми випрямляча, стабiлiзатора, тригера Шмiдта, що i елементо сiфу, що дозволяi в разi потреби модифiкувати схему.
СХЕМА, РОЗРАХУНОК, ФОРМА НАПРУГИ, ВИПРЯМЛЯЧ, СРЖФУ, КЕРУВАННЯ.
Змiст
Введення
1. Розрахунок схема керованого випрямляча
1.1 Вибiр схеми i розрахунок основних параметрiв випрямляча
1.2 основнi параметри випрямляча в керованому режимi
1.3 Вибiр елементiв керованого випрямляча
1.4 Розрахунок регулюючоi характеристики керованого випрямляча
1.5 Вибiр захисту тиристорiв вiд перевантажень по струму та напрузi
2. Проектування СРЖФУ
2.1 Розрахунок параметрiв пускових iмпульсiв
2.2 Розрахунок керування тиристорами
2.3Визначаiмо параметри вхiдного ланцюга керування тиристорами
2.4 Розрахунок параметрiв блокiнг генератора
2.5 Розрахунок ланцюга, що диференцiюi
2.6 Розрахунок елементiв блоку синхронiзацii
3. Розрахунок параметрiв джерела живлення СРЖФУ
3.1 Вибiр схеми i розрахунок основних параметрiв джерела живлення
3.2 Розрахунок параметрiв фiльтрiв, що згладжуi
3.3 Розрахунок мостового випрямляча
4. Модулювання
Висновки
Додаток А Перечень елементiв керованого випрямляча i СРЖФУ
Перелiк посилань
ВВЕДЕННЯ
В наш час системи перетворення змiнноi синусоiдальноi напруги i струму в постiйну практично повнiстю представленi напiвпровiдниковими випрямлячами. Дуже часто необхiдно релегувати величину отриманоi постiйноi напруги. Економiчно та вигодно поставити випрямляч с системо iмпульсно-фазового керування через ii вiдносну дешевизну, високий ККД i ii крипакнiсть.
В данiй курсовiй роботi розглядуiться двополуперiодний керований випрямляч. Його призначення тАУ перетворення напруги, що змiнюiться, по синусоiдальному закону в пульсуюче. Даний випрямляч складаiться з наступних складових частин: трансформатор тАУ для перетворення напругу живлення в необхiдну по велеченi; блок вентилiв, що змiнюi форму напруги в необхiдну.
Виконаний випрямляч побудований на керованих вентилях (тиристорах), для керування якими використовуються система iмпульсно-фазового керування. РЗi задача тАУ подати на керуючi електроди тиристорiв прямокутнi iмпульси з необхiдним зсувом по фазi щодо самостiйного включення вентиля.
1 РОЗРАХУНОК СХЕМИ КЕРОВАНОГО ВИПРЯМЛЯЧА
1.1 Вибiр схеми i розрахунок основних параметрiв випрямляча.
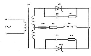
Вiдповiдно до завдання приймаiмо схему випрямляча з нульовим виводом

Рисунок 1.1 тАФ Керований випрямляч з нульовим виводом
На початку розрахунок проводимо в некерованому режимi, тобто при
. Оскiльки напруга мережi може коливатися в межах
визначимо величини випрямленоi напруги на навантаженнi:

де
випрямлена напруга на навантаженнi при нормальнiй напрузi мережi;
Вавипрямлена напруга при пiдвищенiй напрузi мережi.
З визначуваний:
де
- максимальна зворотна напруга на тиристорах.

де
Ва- середнi значення струму тиристора.
РЖз значень
Ваi
Вавибираiмо тип тиристора КУ108М.
Визначаiмо активний опiр фази трансформатора:

де тАФ ![]()
ВатАФ коефiцiiнт, залежний вiд схеми випрямляння;
B тАФ магнiтна iндукцiя в магнiтопроводi;
S тАФ число стрижнiв магнiтопровода для трансформаторiв.
Визначаiмо iндуктивнiсть розсiяння обмоток трансформатора:

де тАФ
.
Визначаiмо напругу холостого ходу з урахуванням опору фази трансформатора
Ваi падiння напруги на дроселi
:

де
=6 тАФ число пульсацiй в кривiй випрямленоi напруги за перiод мережi;
=0,7(В) тАФ падiння напруги на тиристорах;
ВатАФ падiння напруги на дроселях;
Напруга на вторинних обмотках трансформатора:

Дiйсний струм вторинноi обмотки:
Коефiцiiнт трансформацii для обмоток:

Типова потужнiсть трансформатора:

Визначуваний кут комутацii:

Визначаiмо мiнiмально допустиму iндуктивнiсть дроселя фiльтру:

Внутрiшнiй опiр випрямляча:

ККД випрямляча:

![]()
ВатАФ коефiцiiнт корисноi дii трансформатора;
ВатАФ витрати потужностi на випрямних тиристорах;
N тАФ число тиристорiв в схем N=1, оскiльки в кожен момент часу працюi 1 тиристор.
1.2 Основнi параметри випрямляча в керованому режимi.
Визначаiмо максимальний i мiнiмальний кути регулювання:
![]()
Мiнiмальний i максимальний кути провiдностi тиристорiв:

Мiнiмальна напруга на навантаженнi:

Струм в тиристорi:

Струм в навантаженнi:

Максимальний струм через дiод:

1.3 Вибiр елементiв керованого випрямляча
Вентилi до тиристорiв вибираються з умови максимальноi зворотноi напруги i найбiльших значень струмiв.
для тиристорiв - Uo6p макс =139,9(В); Iа=42,9 (А); для дiодiв -Uo6p макс 387,8 (В); Iд.ср=43,1 (А); для нульового вентиля - Uo6p. макс =387,8 (В); 10=60 (А).
Вибираiмо для випрямляча два тиристори типу
КУ108М. Для охолоджування тиристорiв Влзастосовуiмо типовi охолоджувачi М-6а.В»
Принимаiмо тиристори и дiоди с допустимим обраною напругою:
Uобр max = 387,8(В).
Припустимi токи через тиристори i силовi вентилi залежать вiд кута провiдностi l и не перевищують 40%*Iн.
Тиристори на струм

Нульовий дiод на струм

1.4 Розрахунок регулювальноi характеристики керованого випрямляча.
Загальна розрахункова формула для всього сiмейства характеристик навантажень:

![]()

Рисунок 1.2 тАУ Регулiровачная характеристiка випрямляча
1.5 Вибiр захисту тиристорiв вiд перевантажень по струму i напрузi.
Для захисту тиристорiв вiд перевантажень застосовуiмо плавкий швидкодiючий запобiжник. Досить поставити запобiжник в ланцюзi навантаження.
Струм плавкоi вставки:

де Кэ.пер - коефiцiiнт можливого експлуатацiйного перевантаження, Кэ.пер=1,2.
Kl - коефiцiiнт, що характеризуi спiввiдношення струмiв в iдеальному випрямлячi, К1=0,5.
Ki - коефiцiiнт враховуi вiдхилення форми опорною юка нежилей вiд прямокутноi, Ki=l,05
n - коефiцiiнт трансформатора, n=1,5.
Приймаiмо до установки швидкодiючi запобiжники типу ПНБ-5-380/100.
Захист вiд комутацiйних перенапруженнi здiйснюiться включенням RC ланцюжкiв на вхiдних тванях перетворювача

Рисунок 1.3 тАУ схема захисту вентильних блокiв вiд перевонтажень по струму i напрузi.
Для ослаблення перенапруження використовуваний
Ва- ланцюжки, якi включаються паралельно тиристору. Такий ланцюжок спiльно з iндуктивностями ланцюга комутацii утворюi послiдовний коливальний контур. Конденсатор обмежуi перенапруження, а резистор тАФ струм розряду цього конденсатора при вiдмиканнi i запобiгаi коливанням в послiдовному контурi. Параметри ланцюжкiв визначимо по наступних спiввiдношеннях:

Величина напруги на конденсаторi:
Cтрум розряду контура:
![]()

де Rдv1 тАУ динамiчний опiр вiдкритого тиристора.
Потужнiсть розсiяння на резисторi:

По довiднику вибираiмо конденсатори C2, С3 тАУ MБM-5.6мкФ-320В
, резисторы R2, R3 тАУ ПЭВ-100-100-![]()
2. ПРОЕКТУВАННЯ СРЖФУ

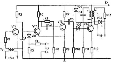
Рисунок 2.1 тАУ Принципова схема
2.1 Розрахунок параметрiв пускових iмпульсiв
Визначаiмо необхiдну тривалiсть iмпульсу керування
, виходячи з знання кута комутацii
, визначеного при розрахунку силових схем:
![]()
Приймалося во увагу, що 1 електричний градус зразково дорiвнюi 56мкс.
2.2 Розрахунок керування тиристорами.
Для тиристорiв КУ108М визначаiмо токи i напруги керування:
Напруга керування:
.

2.3 Визначаемо параметри вхiдного ланцуга керування тиристорами

Рисунок 2.2 тАУ схема вхiдного кола тиристора.
Ланцюги керування тиристорiв живляться через вихiдний трансформа-тор i обмежучi елементи
Ваi
.
Визначаiмо величину обмежуючого опору
:

Визначаiмо внутрiшнiй топiр керуючого переходу тиристора
:

Визначаiмо потужнiсть розсiювання на резисторi
,з огляду на iмпульсний характер навантаження (10%):

Приймаiмо ризистор ОМЛТ з опором, рiвним 35 Ом.
Для обмеження негативних викидiв встановлюiться дiод VD4. Шунтирующий дiод приймаiмо типу КД205ДО.
Тому що в схемi випрямляча з 2-ма тиристорами то схему вхiдного ланцюга тиристора необхiдно дублювати 2 рази.
2.4 Розрахунок параметрiв блокiнг-генератора

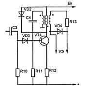
Рисунок 2.3 тАУ Схема блокiнг генератора.
Вихiднi даннi: напруга живлення Ек=20(В); опiр навантаження:
![]()
Тривалiсть вхiдного iмпульсу tu=0,023(c); вихiдна напруга Uвих.=10(В) вихiднiй струм Iвих.=0,1(А); перiод повторення iмпульсiв Т=0,02(с).
Коефiцiiнт трансформацiй:
![]()
Визначемо приведений опiр у ланцюзi колектора:

Знаходимо амплiтуду iмпульсiв трансформатора I2= Iвих.=0,65(А).
Визначаiмо струм первинноi обмотки трансформатора:

Знаходимо допустиме навантаження на колекторi:

Визначаiмо максимальну потужнiсть первинноi обмотки трансформатора:

По максимальнiй потужностi i допустимому навантаженнi на колекторi первиннiй обмоцi вибираiмо транзистор типу П606 з параметрами:
напруга колектора тАУ Uкi=35(У);
ВаВаВаВаВаВаВаВа струм колектора тАУ Iк=1,5(А);
ВаВаВаВаВаВаВаВа потужнiсть розсiювання - Pрас.макс.=3(Ут);
ВаВаВаВаВаВаВаВа коефiцiiнт передачi по струму тАУ β=40;
ВаВаВаВаВаВаВаВа зворотнiй струм колектора тАУ Iк0=0,002(А);
ВаВаВаВаВаВаВаВа об'iмний опiр бази тАУ rб=30(ОМ);
Подаiмо пiдключення навантаження через окрему обмотку з коефiцiiнтом передачi:
![]()
Вибираiмо коефiцiiнт трансформацii n0=Wб/WкВаблизький до оптимального:

Визначаiмо опiр часозадаючього резистора R11Ваз умов:

R11(10тАж20тАж20)Rвх(10тАж20тАж20)rб=600(Ом).
Приймаiмо: R11=620(Ом) типу ОМЛТ тАУ 1.
Знаходимо iмнiсть часозадоючого конденсатора:

Попередньо визначаiмо:


Приймаiмо конденсатор типу ДО71 iмнiстю 57 мкФ.
Визначаiмо iндуктивнiсть колекторноi обмотки iмпульсного трансформатора:

Вибираiмо тородiдальне осереддя з фериту марки 1500 НМ3 10х6,0х2,0. Магнiтна проникнiсть:

де Вµн тАУ початкова магнiтна проникнiсть ферамагниту марки 1500 НМ Вµн=1500;
Вµ0 тАУ магнiтна проникнiсть феритiв, Вµ0=4π10-7 Гн/м;
l тАУ середня довжина магнiтноi лiнii, l=24 мм2;
S тАУ поперечний перерiз кiльця ферiта, S=3,9 мм2.
Знаходимо кiлькiсть вiткiв колективноi i базовоi обмотки трансформатора:

Приймаiмо Wk/Wб=12, отже, навантажувальна обмотка буде мiстити:

Приймаiмо: Uсм=0,2
Ек=0,2
20=4(В).
Знаходимо величину опору в ланцюзi емiтера:

Приймаiмо до установки R12=25(Ом).
Знаходимо величину шунтируючого дiода по сумарнiй напрузi на колекторi транзистора в момент ударного порушення контуру Uк=2
Ек=40(В) i струму колекторнiй обмотцi IВµ=Ik=1,5(А). вибираiмо дiод КД 208А.
2.5 Розрахунок тригера Шмiдта

Рисунок 2.4 тАУ Схема тригера Шмiдта.
Вихiднi даннi: амплiтуда вихiдних iмпульсiв Um=(1,1тАж.15) Uсм=7,2(В); перiод проходження iмпульсiв запуску Т=0,02(с); мiнiмальна тривалiсть iмпульсiв, tu.зап.=0,1
tu.у=0,23
10-3(с), напруга джерела живлення Ек=20(В).
Визначаiмо максимальну тривалiсть вихiдного iмпульсу граничного пристрою з умови:
tu.вих.макс.≥(α-γ)
56
10-6+2,3
10-4=3,45(мс)
Вибираiмо транзистор VT3, VT2 з умови:
Uк.доп.≥Ек=20(В)
Цим вимогам задовiльняi транзистори КТ 104А с параметрами: Uк.доп.=30(В); Iк.доп=50(мА); β=36; f=5(мГц); Iк0=300(мкА); P=150(мВТ).
Визначаiмо струм насичення :
Iкн=0,8
Iк.доп=0,8
50=40(мА)
Знаходимо величину резистора R7:

Визначаiмо припустиме потужнiсть розсiювання на резисторi R7:

Приймаiмо резистор R7 типу ОМЛТ 510 (Ом), 1 (Ут).
Знаходимо величину опору резистора R5 зi спiввiдношення:
R5= (2тАж3)R7=3
510=1530(Ом)
Знаходимо припустиме потужнiсть розсiювання на резисторi R5

Приймаiмо резистор R5 ОМЛТ 1500 (Ом), 5 (Ут).
Знаходимо величину резистора R9:

Знаходимо припустиме потужнiсть розсiювання на резисторi R9

Приймаiмо резистор R9 ОМЛТ 1200 (Ом), 2 (Ут).
Обчислюiмо iмнiсть конденсатора, що прискорюi,зС:

Приймаiмо С3 типу ПМ на 35 (пФ).
Обчислюiмо величину опору R8 зi спiввiдношення:

Приймаiмо R8=30 (кОм).
Обчислюiмо велечену опору R6 зi спiввiдношення:

Приймаемо R6 7000 (Ом).
2.6 Розрахунок ланцюга, що диференцiюi
Розрахунок ланцюга, що диференцiюi, робимо з урахування наступних даних:
тривалiсть вхiдних iмпульсiв tu.вх.=3,45 (мс);
амплiтуда вхiдних iмпульсiв Uм=6 (В);
паразитна iмнiсть генератора iмпульсiв Сп=50 (nФ).
Внутрiшнiй опiр генераторiв iмпульсiв:

РДмнiсть ланцюга, що диференцiюi, вибираiмо з умов С2>>CП=510 (nФ).
Тодi опiр ланцюга,що диференцiюi i визначаiться як:

Приймаiмо R10=14 (МОм).
Амплiтуда вихiдних iмпульсiв з ланцюжка, що диференцiюi:

РЖмпульсний дiод VD3 вибираiмо по Uвих.мах. типу Д103.
2.7 Розрахунок елементiв блоку синхронiзацii

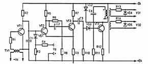
Рисунок 2.5 тАУ Схема блока синхронiзацii.
Розрахунок блоку синхронiзацii робимо з урахування наступних даних:
IН>Iбv1, UН>Uвv1=U'2=30 (В), Ек= (В).

Максимальна потужнiсть:
Pmax=I
Ek=0,0025
20=0,05(Вт)
Обираiмо транзистор типу КТ 203 Б з наступними параметрами: Uк.доп.=30(В); Iк.доп=10(мА); β=30-150; fа=5(мГц); Uе.б.=15(В); Pроз.=150(мВТ).
Визначаiмо опiр R2:

Потужнiсть, що розсiюiться опором R2 визначаiться як:
PR2=Ik2
R2=0,01
500=0,05(Вт).
Приймаiмо опiр R2 МЛТ-0,1-500 (Ом).
Визначаiмо величину струму бази:

Визначаiмо опiр R1:

Потужнiсть, що розсiюiться опором R1 визначаiться як:
PR1=Iб2
R1=0,00162
9375=2,4(Вт)
Приймаiмо опiр R1 ОМЛТ-5-10 (кОм), конденсатор С1=10 (мкФ).
Коефiцiiнт трансформацii трансформатора:

Через малу потужнiсть розрахунок трансформатора не проводиться. Вторинна обмiрка трансформатора може розташуватися на силовому трансформаторi джерела живлення.

3 РОЗРАХУНОК ПАРАМЕТРРЖВ ДЖЕРЕЛА ЖИВЛЕННЯ ДЛЯ СРЖФУ
3.1 Вибiр схеми i розрахунок основних параметрiв джерела живлення.
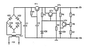
Вибираiмо схему джерела живлення:

Рисунок 3.1 тАУ джерело живлення СРЖФУ.
Визначаiмо мiнiмальнi припустиму вхiдну напругу стабiлiзатора:

Номiнальне i максимальне значення напруги на входi стабiлiзатора при коливаннi мережi на В± 10%.

Максимальне падiння на регулюючому транзисторi:
Uек.мах.=Uвх.мах.-Uвих.=30-24(В)
Максимальна потужнiсть розсiювання на транзисторi VT3:
PV2=Uек.мах.
Iвих.мах.=6
0,2=1,2(Вт)
Вибираiмо регулюючий транзистор П214 з параметрами: Pк.доп=10(Вт). Uк.доп.=45(В); Iк.мах.=5(А); β1=30.
Колекторний струм транзистора:

Максимальна потужнiсть розсiювання на транзисторi VT2:
PV1=Uек.мах.
Iк1.мах.=10
0,012=0,12(Вт).
Вибираiмо транзистор, що согласуi, ГТ403А с параметрами: Pк.доп=0,6(Вт). Uк.доп.=30(В); Iк.мах.=1,25(А); β1=20.60.
Базовий струм транзистора, що согласуi:

Опiр R4, що задаi струм Ic дорiвнюi:

Потужнiсть розсiювання опора R4 дорiвнюi:
PR4=Iс2
R4=0,0052
4000=0,1(Вт)
Напруга на колекторi пiдсилювання транзистора VT4:
Uекv1=Uвих.-Uст1=24-10=14(В); Uст1вих.мiн.=19-3=16(В).
Вибираiмо стабiлiтрон
Д811 з Uст1=(10.12)В; Iст1=5 (мА)
Задаiмось максимальним колекторним струмом пiдсилювального транзистора Iкv3.max.5(мА), тодi потужнiсть, що розсiюiться на колекторi VT4:
PkV3=UekV32
Ik.max=10
0,005=0,05(Вт).
Вибираiмо пiдсилювальний транзистор МП39 з параметрами: Pк.доп=0,15(Вт). Uек.доп.=15(В); Iк.мах.=0,04(А); ; Iк.мах.=0,04(А).
Опiр R2 знаходимо як:

Задаiмо струм дiльника Iд=5тАж10(мА). Коефiцiiнт передачi дiльника:

Сумарний опiр дiльника:

Визначаiмо мiнiмальний i максимальний ККД стабiлiзатора:

3.2 Розрахунок параметрiв фiльтрiв, що згладжуi
Коефiцiiнт пульсацii на виходi випрямляча К'н=67%, фiльтра Кп=2%,струм навантаження Iн=0,2(А), Uвих.ф=Uвх.max=30(В).
Максимальна потужнiсть розсiювання на транзисторi VT1:
Pkv1=Uek.max
Iвих.max.=30
0,2=6(Вт)
Вибираiмо транзистор типу П214 з параметрами: Pк.доп=10(Вт). Uек.доп.=45(В); Iк.мах.=5(А); β1=30.
Знаходимо коефiцiiнт згладжування фiльтра:

Опiр R1 знайдемо як:

Потужнiсть розсiювання на цьому опорi:
PR1=Iн2
R1.= 0,2
22,5=0,9(Вт)

Коефiцiiнт передачi постiйноi напруги з входу на вихiд:

Тодi коефiцiiнт фiльтрацii фiльтра:

Визначаiмо добуток R1C1:

3.3 Розрахунок мостового випрямляча
Величина випрямленоi напруги:

Задаiмо струм дiльника Iд=5тАж10(мА). Коефiцiiнт передачi дiльника:
Визначаiмо анодний струм i зворотна напруга для дiодiв VD1тАжVD4:

Вибираiмо по довiднику дiоди VD1тАжVD4 типу КД202Г с припустимим струмом та напругою: Iмакс=3,5(А); Uобр.макс.=100(В).
Визначаiмо параметри силового трансформатора:

Знаходимо коефiцiiнт трансформацii:

Струм первинноi обмотки трансформатора:

З довiдника по типовiй потужностi Sm вибираiмо унiфiкований трансформатор типу ТПП-248-127/220-50.
4. МОДЕЛЮВАННЯ СИЛОВОРЗ ЧАСТИНИ ВИПРЯМЛЯЧА
Для моделювання схеми силовоi частини випрямляча використовувалася програма Proteus 7 Professional
Схема моделi прийняла наступний вигляд:

Рисунок 4.1 тАФ Модель силовоi частини випрямляча
РЖз-за особливостей програми Proteus 7 Professional замiсть трансформатора було використано джерело змiнноi напруги з необхiдними вихiдними характеристиками (розрахунковими вихiдними характеристиками трансформатора).
Не було враховано падiння напруги на трансформаторi i коливання напруги мережi, проводився облiк падiння напруги на вентилях.(оскiльки в данiй моделi були присутнi елементи, що iдеалiзувалися.)

Рисунок 4.2 тАУ Свiдчення осцилографа
ВИСНОВКИ
У силу розглянутих переваг дана схема СРЖФУ i випрямляча i одна iз кращоi для випрямлення однофазного синусоiдального струму та напруги. Напруга на виходi маi високий коефiцiiнт пульсацii,тому необхiдно в деяких випадках використати додатковi стабiлiзатори. Вiд цього недолiку урятованi трифазнi випрямлячi, але вони iз значно бiльшоi кiлькостi елементiв i бiльш складнi. Таким чином, дана система дii гайнi результати при невеликих витратах. У побутi трифазна напруга часто не доступно, це багато в цьому визначаi область застосування пристрою.
ПЕРЕЛРЖК ПОСИЛАНЬ
1. Приборы и устройства промышленной электроники /В.С. Рудненко, В.И. Сененко, В.В. Трифонюк (Б-ка инженера). тАУ К.: Техника, 1990. тАУ 386с.
2. Полупроводниковые приемно-усилительные устройства: Справочник радиолюбителя /Терещук К.М. тАУ К.: Наукова думка, 1981. тАУ 670 с.
3. Тиристоры: справочник /Григорьев О.П., Замятин В.Я. тАУ М.: Радио и связь, 1982. тАУ 520с.
4. Транзисторы для аппаратуры широкого применения: справочник /Перельман В.П. тАУ М.: Радио и связь, 1982 тАУ 529с.
5. Москатов Е.А. Справочник по полупроводниковым приборам. тАУ М.: Журнал тАЬРадиотАЭ, 2005. тАУ 208 с.
Вместе с этим смотрят:
IP-телефония. Особенности цифровой офисной связи