Розробка конструкцii та технiко-економiчне обТСрунтування таймера-регулятора потужностi
Мiнiстерство освiти i науки Украiни
Харкiвський радiотехнiчний технiкум
Циклова комiсiя тАЮРадiотехнiчних дисциплiнтАЭ
ПОЯСНЮВАЛЬНА ЗАПИСКА
до дипломного проекту
ДП xxxxxx414 012 000 ПЗ
Виконав:
Керiвник:
Студент групи xxxx
ХАРКРЖВ 2008р.
ЗАЛРЖКОВИЙ ЛИСТ
ХАРКРЖВСЬКИЙ РАДРЖОТЕХНРЖЧНИЙ ТЕХНРЖКУМ
Циклова комiсiя тАЮРАДРЖОТЕХНРЖЧНИХ ДИiИПЛРЖНтАЭ
Спецiальнiсть xxxxxxтАЮКонструювання, виробництво i технiчне обслуговування радiотехнiчних пристроiвтАЭ
Курс тАУ 4
Група тАУ xxxxx
Семестр тАУ 7
Курсовий проект
Студента Xxxxxxа xxxxxxxxxxxxxxx
на тему: тАЬТаймер-регулятор потужностiтАЭ
ДОПУЩЕНИЙ ДО ЗАХИСТУ
ОЦРЖНКА________________
Заступник директора з навчальноi роботи
Голова цикловоi комiсii
Керiвник проектуВаВаВаВаВаВаВа xx.Xxxxxx
Консультант економiчного роздiлу xxxx
Консультант з охорони працi xxxxxxx
Протокол № вiд тАЮ__тАЭ_____________2008 року
МРЖНРЖСТЕРСТВО ОСВРЖТИ РЖ НАУКИ УКРАРЗНИ
ХАРКРЖВСЬКИЙ РАДРЖОТЕХНРЖЧНИЙ ТЕХНРЖКУМ
Циклова комiсiя РАДРЖОТЕХНРЖЧНИХ ДИiИПЛРЖН тАЮЗАТВЕРДЖУЮтАЭ
Спецiальнiсть xxxxxxКонструювання,ВаВаВаВаВаВаВаВаВаВаВаВаВаВаВаВаВаВаВаВаВа Зав. Вiддiлення
виробництво i технiчне обслуговуванняВаВаВаВаВаВаВаВаВаВаВаВаВаВаВаВаВаВаВаВаВаВаВаВаВаВаВа ВаВаВаВаВаВаВа xxxxxxx
радiотехнiчних пристроiв.ВаВаВаВаВаВаВаВаВаВаВаВаВаВаВаВаВаВаВаВаВаВаВаВаВаВаВаВаВаВаВаВаВаВаВаВаВаВаВаВа Вл___В»__________2008р.
ЗАВДАННЯ
На дипломний проект
Тема проекту: тАЬРозробка конструкцii та технiко-економiчне обТСрунтування таймера-регулятора потужностiтАЭ
Основнi технiчнi даннi: Розробити таймер-регулятор потужностi. Розрахувати стабiлiзатор постiйноi напруги з випрямлячем:
Вихiдна напруга Uвих. = 12.5В±0.5 В
Коефiцiiнт стабiлiзацii Кст = 200
Пульсацii вихiдноi напруги U~m вих. = 0,006 В
Робоча температура Т = 25В±10ºC
Живлення вiд мережi f = 50 Гц, напруга мережi Uвх. = 220ВВ±10%
1. До складу пояснювальноi записки повиннi входити:
Вступ
1. Огляд аналогiчних пристроiв
2. Вибiр та обТСрунтування проектованого пристрою
3. Розрахункова частина
4. Конструкторсько-технологiчна частина
5. Розрахунок надiйностi
6. Охорона працi та навколишнього середовища
7. Технiчне обслуговування та ремонт проектованого пристрою
8. Економiчна частина
Висновки Перелiк посилань
3. Графiчна частина повинна включати:
- схему електричну принципову тАУ ф. А1;
- креслення друкованоi плати тАУ ф. А1;
- складальне креслення друкованоi плати тАУ ф. А1;
- схему електричну структурну;
- алгоритм пошуку несправностей.
Дата видачi завдання : тАЮ21тАЭ квiтня 2008р.
Дата здачi виконаноi роботи: тАЮ18тАЭ червня 2008р.
Керiвник курсового проекту
Протокол № 100 вiд тАЮ28тАЭ березня 2008 року
ЗМРЖСТ
Вступ
1. Огляд аналогiчних пристроiв
2. Вибiр та обТСрунтування проектованого пристрою
3. Розрахункова частина
4. Конструкторсько-технологiчна частина
5. Розрахунок надiйностi
6. Охорона працi та навколишнього середовища
7. Технiчне обслуговування та ремонт проектованого пристрою
8. Економiчна частина
Висновки
Перелiк посилань
Додатки
Додаток А - перелiк елементiв до схеми електричноi принциповоi
Додаток Б - специфiкацiя до креслення складального
ВСТУП
У наш час наука i технiка не стоять на мiсцi. ЗтАЩявляiться одна технологiя - не проходить i року, як з'являiться iнша. Ще бiльш ефективна , але вона складнiша, а це означаi, що i дорожча. Щоб конструкцiя та схема була простiше, наука йде далi.
РЖ якщо поглянемо на тi ж телевiзори, що зтАЩявилися в минулому столiттi, то можно побачити, що основна схема була побудована на лампах, а вага таких телевiзорiв була велика(десь 40-50 кг). Зараз цi ж телевiзори легкi, а керувати ними (перемикати канали) можно не встаючи з крiсла. Щоб користування телевiзором було простiше, був розроблений пристрiй регулювання.
Пристроi регулювання теж пройшли великий шлях в своiму розвитку. З початку це були механiчнi перемикачi. Далi зтАЩявилися реле тАУ це тi ж перемикачi, але спрацьовували вони вже без людини. Зараз вже i цiлi схеми чи блок схем, у якому все працюi автоматично, тiльки треба задати певнi параметри. Також i пристроi регулювання з таймером.
Один з них я вибрав в цьому проектi. Пристрiй призначений для регулювання робочоi температури електропечей, електроплит i iнших подiбних навантажень з великою тепловою iнерцiiю. Але вiн може виконувати i iншi функцii тАУ перiодично з певною частотою i дiрчатiстю вмикати-вимикати свiтлову рекламу, свiтловi лiхтарики чи звукову сигналiзацiю.
Розробка регулятора потужностi з таймером являiться актуальною темою.
1 ОГЛЯД АНАЛОГРЖЧНИХ ПРИСТРОРЗВ
Симiсторний регулятор потужностi.
Застосування симiторiв у регуляторах потужностi та в рiзноманiтних автоматичних комутаторах утруднене iз-за необхiдностi забезпечення порiвняно великого струму управляючого електроду - 150 мА для симiсторiв серii КУ 208. Управлiння симiстором постiйним струмом вимагаi великоi потужностi, а при iмпульсному управлiннi необхiдний формувач, що забезпечуi короткi iмпульси в момент проходження мережевоi напруги через ВлнульВ» i загальний вивiд, спiльний з одним з мережевих провiдникiв.
Простий регулятор, що не створюi шуму.
Цей тринiсторний регулятор вiдноситься до пристроiв, в яких комутацiя триристорiв вiдбуваiться в моменти переходу мережевоi напруги через ВлнульВ», а потужнiсть регулюiться змiною числа напiвперiодiв напруги, що пiдводиться до навантаження.
2 ВИБРЖР ТА ОБГРУНТУВАННЯ ПРОЕКТОВАНОГО ПРИСТРОЮ
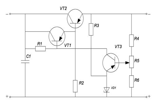
Згiдно ТЗ та на основi огляду аналогiчних пристроiв таких, як симiсторнi регулятори потужностi та регулятор потужностi, не виробляючий шумiв, я вибрав Таймер-регулятор потужностi. Вибiр цього пристрою обумовлений тим, що вiн вiдрiзняiться схемним рiшенням вузла синхронiзацii з мережею; наявнiстю допомiжного таймера, формуючого iмпульси з регулюючим, але залишаючись суворо кратним перiоду напруги в мережi, перiодом повторення. Час вiдновлення таймера пiсля закiнчення iмпульсу значно зменшено за рахунок введення до кола розрядки часозадавального конденсатора додаткового польового транзистора. Вихiдним симiстором керуi спецiалiзований оптосимiстор, що включаi його строго в моменти близькостi до нуля миттiвого значення мережевоi напруги.
Схема таймера-регулятора зображена на рисунку 1.1. Вузол синхронiзацii таймера з мережею виконаний на здвоiному транзисторному оптронi SU1 i транзисторi VT3. Струм випромiнюючих дiодiв оптрона обмежений резистором R5, вiд номiналу якого залежить мiнiмальна напруга в мережi, при якiй вузол синхронiзацii ще працюi. При вказаному на схемi номiналi - це 140 В.
Завдяки зустрiчно-паралельному з'iднанню випромiнюючих дiодiв: один з фоторезисторiв оптрона SU1 вiдкритий в позитивних напiвперiодах мережевоi напруги, iнший - в негативних. В результатi на тАЬстикахтАЭ напiвперiодiв, коли вiдсутнiй струм через обидва випромiнюючi дiоди i закритi обидва фототранзистори, на колекторi транзистора VT3 утворюють iмпульси тривалiстю близько 0,1 мс. При необхiдностi iх тривалiсть можна змiнити, пiдбираючи резистор R9.
Сформованi описаним чином синхроiмпульси поступають на вивiд 5 таймера DA1 i запускають зiбраний на ньому одновiбратор. Чутливiсть таймера до запускаючих iмпульсiв залежить вiд напруги на його виводi 2, заданого резистивним дiльником R1R2. Конденсатор С1 подавляi iмпульснi перешкоди i наводки.
Зарядка часозадавального конденсатора (залежно вiд положення перемикача SA1- це С2 або С3) йде по лiнiйному закону завдяки стабiлiзатору струму, зiбраного на транзисторi VT1. Напругу на базi цього транзистора задано резисторами R3 i R4. Значення струму стабiлiзацii залежить вiд сумарного опору постiйного резистора R6 i змiнного R7 в колi емiтера транзистора. По закiнченню сформованого одновiбратором iмпульсу черговий синхроiмпульс запускаi одновiбратор повторно. Тому перiод повторення його iмпульсiв завжди рiвний цiлому числу напiвперiодiв мережевоi напруги.
Для достатньо швидкоi розрядки часозадавального конденсатора великоi iмностi (С3) можливостей внутрiшнього транзистора таймера DD1 не вистачаi. Бiльш того, при iмностi конденсатора бiльш 22мкФ цей транзистор може вийти з ладу. З цих причин в одновiбратор доданий р-канальний польовий транзистор VT2 з опором вiдкритого каналу не бiльше 0,175 Ом при струмi 11 А. Це дозволило з кроком в 10мс регулювати перiод повторення iмпульсiв одновiбратора вiд мiнiмального (10мс) до декiлькох десятих секунди.
Логiчнi елементи DD2.1 i DD2.2 формують з iмпульсiв одновiбратора i мережевих синхроiмпульсiв короткi одиночнi iмпульси з регульованим перiодом повторення, якi поступають на вхiд лiчильника DD3. Спiльно з RS-тригером на елементах DD2.3 i DD2.4 лiчильник служить генератором iмпульсiв з перiодом повторення вдесятеро бiльшим вiд перiоду повторення iмпульсiв одновiбратора.
Високий рiвень, встановлений в одному з кожних десяти тактiв роботи лiчильника на його вив. 3, переводить RS-тригер в стан з високим рiвнем на виходi елементу DD2.4. Через декiлька тактiв, число яких залежить вiд положення перемикача SA2, високим рiвнем на виходi (вив.6) елементу DD2.4 тригер буде знову в станi з низьким рiвнем на виходi.
РЖмпульси, сформованi тригером, поданi на базу транзистора VT7, що служить пiдсилювачем iх потужностi. У коло колектора цього транзистора включено послiдовно випромiнюючий дiод симiсторного оптрона SU2, сигнальний свiтлодiод HL1 (вiн дозволяi вiзуально контролювати роботу приладу при вiдключеному або недоступному для спостереження навантаженню) i резистор R19, що обмежуi струм.
Оптрон МОС3083 вiдрiзняiться вiд звичайних тим, що мiстить внутрiшнiй вузол, що забезпечуi вiдкриття його фотосимiстора в моменти переходу прикладеноi до нього змiнноi напруги через нуль, так що в цi ж моменти вiдкриваiться i потужний симiстор VS1, включений в коло навантаження. Цим забезпечений низький рiвень iмпульсних перешкод, що створюються таймером-регулятором в мережi живляння. Диференцируюче коло C9R22 захищаi симiстор вiд вiдкриття кидками мережевоi напруги.
Перемикач SA2 дозволяi змiнити коефiцiiнт заповнення (вiдношення тривалостi до перiоду повторення) iмпульсiв струму, що проходить через випромiнюючий дiод оптрона SU2 десятьма ступенями по 10 %. Такими ж ступенями змiнюiться i потужнiсть, що видiляiться на навантаженнi. У нижньому (по схемi) положеннi перемикача на виходi елементу DD2.4 встановлений високий постiйний рiвень, що вiдповiдаi безперервно включеному навантаженню.
Змiнюючи тривалiсть циклу регулювання потужностi змiнним резистором R7, можна встановити ii оптимальною для конкретного навантаження. Якщо навантаженням служать лампи розжарювання, вдаiться спостерiгати цiкавi свiтловi ефекти.
3 РОЗРАХУНКОВА ЧАСТИНА
3.1 Розрахунок стабiлiзатора напруги на трьох транзисторах
Згiдно до завдання на ДП необхiдно розрахувати стабiлiзатор постiйноi напруги (рисунок 3.1)

Рисунок 3.1 - Схема електрична принципова стабiлiзатора на трьох транзисторах
Данi для розрахунку
1 Напруга на виходi стабiлiзатора
Uвих. = 12.5 В±0,5 В
2 Нестабiльнiсть напруги на виходi стабiлiзатора
Рст. вих. = 0,0005
3 Напруга на виходi мережi
Uвх. = 220 В±10% В з частотою f = 50 Гц
4 Нестабiльнiсть напруги мережi
Рст. вх = 0,1
5 Необхiдний коефiцiiнт стабiлiзацii
Кст = Рст. вх. / Рст. вих. ВаВаВаВаВаВаВаВаВаВаВаВаВаВаВаВаВаВаВаВаВаВаВаВа Ва(3.1.1)
Кст = 0.1/0.0005 = 200
6 Пульсацii на виходi
U~m вих. = 0,006 В
Кп вих. = (U~m вих. / Uвих.)тАв100% ВаВаВаВаВаВаВаВаВаВаВаВаВаВаВаВаВаВаВаВаВаВаВаВаВа Ва(3.1.2)
Кп вих. = (0.006/12.5)тАв100% = 0.048 %
7 Робоча температура
Тmax = 35ºC
Tmin = 15ºC
∆T = 20ºC
1 Розрахунок регулюючого транзистора
1.1 Максимальний струм регулюючого транзистора
РЖк max = РЖн max = 1А
Беремо транзистор КТ814В з параметрами:
Uке = 65 В
Uке min = 3 В
РЖн max = 12А
РЖк обр. = 0.015 А ВаВаВаВаВаВаВа
Рк доп. = 1.5 Вт
h21е min = 40 при РЖк = 1А
Rtк = 1ºС / Вт
Тк max = 80ºC
1.2 Амплiтуда пульсацiй на входi стабiлiзатора
U~m вх. = (0.05÷0.1)тАв( Uвих. max + Uкэ min) (3.1.3) U~m вх. = 0.07тАв(13 + 3) = 1.12 В
1.3 Мiнiмальна напруга на входi стабiлiтрона
Uo min = Uвих. max + Uкэ min + U~m вх. ВаВаВаВаВаВаВаВаВаВаВаВаВаВаВаВаВаВаВаВаВаВаВаВаВаВаВаВаВаВаВаВаВа Ва(3.1.4)
Uo min = 13 + 3 + 1.12 = 17.2 В
1.4 Номiнальна напруга на входi стабiлiзатора
Uон = Uo min / (1 - Рст. вх) ВаВаВаВаВаВаВаВаВаВаВаВаВаВаВаВаВаВаВаВаВаВаВаВаВаВаВаВаВаВаВаВаВаВаВаВаВаВаВаВаВаВаВаВаВаВаВаВаВаВаВаВаВаВаВаВаВаВаВаВаВаВаВаВаВаВа Ва(3.1.5) Uон = 17.2 / (1 - 0.1) = 19 В
1.5 Коефiцiiнт згладжування
q = Кп вх. / Кп вих ВаВаВаВаВаВаВаВаВаВаВаВаВаВаВаВаВаВаВаВаВаВаВаВаВаВаВаВаВаВаВаВаВаВаВаВаВаВаВаВаВаВа Ва(3.1.6)
q = 5.9 / 0.048 = 123 < Кст = 200,
де Кп вх. = (U~m вх. / Uон)тАв100% (3.1.7)
Кп вх. = (1.12 / 19) тАв 100% = 5.9%
1.6 Максимальна напруга на входi стабiлiзатора
Uо max = Uон тАв (1 + Рст. Вх) (3.1.8)
Uо max = 19 тАв (1 + 0.1) = 20.9 В
1.7 Величина внутрiшнього динамiчного опору випрямляча
Riв = (0.05÷0.15)тАв Uон / РЖк max (3.1.9)
Riв = 0.1 тАв 19 / 1 = 1.9 Ом
1.8 Максимальна напруга на входi стабiлiзатора (при максимальному струмi навантаження)
Uо max max = Uо max + Riв тАв( РЖн max тАУ Iн min) (3.1.10)
Uо max max = 20.9 + 1.9 тАв(1 тАУ 0.5) = 21.85 В
1.9 Максимальна напруга мiж колектором та емiтером
Uке max = Uо max max - Uвих. min (3.1.11)
Uке max = 21.85 тАУ 12 = 9.85 В
1.10 Максимальна потужнiсть розсiювання на транзисторi
Рк max = Uке max тАв РЖк max (3.1.12)
Рк max = 9.85тАв1 = 9.85 Вт > Рк доп. = 1.5 Вт
1.11 Площа тепловiдводу транзистора
Sт = Рк max / Kт тАв( Тк max - Тmax - Рк max тАв Rtк) (3.1.13)
Sт = 9.85 / 0.0016тАв(80 - 35 - 9.85тАв1) = 9.85 / 0.0016тАв35.15 = 9.85 / 0.05624 = 175 мм² = 1.75 см²
1.12 Максимальний струм емiтера регулюючого транзистора
РЖе max = РЖк max + РЖк max / h21е min ВаВаВаВаВаВаВаВаВаВаВаВаВаВаВаВаВаВаВаВаВаВаВаВа Ва(3.1.14)
РЖе max = 1 + 1 / 40 = 1.025 А
1.13 Максимальний струм бази регулюючого транзистора
РЖб max = РЖе max / h21е min ВаВаВаВаВаВаВаВаВаВаВаВаВаВаВаВаВаВаВаВа Ва(3.1.15)ВаВаВаВа РЖб max = 1.025 / 40 = 0.0256 А
1.14 Шукаiмо транзистор по величинi струму
РЖк2 = 1.1тАв РЖб maxВаВаВаВаВаВаВаВаВаВаВаВаВаВаВаВаВаВаВаВаВаВаВаВаВаВаВаВа (3.1.16)
РЖк2 = 1.1 тАв 0.0256 = 0.2816 А
По струму РЖк2 беремо транзистор П601БИ з параметрами
Uке max = 30 В
РЖк max = 0.5 А
Рк доп. = 0.5 Вт
h21е minтАЭ = 80 при РЖк = 0.5А
РЖб2 = РЖе max / h21е minтАвh21е minтАЭ = 1.025 / 40тАв80 = 0.00032 А < 0.0005 А
1.15 Величина опору автозмiщення Rб транзистора П601БИ
РЖRб = (1 ÷ 1.5)тАвРЖк обр.ВаВаВаВаВаВаВаВаВаВаВаВаВаВаВаВаВаВаВа (3.1.17)
РЖRб = 1.2тАв0.015 = 0.018 А
Rб = Uвих. min / РЖRбВаВаВаВаВаВаВаВаВаВаВаВаВаВаВаВаВаВаВаВаВаВаВаВаВаВаВаВаВаВаВа (3.1.18)
Rб = 12 / 0.018 = 670 Ом
Потужнiсть на опорi
РRб = (РЖRб)²тАвRб ВаВаВаВаВаВаВаВаВаВаВаВаВаВаВаВаВаВаВа Ва(3.1.19)
РRб = (0.018)²тАв680 = 0,254 Вт
Беремо опiр типу С2-23- 0.5 тАУ 680 Ом
1.16 Потужнiсть на транзисторi П601БИ
Рк2 = Рк maxтАвРЖк2ВаВаВаВаВаВаВаВаВаВаВаВаВаВаВаВаВаВаВаВаВаВаВаВаВаВаВаВаВаВаВаВаВаВаВаВаВаВаВаВаВаВаВаВаВаВаВаВаВаВаВаВаВаВаВа (3.1.20)
Рк2 = 9.85тАв0.028 = 0.278 Вт < Рк доп. = 0.5 Вт
2 Розрахунок пристрою порiвняння та ППС
2.1 Величина еталонноi напруги
Uоп. < Uвих. min тАУ (2 ÷ 3)В (3.1.21)
Uоп. < 12 тАУ 2 = 10 В
РЖоп. cт. min > 5тАвРЖбн ВаВаВаВа ВаВаВаВаВаВаВаВаВаВаВаВаВаВаВаВаВаВа Ва(3.1.22)
РЖоп. cт. min > 5тАв0,0004 = 0,002 А
Беремо стабiлiтрон типу Д810 з параметрами
Uст н = 10 В
Uст min = 9 В
Uст max = 10.5 В
РЖст min = 0.002 А
РЖст max = 0.026 А
αст 0.058 при Т = -20 ÷ +20ºС
Rдин = 12 Ом при РЖст = 0,005 А
2.2 Величина струму та напруги колектора транзистора
РЖку ≥ 8тАвРЖбнВаВаВаВаВаВаВаВаВаВаВаВаВаВаВаВаВаВаВа (3.1.23)
РЖку ≥ 8тАв0.0004 = 0.0032 A
Uк = Uвих. max - Uст minВаВаВаВаВаВаВаВаВаВаВаВаВа (3.1.24)
Uк = 13 тАУ 9 = 4 В
Беремо транзистор КТ342Б з параметрами:
Uке дод. = 20 В
РЖк max = 0.02 A
Pк дод. = 0.15 Вт
h21е min = 50
2.3 Струм бази транзистора ППС
Uк = Uвих. max - Uст minВаВаВаВаВаВаВаВаВаВаВаВаВаВаВаВаВаВаВаВаВаВа (3.1.25)
Uк = 13 тАУ 9 = 4 В
2.4 Вхiдний опiр транзистора ППС
Rвх. ппс = 1 / (25÷35)тАвРЖку ВаВаВаВаВаВаВаВаВаВаВаВаВаВаВаВаВаВаВаВаВаВаВаВаВаВаВаВаВаВаВаВаВаВаВаВаВаВаВаВаВа Ва(3.1.26)
Rвх. ппс = 1 / 25тАв0,0032 = 12,5 Ом
2.5 Величина опору Rг2
Rг2 = Uвих. min - Uст max / РЖст min + РЖку ВаВаВаВаВаВаВаВаВаВаВаВаВаВаВаВаВаВаВаВаВаВаВаВа Ва(3.1.27)
Rг2 = 12 тАУ 10.5 / 0.002 + 0.0032 = 290 Ом
Потужнiсть розсiювання на ньому
Рг2 = (РЖст min + РЖку)²тАвRг2ВаВаВаВаВаВаВаВаВаВаВаВаВаВаВаВаВаВаВаВаВаВаВа (3.1.28)ВаВаВаВа Рг2 = 0.00002704тАв290 = 0.00784 Вт
Беремо резистор С2-23-0.125-320
2.6 Максимальний струм скрiзь стабiлiтрон
РЖст max =((Uвих.max тАУ Uст min) / Rг2) + РЖку (3.1.29)
РЖст max = ((13 -9) / 320) + 0.0032 = 0.0157А = 15.7 мА < РЖст max = 26 мА
2.7 Величина струму у опiрному дiльнику
РЖдiл >> РЖб ппс = 30тАв0.000064 = 0.002А (3.1.30)
2.8 Опiр резистивного дiльника
Rдiл = Uвих. min / РЖдiл ВаВаВаВаВаВаВаВаВаВаВаВаВаВаВаВаВаВаВаВаВаВаВаВаВаВаВаВаВаВаВаВаВаВаВаВа Ва(3.1.31)
Rдiл = 12 / 0.002 = 6.25 кОм
2.9 Коефiцiiнт зворотного звтАЩязку дiльника
Кз.в. min = Uст min / Uвих. max ВаВаВаВаВаВаВаВаВаВаВа Ва(3.1.32)
Кз.в. min = 9 / 13 = 0.69
Кз.в. = Uст н / Uвих.ВаВаВаВаВаВаВаВаВаВаВаВаВаВаВаВаВаВаВаВаВаВа (3.1.33)
Кз.в. = 10 / 12.5 = 0.8
Кз.в. max = Uст max / Uвих. min ВаВаВаВаВаВаВаВаВаВаВаВаВаВаВаВаВаВаВаВа Ва(3.1.34)
Кз.в. max = 10.5 / 12 = 0.875
2.10 Величина опорiв R1 та R3 дiльника
R1 ≤ (1 - Кз.в. max )тАвRдiлВаВаВаВаВаВаВаВаВаВаВаВаВаВаВаВаВаВаВаВаВаВаВаВаВаВаВаВаВаВаВаВа (3.1.35)
R1 ≤ 0.125тАв6000 = 750 Ом
РR1 = (РЖдiл)²тАвR1ВаВаВаВаВаВаВаВаВаВаВаВаВаВаВаВаВаВаВаВаВаВаВаВаВаВаВаВаВаВаВаВаВаВаВаВаВаВа (3.1.36)
РR1 = 0.000004тАв750 = 0.003 Вт
Беремо резистор С2-23-0.125-750
R3 ≤ Кз.в. minтАвRдiл ВаВаВаВаВаВаВаВаВаВаВаВаВаВаВаВаВаВаВаВаВаВаВаВаВаВаВаВаВаВаВа Ва(3.1.37)
R3 ≤ 0.69тАв6000 = 4100
РR3 = (РЖдiл)²тАвR3 ВаВаВаВаВаВаВаВаВаВаВаВаВаВаВаВаВаВаВаВаВаВаВаВаВаВаВаВаВаВаВаВаВаВаВаВаВа Ва(3.1.38)
РR3 = 0.000004тАв4000 = 0.016 Вт
Беремо резистор С2-23-0.125-4.3кВ±10%
2.11 Опiр змiнного резистора R2Ва
R2 ≥ Rдiл - R1 - R3ВаВаВаВаВаВаВаВаВаВаВаВаВаВаВаВаВаВаВаВаВаВаВаВаВаВаВаВаВаВаВаВаВа (3.1.39)
R2 ≥ 6000 тАУ 750 тАУ 4300 = 950 Ом
Беремо резистор СП2-2а-1.3к
2.12 Максимальний ККД
ή = Uвих. max тАвРЖн max / Uо maxтАвРЖк max ВаВаВаВаВаВаВаВаВаВаВаВаВаВаВаВаВаВаВаВаВаВаВаВаВаВаВа Ва(3.1.40)
ή = 13тАв1 / 20.9тАв1 = 0.622
2.13 Основний коефiцiiнт стабiлiзацii
Кст. осн = (Кз.в. / Rвх. ппс)тАв(Rк.с / А)тАв( Uвих. / Uон) , де (3.1.41)
а) 1/ Rк.с = (Rк1+Rк2) / Rк1тАвRк2 = (240000 + 30000) / 72тАв100000000 ВаВаВаВаВаВаВа
Rк1 = R1ктАвh21е minтАЭ = 3000тАв80 = 240000 Ом
Rк2 = 30000 Ом (для транзистора П601БИ)
Rк.с = 720000 / 27 = 26.7 тАв1000 Ом
б) А = 1 + (Rдiл тАв(1 - Кз.в.)тАвКз.в. / h21е min ) / Rвх. ппс = 1 + (6000тАв0.2тАв0.8/50)/ 12.5 = 1 + 1.536 = 2.536
Кст. осн = 0.8тАв26700тАв12.5 / 12.5тАв2.536тАв19 = 267000 / 602.3 = 443.3
2.14 Коефiцiiнт стабiлiзацii
Кст. = Кст. осн = 443.3 > 200 (3.1.42)
2.15 Фактичний коефiцiiнт пульсацiй та амплiтуда на виходi стабiлiзатора
Кп. вих. = Кп. вх. / Кст.ВаВаВаВаВаВаВаВаВаВаВаВаВаВаВаВаВаВаВаВаВаВаВаВаВаВаВаВаВаВаВаВаВаВаВа (3.1.43)
Кп. вих. = 5.9 / 443.3 = 0.0133 %
U~m вих. = Кп. вих.тАвUоп.ВаВаВаВаВаВаВаВаВаВаВаВаВаВаВаВаВаВаВаВаВаВаВаВаВаВаВаВаВаВаВаВаВаВаВаВаВаВаВаВаВа (3.1.44)
U~m вих. = 0.000133тАв10 = 0.00133 =1.33 мВ
3.2 Розрахунок випрямляча з фiльтром
Згiдно до завдання на ДП необхiдно розрахувати випрямляч з фiльтром (рисунок 3.2)

Рисунок 3.2 - Схема електрична принципова випрямляча з фiльтром
Данi для розрахунку
1 Напруга в навантаженнi
Uо = 19 В
2 Струм навантаження
Iо = 0,5 А
3 Коефiцiiнт пульсацiй напруги в навантаженнi
Кп = 5,9 % = 0,059
4 Напруга i частота живлячоi мережi
Uмер. = 220 В з f = 50 Гц
Розрахунок
1.Потужнiсть нагрузки:
Ро = Io тАв Uо (3.2.1)
Ро = 0,5 тАв 19 = 9,5 Вт
2. Падiння напруги на дроселi
Uдр = 0,15 Uо (3.2.2)
Uдр = 2,85 В
3 Постiйна напруга на входi згладжуючого випрямляча
Uпост = Uо + Uдр ВаВаВаВаВаВаВаВаВаВаВаВаВаВаВаВаВаВаВаВаВаВаВаВаВаВаВаВаВаВаВаВаВаВаВаВаВаВаВаВаВаВаВаВаВаВаВаВаВаВаВаВаВаВаВаВаВаВаВаВаВаВаВаВаВа Ва(3.2.3)
Uпост = 19 + 2,85 = 21,85 В
4 Обираiмо однофазну мостову схему.
Визначаiмо активний опiр трансформатора
Rтр = Kr тАв Uпост тАв a / Io тАв f тАв BmВаВаВаВаВаВаВаВаВаВаВаВаВаВаВаВаВаВаВаВаВаВаВаВаВаВаВаВаВаВаВаВаВаВаВаВаВаВаВаВаВаВаВа (3.2.4)
де a =
= 2,53
Kr = 3,5 Bm = 1,4 Тл
S = 1
Rтр = 3,5 тАв 21,85 тАв 2,53 / 0,5 тАв 50 тАв 1,4 = 5,53 Ом
5 Обираiмо тип вентилю
РЖов = 0,5Iо ВаВаВаВаВаВаВаВаВаВаВаВаВаВаВаВаВаВаВаВаВаВаВаВаВаВаВаВаВаВаВаВаВаВаВаВаВаВаВаВаВаВаВаВаВаВаВаВаВаВаВаВаВаВаВаВаВаВаВаВаВаВаВаВаВаВаВаВаВаВаВаВаВаВаВаВаВаВаВаВаВаВаВаВа Ва(3.2.5)
РЖов = 0,25 А
Iтв = 0,5F тАв IоВаВаВаВаВаВаВаВаВаВаВаВаВаВаВаВаВаВаВаВаВаВаВаВаВаВаВаВаВаВаВаВаВаВаВаВаВаВаВаВаВаВаВаВаВаВаВаВаВаВаВаВаВаВаВаВаВаВаВаВаВаВаВаВаВаВаВаВаВаВаВаВаВаВаВаВаВаВаВаВа (3.2.6)
Iтв = 0,5 тАв 6 тАв 0,5 = 1,5 А
Uобр = 1,41В тАв Uпост ВаВаВаВаВаВаВаВаВаВаВаВаВаВаВаВаВаВаВаВаВаВаВаВаВаВаВаВаВаВаВаВаВаВаВаВаВаВаВаВаВаВаВаВаВаВаВаВаВаВаВаВаВаВаВаВаВаВаВаВаВаВаВаВаВаВаВаВа Ва(3.2.7)
Uобр = 1,41 тАв 21,85 = 30,8 В
де В = 1
F = 6
Обираiмо вентиль типу Д214 (4 шт.) з параметрами:
Uобр = 100 В
РЖов макс = 2 А
Середня пряма напруга Uпр ≤ 1 В
6 Внутрiшнiй опiр вентилю
Ri = Uпр / 3 РЖов ВаВаВаВаВаВаВаВаВаВаВаВаВаВаВаВаВаВаВаВаВаВаВаВаВаВаВаВаВаВаВаВаВаВаВаВаВаВаВаВаВаВаВаВаВаВаВаВаВаВаВаВаВаВаВаВаВаВаВаВаВаВаВаВаВаВаВаВаВаВаВаВаВаВаВаВа Ва(3.2.8)
Ri = 1 / 3 тАв 0,75 = 1,33 Ом
7 Повний активний опiр фази вентилю
Rв = Rтр + 2Ri ВаВаВаВаВаВаВаВаВаВаВаВаВаВаВаВаВаВаВаВаВаВаВаВаВаВаВаВаВаВаВаВаВаВаВаВаВаВаВаВаВаВаВаВаВаВаВаВаВаВаВаВаВаВаВаВаВаВаВаВаВаВаВаВаВаВаВаВаВаВаВаВаВаВаВаВаВа Ва(3.2.9)
Rв = 5,53 + 2,66 = 8,2 Ом
8 РЖндуктивнiсть дроселя трансформатора
Ls = KL тАв S тАв Uпост / Io тАв f тАв Bm тАв a ВаВаВаВаВаВаВаВаВаВа ВаВаВаВаВаВаВаВаВаВаВаВаВаВаВаВаВаВаВаВаВаВаВаВаВаВаВа Ва(3.2.10)
Ls = 0,005тАв1тАв21,85 / 0,5тАв50тАв1,4тАв2,53 = 0,0012 Гн
де KL = 0,005
9 Величина розрахункового параметра
А = П тАв Io тАв Rв / m тАв Uпост ВаВаВаВаВаВаВаВаВаВаВаВаВаВаВаВаВаВаВаВаВаВаВаВаВаВаВаВаВаВаВаВаВаВаВаВаВаВаВаВаВаВаВаВаВаВаВаВаВаВаВа Ва(3.2.11)
А = 3,14тАв0,5тАв8,2 / 2тАв21,85 = 0,29
10 Кут зсуву фаз за рахунок Ls
£ = arctg(2ПтАвfтАв Ls / Rв) ВаВаВаВаВаВаВаВаВаВаВаВаВаВаВаВаВаВаВаВаВаВаВаВаВаВаВаВаВаВаВаВаВаВаВаВа ВаВаВаВаВаВаВаВаВаВаВаВаВаВаВаВаВаВаВаВаВаВаВаВаВаВаВа Ва(3.2.12)
£ = arctg 0,0459 = 3В°
В = 1,09
D = 2,17
F = 6
H = 600
11 Визначимо величини необхiднi для розрахунку трансформатора
U2 = BтАвUпост ВаВаВаВаВаВаВаВаВаВаВаВаВаВаВаВаВаВаВаВаВаВаВаВаВаВаВаВаВаВаВаВаВаВаВаВаВаВаВаВаВаВаВаВаВаВаВаВаВаВаВаВаВаВаВаВаВаВаВаВаВаВаВаВаВаВаВаВаВаВаВаВа Ва(3.2.13)
U2 = 1,09тАв21,85 = 23,82 В
I2 = 0,707тАв DтАвIo ВаВаВаВаВаВаВаВаВаВаВаВаВаВаВаВаВаВаВаВаВаВаВаВаВаВаВаВаВаВаВаВаВаВаВаВаВаВаВаВаВаВаВаВаВаВаВаВаВаВаВаВаВаВаВаВаВаВаВаВаВаВаВаВаВаВа Ва(3.2.14)
I2 = 0,707 тАв 2,17тАв 0,5 = 0,77 А
I1 = Kтр тАв I2ВаВаВаВаВаВаВаВаВаВаВаВаВаВаВаВаВаВаВаВаВаВаВаВаВаВаВаВаВаВаВаВаВаВаВаВаВаВаВаВаВаВаВаВаВаВаВаВаВаВаВаВаВаВаВаВаВаВаВаВаВаВаВаВаВаВаВаВаВаВаВаВа (3.2.15)
I1 = 0,07 А
де Kтр = U2 / U1 = 0,108
Ртип = 0,707 тАв В тАв D тАв Io тАв Uпост ВаВаВаВаВаВаВаВаВаВаВаВаВаВаВаВаВаВаВаВаВаВаВаВаВаВаВаВаВаВаВаВаВаВаВаВаВаВаВаВаВаВа Ва(3.2.16)
Ртип = 0,707тАв1,09тАв2,17тАв0,5тАв21,85 = 18,27 ВтАвА
12 Уточнюiмо величину Rтр та Rв
При Ртип до 40 ВтАвА i f = 50 Гц для сталi Е340 значення Bm = 1,55 Тл
Rтр = 3,12 ОмВаВаВа
Ls = 0,0015 Гн
Rв = 3,12 + 2,66 = 5,78 Ом
13Уточнюiмо параметри вентилю та трансформатора
А = 0,21
£ = arctg(2ПтАвfтАв Ls / Rв) ВаВаВаВаВаВаВаВаВаВаВаВаВаВаВаВаВаВаВаВаВаВаВаВаВаВаВаВаВаВаВаВаВаВаВаВаВаВаВаВаВаВаВаВаВаВаВаВаВаВаВаВаВаВаВаВаВаВаВаВаВаВаВаВа Ва(3.2.17)
£ = arctg 0,081 = 5В°
В = 1
D = 2,21
F = 6,4
H = 440
Iов = 0,5 А
Uобр = 1,41тАв1тАв21,85 = 30,8 В < Uобр доп = 100 В
U2 = 1тАв21,85 = 21,85 В
I2 = 0,707тАв2,21тАв0,5 = 0,78 А
Ктр = 21,85/220 = 0,099
I1 = 0,099тАв0,707тАв2,21тАв0,5 = 0,077А
Ртип = 0,707тАв0,78тАв2,21тАв21,85 = 26,63 ВтАвА
14 Вибираiмо П-образний LC фiльтр
Коефiцiiнт пульсацiй на входi фiльтру:
Кп.вх. = 100Н / RвСо ВаВаВаВаВаВаВаВаВаВаВаВаВаВаВаВаВаВаВаВаВаВаВаВаВаВаВаВаВаВаВаВаВаВаВаВаВаВаВаВаВаВаВаВаВаВаВаВаВаВаВаВаВаВаВаВаВаВаВаВаВа Ва(3.2.18)
Задаiмося iмкiстю конденсатора на входi фiльтру такоi величини, щоб значення Кп.вх було менше 3 %
Со = 100 мкФ
Кп.вх. = 76%
15 Коефiцiiнт згладжування фiльтру
q = Кп.вх. / Кп.вих. ВаВаВаВаВаВаВаВаВаВаВаВаВаВаВаВаВаВаВаВаВаВаВаВаВаВаВаВаВаВаВаВаВаВаВаВаВаВаВаВаВаВаВаВаВаВаВаВаВаВаВаВаВаВаВаВаВаВаВаВаВаВаВаВаВаВаВа Ва(3.2.19)
q = 0,76/ 0,1 = 7,6
16 Амплiтуда змiнноi напруги на конденсаторi Со
U~m = Кп.вх. тАв Uo ВаВаВаВаВаВаВаВаВаВаВаВаВаВаВаВаВаВаВаВаВаВаВаВаВаВаВаВаВаВаВаВаВаВаВаВаВаВаВаВаВаВаВаВаВаВаВаВаВаВаВаВаВаВаВаВаВаВаВаВаВаВаВаВаВаВаВа Ва(3.2.20)
U~m = 0,076тАв21,85 = 1,7 В
Вибираiмо конденсатор типу К50-27 з умови:
Uраб конд = 50 В > U2m= 1,41U2 = 33,6 В
UВнmконд > U~m
U~mконд = 6%
Uраб конд = 0,06тАв50 = 3 В > U~m = 1,7 В
Конденсатор С1 на виходi фiльтру вибераiм того ж типу що i С0
17 РЖндуктивнiсть дроселя фiльтру
L = 10(q + 1) / m² тАв C1 ВаВаВаВаВаВаВаВаВаВаВаВаВаВаВаВаВаВаВаВаВаВаВаВаВаВаВаВаВаВаВаВаВаВаВаВаВаВаВаВаВаВаВаВаВаВаВаВаВаВаВаВаВаВаВаВаВа Ва(3.2.21)
L = 10тАв8,6 / 4 тАв 100 = 0,215 Гн
Вибираiмо унiфiкований дросель типу Д4-0,6-0,12 параметри якого наступнi:
L = 0,6 Гн
I0 = 0,12 А
U~др доп = 5 В
U~ mдр доп = 1,41 U~др доп = 7 В > U~m = 3,8 В
18 Фактичний коефiцiiнт згладжування
q = m² тАв C1 тАв L / 10 ВаВаВаВаВаВаВаВаВаВаВаВаВаВаВаВаВаВаВаВаВаВаВаВаВаВаВаВаВаВаВаВаВаВаВаВаВаВаВаВаВаВаВаВаВаВаВаВаВаВаВаВаВаВаВаВаВаВаВаВаВаВа Ва(3.2.22)
q = 24
Фактичний коефiцiiнт пульсацii напруги в навантаженнi
Кп.вих. = Кп.вх. / q ВаВаВаВаВаВаВаВаВаВаВаВаВаВаВаВаВаВаВаВаВаВаВаВаВаВаВаВаВаВаВаВаВаВаВаВаВаВаВаВаВаВаВаВаВаВаВаВаВаВаВаВаВаВаВаВаВаВаВаВаВаВаВаВаВаВаВа Ва(3.2.23)
Кп.вих. = 0,76 / 24 = 0,032
19 ККД випрямляча
n = Ро ном / Ро ном + Рв + Ртр + Рф ВаВаВаВаВаВаВаВаВаВаВаВаВаВаВаВаВаВаВаВаВаВаВаВаВаВаВаВаВаВаВаВаВаВаВаВаВаВаВаВаВаВаВа Ва(3.2.24)
де Ро ном = Ро = 9,5 Вт
Рв = Io тАв 2 тАв Uпр = 1 Вт
Ртр = Ртип(1- nтр) = 26,63тАв0,1 = 2,663 Вт
Рф = UдртАвIo = 2,85тАв0,5 = 1,425ВаВаВаВаВаВаВаВа Вт
n = 9,5 / 9,5+1+2,663+1,425 = 0,65 або 65%
4 КОНСТРУКТОРСЬКО-ТЕХНОЛОГРЖЧНА ЧАСТИНА
4.1 Конструкторська частина
Згiдно з технiчним завданням було розроблено корпус для схеми тАЮРегулятор потужностi з таймеромтАЭ. Друкована плата маi три отвори для крiплення на корпус.
Корпус являi собою пластикова коробка (120х92,5х20), що складаiться з двох деталей. Товщина пластика складаi 5мм у всiх стiнках. Перша, основна, маi на основi чотири пiднесенi цилiндри зi спецiальними отворами для шурупiв на мiсцях, якi зазначенi на рисунку друкованоi плати. Вони пiднесенi на 7 мм вiд стiнки основи. Завдяки iм плата тримаiться у корпусi нерухомою.
В корпусi i отвори для змiнних опорiв R7 та R20, перемикачiв SA1 та SA2,а також iндикатора HL1.
В якостi вмикача живлення iснують клеми з фiксацiiю, що крiпляться укомплектованою гайкою на праву стiнку корпусу, що входить до першоi деталi. Провiдниками (ПХВ.М тАУ 2.5) з`iднуються iз самою платою.
Таким чином ми маiмо зручний i досить компактний корпус для регулятора потужностi з таймером.
4.2 Технологiчна частина
4.2.1 способи виготовлення друкованоi плати
Друкована плата i плоскою iзоляцiйною пiдставкою, на одному чи обох боках якоi розташованi металевi провiдники, вiдповiдно до електричноi схеми.
Друкована плата служить для монтажу на нiй електрорадiоелементiв за допомогою напiвавтоматичних i автоматичних установок з подальшим одночасним паянням всiх ЕРЕ зануренням в розплавлений припiй або на хвилi рiдкого припою ПОС.
До друкованоi плати пред'являiться ряд вимог по точностi розташування провiдного малюнка, по величинi опору iзоляцii дiелектрика, механiчноi мiцностi i тд. (ГОСТ 23752тАФ79). Однiiю з основних вимог i забезпечення здатностi до паяння, що досягаiться вiдповiдним вибором гальванiчного покриття i технологiiю металiзацii, тому у виробництвi друкованоi плати особливу увагу надаiться хiмiко-гальванiчним процесам.
Виготовлення друкованоi плати (ГОСТ 2.417-91) здiйснюiться хiмiчним, електрохiмiчним або комбiнованим способом. Останнiм часом набули поширення новi способи виготовлення - аддетивнi. Нижче дана коротка характеристика кожного iз способiв.
Вихiдним матерiалом при хiмiчному способi служить фольгований дiелектрик, на поверхню якого з одного або двох бокiв наклеiна мiдна фольга завтовшки 35-50 мкм.
На поверхню мiдноi фольги спочатку наноситься захисний малюнок (рельiф) так, щоб вiн закрив провiдники при витравленнi мiдi. Захисний малюнок схеми виконуiться стiйкими до дii травильних розчинiв матерiалами. Потiм слiдуi операцiя витравлення, в результатi якоi повнiстю витравлюiться мiдь i створюiться провiдний малюнок.
У зарубiжнiй практицi даний спосiб називають субтрактивним. Отвори для установки виводiв електрорадiоелементiв свердляться або штампуються пiсля витравлення мiдi i не металiзуються. Паяння виводiв електрорадiоелементiв проводиться безпосередньо до контактних майданчикiв друкованих провiдникiв.
Електрохiмiчний спосiб в зарубiжнiй лiтературi i частково у вiтчизнянiй практицi називають напiваддитивним вiд латинського слова ВлadditioВ» (складання), оскiльки провiдний малюнок створюiться в результатi електрохiмiчного осадження металу, а не витравляння. Префiкс ВлнапiвВ» означаi, що в технологii виготовлення збережена операцiя витравлення тонкого шару металу, який утворюiться по всiй поверхнi плати при хiмiчнiй металiзацii.
Вихiдними матерiалами в цьому випадку служать нефольгованi дiелектрики. Захисний малюнок на вiдмiну вiд попереднього методу наносять так, щоб вiдкритими залишалися тi дiлянки поверхнi, якi пiдлягають металiзацii з метою утворення провiдникових елементiв схеми.
Електрохiмiчний спосiб передбачаi отримання металiзованих отворiв одночасно з провiдниками i контактними майданчиками.
Комбiнований спосiб i поiднанням перших двох способiв. Вихiдним матерiалом служить фольгований з двох сторiн дiелектрик, тому провiдний малюнок одержують витравленням мiдi, а металiзацiя отворiв здiйснюiться за допомогою хiмiчного мiднення з подальшим електрохiмiчним нарощуванням шару мiдi. Паяння виводiв електрорадiоелементiв проводиться за допомогою заповнення припоiм монтажних отворiв в платi.
Комбiнований метод в даний час i основним у виробництвi двосторонньоi i багатошаровоi друкованноi плати для апаратури найрiзноманiтнiшого призначення.
Аддитивний метод полягаi в створеннi провiдного малюнка за допомогою металiзацii достатньо товстим шаром хiмiчноi мiдi (25тАФ35 мкм),
що дозволяi виключити застосування гальванiчних операцiй i операцiй витравлювання. Вихiдним матерiалом при цьому служить нефольгований дiелектрик. Виключення вищезгаданих операцiй дозволяi iстотно зменшити ширину провiдникiв i зазори мiж ними, що у свою чергу забезпечуi можливiсть збiльшити густину монтажу на платi. Крiм того, як показав досвiд, вживання цього методу рядом фiрм США сприяi зниженню вартостi плати на 15-20 %, а також витрат хiмiкатiв, скороченню виробничих площ i складу устаткування. До 10 % плат, що виробляiться в РДвропi i США, виготовляються адитивним методом. Бiльш широкому його розповсюдженню перешкоджають патентнi обмеження.
4.2.2 Хiмiчний спосiб виготовлення плат
Послiдовнiсть основних технологiчних операцiй позитивним i негативним методом вiдрiзняiться.
Негативний метод - для отримання захисного рельiфу методом фотодруку як фотошаблон використовуiться негативне зображення провiдного малюнка плати, тобто пробiльнi мiсця чорнi, а провiдники - оптично прозорi. Таким чином, проходячи через свiтлi дiлянки потiк ультрафiолетового промiння при експонуваннi полiмеризуi фоторезист, нанесений на поверхню заготовки, утворюючи захисний рельiф.
Позитивний метод тАУ захисний шар наноситься на провiдний малюнок, бо витравлювання здiйснюiться металевим покриттям, тому захисний рельiф наноситься на пробiльнi мiсця i для фотодруку використовуiться позитивне зображення плати.
Негативний метод найбiльш поширений у виробництвi плат побутовоi радiоапаратури, вiн характеризуiться мiнiмальною трудоiмнiстю i можливостями автоматизацii всiх операцiй. Як метод отримання захисного рельiфу при цьому використовуiться найдешевший в масовому виробництвi спосiб трафаретного друку тАУ сiткографiя iз застосуванням фарби, що полiмеризуiться за допомогою ультрафiолетового опромiнювання.
Хiмiко-механiчна пiдготовка поверхнi фольги може проводитися також на автоматичнiй лiнii ГГМ 1.240.006. Захисна маска з епоксидноi смоли наноситься на поверхню плати так, щоб вiдкритими були тiльки контактнi майданчики провiдникiв, якi залужуються припоiм ПОС при виконаннi монтажних операцiй.
Провiдники, захищенi епоксидним покриттям, обробцi не пiддаються i цим досягаiться значна економiя олов'яного сплаву. Епоксидна захисна маса наноситься також способом трафаретного друку. Пробивка отворiв звичайно проводиться штампуванням за допомогою кривошипних пресiв.
З досвiду одного з пiдприiмств захист провiдникiв вiд лудiння при паяннi виводiв радiоелементiв здiйснюiться за допомогою iх хiмiчноi пасивацii (хромування), оскiльки хромова плiвка на мiдi запобiгаi змочуванню ii припоiм.
Захисна маска на контактних майданчиках служить потiм флюсом при паяннi на хвилi припою.
Головною перевагою даного методу i виключення з технологii операцii нанесення маски з епоксидноi смоли, що представляi велику професiйну шкiдливiсть.
Позитивний метод застосовуiться вельми рiдко i обмежуiться звичайно виготовленням смужкових плат. Як гальванiчне покриття при цьому служить срiбло з товщиною шару 9-12 мкм.
Плата з одностороннiм або двостороннiм розташуванням провiдникiв без металiзацii отворiв можуть бути виготовленi способами штампування, перенесення а також нанесення струмопровiдних фарб (паст).
Спосiб штампування рекомендований для масового виробництва, при цьому як пiдставка служить будь-який дiелектрик, у тому числi i картон. Мiдна фольга завтовшки 35 мкм, змотана в рулон, з одного боку покрита
Ваадгезiйним шаром. Цим шаром фольга накладаiться на дiелектрик, при штампуваннi вирубка провiдникiв комбiнуiться з iх притиском до дiелектрика. Непотрiбна частина фольги вiддiляiться. Потiм плата пiддаiться нагрiву в пресованому положеннi для полiмеризацii адгезiйного шару з метою мiцного зчеплення провiдникiв з пiдложкою. Метод ефективний для плат масового виробництва з вiдносно простою схемою провiдникiв.
Операцiя витравлення не застосовуiться, тому мiдь витрачаiться по прямому призначенню, а вiдходи мiдi використовуються для переплавлення. Даний спосiб - найдешевший по витратi матерiалiв i якнайменше трудомiсткий.
Спосiб перенесення полягаi в отриманнi провiдного малюнка на тимчасовiй металевiй пiдложцi i потiм перенесення його на дiелектрик. Як тимчасова пiдложка служить пластина з корозiйностiйкоi сталi типу 18ХН9Т. На пластинi одержують захисний малюнок, як i при позитивному процесi, тобто пробiльнi мiсця закритi фоторезистом або фарбою.
Потiм пластину пiддають гальванiчному мiдненню в кислих електролiтах i на нiй утворюiться провiдний малюнок з мiдi завтовшки 35-50 мкм. Фоторезист або фарба вiддiляiться, а пластина з провiдним малюнком притискаiться до дiелектрика, на поверхню якого нанесений клейовий шар.
Провiдний малюнок легко вiддiляiться вiд поверхнi корозiйностiйкоi сталi i приклеюiться до дiелектрика унаслiдок дуже слабкого зчеплення електрообложеноi мiдi з корозiйностiйкою сталлю. Як i у попередньому випадку, плата пiддаiться нагрiву в пресованому поляганнi для полiмеризацii клейового з'iднання.
Метод перенесення доцiльний в умовах дослiдницького i дрiбносерiйного виробництва за вiдсутностi очисних споруд i умов для утилiзацii мiдi з травильних вiдходiв. Технологiчний процес i прикладом безвiдходноi технологii.
Спосiб отримання провiдного малюнка за допомогою електропровiдних фарб або паст ще не одержав широке вживання в промисловостi через вiдсутнiсть вiдповiдних матерiалiв необхiдноi якостi, проте вiн i вельми перспективним i економiчним для отримання плат широкомовноi апаратури.
4.2.3 Електрохiмiчний спосiб отримання друкованоi плати
Цей спосiб здiйснюiться за допомогою наступних основних операцiй: нарiзка заготовок, свердлення отворiв, що пiдлягають металiзацii, пiдготовка поверхнi; хiмiчного мiднення; посилення мiдi гальванiчним мiдненням; нанесення захисного рельiфу на пробiльнi мiсця; гальванiчне мiднення; гальванiчного покриття сплавом олово-свинець; видалення захисного рельiфу; витравлення мiдi з пробiльних мiсць.
Вихiдним матерiалом служить нефольгованний текстолiт, на обидвi якого сторони нанесений адгезiйний шар з епоксидно-каучуковоi композицii.
Пiдготовка поверхнi дiелектрика полягаi в ii хiмiчнiй обробцi сумiшшю хромовоi i сiрчаноi кислот, в результатi якоi на поверхнi утворюються мiкрозападини, що забезпечують хорошу адгезiю металiзованого шару i хорошу змочуванiсть водними розчинами. Операцiя витравлення в даному процесi характеризуiться дуже малою тривалiстю (до 1 хв), оскiльки витравленню пiдлягаi вельми тонкий шар хiмiчно обложеноi i посиленоi гальванiчно до товщини 5-7 мкм мiдi. При витравленнi такого тонкого шару мiдi ефект бiчного затравлення практично вiдсутнiй, що дозволяi одержувати дуже вузькi провiдники шириною до 0,15 мм i з таким же зазором мiж провiдниками.
Таким чином, технологiчний процес виготовлення друкарськоi плати електрохiмiчним (напiваддитивним) способом звiльняi вiд необхiдностi фольгувати мiддю дiелектрики i забезпечуi пiдвищену густину монтажу на платi, що обумовлюi можливiсть у рядi випадкiв замiнити складну у виробництвi багатошарову друкарську плати на двостороннi. Нижче приведенi характеристики окремих операцiй i умови iх виконання.
Заготовки iз текстолiта нарiзаються з урахуванням технологiчних полiв на одноножових або багатоножових ножицях. На технологiчному полi свердляться фiксуючi отвори вiдповiдно до рекомендацiй. Пiдготовка поверхнi проводиться таким чином. Знежирену поверхню дiелектрика пiддають хiмiчнiй обробцi з метою додання гiдрофiльностi i виявлення в адгезiйному шарi мiкронерiвностей. Видалення залишкiв хромових з'iднань з поверхнi заготовки проводиться в наступнiй послiдовностi: промивка у водi, нейтралiзацiя в розчинi NaOH (5-10 %), повторна промивка, нейтралiзацiя в розчинi HCI (50-100 г/л), ще одна промивка у водi.
Для видалення продуктiв реакцii промивання водою чергують з промиванням в солянокислому розчинi гидроксиламiна (20 г/л) i лужному розчинi трилона Б. Поверхня адгезiйного шару пiсля того, що витравлення набуваi рiвномiрний матовий вiдтiнок унаслiдок створення мiнкрошороховатостi. Свердлення отворiв, що пiдлягають металiзацii, здiйсн
Вместе с этим смотрят:
IP-телефония. Особенности цифровой офисной связи