Технологические процессы микросборки плат
Федеральное агентство по образованию
Государственное образовательное учреждение
Высшего профессионального образования
Нижегородский государственный технический университет им. Р.Е. Алексеева
Кафедра Физика и технология материалов и компонентов электронной техники
Отчет по ознакомительной практике
РУКОВОДИТЕЛЬ
Воротынцев И. В.
Студент
Тюрина А.А.
О7тАФМТЭтАФ1
Содержание
1 История предприятия. 3
2. Структура предприятия. 7
3. Теоретическая часть. 9
3.1 Введение. 9
3.2 Получение тонких плёнок. 10
3.3 Формирование диэлектрических слоёв. 10
3.3.1 Осаждение тонких плёнок в вакууме. 11
3.3.2 Ионное (катодное), ионно-плазменное, магнетронное и ионно-термическое распыления. 11
3.4 Методы определения толщины плёнок. 15
3.4.1 Метод кварцевого вибратора. 15
3.4.2 Резистивный и ёмкостный методы. 16
3.4.3 Метод эллипсометрии. 16
3.4.4 Ионизация молекулярного потока. 16
4. Практическая часть. 18
4.1 Технологические процессы напыления тонких плёнок. 18
4.2 Материалы, используемые для напыления резистивных плёнок. 18
4.3 Технические требования к технологическим процессам напыления. 19
4.4 Технические данные. 21
4.5 Принцип работы установки УВН-75П-1. 23
4.6 Схема установки УВНтАУ75ПтАУ1. 24
4.7 Напыление слоёв хрома, меди на лицевую и обратную стороны подложкиВа 25
4.8 Измерение удельного поверхностного сопротивления сплошных резистивных слоёвВа 27
Выводы. 29
Список литературы. 30
1 История
предприятия
В 1946 году заводу № 197 поручается модернизация РЛС П-3, для чего создаётся специальная лаборатория под руководством Е. В. Бухвалова.
Официальной датой основания предприятия считается 30 сентября 1947 года, создаётся Специальное конструкторское бюро Государственного Союзного ордена Ленина завода № 197 (позднее тАУ Горьковского телевизионного завода им. В. И. Ленина, ныне тАУ ОАО "НИТЕЛ"). C 1966 года преобразуется в самостоятельное предприятие тАФ КБ ГТЗ им. В. И. Ленина. В 1981 году переименован в Горьковский НИИ радиотехники (ГНИИРТ), в 1990 после переименования города Горького предприятие приобрело современное название. С 1999 года предприятию присвоен статус Федерального научно-производственного центра (ФНПЦ).
С 1947 по 1952 г. коллектив разработал 10 типов и модификаций радиостанций, одна из них отмечена Государственной премией. С 50-х гг. предприятие специализируется на разработке радиолокационных средств. После завершения в 1948 г. разработки РЛС П-3А на предприятии создаются первая отечественная РЛС П-8 (1950 г.) с индикатором кругового обзора и простейшей аппаратурой защиты от пассивных помех (СДЦ), РЛС П-10 (1951 г.) с перестройкой частоты, РЛС П-12 (1955 г.) с когерентно-компенсационной аппаратурой СДЦ, РЛС П-12М (1956 г.), первая высокопотенциальная РЛС П-14, РЛС П-12МП (1959 г.), П-12МА (1960 г.), автоматизированный радиолокационно-связной комплекс П-95 (1963 г.), РЛС П-12НП ( 1965 г.), П-14Ф (1966 г.), одна из первых в мире РЛС П-70 метрового диапазона волн с ЛЧМ зондирующим сигналом, АРЛСК П-96 (1968 г.), РЛС П-18 (1970 г.), РЛС 5Н84А (1974 г.) с корреляционным автокомпенсатором, первая отечественная трехкоординатная РЛС 5Н69 (1975 г.) дециметрового диапазона волн с частотным качанием луча, РЛС 44Ж6 (1979 г.), первая в мире подвижная трехкоординатная РЛС 55Ж6 метрового диапазона волн, РЛС 1Л13 (1982 г.).
3а 60 лет предприятием создано более 35 типов и модификаций РЛС. Они выпущены общим объемом около 17 тыс. единиц и составляют основу радиолокационного поля ПВО. Около трех тысяч РЛС, разработанных предприятием, поставлено в более чем 50 стран. С 1995 г. ННИИРТ в кооперации с предприятиями страны осуществляет серийное изготовление своих разработок.
ННИИРТ - единственное в мире предприятие, где разработаны и развиваются уникальные технологии создания и производства локаторов метрового диапазона волн, способных достаточно эффективно обнаруживать объекты, изготовленные с применением
СТЕЛС-технологий. Пять типов РЛС удостоены Ленинской и Государственных премий. В их числе Государственная премия РФ 2002 г. в области науки и техники за создание, внедрение в производство и эксплуатацию трехкоординатной РЛС метрового диапазона волн 55Ж6-У с цифровой фазированной антенной решеткой (ФАР).
Одна из последних разработок института в метровом диапазоне волн - первая высокомобильная РЛС 1Л119 обнаружения аэродинамических и баллистических целей метрового диапазона волн с активной ФАР принята на вооружение в 2003 г.
Продукция ННИИРТ, как правило, не имеет отечественных и зарубежных аналогов или значительно превосходит их по основным характеристикам. Таковы мобильная трехкоординатная РЛС 59Н6 (1997 г.) дециметрового диапазона волн, бортовая РЛС Э-801 (1995 г.) на вертолете Ка-31 для обнаружения воздушных и надводных объектов. Коллективом института разработан, изготовлен и испытан образец принятой на вооружение в 2005 г. РЛС 52Э6, в которой впервые с использованием новейших информационных технологий реализован метод локации "на просвет" для обнаружения малозаметных низколетящих объектов. В 2000 г. разработан и тиражируется монтажный комплект аппаратуры для модернизации непосредственно в войсковых условиях самой массовой в мире РЛС П-18 метрового диапазона волн средних и больших высот обнаружения. В 2005-2006 гг. успешно завершены государственные испытания 3 РЛС последнего поколения.
Предприятие - один из лидеров радиоэлектронной отрасли, работает в интересах отечественных и зарубежных заказчиков, поставляет радары для различных видов Вооруженных Сил (ВВС, СВ, ВМФ). За последнее десятилетие в ННИИРТ организованы новые высокотехнологичные производства и сотни рабочих мест, модернизированы основные производственные фонды
За высокие достижения в радиолокации и укрепление обороноспособности страны ННИИРТ в 1997 г. удостоен благодарности президента РФ. 40 работников предприятия стали лауреатами Ленинской и Государственных премий, около 400 отмечены государственными наградами и почетными званиями. Учеными и специалистами ННИИРТ опубликовано более 1000 научных работ.
По итогам 2006 г. институт вошел в число лауреатов конкурса "Элита Нижегородского бизнеса". Ряд работ, созданных за последние годы, удостоен наград международных конкурсов изобретений, проведенных во Франции, Бельгии и России
ННИИРТ отмечен медалью и дипломом победителя VII Всероссийского конкурса "1000 лучших предприятий и организаций России", дипломами победителя VI Всероссийского конкурса "Российская организация высокой социальной эффективности" и "Лучшая российская кадровая служба-2006" II Всероссийского конкурса кадровых служб.
Деятельность института имеет большое значение для социально-экономического развития региона и страны, т. к. обеспечивает занятость тысяч инженерно-технических работников и рабочих разных специальностей непосредственно в институте и на предприятиях-соисполнителях, расширение и модернизацию производственных мощностей, стимулирует развитие академической и отраслевой науки, подготовку учебными заведениями Нижнего Новгорода специалистов широкого спектра профессий и специальностей.
ОАО ВлФедеральный научно-производственный центр тАЮНижегородский научно-исследовательский институт радиотехникитАЬ (ННИИРТ) тАФ одно из ведущих российских предприятий по разработке и изготовлению радиолокационных станций, расположенное в Нижнем Новгороде.
С 2007 года указом Президента РФ федеральный научно-производственный центр ННИИРТ входит в состав Концерна ПВО ВлАлмаз-АнтейВ».
Предприятие выполняет работы по всему жизненному циклу создаваемой продукции (прикладные научные исследования, опытно-конструкторские разработки, серийное производство, гарантийное обслуживание, модернизация фирменный ремонт, также выполняется утилизация устаревшей военной техники). За последнее десятилетие в ННИИРТ организованны новые высокотехнологические производства и сотни рабочих мест. Здесь работают филиалы кафедр ведущих вузов Нижнего Новгорода.
Структура предприятия состоит из нескольких базовых отделений: конструкторское, схемотехническое, производственное, технологическое и отделение по испытанию опытных образцов. Рассмотрим их более подробно.
В конструкторском отделении трудится большой отряд специалистов. Здесь уделяют особое внимание освоению и внедрению самых прогрессивных методов разработки конструкций, обеспечивающих требуемые технические параметры, обладающие высокой надёжностью в экстремальных ситуациях, имеющие высокую технологичность и степень унификации.
Схемотехническое отделение- мозг предприятия. Здесь рождаются идеи, материализуется процесс разработки, запускается процесс создания высокотехнологичной продукции на основе достижений радиоэлектроники и информационных технологий.
Производство оснащено уникальными производственными центрами, станками с программным управлением и высокоавтоматическими участками прецизионной механообработки, новейшим оборудованием для сборки сложной радиоэлектронной аппаратуры.
Технологическое отделение тАУ является одним из крупнейших хорошо оснащенных подразделений предприятия. Существенная часть по технологической подготовки производства связанна с разработкой прикладных программ для автоматизированного оборудования.
Исследовательская база включает в себя:
1. Стендовое оборудование на базе современной компьютерной техники;
2. Испытательный полигон с развитой инфраструктурой;
3. Испытательный комплекс для проведения механических, климатических и термических испытаний радиоаппаратуры.
В плёночных интегральных микросхемах элементы создаются осаждением тонких (тонкоплёночные ИС) или толстых (толстоплёночные ИС) плёнок на специальные платы из диэлектрических материалов тАУ подложки. Подложка служит механическим основанием ИС и, будучи диэлектриком, изолирует её элементы. На основе напыленных плёнок в настоящее время изготавливают только пассивные элементы. Плёночные схемы, дополненные активными элементами принято называть гибридными ИС (ГИС). Активные элементы в этих схемах крепятся на подложке методом навесного монтажа.
Такая технология изготовления ИС, при которой пассивные и активные элементы создаются по двум не зависимым друг от друга циклам, приводит к ряду преимуществ, которые обусловили широкое применение и использование ГИС. Гибридные ИС характеризуются простотой изготовления, малой трудоёмкостью, непродолжительностью производственного цикла и в силу этого низкой стоимостью.
Многоуровневое расположение пассивных элементов и использование в качестве активных элементов полупроводниковые ИС расширяют возможности схемотехнической разработки при создании БИС.
Технология изготовления тонких и толстых плёнок позволяет создавать прецизионные резисторы и конденсаторы, в силу чего гибридная технология предпочтительнее в схемах с повышенной точностью пассивных элементов.
Интегральные микросхемы, работающие в СВЧ диапазоне также создаются по гибридной технологии. При этом исключается трудности связанные с изоляцией элементов толстыми диэлектрическими слоями, неизбежной, если СВЧ ИС выполняется как полупроводниковая.
Толстоплёночную технологию целесообразно использовать при разработке мощных ИС, работа которых сопровождается большим выделением тепла.
В современной технологии изготовления интегральных микросхем тонкие пленки (толщиной до 5 мкм) нашли широкое применение и выполняют разнообразные функции. В полупроводниковых ИС тонкие диэлектрические пленки используются как маскирующие покрытия для получения локализованных легированных областей.
В тонкопленочных ИС на основе самих пленок образуются пассивные элементы. При этом применяются тонкие пленки из материалов с высокой электропроводностью, диэлектрические и резистивные пленки. Тонкие диэлектрические пленки создают диэлектрическую изоляцию между различными слоями в схемах многоуровневой металлизацией. Нанесённые на поверхность готовой схемы, они защищают от механических повреждений. Тонкие плёнки металлов связывают между собой активные и пассивные элементы, образуют контактные площадки. Кроме того, в полупроводниковой и тонкоплёночной технологии плёнки используются как технологические элементы в процессе изготовления схем, например, в качестве контактных масок при диффузии и напылении. Существует множество методов получения тонких плёнок: термическое окисление кремния, термическое вакуумное напыление, ионно-плазменное напыление и т.д. Каждый из этих методов имеет свои преимущества и недостатки.
3.3 Формирование диэлектрических слоёв
Формирование диэлектрических слоев может происходить вследствие прямого химического взаимодействия компонентов окружающей (технологической) среды с атомами обрабатываемой подложки тАУ структуры и как результат "принудительного" осаждения материала из внешней атмосферы при пиролизе, ионно-плазменном, плазмохимическом или ином методе активации образования новой фазы. Первый тип реакций характерен для системы Si тАУ SiO2 активное взаимодействие кремния с кислородом обусловливает наличие на монокристаллах кремния естественного слоя диоксида толщиной (2-5) нм. Реакции второго типа позволяют формировать диэлектрические слои (например SiO2) не только на кремнии, но и на кристаллах других полупроводников, не имеющих собственных окислов с хорошими маскирующими свойствами, в частности Gе, GаАs и др.
3.3.1 Осаждение тонких плёнок в вакууме
Вакуумное напыление - относительно простой метод, который при выполнении определенных условий позволяет получать тонкие пленки различных материалов высокой чистоты и заданного структурного совершенства. Процесс заключается в генерации потока частиц, направленного на подложку, их конденсации и образования последовательности слоев пленочного покрытия (Рисунок 3).

Рисунок 3 тАУ Схема термического испарения в вакууме: 1- колпак; 2 - нагреватель; 3 - подложкодержатель; 4 - подложка; 5 - заслонка; 6 - испаритель; 7 - уплотнительная прокладка; 8 - опорная плита установки
3.3.2 Ионное (катодное), ионно-плазменное, магнетронное и ионно-термическое распыления
При ионном процессе осаждения тонких пленок напыляемый материал используется в качестве катода в системе с тлеющим разрядом в инертном газе (Аг или Хе) при давлении 1-10 Па и напряжении в несколько киловольт.
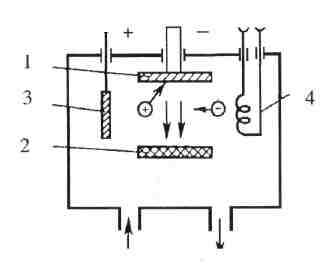
Подложка, на которую напыляют пленку, располагается на аноде. Положительные ионы газа, возникающие в разряде, ускоряются по направлению к катоду и достигают его с большой энергией; ее возрастание происходит в прикатодной области (рисунок 4).

Рисунок 4 тАУ. Схема ионного (диодного или двухэлектродного) распыления: 1- колпак; 2 - распыляемая мишень; 3-подложка; 4- подложкодержатель (анод); 5 - столб положительного заряда
В результате ионной бомбардировки материал катода (мишень) распыляется в основном в виде нейтральных атомов, но частично и в виде ионов. Распыленное вещество конденсируется на всей внутренней поверхности рабочей камеры, включая подложку - анод.
Достоинством диодного метода ионного распыления по сравнению с термовакуумным является то, что большая площадь мишени позволяет получать равномерные по толщине пленки на подложках любого диаметра, это обеспечивает реализацию группового автоматизированного метода осаждения слоев. Наряду с диодными существуют триодные системы, называемые также ионно-плазменными (Рисунок 5).

Рисунок 5. Схема триодного распыления: 1- колпак; 2 - катод - мишень; 3 - подложка; 4 - анод; 5 - термокатод
Магнетронные системы ионного распыления - это усовершенствованные диодные, в которых в прикатодной области, наряду с электрическим, существует кольцеобразное магнитное поле, и эти поля направлены перпендикулярно друг другу (Рисунок 6).

Рисунок 6 - Схема движения зарядов в (а) диодной и (б) магнетронной системах
Основными достоинствами этого метода осаждения металлов, полупроводников и диэлектриков являются высокая скорость напыления пленок с хорошей адгезией с подложками и минимальными загрязнениями фоновыми примесями.
Метод ионно-термического испарения - это комбинация термически стимулированного испарения вещества и ионного распыления, реализуемая в нескольких вариантах:
1) резистивное или электронно-лучевое испарение вещества с последующей ионизацией его паров в плазме рабочего газа;
2) испарение вещества разогревом в ВЧ - поле с одновременной высокочастотной ионизацией его паров.
В обеих схемах движение ионов испаряемого вещества к подложке и осаждение на ней обусловлены действием электрического поля между испарителем и подложкой. В зависимости от состава осаждаемых слоев, который можем быть достаточно сложным (например нитриды, карбиды и др.), их структуры и степени адгезионной связи с подложкой, к последней может прикладываться потенциал до 10 кВ. Наличие электрического поля высокой напряженности во время напыления позволяет осуществлять процесс с большими скоростями без нагрева подложек до высоких температур.
В заключение необходимо отметить, что универсальных методов осаждения тонких пленок для любых комбинаций материалов пленки и подложки с различными физико-химическими свойствами на сегодня не существует. Конкретный метод осаждения должен выбираться и отрабатываться по режимам и условиям проведения для данного типа микроэлектронного устройства в соответствии с его функциональным назначением. Выбор того или иного способа осаждения определяется заранее на этапах проектирования и моделирования технологии изготовления устройств с необходимым выполнением требований по химическому составу, чистоте, структуре, стехиометрии, морфологии поверхности и физическим свойствам пленок.
3.4 Методы определения толщины плёнок
Методы определения толщины пленок весьма разнообразны. Гравиметрические методы (микровзвешивание, метод кварцевого резонатора) основаны на измерении масс тонкопленочных покрытий, по которым затем рассчитываются толщины. Оптические методы основаны на интерференции, поскольку толщины пленок по порядку величины близки к длинам волн оптического излучения. Из других оптических методов важное значение в технологии микроэлектронных приборов приобрела так называемая эллипсо-метрия. Используются также электрические методы (в основном контроль электрического сопротивления для проводящих пленок и емкости для диэлектрических) и ряд других.
Свойства тонких пленок очень чувствительны к технологии их изготовления. Пленки, имеющие одинаковую толщину, в зависимости от условий их получения могут иметь совершенно различные удельные сопротивления, температурные коэффициенты сопротивления, диэлектрические потери, коэффициенты поглощения света и т. п. Поэтому в технологии ИС часто более важно не измерение толщины пленки после ее получения, а возможность управлять толщиной в процессе нанесения.
3.4.1 Метод кварцевого вибратора
Основан на измерение отклонений резонансной частоты пьезоэлектрического кварцевого вибратора. Отклонение обусловлено изменением массы кварцевой пластины при напылении на неё тонкой плёнки. Пьезоэлектрические свойства пластин кварца в первую очередь определяются кристаллографической ориентацией срезов по отношению к главным осям монокристалла. Все величины фигурирующие в формуле определения толщины плёнки являются известными параметрами кварцевой пластины и определены с некоторой погрешностью.
3.4.2 Резистивный и ёмкостный методы
Эти методы контроля толщины плёнок основаны либо на измерении сопротивления (для плёнок проводящих материалов) либо ёмкости (для плёнок диэлектрических материалов). Данный метод можно применять непосредственно в момент проведения процесса напыления. Для измерения толщины плёнки в рабочее пространство установки напыления рядом с рабочей подложкой устанавливают контрольную непроводящую подложку на края которой заранее нанесены проводящие контакты. Эта пластина включается в плечо мостовой схемы. По дисбалансу мостовой системы определяют процесс роста плёнки.
Недостатком метода является отсутствие точных данных об удельном сопротивлении плёнки, которое может значительно отличаться от удельного сопротивления объёмного образца. Поэтому этот метод удобно использовать в тонкоплёночной технологии, когда необходимо измерять не толщину плёнки, а её удельное сопротивление.
Метод основан на изменении поляризации света при отражении от тонкой прозрачной поверхности. При освещении подложки линейно-поляризационным светом составляющие излучения отражаются по-разному, в результате чего свет получается эллептически поляризованным. Измерив эллептичность отражённой волны, можно определить свойства плёнки.
3.4.4 Ионизация молекулярного потока
Принцип действия приборов для измерения скорости осаждения пленок основан на частичной ионизации паров напыляемого вещества и измерения полученного тока, пропорционального плотности молекулярного потока, проходящего через рабочий объем датчика. Для разделения молекулярного потока и остаточных газов, используется модуляция молекулярного потока. В измерительном приборе переменная составляющая ионного тока датчика, пропорциональная скорости осаждения испаряемого вещества, выделяется, усиливается, детектируется и подается на стрелочный индикатор, показания которого пропорциональны скорости осаждения, и на цифровой интегратор, фиксирующий толщину осажденной пленки.
4.1 Технологические процессы напыления тонких плёнок
Классификация применяемых технологических процессов
1.1 Получение резистивных высокоомных слоёв из порошка сплава РС-3710 методом взрывного испарения и методом ионно-плазменнного распыления мишени сплава РС-3710 в вакууме.
1.2 Получение резистивных низкоомных слоёв хрома марки ЭРХ методом термического испарения в вакууме.
1.3 Получение резистивных низкоомных слоёв методом ионно-плазменного распыления мишени сплава МНКВ в вакууме.
1.4 Получение резистивных низкоомных слоёв нихрома марки Х20Н80 методом термического испарения в вакууме.
1.5 Получение проводящих слоёв меди с адгезионнным подслоем хрома методом термического испарения в вакууме.
4.2 Материалы, используемые для напыления резистивных плёнок
Материалы, используемые для напыления резистивных плёнок, приведены в таблице 1.
Таблица 1тАУ Материалы, используемые для напыления резистивных плёнок
| Наименование материала | ГОСТ, ОСТ, ТУ | Документы, разрешающие применение материала |
| 1 Сплав РС-3710 (порошок) | ГОСТ 22025 | РД 107.460084.200 |
| 2 Сплав РС-3710 (мишень) | ЕТО 032.547 ТУ | ОСТ 4.054.074 |
| 3 Хром электролитический рафинированный марки ЭРХ | ТУ 14-5-76 | ОСТ ИГО.0140.224 |
| 4 Сплав МНКВ (мишень) | АУЭ 0.021.000 ТУ | РД 107.460084.200 |
| 5 Нихром Х20Н80 | ГОСТ 12766,1 | ОСТ 107.750878.001 |
Материалы, используемые для напыления проводящего слоя приведены в таблице 2.
Таблица 2тАУ Материалы, используемые для напыления проводящего слоя
| Наименование материала | ГОСТ, ОСТ, ТУ | Документы, разрешающие применение материала |
| 1 Хром электролитический рафинированный марки ЭРХ | ТУ 14-5-76 | ОСТ ИГО.010.224 |
| 2 Медь вакуумплавленная МВ | бко.028.007 ТУ | ОСТ 107.750878.001 |
| 3 Никель | ГОСТ 2170 | ОСТ 4.054.074 |
4.3 Технические требования к технологическим процессам напыления
1 Величина удельного поверхностного сопротивления резистивных слоёв должна соответствовать конструкторской документации и РД 107.460084.200.
2 Слои, получаемые по технологическим процессам, основные данные которых приведены в таблицах 3и 4, должны быть без царапин, вздутий, отслоений и трещин. Допускаются дефекты, обусловленные дефектами поверхности подложки, разрешёнными техническими условиями на подложке.
3 Отжиг испарителей производить непосредственно перед поведением операции напыления.
4 Платы с напылёнными слоями можно хранить в эксикаторе с силикагелем не более трёх сутиок или не более сорока суток с момента напыления в шкафу с защитной средой.
5 Толщина адгезионного подслоя должна быть от 0,03 до 0,08 мкм.
6 Толщина напылённого слоя меди на лицевой стороне подложки должна быть от 0,00 до 0,00 мкм.
7 При проведении технологических операций, подложки следует брать пинцетом на расстоянии не более двух ипллметров от края.
Вместе с этим смотрят:
IP-телефония. Особенности цифровой офисной связи