Усилитель звуковой частоты для стационарной аппаратуры 2-й степени сложности
БГУИР
Факультет радиотехники и электроники
Кафедра радиотехнических устройств
К защите допускаю
Руководитель проекта
Пояснительная записка
к курсовой работе
по теме:
тАЬУсилитель звуковой частоты для стационарной
аппаратуры 2-степени сложности.тАЭ
Студент группы 640103
Руководитель проекта
Подпись
Содержание
Введение
1 Выбор, обоснование и предварительный расчет структурной схемы усилителя
2 Полный электрический расчет усилителя
ВаВаВаВаВаВаВаВаВа 2.1. Расчет усилителя мощности
ВаВаВаВаВаВаВаВаВаВаВаВаВаВаВаВаВаВа 2.1.1. Выбор схемы усилителя мощности
ВаВаВаВаВаВаВаВаВаВаВаВаВаВаВаВаВаВа 2.1.2. Выбор цепи термостабилизации
ВаВаВаВаВаВаВаВаВаВаВаВаВаВаВаВаВаВа 2.1.3. Расчет оконечного каскада
ВаВаВаВаВаВаВаВаВаВаВаВаВаВаВаВаВаВа 2.1.4. Расчет предоконечного каскада
ВаВаВаВаВаВаВаВаВаВаВаВаВаВаВаВаВаВа 2.1.5. Расчет входного каскада
ВаВаВаВаВаВаВаВаВа 2.2. Расчет узлов предварительного усилителя
ВаВаВаВаВаВаВаВаВаВаВаВаВаВаВаВаВаВа 2.2.1. Расчет мостового регулятора тембра
ВаВаВаВаВаВаВаВаВаВаВаВаВаВаВаВаВаВа 2.2.2. Расчет каскадов предварительного усиления
ВаВаВаВаВаВаВаВаВаВаВаВаВаВаВаВаВаВа 2.2.3. Расчет регулятора громкости
3 Поверочный расчет на ЭВМ основных характеристик усилителя
Заключение
Список литературных источников
Приложение
Введение
Управление в современной технике обычно характеризуется тем, что мощность значительно превышает мощность, требующуюся для управления. Вместе с тем формы управляющей и управляемой энергии в одних случаях одинаковы, в других различны.
К частному виду управления энергией относится усиление. Отличительными особенностями усиления являются, с одной стороны, превышение управляемой мощности над управляющей, с другой стороны, плавность процесса усиления. Устройство, предназначенное для этой цели, называется усилительным устройством или просто усилителем. Управляющая мощность носит название мощности возбуждения усилителя, или входной мощности; управляемая мощность тАУ мощности потребляемой от источника питания.
Усилители сигналов находят широкое применение во многих отраслях науки и техники. Они используются в радиовещании, радиосвязи, телевидении, дальней связи по проводам, радиолокации, радионавигации, измерительной, вычислительной технике и так далее.
Всякий усилитель характеризуется полосой пропускания от
Вадо
. Усилители, у которых нижняя частота пропускания
Варавна нулю, называются усилителями постоянного тока. Усилители переменного тока имеютВа
.
Для усиления низкочастотных сигналов используются усилители низкой частоты, иначе называемые апериодическими усилителями; в соответствии с этим усилители высокой частоты, иначе избирательные усилители,Ва применяются для усиления высокочастотных сигналов.
К усилителям низкой частоты относятся усилители постоянного тока, усилители звуковой частоты, усилители телевизионных сигналов, получившие название видеоусилителей, и другие.
Усилители высокой частоты подразделяются на резонансные и полосовые. В частности усилитель промежуточной частоты супергетеродивного радиоприемника обычно представляет собой полосовой усилитель, у которого зависимость усиления от частоты в большей степениВа приближается к идеальной прямоугольной форме, чем у резонансного усилителя.
В зависимости от вида усиливаемых сигналов усилители как низкой так и высокой частоты подразделяются на усилители гармонических сигналов и усилители импульсных сигналов.
По типу усилительных элементов усилители делятся на ламповые, диэлектрические, магнитные, транзисторные ина интегральных микросхемах.
По области применения тАУ микрофонные, трансляционные, измерительные, телевизионные, магнитофонные, радиолакационные и так далее.
Простейший усилитель содержит один усилительный элемент. При необходимости получения усиления большего, чем может обеспечить один элемент, используется более развитой усилитель, содержащий несколько усилительных элементов. Усилительный элемент и относящиеся к нему элементы связи и питания образуют усилительный каскад. Таким образом, в общем случае усилитель содержит несколько усилительных каскадов, сокращенно каскадов. Основой каскада являются сам усилительный элемент; какие именно из элементов являются элементами связи данного каскада ( усилительного элемента ), устанавливают, исходя из наиболее удобных соотношений для анализа и расчета.
Первые каскады усилителя работают при относительно низком напряжении сигнала и носят название каскадов предварительного усиления иначе каскадов усиления напряжения, их основным назначением является повышение уровня сигнала.
Выходная мощность, отдаваемая в нагрузку, создается оконечным каскадом, представляющий собой каскад усиления мощности. У усилителей со сравнительно большой входной мощностью, предоконечный каскад, так же как и оконечный, является каскадом усиления мощности.
В дальнейшем рассмотрим построение и расчет усилителя мощности для стационарной аппаратуры второй группы сложности.
1 Выбор, обоснование и предварительный расчет структурной схемы
усилителя.
Укрупненная структурная схема усилителя сигналов звуковой частоты имеет вид:
Источник Ва ВаВаВаВаВаВаВаВаВаВаВаВаВаВаПредвари-ВаВаВаВаВаВаВаВаВаВаВаВаВаВа УсилительВаВаВаВаВаВаВаВаВаВаВаВаВаВаВаВаВаВаВаВаВа Нагрузка


сигналаВаВаВаВаВаВаВаВаВаВаВаВаВаВаВаВаВаВаВаВаВаВа тельныйВаВаВаВаВаВаВаВаВаВаВаВаВаВаВаВаВа мощностиВаВаВаВаВаВаВаВаВаВаВаВаВаВаВаВаВаВаВаВаВаВаВаВаВаВаВа 
ВаВаВаВаВаВаВаВаВаВаВаВаВаВаВаВаВаВаВаВа усилительВаВаВаВаВаВаВаВаВаВаВаВаВаВаВаВа
рис1.1.ВаВаВаВаВаВа
Сигнал от источника сигнала (рис1) поступает на предварительный усилитель, который осуществляет усиление сигнала по напряжению до уровня 0,1.1В, необходимого для работы усилителя мощности. Кроме того, в предварительном усилителе осуществляется оперативные регулировки уровня сигнала (громкости) и тембра (коррекция АЧХ). Усилитель мощности обеспечивает основное усиление мощности до уровня, заданного в техническом задании.
Определим число каскадов, необходимых для усилителя:
1) Определим номинальный сквозной коэффициент передачи:

2) Задаемся необходимым запасом усиления для обеспечения заданных характеристик усиления:
а) на введение ООС запас численно равен глубине обратной связи F, обеспечивающей снижение нелинейных искажений оконечного каскада усилителя до установленного заданием предела:
Ва- коэффициент гармоник оконечного каскада без отрицательной обратной связи

б) запас на регулировку тембра, определяемый коэффициентом коррекции частотной характеристики:
в) технологический запас, учитывающий разброс параметров компонентов:
![]()
3) определим требуемый сквозной коэффициент усиления:
![]()
4) определяем число каскадов усиления по напряжению:

ВаВаВаВаВаВаВаВаВа получили
;
5) определяем необходимость мер по согласованию цепей передачи сигналаВа в усилительном тракте.
Для уменьшения потерь в цепи источника сигнала входное сопротивление усилителя должно удовлетворять условию
![]()
Как видно из полученных значений входного сопротивления усилителя, в первом каскаде должен быть применен полевой транзистор по схеме общий исток (100.1000 kOm) или по схеме общий сток (1000.10000 kOm)
6) определяем места включения регулировок:
регулятор усиления, так как
Ванужно поставить после первого каскада усиления напряжения; регулятор тембра чувствителен к изменению сопротивления внешних цепей, поэтому от регулятора усиления его нужно отделить хотя бы одним каскадом усиления.
Полученная схема представлена на рис1.2.
![]()
![]()
![]()
![]()
![]()
ВаВаВаВаВаВаВаВаВаВаВаВаВаВаВаВаВаВаВаВаВаВаВаВаВаВаВаВаВаВаВаВаВаВаВаВаВа ФПВаВаВаВаВаВаВаВаВаВаВаВаВаВаВаВаВаВаВаВаВаВаВаВа ВаВаВаВаВаВаВаВаВаВаВаВаВаВаВаВаВаБП
![]()
![]()
![]()
![]()
![]()
![]()
![]()
![]()
![]()
![]()
![]()
![]()
![]()
![]()
![]()
![]()
![]()
![]()
![]()
![]()
![]()
![]()
![]()
![]()
![]()
![]()
![]()
![]()
![]()
![]()
![]()
КПУ1ВаВаВаВаВаВаВаВа РУВаВаВаВа КПУ2ВаВа ВаВаРТВаВаВаВаВаВаВаВаВаВаВаВаВаВаВаВаВа ВаВаВаВаВаВаВаВКВаВаВа ВаВаВаВаВаПОКВаВаВаВаВаВа ОКВаВаВа выход
![]()
![]()
Вход_ВаВа
![]()
![]()
ВаВаВаВаВаВаВаВаВа ВаВаВаВаВаВаВаВаВаВаВаВаВаВаВаВаВаВаВаВаВаВаВаВаВаВаВаВаВаВаВаВаВаВаВаВаВаВаВаВаВаВаВаВаВаВаВа ООС
Рис 1.2.
На Рис2. Приняты следующие обозначения: РУ тАУ регулятор усиления; КПУ тАУ каскады предварительного усиления; РТ тАУ регулятор тембра; ВК входной каскад усилителя мощности; ПОК тАУ предоконечныйВа каскад УМ; БП тАУ блок питания; ФП тАУ фильтр питания.
2. Полный электрический расчет усилителя.
3.
3.1. Расчет усилителя мощности.

Рис2.1.
На рис2.1. представлена схема усилителя мощности для аппаратуры второй и третьей групп сложности.
2.1.2. Выбор цепи термостабилизации.
На приведенной схеме (см. рис2.1) эта цепь была условно обозначена
. Она предназначена для создания начального смещения на базах транзисторов выходного каскада. В процессе нагрева их параметры существенно изменяются, что влечет за собой изменение режимов и нарушение работы всей схемы. Цепь
Вав зависимости от температурного режима изменяет напряжение смещения так, чтобы компенсировать изменение параметров транзисторов.
Схема на диоде.
Диод при этом обязательно должен иметь надежный контакт с радиатором, на котором установлены выходные транзисторы, иначе термостабилизации попросту не будет.
Диодов может быть несколько, при этом они включаются последовательно.
Данная схема обеспечивает достаточную температурную стабильность в диапазоне температур 0 . 40Ва
.
2.1.3. Расчет оконечного каскада.
1.Определяем амплитуду напряжения и тока на нагрузке:

2.Определяем напряжение источника питания:
![]()
где ![]()
=1.3 В тАУостаточное напряжение на полностью открытом транзисторе выходного каскада при P=1.10 Вт, но всегда
>0,4.0,7 В.
Вадолжно иметь запас 10.15% тоесть:
![]()

Вавыбираем из стандартного ряда ![]()
При данных условиях можно реализовать усилитель по бестрансформаторной схеме, так как максимальная мощность обычного двухтактного каскада больше мощности указанной в техническом задании.

3.Определяем максимальную мощность, рассеиваемую на коллекторах выходных транзисторов:

4.Определяем желаемый коэффициент усиления по току
Вадля выходных транзисторов:

где
=16мВт тАУ выходная мощность предоконечного каскада, работающего в режиме А:

5.Выбираем транзисторы оконечного каскада (VT3,VT4) по следующим параметрам:

По ранее рассчитанным параметрам выбираем транзисторы VT3 и VT4:
VT3: КТ 829АВаВаВа (n-p-n)
VT4: КТ 853АВаВаВа (p-n-p)ВаВаВаВаВаВа
Ва6. Необходимо проверить, смогут ли выходные транзисторы нормально работать без дополнительного теплоотвода. Максимально допустимая мощность рассеивания на коллекторе
ВаВапри заданной температуре окружающей среды
Ваи отсутствии радиатора определяется выражением:
![]()
ВаВаВа где
Васоответственно max рабочая температура перехода коллектор-база, тепловое сопротивление промежутка переход-среда.
ВаВаВа Согласно условиям эксплуатации данные транзисторы должны работать с дополнительными теплоотводами, т.е. с радиаторами. Тепловое сопротивление радиатора и площадь его поверхности определяетсяВа с помощью следующих выражений:

7. Определяем постоянный ток и мощность, потребляемые от источника питания, и коэффициент полезного действия:

ВаВаВаВаВаВаВаВаВа 8. Дополнительный расчет оконечного каскада:


9. Результаты расчета оконечного каскада
![]()
![]()
![]()
![]()
![]()
ТипВаВа ![]()
![]()
![]()
![]()
![]()
![]()
VT3ВаВа n-p-nВаВаВаВаВаВаВа 60ВаВаВаВаВаВаВаВаВаВаВа 8ВаВаВаВаВаВаВаВаВа 100ВаВаВаВаВаВаВа 750ВаВаВаВа ----ВаВаВаВаВаВаВаВа 7ВаВаВаВа
VT4ВаВа p-n-pВаВаВаВаВаВаВа 60ВаВаВаВаВаВаВаВаВаВаВа 8ВаВаВаВаВаВаВаВаВа 100ВаВаВаВаВаВаВа 750ВаВаВаВа ----ВаВаВаВаВаВаВаВа 7
![]()
Примечание: * с применением радиатора.
2.1.4. Расчет предоконечного каскада.
Определим напряжение смещения оконечного каскада (напряжениями на резисторах R9 R10 как правило можно пренебречь):
![]()
ВаВаВаВаВаВаВаВаВа Перейдем непосредственно к расчету .
1. Задаемся током покоя:
![]()
2. Выбираем R8:
![]()
Из ряда Е12 R8=160(Ом)
3. Рассчитываем R7

Из ряда Е12 R7=560(Ом)
4. Выбираем VT2 по следующим параметрам:
![]()
![]()
![]()
![]()
Выбираем транзистор VT2: KT644Б
5. Расчет цепи смещения:
а) выбираем диод по критериям:
![]()
![]()
Выбираю диод D223.
В этой схеме хорошо работает стабилитрон.
Б) определяем количество диодов:

в) определяем сопротивление подстроечного резистора:

Коэффициент 2 указывает на то, что в номинальном режиме движок резистора будет примерно в среднем положении.
6. Определяем входное сопротивление ПОК. Оно практически определяется входным сопротивлением транзистора.

7. Определим коэффициент усиления каскада по напряжению:

8. Результаты расчета предоконечного каскада:

ВаВаВаВаВаВаВаВа ТипВаВаВа ![]()
![]()
![]()
![]()
![]()
![]()
ВаВаВаВаВа KT644БВаВа n-p-nВаВаВаВа 0.28ВаВаВаВаВа 0.0263ВаВаВаВаВа 32.4ВаВаВаВаВа 100ВаВаВаВа 300ВаВаВаВаВаВа 0.036ВаВаВаВа
![]()
2.1.5. Расчет входного каскада
Исходные данные: 
Рассмотрим входной каскад усилителя мощности
1. Задаем постоянный ток коллектора VT1

Зададим токВа коллектора ![]()
2. Выбираем VT1 по критериям :
![]()
![]()
Транзистор VT1: ВаКТ315Б
3. Рассчитываем R4:

Из ряда Е12 ![]()
4. Расчет цепи обратной связи.
Коэффициент
Вав данном случае можно округлить, как коэффициент передачи напряжения от точки тАЬСтАЭ к переходу бтАЩэ транзистора VT1:

где ![]()
Сопротивление
Вапредставляет собой нижнее плечо делителя в цепи обратной связи, состоящее из параллельного соединения сопротивления
Ваи выходного сопротивления транзистора VT1 со стороны эммитера
:
Ва,где

Определим ток базового делителя:

Выберем ток ![]()
Задаем падение напряжения на
:
![]()
Задаем значение
:
![]()
Из ряда Е12 ![]()
Определим постоянный потенциал базы VT1:
![]()
Для нормальной работы необходимо, чтобы
ВаПроверяем
![]()
Определяем
:

Из ряда Е12 ![]()
Определяем
:

Из ряда Е12 ![]()
Коэффициенты усиления предоконечного и выходного каскадов:
![]()
![]()
где
- внутренняя крутизна транзистора.
![]()

![]()
Найдём ![]()
![]()
Из ряда Е12 ![]()


Коэффициент петлевого усиления
Варавен:
![]()
где
- коэффициент усиления оконечного каскада (VT3 и VT4),
Ва- предоконечного каскада (VT2),
Ва- входного каскада (VT1)

5. Найдем входное сопротивление каскада на VT1:

![]()
6. Рассчитаем величины емкостей
,
,
ВаиВа
, по формуле:

где
- затухание ( в разах)
![]()
Рассчитаем
; для него ![]()

Из ряда Е24 ![]()
Рассчитаем
:
Для C3 и С4 расчет можно упростить. Емкости С3 и С4 находятся в петле обратной связи. Искажения вносимые этими емкостями будут уменьшены в глубину обратной связи (в F раз), поэтому их величины могут быть рассчитаны, исходя из следующих соображений. Сопротивления этих емкостей на нижней частоте диапазона должны быть заметно меньше, чем R5 и R8 соответственно:

Из ряда Е24Ва ![]()
Рассчитаем
:

Из ряда Е24![]()
Рассчитаем
для него
Ваи положим искажения вносимые этой емкостью М=1дБ

Из ряда Е24![]()
7. Определим коэффициент усиления по напряжению рассчитанного усилителя мощности:

8. Определим требуемое входное напряжение при номинальной выходной мощности:

Определим ![]()
![]()
Определим
:

Из ряда Е12 ![]()
Определим
: для устранения возможности самовозбуждения на высоких частотах частотную характеристику коэффициента петлевого усиления ограничивают за счет включения конденсатора
, определяемого по выражению:

Из ряда E24 ![]()
![]()
![]()
![]()
![]()
![]()
![]()
![]()
![]()
Результаты расчетов занесём в таблицу:
ВаВа VT1ВаВаВаВаВаВаВаВа типВаВаВаВаВа ![]()
![]()
![]()
![]()
![]()
КТ315БВаВаВаВа n-p-nВа 50-350ВаВаВаВаВа 0.1ВаВаВаВаВаВаВаВаВаВаВаВа 0.15ВаВаВаВаВаВаВаВаВаВаВа 20ВаВаВаВаВаВаВаВаВаВаВаВаВа 250
![]()
Примечание: полученные номиналы элементов соответствуют схемам приведенным на рис 2.2Ва иВа рис 2.3.
2.2. Расчет узлов предварительного усилителя
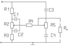
2.2.1. Расчет мостового регулятора тембра
![]() |
Схемы усилителей мощности, расчитанные выше, обладают достаточно высоким входным сопративлением, что позволяет включать мостовой регулятор тембра непосредственно на их входе.
Рис 2.3.
На рис 2.3 представлена схема мостового регулятора тембра.
Номиналы элементов полученные в данном пункте соответствуют обозначениям схемы приведенной на рис 2.3.
Исходные данные для расчета:
а) Определяем коэффициент коррекции в относительных единицах:
![]()
б) Определяем частоту раздела:
![]()
в) Проверяем выполнение условия неперекрытия зон регулирования
![]()

![]()
г) Определяем сопротивление
при допустимой погрешности регулирования
можно принять
; ![]()
![]()
Из ряда Е12 ![]()
д) Определяем номиналы резисторов регуляторов НЧ


е) Определяем сопротивление буферного резистора
![]()
Из ряда Е12 ![]()
ж) Определяем номиналы емкостей

![]()

![]()
з) Определяем входное и выходное сопротивление РТ:
![]()

и) Определяем требование к выходному сопротивлению предыдущего каскада: при погрешности РТ на ВЧ
Ваможно применять
![]()
![]()
![]()
к) Определяем положение движков
Ваи
, соответственно линейной частотной характеристики:
![]()
![]()
л) Определим номинальный коэффициент передачи регулятора тембра

м) Определим номинальное входное напряжение РТ:

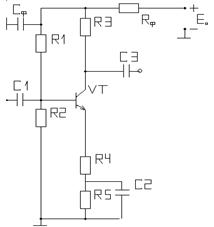
2.2.2. Расчет каскадов предварительного усиления.
А) Расчет КПУ2
Схема каскада:
![]() |
Рис 2.4.
На рис 2.4. представлена схема каскада предварительного усиления на биполярном транзисторе по схеме с общим эмиттером.
Исходные данные для расчета:

Перейдем непосредственно к расчету.
1. Определяем амплитуды напряжения и тока нагрузки:

2. Задаемся током покоя:
![]()
2. Задаем напряжение коллектор-эмиттер транзистора:
![]()
Возьмем ![]()
2. Определяем напряжение питания каскада из условий:
Напряжение источника питания должно превышать
Вана величину падения напряжения на сопротивлении фильтра (примерно на 20-30%) и должно быть
![]()
![]()
5. Определяем сопротивления в цепи эмиттера:
Учтем ![]()
![]()

6. Определяем сопротивление R3:

Из ряда Е12 ![]()
ВаВаВаВаВаВаВаВаВа 7. Определяем амплитуду тока коллектора:

2. Определяем мощность рассеиваемую на коллекторе:
![]()
9. Выбираем транзистор по критериям:
![]()
![]()
![]()
![]()
Выбираем транзистор 315Б
Для проведения последующих расчетов из параметров выбранного транзистора определяем:
![]()
2. Рассчитываем базовую цепь:
а) задаем ток делителя:

Зададим ток делителя: ![]()
б) определим R1:

Из ряда Е12 ![]()
ВаВаВаВаВаВаВаВаВа в) определяем R2:

Из ряда Е12 ![]()
ВаВаВаВаВа 11. Задаемся допустимым коэффициентом гармоник каскада:
![]()
Отсюда находим R4 и R5:

Из ряда Е12 ![]()
![]()
Из ряда Е12 ![]()
12. Определяем коэффициент усиления:

13. Определяем входное сопротивление каскада:
![]()
где ![]()
14. Определяем номинальное входное напряжение:
![]()
15. емкость конденсатора C2 рассчитывается по следующему выражению:

где

в последней формуле ![]()
![]()
16. Сопротивление
Ваопределяется исходя из падания напряжения на нем и тока, равного сумме токов делителя в цепи базы и эмиттера.

Из ряда Е12
=4.7(кОм).
17. Для определения емкости конденсатора
Ваможно использовать следующую формулу:

Из ряда Е24 ![]()
18. Рассчитаем С3, которое является разделительной емкостью:

Из ряда Е24 ![]()
Примечание: номиналы рассчитанных элементов данного пункта соответствуют схеме представленной на рис 2.4.
Результаты расчета КПУ2
![]()
![]()
![]()
![]()
![]()
![]()
![]()
![]()
![]()
ВаВа VT1ВаВаВаВаВаВаВаВа типВаВаВаВаВа ![]()
![]()
![]()
![]()
![]()
КТ315БВаВаВаВа n-p-nВа 50-350ВаВаВаВаВа 0.1ВаВаВаВаВаВаВаВаВаВаВаВа 0.15ВаВаВаВаВаВаВаВаВаВа Ва20ВаВаВаВаВаВаВаВаВаВаВаВаВа 250
![]()
Б) Расчет КПУ1.
![]() |
Схема каскада:
Рис 2.5.
На рис 2.5. представлена схема каскада предварительного усиления на полевом транзисторе по схеме общий исток .
В данном пункте номиналы полученных элементов будут соответствовать схеме приведенной на рис 2.5.
Резисторный каскад на полевом транзисторе в отличие от аналогичного каскада на биполярном транзисторе обладает высоким входным сопротивлением. Это качество позволяет использовать его в сечениях усилителя, где желательны высокоомные нагрузки, тоесть в нашем случае.Ва
1.Выберем транзистор КП303Г
2.Выбираем рабочую точку на линейном участке характеристики
Вас координатами ![]()
3.Определяем напряжение на стоке транзистора:
![]()
4.Рассчитывается сопротивление нагрузки по постоянному току
:

Из ряда Е12 ![]()
5.Для полевого транзистора в рабочей точке с координатами ![]()
определяется крутизна по характеристике ![]()

и по характеристике
Вавнутреннее сопротивление транзистора:

6.Рассчитывается сопротивление нагрузки:

7. Находится коэффициент усиления:
![]()
8.Определяется входная динамическая емкость:
![]()
где
Васправочные величины.
9. Определяется сопротивление в цепи истока:

10. Задаемся сопротивлением в цепи затвора в пределах (0.1.1)МОм.
![]()
11.Определяется частота верхнего среза выходной цепи:

где
Ваемкость монтажа.
12. Определяем разделительную емкость в выходной цепи:

где 
Из ряда Е24 ![]()
13.Рассчитаем входную разделительную емкость

Из ряда Е24 ![]()
14.Определяем емкость шунтирующую сопротивление в цепи истока:

гдеВаВа 
Из ряда Е24 ![]()
ВаВаВаВаВаВаВаВаВа 15. Рассчитаем выходное сопротивление каскада:

ВаВаВаВаВаВаВаВаВа Дополнительный расчет:
Зная выходное сопротивление КПУ1 можем рассчитать емкость
, находящуюся в КПУ2, по формуле:
Из ряда Е24 ![]()
2.2.3. Расчет регулятора громкости.
Теперь когда известны входные и выходные сопротивления всех каскадов, рассчитывается регулятор громкости. Регулятор усиления ставиться обычно после первого или второго каскадов предварительного усиления.
Регулятор усиления представляет собой обычный переменный резистор, сопротивление которого рассчитывается по формуле:
![]()
Результаты расчета КПУ1
![]() |
VT ВаВа ВаВаВатип ВаВаВаВаВа ![]()
![]()
![]()
![]()
![]()
![]()
КП303ГВаВаВаВаВа n-каналВаВа ВаВаВа200ВаВаВа 20ВаВаВаВа ВаВаВаВаВаВаВа Ва3ВаВаВаВаВаВаВа ВаВаВаВа 1.2ВаВаВаВаВаВаВаВа 1.66ВаВаВаВаВаВаВаВаВаВаВа 5
![]()
3. Поверочный расчет на ЭВМ основных характеристик усилителя (АЧХ)
Заключение.
В ходе проделанной работы разработан четырехкаскадный усилитель звуковой частоты для стационарной аппаратуры второй группы сложности. Был проведен анализ АЧХ на ПЭВМ, данный усилитель (его два звена) был смоделирован при помощи программы тАЬMCAP 2тАЭ. При анализе АЧХ видно, что рассчитанный усилитель удовлетворяет требованиям Т.З. Погрешности возникают из-за того, что рассчитанные элементы берутся из стандартного ряда и из-за того, что выходное сопротивление КПУ2 не совсем удовлетворяет требованию предъявляемому к нему.
Список литературных источников
1. В. Т. Крушев, Э. Г. Попов, Н. И. Шатило Методическое пособие по проведению курсового проектирования по курсу аналоговые электр
Вместе с этим смотрят:
IP-телефония. Особенности цифровой офисной связи



