Усилитель корректор
Министерство образования Российской Федерации
ТОМСКИЙ ГОСУДАРСТВЕННЫЙ УНИВЕРСИТЕТ СИСТЕМ УПРАВЛЕНИЯ И РАДИОЭЛЕКТРОНИКИ
(ТУСУР)
Кафедра радиоэлектроники и защиты информации (РЗИ)
Усилитель корректор.
Пояснительная записка к курсовому
проекту по дисциплине тАЬСхемотехника аналоговых электронных устройствтАЭ
ВаВаВаВаВаВаВаВаВаВа Выполнил
ВаВаВаВаВаВаВаВаВаВа студент гр.148-3
ВаВаВаВаВаВаВаВаВаВаВаВаВаВаВаВаВаВаВаВаВаВа КузнецовА.В._______
ВаВаВаВаВаВаВаВаВаВа Проверил
ВаВаВаВаВаВаВаВаВаВа Преподаватель каф.РЗИ
ВаВаВаВаВаВаВаВаВаВаВаВаВаВаВаВаВаВаВаВаВаВа ТитовА.А.__________
Реферат
ВЫСОКАЯ ЧАСТОТА (ВЧ), НИЗКАЯ ЧАСТОТА (НЧ), КОЭФФИЦИЕНТ УСИЛЕНИЯ (КУ), КОРРЕКТИРУЮЩАЯ ЦЕПЬ (КЦ),АПЛИТУДНОЧАСТОТНАЯ ХАРАКТЕРИСТИКА (АЧХ).
Целью данной работы является усвоение методики расчета аналоговых
Ваусилительных устройств.
ВаВаВаВаВаВаВа В данной работе производился расчет широкополосного усилителя с наклоном АЧХ для корректирования входного сигнала.
ВаВаВаВаВаВаВа Курсовая работа выполнена в текстовом редакторе Microsoft Word 7.0, (представлена на дискете).
Техническое задание
ВаВаВаВаВаВаВаВа Тема проэкта: широкополосный усилитель-корректор
ВаВаВаВаВаВа 1.Диапазон частот от 20МГц до 400МГц
Ва2.Допустимые частотные искажения в области НЧ 3дБ, в ВЧ 3 дБ
Ва3.Источник входного сигнала 50 Ом
Ва4.Амплитуда напряжения на выходе 3ВВа
Ва5.Характер и величина нагрузки 50 Ом
Ва6.Условия эксплуатации +10-+60 С
Ва7. Дополнительные требования: С ростом частоты коэфициент усиления должен возрастать с подъемом с 30дБ до 33дБ
Содержание
1.Введение...........................................тАж5
2.Определение числа каскадов ............................6
3.Распределение искажений в области высоких частот.........6
4 Расчет оконечного каскада............................тАж.6
4.1 Расчет рабочей точки..............................тАж.6
4.2 Выбор транзисторатАжтАжтАжтАжтАжтАжтАжтАжтАжтАжтАжтАжтАжтАж....тАж7
ВаВаВа 4.3 Расчёт эквивалентной схемы транзистора.............тАж.8
ВаВаВа 4.4 Расчет цепей питания и термостабилизации...тАж.......тАж9
ВаВаВа 4.5 расчет элементов высокочастотной коррекции.тАж...тАж..12
5 Расчёт предоконечного каскадатАжтАжтАжтАжтАжтАжтАжтАжтАжтАж..тАж.тАж.15
6 Расчёт входного каскадатАжтАжтАжтАжтАжтАжтАжтАжтАжтАжтАжтАж....тАжтАж.16
7 Расчет блокировочных и разделительных емкостей.тАжтАж.тАжтАж.19
8 Техническая документациятАжтАжтАжтАжтАжтАжтАжтАжтАжтАжтАжтАжтАжтАж.тАж21
9 ЗаключениетАжтАжтАжтАжтАжтАжтАжтАжтАжтАжтАжтАжтАжтАжтАжтАжтАж.тАжтАжтАж.тАж23
10 ЛитературатАжтАжтАжтАжтАжтАжтАжтАжтАжтАжтАжтАжтАжтАжтАжтАжтАжтАжтАжтАжтАж.24
1.Введение
В данной курсовой работе требуется рассчитать корректирующий усилительВа с подъёмом амплитудно-частотной характеристики. Необходимость усиливать сигнал, возникает из-за того, что достаточно велики потери в кабеле. К тому же потери значительно возрастают с ростом частоты.
Для того, чтобы компенсировать эти потери сигнал после приёма предварительно усиливают, а затем направляют далее по кабелю. При этом усилитель должен иметь подъём АЧХ в области высоких частот. В данной работе требовалось обеспечить подъём равный 3дБ на октаву.
При проектировании усилителя основной трудностью является обеспечение заданного усиления в рабочей полосе частот. В данном случае полоса частот составляет 20-400 МГц
Для реализации широкополосных усилительных каскадов с заданным подъёмом амплитудно-частотной характеристики (АЧХ) предпочтительным является использование диссипативной корректирующей цепи четвертого порядка [1].
ВаВаВаВаВаВаВаВа 2 Определение числа каскадов
ВаВаВаВаВаВаВаВаВа Для обеспечения заданногоВа коэффициента усиления равного 30 дБ приВа коэффициентеВа усиления транзистора около 10дБ, примем число каскадов усилителя равное 3.
ВаВаВаВаВаВаВаВа 3 Распределение искажений в области высоких частот
ВаВаВаВаВаВаВаВа ВаРассчитывая усилитель будем исходить из того, что искажения вносимые корректирующими цепями каскадов не превышают 1,5 дБ, а искажения вносимые выходной корректирующей цепью не превышают 1 дБ, тогда искажения вносимые усилителем не превысят 2,5 дБ.
ВаВаВаВаВаВаВаВа 4 Расчет оконечного каскадаВа
ВаВаВаВаВаВаВаВа 4.1 Расчет рабочей точки
ВаВаВаВаВаВаВаВаВа Рассчитаем рабочую точку транзистора для резистивного и дроссельного каскада используя формулы:
,ВаВаВаВаВаВаВаВаВаВаВаВаВаВаВаВаВаВаВаВаВаВаВаВаВаВаВаВаВаВаВаВаВаВаВаВаВаВаВаВаВаВаВаВаВаВаВаВаВаВаВаВаВаВаВаВаВаВаВаВаВаВаВаВаВаВаВаВаВаВаВаВаВаВаВаВаВаВаВаВаВаВаВаВаВаВаВаВаВаВаВаВаВаВа (4.1)
где
Ваамплитуда напряжения на выходе усилителя,
сопротивление нагрузки.
ВаВт;
;ВаВаВаВаВаВаВаВаВаВаВаВаВаВаВаВаВаВаВаВаВаВаВаВаВаВаВаВаВаВаВаВаВаВаВаВаВаВаВаВаВаВаВаВаВаВаВаВаВаВаВаВаВаВаВаВаВаВаВаВаВаВаВаВаВаВаВаВаВаВаВаВаВаВаВаВаВаВаВаВаВаВаВаВаВаВаВаВаВаВаВаВаВаВа (4.2)
ВаА;
,ВаВаВаВаВаВаВаВаВаВаВаВаВаВаВаВаВаВаВаВаВаВаВаВаВаВаВаВаВаВаВаВаВаВаВаВаВаВаВаВаВаВа ВаВаВаВаВаВаВаВаВаВаВаВаВаВаВаВаВаВаВаВаВаВаВаВаВаВаВаВаВаВаВаВаВаВаВаВаВаВаВаВаВаВаВаВаВаВа(4.3)
где
Ваток рабочей точки
А для резистивного каскада;
А ;
А для дроссельного каскада;
А;
,ВаВаВаВаВаВаВаВаВаВаВаВаВаВаВаВаВаВаВаВаВаВаВаВаВаВаВаВаВаВаВаВаВаВаВаВаВаВаВаВаВаВаВаВаВаВаВаВаВаВаВаВаВаВаВаВаВаВаВаВаВаВаВаВаВаВаВаВаВаВаВаВаВаВаВаВаВаВаВаВаВаВаВаВаВаВа (4.4)
где
напряжение рабочей точки, а
.
В;
;ВаВаВаВаВаВаВаВаВаВаВаВаВаВаВаВаВаВаВаВаВаВаВаВаВаВаВаВаВаВаВаВаВаВаВаВаВаВаВаВаВаВаВаВаВаВаВаВаВаВаВаВаВаВаВаВаВаВаВаВаВаВаВаВаВаВаВаВаВаВаВаВаВаВаВаВаВаВаВаВаВаВаВаВаВаВа Ва(4.5)
Ва- Вт рассеиваемая мощность для резистивного каскада;
Ва- Вт рассеиваемая мощность для дроссельного каскада;
,ВаВаВаВаВаВаВаВаВаВаВаВаВаВаВаВаВаВаВаВаВаВаВаВаВаВаВаВаВаВаВаВаВаВаВаВаВаВаВаВаВаВаВаВаВаВаВаВаВаВаВаВаВаВаВаВаВаВаВаВаВаВаВаВа ВаВаВаВаВаВаВаВаВаВаВаВаВаВаВаВаВаВаВа(4.6)
где
Ванапряжение питания каскада;
ВаВ - для резистивного каскада;
В - для дроссельного каскада;
;ВаВаВаВаВаВаВаВаВаВаВаВаВаВаВаВаВаВаВаВаВаВаВаВаВаВаВаВаВаВаВаВаВаВаВаВаВаВаВаВаВаВаВаВаВаВаВаВаВаВаВаВаВаВаВаВаВаВаВаВаВаВаВаВаВаВаВаВаВаВаВаВаВаВаВаВаВаВаВаВаВаВаВаВаВаВа (4.7)
ВаВт - дляВа резистивного каскада;
Вт - для дроссельного каскада.
![]() |
Принципиальная схема резистивного каскада представлена на рисунке 4.1.1,а эквивалентная схема по переменному току на рисунке 4.1.1,б, дроссельного каскадаВа на рисунке 4.1.2,а и его эквивалентная схема по переменному току на рисунке 4.1.2,б.
![]() |
ВаВаВаВаВаВаВаВаВаВаВаВаВаВаВаВаВаВаВаВаВаВаВаВаВаВаВаВаВаВаВаВаВаВаВаВаВаВа а)ВаВаВаВаВаВаВаВаВаВаВаВаВаВаВаВаВаВаВаВаВаВаВаВаВаВаВаВаВаВаВаВаВаВаВаВаВаВаВаВаВаВаВаВаВаВаВаВаВаВаВаВаВаВаВаВаВаВаВаВаВа б)
![]() |
Рисунок 4.1.1
![]() |
ВаВаВаВаВаВаВаВаВаВаВаВаВаВаВаВаВаВаВаВаВаВаВаВаВаВаВаВаВаВаВаВаВаВаВаВаВаВаВаВаВаВа а)ВаВаВаВаВаВаВа ВаВаВаВаВаВаВаВаВаВаВаВаВаВаВаВаВаВаВаВаВаВаВаВаВаВаВаВаВаВаВаВаВаВаВаВаВаВаВаВаВаВаВаВаВаВаВаВаВаВаВаВаб)
Рисунок 4.1.2
Здесь
Васопротивление нагрузки,
разделительная емкость.
РезультатыВа вычислений:
|
|
|
|
| |
Вас | 11,6 | 5 | 660 | 1531 | 132 |
Вас | 5 | 5 | 330 | 330 | 66 |
ВаВаВаВаВаВаВаВаВаВаВа 4.2 Выбор транзистора. Нагрузочные прямые
ВаВаВаВаВаВаВаВаВаВаВа При выборе транзистора нужно учесть предельные значения транзистора
,
,
,
.
ВаВ;
ВаА для резистивного каскада;
ВаА для дроссельного каскада;
ВаВт для резистивного каскада;
ВаВт для дроссельного каскада;
ВаГгц.
|
|
|
| |
Вас | 6 | 660 | 1,7-4 | 158 |
Вас | 6 | 330 | 1,7-4 | 79 |
ВаВаВаВаВаВаВаВаВаВаВа Свой выбор остановим на транзисторе КТ939А предельные допустимые значения которого полностью отвечают вышеуказанным требованиям.
ВаВаВаВаВаВаВаВаВаВаВа Необходимые справочные данные транзистора КТ939А [2].
=18 В ,
=0,4 А ,
=4 Вт ,
=3060 МГц,
=4,6 пс ,
=6,04 пФ при
=5 В ,
=113,
ВанГн,
ВанГн.
![]() | ![]() | ||
ВаВаВаВаВаВаВаВаВаВаВа Построим нагрузочные прямые для двух описанных выше каскадов.
ВаВаВаВаВаВаВаВаВаВаВаВаВаВаВаВаВаВаВаВаВаВаВаВаВаВаВаВаВаВаВаВаВаВаВа а)ВаВаВаВаВаВаВаВаВаВаВаВаВаВаВаВаВа ВаВаВаВаВаВаВаВаВаВаВаВаВаВаВаВаВаВаВаВаВаВаВаВаВаВаВаВаВаВаВаВаВаВаВаВаВаВаВаВаВаВаВаВаб)
Рисунок 4.2
ВаВаВаВаВаВаВаВаВаВаВа Исходя из вышеуказанных результатов вычислений, целесообразней всего применять дроссельный каскад, так как при использовании дроссельного каскада меньше напряжение питания, рассеиваемая мощность, а также потребляемая мощность (что очень существенно).
ВаВаВаВаВаВаВаВаВаВаВа 4.3 Расчет эквивалентной схемы транзистора
![]() | |||
![]() | |||
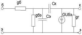
ВаВаВаВаВаВаВаВаВаВаВа Расчет каскада основан на применении эквивалентной схемы замещения транзистора [3] рисунок 4.3.1,а ,а также однонаправленной схемы замещения[4] рисунок 4.3.1,б.
ВаВаВаВаВаВаВаВаВаВаВаВаВаВаВаВаВаВаВаВаВаВаВаВаВаВаВаВаВаВаВаВаВа а)ВаВаВаВаВаВаВаВаВаВаВаВаВаВаВаВаВаВаВаВаВаВаВаВаВаВаВаВаВаВаВаВаВаВаВаВаВаВаВаВаВаВаВаВаВаВаВаВаВаВаВаВаВаВаВаВаВаВаВаВаВаВаВаВаВаВаВаВа б)
Рисунок 4.3.1
Здесь
Вапроводимость базы
,ВаВаВаВаВаВаВаВаВаВаВаВаВаВаВаВаВаВаВаВаВаВаВаВаВаВаВаВаВаВаВаВаВаВаВаВаВаВаВаВаВаВаВаВаВаВаВаВаВаВаВаВаВаВаВаВаВаВаВаВаВаВаВаВаВаВаВаВаВаВаВаВаВаВаВаВаВаВаВаВаВаВаВаВаВаВаВаВаВаВаВаВаВаВаВаВаВаВаВаВа (4.8)
где
постоянная времени цепи обратной связи (табличное значение),
ёмкость коллекторного перехода (табличное значение),
Вапроводимость база-эмиттер
ВаСм;
,ВаВаВаВаВаВаВаВаВаВаВаВаВаВаВаВаВаВаВаВаВаВаВаВаВаВаВаВаВаВаВаВаВаВаВаВаВаВаВаВаВаВаВаВаВаВаВаВаВаВаВаВаВаВаВаВаВаВаВаВаВаВаВаВаВаВаВаВаВаВаВаВаВаВаВаВаВаВаВаВаВаВаВаВаВаВаВа (4.9)
где
Васопротивление эмиттера
,ВаВаВаВаВаВаВаВаВаВаВаВаВаВаВаВаВаВаВаВаВаВаВаВаВаВаВаВаВаВаВаВаВаВаВаВаВаВаВаВаВаВаВаВаВаВаВаВаВаВаВаВаВаВаВаВаВаВаВаВаВаВаВаВаВаВаВаВаВаВаВаВаВаВаВаВаВаВаВа (4.10)
где
Ваток рабочей точки,
Вастатический коэффициент передачи тока с общим эмиттером.
Ом;
ВаСм;
,ВаВаВаВаВаВаВаВаВаВаВаВаВаВаВаВаВаВаВаВаВаВаВаВаВаВаВаВаВаВаВаВаВаВаВаВаВаВаВаВаВаВаВаВаВаВаВаВаВаВаВаВаВаВаВаВаВаВаВаВаВаВаВаВаВаВаВаВаВаВаВаВаВаВаВаВаВаВаВаВаВаВаВаВаВа (4.11)
где
Ваграничная частота транзистора.
пФ;
Вавходная индуктивность,
где ![]()
Ваиндуктивность базового и эмиттерного выводов соответственно;
ВанГн;
=
;
выходное сопротивление транзистора
,ВаВаВаВаВаВаВаВаВаВаВаВаВаВаВаВаВаВаВаВаВаВаВаВаВаВаВаВаВаВаВаВаВаВаВаВаВаВаВаВаВаВаВаВаВаВаВаВаВаВаВаВаВаВаВаВаВаВаВаВаВаВаВаВаВаВаВаВаВаВаВаВаВаВаВаВаВаВаВаВаВаВаВаВаВаВаВаВаВа (4.12)
где
ВаиВа
Вадопустимые параметры транзистора.
ВаОм;
.
В расчете также используется параметр
,ВаВаВаВа ВаВаВаВаВаВаВаВаВаВаВаВаВаВаВаВаВаВаВаВаВаВаВаВаВаВа(4.13)
где
Ваверхняя частота усилителя;
.
ВаВаВаВаВаВаВаВаВаВаВаВаВа 4.4 Расчет цепей питания и выбор схемы термостабилизации
![]() |
ВаВаВаВаВаВаВаВаВаВаВаВаВа Рассмотрим три варианта схем термостабилизации: эмиттерную, пассивную коллекторную и активную коллекторную и произведем для них расчет. Схема эмиттерной термостабилизации представлена на рисунке 4.4.1.
Рисунок 4.4.1
ВаВаВаВаВаВаВаВаВаВаВа Здесь
,
Вазадают смещение напряжения на базе транзистора,
Ваэлемент термостабилизации,
Вашунтирует
Вапо переменному току.
,ВаВаВаВаВаВаВаВаВаВаВаВаВаВаВаВаВаВаВаВаВаВаВаВаВаВаВаВаВаВаВаВаВаВаВаВаВаВаВаВаВаВаВаВаВаВаВаВаВаВаВаВаВаВаВаВаВаВаВаВаВаВаВаВаВаВаВаВаВаВаВаВаВаВаВаВаВаВаВаВаВаВаВаВаВаВаВаВаВаВаВаВаВаВаВаВаВа (4.14)
где
Вападение напряжения на резисторе
Вапримем
=4 В.
ВаОм;
;ВаВаВаВаВаВаВаВаВаВаВаВаВаВаВаВаВаВаВаВаВаВаВаВаВаВаВаВаВаВаВаВаВаВаВаВаВаВаВаВаВаВаВаВаВаВаВаВаВаВаВаВаВаВаВаВаВаВаВаВаВаВаВаВаВаВаВаВаВаВаВаВаВаВаВаВаВаВаВаВаВаВаВаВаВаВаВаВаВа (4.15)
ВаВ,
;ВаВаВаВаВаВаВаВаВаВаВаВаВаВаВаВаВаВаВаВаВаВаВаВаВаВаВаВаВаВаВаВаВаВаВаВаВаВаВаВаВаВаВаВаВаВаВаВаВаВаВаВаВаВаВаВаВаВаВаВаВаВаВаВаВаВаВаВаВаВаВаВаВаВаВаВаВаВаВаВа (4.16)
;ВаВаВаВаВаВаВаВаВаВаВаВаВаВаВаВаВаВаВаВаВаВаВаВаВаВаВаВаВаВаВаВаВаВаВаВаВаВаВаВаВаВаВаВаВаВаВаВаВаВаВаВаВаВаВаВаВаВаВаВаВаВаВаВаВаВаВаВаВаВаВаВаВаВаВаВаВаВаВаВаВаВаВаВаВаВа (4.17)
где
ток базового делителя;
.
ВаВаА;
ВаОм;
ВаОм;
;ВаВаВаВаВаВаВаВаВаВаВаВаВаВаВаВаВаВаВаВаВаВаВаВаВаВаВаВаВаВаВаВаВаВаВаВаВаВаВаВаВаВаВаВаВаВаВаВаВаВаВаВаВаВаВаВаВаВаВаВаВаВаВаВаВаВаВаВаВаВаВаВаВаВаВаВаВаВаВаВаВаВаВаВаВаВаВаВаВаВаВаВа (4.18)
мкГн.
ВаСхема пассивной коллекторной термостабилизации представлена на рисунке 4.4.2.
![]() |
Рисунок 4.4.2
Здесь
Ваосуществляет смещение напряжения, а также используется в качестве элемента термостабилизации.
ВаВаВаВаВаВаВаВаВаВа Примем
=
;
,ВаВаВаВаВаВаВаВаВаВаВаВаВаВаВаВаВаВаВаВаВаВаВаВаВаВаВаВаВаВаВаВаВаВаВаВаВаВаВаВаВаВаВаВаВаВаВаВаВаВаВаВаВаВаВаВаВаВаВаВаВаВаВаВаВаВаВаВаВаВаВаВаВаВаВаВаВаВаВаВаВаВаВаВаВа (4.19)
гдеВаВаВаВаВа
; ВаВаВаВаВаВаВаВаВаВаВаВаВаВаВаВаВаВаВаВаВаВаВаВаВаВаВаВаВаВаВаВаВаВаВаВаВаВаВаВаВаВаВаВаВаВаВаВаВаВаВаВаВаВаВаВаВаВаВаВаВаВаВаВаВаВаВаВаВаВаВаВаВаВаВаВаВаВаВаВаВаВаВаВаВаВаВаВаВаВаВаВаВаВаВаВаВаВа(4.20)
ВаА;
ВаКОм;
;ВаВаВаВаВаВаВаВаВаВаВаВаВаВаВаВаВаВаВаВаВаВаВаВаВаВаВаВаВаВаВаВаВаВаВаВаВаВаВаВаВаВаВаВаВаВаВаВаВаВаВаВаВаВаВаВаВаВаВаВаВаВаВаВаВаВа ВаВаВаВаВаВаВаВаВаВаВаВаВаВаВа(4.21)
8,3 В.
ВаВаВаВаВаВаВаВаВаВаВаВа РассмотримВа схему активной коллекторной термостабилизации [5].
![]() |
Рисунок 4.4.3
В данной схеме транзистор VT2 используется в качестве элемента термостабилизации. ТокВа коллектора VT2 является базовым током смещения.Ва Здесь
,
-базовый делитель для транзистора VT2,
предотвращает генерацию в каскаде.
>1 В,
примем
=1 В;
;ВаВаВаВаВаВаВаВаВаВаВаВаВаВаВаВаВаВаВаВаВаВаВаВаВаВаВаВаВаВаВаВаВаВаВаВаВаВаВаВаВаВаВаВаВаВаВаВаВаВаВаВаВаВаВаВаВаВаВаВаВаВаВаВаВаВаВаВаВаВаВаВаВаВаВаВаВаВаВаВаВаВаВаВаВаВаВаВаВаВаВаВаВаВа (4.22)
ВаОм;
;ВаВаВаВаВаВаВаВаВаВаВаВаВаВаВаВаВаВаВаВаВаВаВаВаВаВаВаВаВаВаВаВаВаВаВаВаВаВаВаВаВаВаВаВаВаВаВаВаВаВаВаВаВаВаВаВаВаВаВаВаВаВаВаВаВаВаВаВаВаВаВаВаВаВаВаВаВаВаВаВаВаВа ВаВа(4.23)
ВаВ;
,ВаВаВаВаВаВаВаВаВаВаВаВаВаВаВаВаВаВаВаВа ВаВаВаВаВаВаВаВаВаВаВаВаВаВаВаВаВаВаВаВаВаВаВаВаВаВаВаВаВаВаВаВаВаВаВаВаВаВаВаВаВаВаВаВаВаВаВаВаВаВаВаВаВаВаВаВаВаВаВаВаВаВаВаВаВаВаВаВаВаВаВаВаВа(4.24)
где
Ваток коллектора транзистора VT1,
Вастатический коэффициент передачи тока с общим эмиттером транзистора VT1
-ток базового смещения транзистора VT1.
ВаА;
,ВаВаВаВаВаВаВаВаВаВаВаВаВаВаВаВаВаВаВаВаВаВаВаВаВаВаВаВаВаВаВаВаВаВаВаВаВаВаВаВаВаВаВаВаВаВаВаВаВаВаВаВаВаВаВаВаВаВаВаВаВаВаВаВаВаВаВаВаВаВаВаВаВаВаВаВаВаВаВаВаВаВаВаВаВаВаВаВаВаВаВаВаВа (4.25)
где
- ток коллектора транзистора VT2.
,ВаВаВаВаВаВаВаВаВаВаВаВаВаВаВаВаВаВаВаВаВаВаВаВаВаВаВаВаВаВаВаВаВаВаВаВаВаВаВаВаВаВаВаВаВаВаВаВаВаВаВаВаВаВаВаВаВаВаВаВаВаВаВаВаВаВаВаВаВаВаВаВаВаВаВаВаВаВаВаВаВаВаВаВаВаВаВа (4.26)
где
,
-напряжения рабочей точки транзистора ВаВаВаВаВа VT1 и VT2.
ВаВ;
;ВаВаВаВаВаВаВаВаВаВаВаВаВаВаВаВаВаВаВаВаВаВаВаВаВаВаВаВаВаВаВаВаВаВаВаВаВаВаВаВаВаВаВаВаВаВаВаВаВаВаВаВаВаВаВаВаВаВаВаВаВаВаВаВаВаВаВаВаВаВаВаВаВаВаВаВаВа (4.27)
Ом;
;ВаВаВаВаВаВаВаВаВаВаВаВаВаВаВаВаВаВаВаВаВаВаВаВаВаВаВаВаВаВаВаВаВаВаВаВаВаВаВаВаВаВаВаВаВаВаВаВаВаВаВаВаВаВаВаВаВаВаВаВаВаВаВаВаВаВаВаВаВаВаВаВаВаВаВаВаВа Ва(4.28)
;ВаВа ВаВаВаВаВаВаВаВаВаВаВаВаВаВаВаВаВаВаВаВаВаВаВаВаВаВаВаВаВаВаВаВаВаВаВаВаВаВаВаВаВаВаВаВаВаВаВаВаВаВаВаВаВаВаВаВаВаВаВаВаВаВаВаВаВаВаВа(4.29)
где
ВаОм;
Ом;
Ом.
ВаВаВаВаВаВаВаВаВаВаВаВа Для данного каскада схема эмиттерной термостабилизации более приемлема, чем остальные. Во-первых, она обеспечивает высокую стабильность, во-вторых, она легко реализуема, так какВа содержит малое количества элементов, в-третьих, эта схема применяется для маломощных каскадов.
ВаВаВаВаВаВаВаВаВаВа Ва4.5 Расчет элементов высокочастотной коррекции
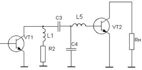
ВаВаВаВаВаВаВаВаВаВаВа Так как нужно реализовать усилитель с подъемом АЧХ, то необходимо применение диссипативной межкаскадной корректирующей цепи четвёртого порядка [1]. Принципиальная схема усилителя с межкаскадной корректирующей цепью четвертого порядка приведена на рисунке 4.5.1,а, эквивалентная схема по переменному току - на рисунке 4.5.1,б.
![]() |
ВаВаВаВаВаВаВаВаВаВаВаВаВаВаВаВаВаВаВаВаВаВаВаВаВаВаВаВаВаВаВаВаВаВаВаВаВа а)ВаВаВаВаВаВаВаВаВаВаВаВаВаВаВаВаВаВаВаВаВаВаВаВаВаВаВаВаВаВаВаВаВаВаВаВаВаВаВаВаВаВаВаВаВаВаВаВаВаВаВаВаВаВаВаВаВаВаВаВаВаВаВа б)

Рисунок 4.5.1
ВаВаВаВаВаВаВаВаВаВаВа Коэффициент усиления каскада на транзисторе VT2 в области верхних частот можно описать выражением:
,ВаВаВаВаВаВаВаВаВаВаВаВаВаВаВаВаВаВаВаВаВаВаВаВаВаВаВаВаВаВаВаВаВаВаВаВаВаВаВаВа (4.30)
гдеВаВаВаВаВаВаВа
,коэффициент усиления каскадаВаВаВаВаВаВаВа (4.31)
;
;
;
;
;
;
RВХН тАУнормированное входное сопротивлениеВа транзистора VT2;
,
,
,
,
ВатАУ нормированные относительно
Ваи
Вазначения элементов L1, R2, C3, C4, L5, соответствующие преобразованной схеме КЦ, в которой значение СВХ2 равно бесконечности; СВЫХ1 тАУ выходная емкость транзистора T1;
;
ВатАУ нормированная частота;
ВатАУ текущая круговая частота;
ВатАУ высшая круговая частота полосы пропускания разрабатываемого усилителя. Для расчета элементов корректирующей цепи нужно воспользоваться таблицей 9.1 приведенной в [5]. Оконечный каскад реализуем с подъёмом в 3дБ, а предоконечный и выходной с подъёмом в 0 дБ искажения каждого
=
ВадБ. Так как для расчета требуется знать
транзистора VT2 то нужно сделать выбор транзистора предоконечного каскада. Свой выбор остановим на транзисторе КТ939А. Сопротивление выхода этого транзистора нам известно
Для расчета элементов воспользуемся формулами:
;ВаВаВаВаВаВаВаВаВаВаВаВаВаВаВаВаВаВаВаВаВаВаВаВаВаВаВаВа ВаВаВаВаВаВаВаВаВаВаВаВаВаВаВаВаВаВаВаВаВаВаВаВаВаВаВаВаВаВаВаВаВаВаВа(4.32)
ВаВаВаВаВаВаВаВаВаВаВа С помощью таблицы получены следующие нормированные значения элементов.
=1,68,
=0,842,
,=4,99,
=4,62,
=0,234.
,
;ВаВаВаВаВаВаВаВаВаВаВаВаВаВаВаВаВаВаВаВаВаВаВаВаВаВаВаВаВаВаВаВаВаВаВаВаВаВаВаВаВаВаВаВаВаВаВаВаВаВаВаВаВаВаВаВаВаВаВаВаВаВаВаВаВаВаВаВаВаВаВаВаВаВаВаВаВаВа (4.33)
;
;
;
ВаВаВаВаВаВаВаВаВаВаВаВаВа Денормируя полученные значения, определим:
=
=57 нГн;
=
=71,5 Ом;
=
=18 пФ;
=8,3 пФ;
=13 нГн.
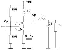
В усилительных каскадах расширение полосы пропускания связано с потерей части выходной мощности в резисторах корректирующих цепей (КЦ) либо цепей обратной связи. От выходных каскадов усилителей требуется, как правило, получение максимально возможной выходной мощности в заданной полосе частот. Из теории усилителей известно, что для выполнения указанного требования необходимо реализовать ощущаемое сопротивление нагрузки для внутреннего генератора транзистора равным постоянной величине во всем рабочем диапазоне частот. Этого можно достигнуть, включив выходную емкость транзистора в фильтр нижних частот, используемый в качестве
![]() | |||
выходной КЦ. Схема включения выходной КЦ приведена на рисунке 4.5.2.
![]() |
ВаВаВаВаВаВаВаВаВаВаВаВаВаВаВаВаВаВаВаВаВаВаВаВаВаВаВаВаВа а)ВаВаВаВаВаВаВаВаВаВаВаВаВаВаВаВаВаВаВаВаВаВаВаВаВаВаВаВаВаВаВаВаВаВаВаВаВаВаВаВаВаВаВаВаВаВаВаВаВаВаВаВаВаВаВаВаВаВа б)
Рисунок 4.5.2
Использование фильтра нижних частот в качестве выходной КЦ при одновременном расчете элементов L1, C1 по методике Фано позволяет обеспечить минимально возможное, соответствующее заданным CВЫХ и fB, значение максимальной величины модуля коэффициента отражения
Вав полосе частот от нуля до fB.
Находим коэффициентВа
Вапо формуле:
;ВаВаВаВаВаВаВаВаВаВаВаВаВаВаВаВаВаВаВаВаВаВаВаВаВаВаВаВаВаВаВаВаВаВаВаВаВаВаВаВаВаВаВаВаВаВаВаВаВаВаВаВаВаВаВаВаВаВаВаВаВаВаВаВаВаВаВаВаВаВаВаВаВаВаВаВаВаВаВаВаВаВаВаВаВаВаВа (4.34)
;
Далее находим по таблице 7.1 приведённой в [1] значения
,
,
,
, соответствующие коэффициенту
:
,
,
,
. Истинные значения элементов рассчитываются по формулам:
;ВаВаВаВаВаВаВаВаВаВаВаВаВаВаВаВаВаВаВаВаВаВаВаВаВаВаВаВаВаВаВаВаВаВаВаВаВаВаВаВаВаВаВаВаВаВаВаВаВаВаВаВаВаВаВаВаВаВаВаВаВаВаВаВаВаВаВаВаВаВаВаВаВаВаВаВаВаВаВаВаВаВаВаВаВаВаВа (4.35)
.
5 Расчет предоконечного каскада
ВаВаВаВаВаВаВаВаВаВаВа Расчет рабочей точки предоконечного каскада производится по тем же формулам что и оконечный, только ток рабочей точки вычисляется по формуле
,ВаВаВаВаВаВаВаВаВаВаВаВаВаВаВаВаВаВаВаВаВаВаВаВаВаВаВаВаВаВаВаВаВаВаВаВаВаВаВаВаВаВаВаВаВаВаВаВаВаВаВаВаВаВаВаВаВаВаВаВаВаВаВаВаВаВаВаВаВаВаВаВаВаВаВаВаВаВаВаВаВаВаВаВаВаВаВаВаВа (5.1)
где
-ток рабочей точки выходного каскада, а
-коэффициент усиления выходного каскада,
А;
В;
мВт.
Произведем расчет схем замещения по формулам (4.8-4.13).
ВаСм;
Ом;
ВаСм;
пФ;
ВаОм.
Произведем расчет схемы термостабилизации и цепи питания. В этом каскаде также применена эмиттерная термостабилизация. Для расчета используем формулы (4.14-4.18).
=4 В;
ВаОм;
ВаВ;
ВаВаА;
ВаОм;
ВаОм.
ВаВаВаВаВаВаВаВаВаВаВаВаВа Для расчета межкаскадной корректирующей цепи четвертого порядка выберем транзистор входного каскада. В входном каскаде используется транзистор КТ939А. Данные из таблицы для каскада с подъемом в 0 дБ с искажением
=
ВадБ. Для расчета используем формулы (4.30-4.33).
=2,22,
=1,11,
,=5,23,
=3,69,
=0,291;
;
;
;
;
Денормируя полученные значения, определим:
=
=75нГн;
=
=94,3 Ом;
=
=18 пФ;
=6,1 пФ;
=16,1 нГн;
мкГн.
![]() |
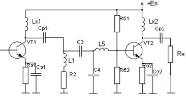
ВаВаВаВаВаВаВаВаВаВаВаВа На рисункеВа 5.1 представлена электрическая схема каскада.
Рисунок 5.1
ВаВаВаВаВаВаВаВаВаВаВаВаВа 6 Расчет входного каскада.
ВаВаВаВаВаВаВаВаВаВаВаВаВа Расчет выходного каскада производится по тем же формулам что и оконечный.
А;
В;
мВт.
В данном каскаде используется транзистор КТ939А.
Расчет эквивалентных схем замещения произведем по формулам (4.8-4.13):
ВаСм;
Ом;
ВаСм;
пФ;
ВаОм.
Произведем расчет схемы термостабилизации и цепи питания. В этом каскаде применена эмиттерная термостабилизация. Для расчета используем формулы (4.14-4.18).
=4 В;
ВаОм;
ВаВ;
ВаА;
ВаОм;
ВаОм.
ВаВаВаВаВаВаВаВаВаВа Расчет входной корректирующей цепи четвертого порядка.
ВаВаВаВаВаВаВаВаВа Данный расчет отличается отсутствием выходной емкости источника сигнала поэтому расчет упрощается. Для расчета используем формулы (4.30-4.33). Данные из таблицы для каскада с подъемом в 0 дБ с искажением
=
дБ
=2,22,
=1,11,
,=5,23,
=3,69,
=0,291.
,

;
Денормируя полученные значения, определим:
=
=44нГн;
=
=55,5 Ом;
=
=41,6 пФ;
=29 пФ;
=5,8 нГн;
мкГн.
![]() |
На рисункеВа 6.1 представлена электрическая схема каскада.
Рисунок 6.1
7 Расчет разделительных и блокировочных ёмкостей
ВаВаВаВаВаВаВаВаВаВаВа Рассчитаем максимальные искажения, вносимые разделительными и блокировочными ёмкостями в области низких частот. Так как значение искажений задано 1,5 дБ то на разделительные и блокировочные ёмкости должно приходится искажений по 0,75 дБ. Рассчитаем искажения приходящуюся на каждую ёмкость и переведём эти значения в разы.
;
;
Рассчитаем разделительные ёмкости по формуле [3]:
,ВаВаВаВаВаВаВаВаВаВаВаВаВаВаВаВаВаВаВаВаВаВаВаВаВаВаВаВаВаВаВаВаВаВаВаВаВаВаВаВаВаВаВаВаВаВаВаВаВаВаВаВаВаВаВаВаВаВаВаВаВаВаВаВаВаВаВаВаВаВаВаВаВаВаВа (7.1)
где
Ванижняя граничная круговая частота,
Вавыходное сопротивление источника сигнала,
Вавходное сопротивление приемника.
ВапФ;
пФ;
пФ;
Произведем расчет блокировочных емкостей по формуле [3]:
,ВаВаВаВаВаВаВаВаВаВаВаВаВаВаВаВаВаВаВаВаВаВаВаВаВаВаВаВаВаВаВаВаВаВаВаВаВаВаВаВаВаВаВаВаВаВаВаВаВаВаВаВаВаВаВаВаВаВаВаВаВаВаВаВаВаВаВаВаВаВаВаВаВаВаВаВа (7.2)
где
Вакрутизна транзистора,
Васопротивление термостабилизации.
,
где
;
мА/в;
ВамА/в;
ВамА/в;
ВамА/в;
ВанФ;
ВанФ;
нФ.
ВаВаВаВаВаВаВаВаВаВаВаВа Для уменьшения искажений последовательно с разделительной емкостью включим дополнительное сопротивление параллельно емкости
Вакорректирующей цепи каскада. Дополнительное сопротивление высчитывается по формуле:
,ВаВаВаВаВаВаВаВаВаВаВаВаВаВаВаВаВаВаВаВаВаВаВаВаВаВаВаВаВаВаВаВаВаВаВаВаВаВаВаВаВаВаВаВаВаВаВаВаВаВаВаВаВаВаВаВаВаВаВаВаВаВаВаВаВаВаВаВаВаВаВаВаВаВаВаВаВаВаВаВаВаВаВаВаВаВаВаВаВаВаВа (7.3)
где
сопротивление нагрузки для оконечного каскада и сопротивление
Вадля остальных каскадов.
Ом;
Ом;
ВаОм.
Так же включим
Вапоследовательно с сопротивлением цепи коррекции
Васо стороны земли. Дополнительную емкость включим только к оконечному и предоконечному каскаду:
;ВаВаВаВаВаВаВаВаВаВаВаВаВаВаВаВаВаВаВаВаВаВаВаВаВаВаВаВаВаВаВаВаВаВаВаВаВаВаВаВаВаВаВаВаВаВаВаВаВаВаВаВаВаВаВаВаВаВаВаВаВаВаВаВаВаВаВаВаВаВаВаВаВаВаВаВаВаВаВаВаВаВаВаВаВаВаВаВаВаВаВаВаВа (7.4)
ВапФ.
ВанФ;
Вместе с этим смотрят:
IP-телефония. Особенности цифровой офисной связи















