Многоканальная система передачи информации
Государственное образовательное учреждение
высшего профессионального образования
ВлТомский государственный университет систем управления и радиоэлектроникиВ»
КУРСОВАЯ РАБОТА
Тема: ВлМногоканальная система передачи информацииВ»
Предмет: ВлЭлектросвязьВ»
г. ТомсктАУ 2010 г.
СОДЕРЖАНИЕ
1. Исходные данные и разрабатываемые вопросы
1.1 исходные данные
1.2 вопросы, подлежащие разработке
2. Назначение и возможное применение СПДИ
3. Определение возможности работы разрабатываемой СПДИ по аналоговому каналу связи
3.1 расчет показателей суммарной информационной производительности СПДИ IC и пропускной способности аналогового канала связи ск
3.1.1 Расчет показателей информационной производительности СПДИ
3.1.2 Расчет показателей пропускной способности канала связи
3.2 Расчет показателей объема сигнала vc СПДИ и объема канала связи
3.3 оценка возможности использования заданного аналогового канала электросвязи
4. Защита от ошибок. Помехоустойчивое (канальное) кодирование
4.1 определение оптимальных параметров помехоустойчивого кодирования
4.2 определение эффективной скорости приема сигналов данных и оптимальной длины передаваемых слов
5. Определение вида синхронизации, используемой в разрабатываемой спди
6. Определение параметров временного уплотнения абонентских сигналов в различных условиях
6.1 Определение параметров временного объединения/разделения абонентских сигналов без применения помехоустойчивого кодирования
6.2 Определение параметров временного объединения/разделения абонентских сигналов с применением помехоустойчивого кодирования
7. Выбор схемы приемника СПДИ
8. Расчет вероятности ошибки на выходе приемника и битовой вероятности ошибки на входе и выходе декодера канала передачи данных и канала переспроса
8.1 расчет вероятности ошибки на выходе приемника и битовой вероятности ошибки на входе и выходе декодера дискретного канала передачи данных
8.2 расчет вероятности ошибки на выходе приемника и битовой вероятности ошибки на входе и выходе декодера канала переспроса
9. Способы сопряжения разрабатываемой СПДИ со стандартной аппаратурой частотного уплотнения каналов тональной частоты
10. Функциональная схема передающего и приемного оборудования СПДИ
Заключение
Список использованной литературы
1. Исходные данные и РАЗРАБАТЫВАЕМЫЕ вопросы
1.1 Исходные данные
Разработать многоканальную когерентную систему передачи дискретной информации (СПДИ), предназначенную для передачи цифровых сигналов от М однотипных источников информации по одному или нескольким арендуемым стандартным аналоговым каналам.
Технические характеристики и параметры разрабатываемой системы:
1.число абонентских каналов М=80;
2.длина двоичной кодовой комбинации (слова) на входе канала Кс=10,бит;
3.средняя скорость на входе канала Vc=10 слов\с;
4.тип корректирующего кода Цикл-3
5.тип манипуляции - ФМн
6.способ уплотнения каналов - Врем
7.суммарная средняя мощность сигналов на входе приёмника в прямом канале Р=2,148В·10-7,Вт;
8.спектральная плотность мощности аддитивного белого шума на входах приёмников прямого и обратного каналов N0=4,001В·10-11 Вт\Гц
9.суммарная средняя мощность сигналов на входе приёмника в каналах переспроса Робр=8,951В·10-8Вт
1.2 Вопросы, подлежащие разработке
2. Выбор численных значений параметров корректирующего кода, при которых обеспечивается минимальная битовая вероятность ошибки на выходе декодера;
3. разработка детальной функциональной схемы кодера и декодера заданного корректирующего кода либо составление программы кодирования и декодирования для персонального компьютера (по выбору студента);
4. вычисление вероятности ошибки при приёме кодового слова и битовой вероятности ошибки а выходе декодера;
5. оценка частоты появления ошибок и заключение о ее соответствии назначению системы;
6. выбор способов введения и численных значений параметров синхронизации;
7. выбор методов селекции синхросигналов в приёмном устройстве;
8. выбор численных значений параметров модуляции в первой и, в случае необходимости, последующих ступенях уплотнения;
9. расчет значений всех временных интервалов, определяющих структуру цифровых каналов и (при временном уплотнении каналов) группового сигналов;
10. расчет полос частот, необходимых для передачи каждого из канальных сигналов с учетом полосы обратного канала, полосы группового сигнала и сигнала (сигналов) на выходе системы;
11. разработка способа сопряжения системы с аналоговой аппаратурой частотного уплотнения телефонных каналов для передачи групповых сигналов по одному или нескольким арендуемым стандартным трактам;
12. разработка функциональной схемы системы в целом для передачи в одном направлении.
2. Назначение И ВОЗМОЖНОЕ ПРИМЕНЕНИЕ СПДИ
В настоящее время системы передачи дискретной информации (СПДИ) становятся все более привлекательными вследствие постоянно растущего спроса из-за того, что дискретная передача предлагает несравненно большие возможности обработки информации, не доступные при использовании аналоговой передачи. Отличительным преимуществом всех СПДИ является простота восстановления дискретных сигналов по сравнению с аналоговыми системами.
В работе рассмотрен частный случай СПДИ тАУ система связи с применением цифровых (бинарных) сигналов.
Предположительно, разрабатываемая система связи может найти применение для передачи низкоскоростных потоков данных, таких как телеграфные сигналы со скоростью до 100 бит в секунду (с учетом использования дополнительных преобразований), сигналы телесигнализации от М источников информации, а также, факсимильных сообщений путем предварительного объединения индивидуальных сигналов.
Разрабатываемая СПДИ будет иметь следующий вид, представленный на рис. 2.1:

Рис.2.1 Общая схема СПДИ.
1. Источники дискретных сообщений (М=80);
2. Устройство объединения (мультиплексор) тАУ устройство, в котором сообщения источников объединяются в групповой видеосигнал;
3. Кодер каналатАУ устройство, в котором групповая последовательность элементов сообщений источников заменяется последовательностью кодовых символов, т.е. производится помехоустойчивое кодирование;
4. Передатчик (модулятор) тАУ устройство в котором групповой сигнал преобразуется во вторичный (высокочастотный) сигнал пригодный для передачи по используемому каналу;
5. Прямой канал связи;
6. Приемник (демодулятор) тАУ обрабатывает принятое ВЧ-колебание и восстанавливает переданное дискретное сообщение;
7. Декодер тАУ устройство, в котором происходит декодирование принятого группового дискретного сообщения;
8. Устройство разуплотнения (демультиплексор) тАУ устройство, в котором групповой видеосигнал разъединяется на исходные сообщения источников дискретной информации
9. Получатели сообщения;
10. Обратный канал связи (канал переспроса).
3. Определение возможности работы разрабатываемой СПДИ по аналоговому каналу связи
Расчет разрабатываемой СПДИ необходимо начать с определения возможности работы этой системы по заданному аналоговому каналу связи. Для этого необходимо рассчитать показатели суммарной информационной производительности всей СПДИ Ic и пропускной способности аналогового канала связи Ск. А также определить объем канального сигнала Vc СПДИ и объем канала связи Vk. На основании сравнения численных значений Ic с Ск, и Vcи Vkсделать вывод о способности функционирования разрабатываемой СПДИ по заданному каналу связи.
3.1 Расчет показателей суммарной информационной производительности СПДИ Ic и пропускной способности аналогового канала связи Ск
3.1.1 Расчет показателей информационной производительности СПДИ
Производительность источника сообщений определяется количеством передаваемой информации за единицу времени.
В соответствии с исходными данными, производительность одного источника Iciбез применения помехоустойчивого кодирования будет определена по формуле:
Ва(3.1)
Тогда суммарная производительность СПДИ будет определена:
Ва(3.2)
При введении помехоустойчивого кодирования кодом Хэмминга вида (15,11), получим производительность одного источника информации:
Ва(3.3)
А суммарная производительность СПДИ будет иметь значение:
(3.4)
Количество информации Ici- это логарифмическая функция вероятности logрi, где рi- вероятность возникновения сообщения источника М из ансамбля L. Тогда
Ici= -log2рi=log2(1/ рi). (3.3)
Иначе производительность источника дискретной информации можно определить как:
Ва(3.4)
где Тпi- длительность элементарной посылки; FtтАУ частота следования посылок (тактовая частота), LтАУ количество разрешенных состояний (в нашем случаеL=2, т.е.сигнал может принимать только два значения), Нci - энтропия источника сообщения
Вероятность рiв нашем случае для всех сообщений М-источников одинакова рi=0.5, тогда
Ваи
.
Следовательно, энтропия каждого из М источников составит:
Ва(3.5)
Подставив значения L и рi в формулу (3.4), получим что
Ва(3.6)
Таким образом,
- тактовая частота М-источника информации,
Ва- длительность посылки сигнала М-источника информации.
Следовательно, суммарная тактовая частота канального сигнала СПДИ будет равна:
, а длительность посылки канального сигнала (видеоимпульса) СПДИ составит
.
Суммарная энтропия СПДИ составит:
![]()
и будет равна энтропии каждого из источников.
3.1.2 Расчет показателей пропускной способности аналогового канала связи Ск
К типовым стандартным аналоговым каналам связи относят канал тональной частоты (КТЧ). Канал тональной частоты (КТЧ) характеризуется следующими интересующими нас параметрами:
- полоса частот Fкн=0.3 (кГц); Fкв=3.4 (кГц); ∆Fк=3.1 (кГц).
Пропускная способность КТЧ определяется формулой Шеннона:
Ва(3.7)
где Рс тАУ средняя мощность сигнала на входе приемника канала. По условию работы
. Рп тАУ средняя мощность помехи (шума) на входе приемника канала, определяемая по формуле:
Ва(3.8)
где
Ва- доступная полоса пропускания приемника,
- длительность посылки группового канального сигнала, Р0=4,001В·10-11 (Вт)- спектральная плотность мощности аддитивного БГШ на входе приемника СПДИ (согласно исходных данных), то таким образом:
Ва- не зависит от типа канала связи и определяется исключительно параметрами приемного устройства.
Однако не следует путать среднюю мощность помехи (шума) на входе приемника системы Рпи среднюю мощность помехи в полосе частот сигнала равную:
.
Пропускная способность канала тональной частоты (КТЧ) рассматриваемой системы без учета помехоустойчивого кодирования кодом Хэмминга и введения сигналов синхронизации составит:
Ва(3.9)
Пропускная способность типового канала тональной частоты (КТЧ) рассчитывается также по формуле (3.7) и имеет нормированную величину:
, что практически более чем в 1.6 раза превышает пропускную способность рассчитанного канала связи Ск.
Это является следствием того, что мощность шума в рассчитываемом КТЧ превышает мощность полезного сигнала по величине примерно на 20 (дБ), а в нормированном КТЧ выполняется условие
=40-45 (дБ).
Полученные результаты расчета свидетельствуют, что суммарная производительность СПДИ без учета помехоустойчивого кодирования в 1.93 раза меньше пропускной способности аналогового канала тональной частоты:
, а с учетом помехоустойчивого кодирования кодом Хэмминга значение
.
Таким образом, для рассчитываемой СПДИ рассмотренный КТЧ может быть использован в качестве среды передачи группового канального сигнала как при введении помехоустойчивого кодирования, так и без него.
3.2 Расчет показателей объема сигнала Vc СПДИ и объема канала связи Vk
При оценке возможности использования канала электросвязи для передачи того или иного сигнала удобно наряду со сравнением информационной производительности и пропускной способности канала сравнивать объем канала Vк с объемом сигнала Vс, определяемые соответственно выражениями:
Vк=ΘкВ·∆FкВ·Dк (3.10)
Vс=ΘсВ·∆FcВ·Dс (3.11)
где Θк, Θс тАУ время занятия канала, время передачи сигнала соответственно;Dк, Dс тАУ динамический диапазон канала и сигнала соответственно; ∆Fк,∆Fc - полоса пропускания канала и ширина полезного сигнала соответственно.
Условием возможности использования данного типа канала электросвязи для передачи того или иного сигнала является неравенство вида:
Ва(3.12)
На практике используют частные случаи неравенства (12)
;
;
;
Проведем расчет составляющих параметров Vс и Vк:
1. В нашем случае, СПДИ будет предоставлять ресурс канала связи каждому из М источников информации на все время передачи цифровой информации источником Θс, иными словами на время передачи кодового слова (временного интервала) Тсл=0.1(с). В свою очередь, время занятия канала ТЧ Θк численно равно длительности кадра системы Тк=8(с), поэтому т.к. Тк>Тсл, следовательно, неравенство
будет выполняться.
2. В разрабатываемой системе, полоса частот канала ТЧ
предоставляется на время Тви =Тслкаждому конкретному источнику информации.
Ширина полезного сигнала ∆Fс численно равна ширине импульса группового радиосигнала СПДИ и будет иметь значение
. Причем, энергетический спектр такого сигнала будет иметь значение
, в следствие чего, основная энергия сигнала будет расположена в полосе частот канала ТЧ. Учитывая, что
, информационный сигнал удовлетворяет неравенству
.
3. Динамический диапазон СПДИ будет определятся нормированным динамическим диапазоном канала тональной частоты
, поэтому в нашем случае условимся, что динамический диапазон группового сигнала будет выбран при проектировании СПДИ меньше значения 42-45(дБ), иными словами
.
В связи с тем, что
, можно сделать однозначный вывод, что КТЧ, удовлетворяющий исходным данным, подходит для передачи сигналов разрабатываемой СПДИ.
3.3 Оценка возможности использования заданного аналогового канала электросвязи
Необходимо отметить, что для рассматриваемой СПДИ выполняются необходимые условия функционирования многоканальной системы электросвязи, а именно
Ваи
.
Целесообразно запас рассматриваемого канала связи по пропускной способности Ск>Iс=1.93 раза (без применения кодирования) и
Ва(с применением кодирования) использовать для введения дополнительных мер повышающих помехоустойчивость системы связи в целом, а также сигналов синхронизации.
4. Защита от ошибок. Помехоустойчивое (канальное) кодирование
4.1 Определение оптимальных параметров помехоустойчивого кодирования
Необходимо отметить, существует два основных метода защиты от ошибок передаваемых сигналов: 1 - обнаружение ошибок и повторная передача ошибочной последовательности, 2 тАУ обнаружение ошибок и их исправление в приемном устройстве. Примем, что в рассматриваемой СПДИ применяется первый метод защиты от ошибок, при котором для проверки наличия ошибок используется контрольный бит четности (дополнительный бит, присоединяемый к данным). При этом приемное устройство не предпринимает попыток исправить обнаруженную ошибку, оно просто посылает запрос на повторную передачу данных. Для осуществления такого исправления ошибок рассматриваемая СПДИ имеет канал переспроса и в целом является полудуплексной системой, т.е. передача полезной информации от М источников производится только в одном направлении, в обратном же направлении передаются автоматические запросы на повторную передачу ошибочных сообщений. Причем передающее устройство перед началом очередной передачи ожидает подтверждения об успешном приеме.
Помехоустойчивое (или канальное) кодирование представляет собой класс преобразований канального видеосигнала для повышения качества связи, в результате которых информационный сигнал становится менее уязвимым к помехам. Существует условно два способа канального кодирования: кодирование самого сигнала, (когда в передающей части СПДИ производятся ряд процессов над формой передаваемого сигнала), и метод структурированных последовательностей (когда в цифровой сигнал вводится по определенному закону информационная избыточность, которая и служит для определения ошибок на приемной стороне).
Рассмотрим только второй способ канального кодирования, который нашел применение в исследуемой СПДИ. Заметим, что помехоустойчивое кодирование делится на три подкатегории помехоустойчивых кодов: блочные, сверточные и турбокоды.
В нашем случае для сравнения характеристик помехоустойчивого кодирования рассмотрим варианты блочного линейного корректирующего кодирования кодами Хэмминга.
При использовании блочных кодов исходные данные делятся на блоки (слова) Кс из к бит, которые называют битами сообщения. В нашем случае длина слова Кс=10 бит. В процессе помехоустойчивого кодирования каждый Кс блок данных преобразуется в больший блок из бит, который называется кодовым словом, или канальным символом Кк. К каждому слову кодирующее устройство прибавляет r = (-k) проверочных бит, которые также называются избыточными битами, или битами четности, и новой информации не несут.
Необходимо, исходя из разницы между пропускной способностью аналогового канала связи Ск и информационной производительностью СПДИ Ic, определить все необходимые числовые значения параметров заданного помехоустойчивого кода и выбрать наиболее оптимальные из них. Для этого воспользуемся методикой расчета параметров кода Хэмминга, приведенной в источнике [7].
Коды Хэмминга тАУ это простой класс блочных кодов, которые имеют следующую структуру:
Ва(4.1)
где
Ва- основание блочного кода.
Рассмотрим случаи, когда основание кода m=2,3,4тАж, и определим оптимальные параметры кода.
Из формулы (4.1) вычислим: значения и к. Где тАУ число бит кодового слова; к - число информационных бит.
Тогда число проверочных бит кода:
Ва(4.2)
Избыточность кода составит:
Ва(4.3)
Степень кодирования информации, показывающая долю кода, приходящуюся на полезную информацию:
Ва(4.4)
т.е. каждый кодовый бит несет k/ бит информации.
Минимальное расстояние кодов Хэмминга dminравно 3, поэтому, способность кода к исправлению ошибок t и возможность определения наличия ошибкиe будут определяться соответствующими выражениями:
Ва(4.5)
Ва(4.6)
Так как
, то эти коды способны исправлять все однобитовые ошибки, или определять все модели ошибки из двух или меньшего числа ошибок в блоке (слове), т.к.
.
Вероятность появления битовой ошибки при кодировании кодами Хэмминга Рbкх в нашем случае можно записать в следующем виде:
(4.7)
где j - кратность ошибки, а именно количество неверно принятых символов в блоке (слове); ркстАУ вероятность ошибочного приема канального символа (кодового слова) Кк. В частности, для кодов Хэмминга вместо уравнения (4.7) можно использовать другое эквивалентное уравнение:
Ва(4.8)
Для описания гауссовского канала с использованием когерентной бинарной фазовой манипуляции, вероятность ошибочного приема канального символа (кодового слова) можно выразить через соотношение:
Ва(4.9)
Здесь Q() тАУ Гауссов интеграл ошибок, значения которого приведены в [3,стр.1060];
Ва- отношение энергии кодового символа к спектральной плотности мощности помехи. Чтобы связать
Вас
Ва- отношение энергии одного бита сигнала к спектральной плотности мощности помехи на входе приемника, используем следующее выражение:
Ва(4.10)
Для кодов Хэмминга уравнение (4.10) примет вид:
Ва(4.11)
Среднее время безошибочной работы в одном телеметрическом канале (канале источника сообщения) Θбрi(без учета помехоустойчивого кодирования) определяется выражением:
Ва(4.12)
где
Ва- битовая вероятность появления ошибки на выходе декодера (без учета помехоустойчивого кодирования), выражение для нахождения численного значения которой будет рассмотрено ниже,
Ва- производительность источника информации.
Среднее время безошибочной работы в групповом канале передачи данных Θбр(без учета помехоустойчивого кодирования) определяется выражением:
Ва(4.13)
где
Ва- производительность СПДИ информации.
Таким образом, согласно вышеизложенной методики, рассчитаем параметры помехоустойчивого кодирования при различных значениях основания кода m.
Для m=2:
![]()
;
;
;
Согласно формулы (4.11) получим:

при значении
Ва(рассчитанном в п.8.1).
Тогда
Ваиз [3,стр.1060]
![]()
![]()
![]()
Для m=3:
![]()
;
;
;
, где 

![]()
![]()
![]()
Для m=4:
![]()
;
; ![]()


![]()
![]()
![]()
Как показали расчеты вероятность появления битовой ошибки при кодировании кодами Хэмминга Рbкх тем меньше, чем больше основание кода m, т.е.чембольшее количество проверочных символов вводится в информационный сигнал.
Рассчитаем, оптимальные параметры кода Хэмминга (с точки зрения обеспечения СПДИ наименьшей вероятностью Рbкх). С этой целью рассчитаем количество контрольных бит r, которое можно ввести в систему, исходя из того, что при расчетах пропускной способности канала связи (КТЧ) и информационной производительности СПДИ было получено соотношение
Ваили иначе
Ва(4.14)
Как было рассчитано ранее в (3.9):
![]()
Подставим в предыдущее выражение вместо Ск значение ∆Ск
![]()
Выразим и рассчитаем
-
эквивалентную ширину полосы пропускания.
Используя последнюю формулу, выразим r! тАУ количество бит четности, которые можно ввести в кодовое слово в передаваемом сигнале (исходя из условия, что пропускная способность канала ТЧ тАУ главный сдерживающий фактор увеличения возможного числа проверочных бит и как следствие этому - повышения помехоустойчивости системы):
.
где Tб тАУ длина одного тактового импульса.
Таким образом, в заданных условиях функционирования СПДИ, оптимальным количеством проверочных битов на каждый блок исходного сообщения кода Хэмминга, при котором вероятность появления битовой ошибки Pbкх будет минимальной
, а среднее время безошибочной работы М-го канала телеметрии будет максимальным
станет равным r!=r=5. В связи с этим, так как по условию к=10 (бит), то =k+r=15 (бит). Код Хэмминга в этом случае будет иметь вид, показанный для m=4, а именно
, причем 1 бит из k бит кодового слова имеет смысл маркера кадра системы синхронизации, которая будет рассмотрена ниже.
Помехоустойчивое кодирование кодами Хэмминга, как показали расчеты, приводит к необходимости решения компромисса в СПДИ: кодирование с коррекцией ошибок требует избыточности, следовательно, увеличения скорости передачи информации и конечно увеличения полосы пропускания системы. Иными словами, в нашем случае, при кодировании кодом Хэмминга с параметрами (15,11) помехоустойчивость СПДИ увеличилась в 1.25 раза, т.е.
, производительность СПДИ Ic увеличилась примерно в 1.93 раза и стала сопоставима с пропускной способностью канала ТЧ, т.е.
.
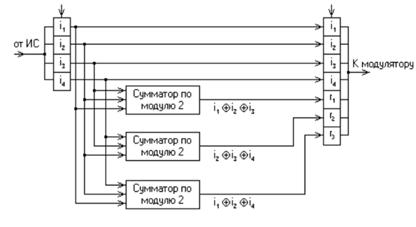
Схема кодера, удовлетворяющего условию (15,11) приведена на рис.4.1

Рис.4.1 Схема кодера, удовлетворяющего условию (15,11).
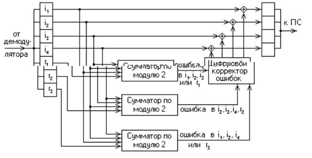
Схема декодера, удовлетворяющего условию (15,11) приведена на рис.4.2

Рис.4.2 Схема декодера, удовлетворяющего условию (15,11).
4.2 Определение эффективной скорости приема сигналов данных и оптимальной длины передаваемых слов
Для обеспечения заданной достоверности при передаче данных наряду с помехоустойчивым кодированием применяют обратные связи, использование которых также приводит к появлению избыточности и, следовательно, к уменьшению скорости передачи данных.
Эффективная скорость Iэфiисточника информации (или всей СПДИ IэфСПДИ)показывает,как изменится скорость передачи исходного сообщения источника (группового сигнала системы) в канале связи, и зависит от состояния канала связи, оптимальной длины передаваемых слов, числа служебных разрядов, а также типа обратной связи. Как уже было сказано, в канале переспроса рассматриваемой СПДИ действует решающая обратная связь в виде однобитовых посылок импульсов. Поэтому выражение для Iэфiбудет иметь вид:
Ва(4.15)
Для кода Хэмминга вида (15,11) составляющие выражения (4.15) будут иметь значения: nсл =15-1=14 (бит) тАУ разница между общим числом бит слова прямого канала и канала переспроса (кп=1); к=10 (бит) иr=5 (бит); Ii тАУ информационная производительность источника информации, РbпктАУ битовая вероятность ошибки в канале при применении кода (15,11), вероятность ошибки в принятом слове Рсл.
Ва(4.16)
При этом необходимо учитывать время распространения сигналов по каналу tp. Примем
Ва- для стандартного КТЧ все параметры нормируются к длине канала l=1000 (км); с тАУ скорость распространения радиоволны.
Таким образом, рассчитаем
:

Эффективная скорость приема сообщений всей СПДИ будет рассчитываться как сумма эффективных скоростей приема сообщений источников:
Ва(4.17)
Следовательно:
![]()
Расчеты показали, что в процессе функционирования СПДИ в рассматриваемых условиях, эффективная скорость приема сообщения М-источника информации в приемнике, строго говоря, не равна информационной производительности самого источника информации, т.е.
,
такое же заключение можно сделать и для всей СПДИ, т.е.
![]()
Полученные значения
Ваи
(при заданных условиях) показывают, что только на скорости передачи, не превышающей 25.5 (бит/с) сообщениеот источника информации к получателю будет передано с предельной достоверностью. И только на скорости, не превышающей 2.04 (кбит/с) информация в СПДИ будет передаваться с предельной достоверностью.
Оптимальной длиной передаваемого слова Кс, как было отмечено, будет слово источника сообщения СПДИ, закодированное помехоустойчивым кодом Хэмминга с параметрами (15,11), при этом длина слова составит Кс=15 (бит).
5. Определение вида синхронизации, используемой в разрабатываемой СПДИ
Для цифровых систем передачи информации, к которым относится разрабатываемая СПДИ, обязательным процессом при передаче сигналов является наличие синхронизации. В нашем случае для организации когерентного приема фазоманипулированных сигналов, а также временного уплотнения/разуплотнения сигналов, поступающих от источников информации, необходимо наличие четырех составляющих процесса синхронизации цифровых сигналов, а именно:
1. тактовой (или фазовой)тАУ для синхронизации фазы поступающей в приемник несущей и ее копии. Этот процесс называется фазовой автоподстройкой частоты (ФАПЧ), и характерен для когерентных СПДИ с бинарной фазовой манипуляцией. В результате ФАПЧ демодулятор приемника синхронизируется по частоте и фазе с несущей принятого сигнала.
2. Ваканальной (или символьной) тАУ для синхронизации моментов работы демодулятора приемника в соответствии с временными характеристиками несущей принятого сигнала, дискретно излучаемой передатчиком (т.е. синхронизация по битам (символам)).
3. Вакадровой тАУ для синхронизации значимых моментов времени при временном способе уплотнения/ разделения каналов. Причем, на передаче - для уплотнения сигналов источников информации (канальных интервалов) в групповой цифровой сигнал (кадр), а на приеме тАУ для разделения группового сигнала (кадра) на сигналы источников информации (временные канальные интервалы).
4. Вацикловой тАУ для синхронизации значимых моментов времени при временном способе уплотнения/разделения кадров СПДИ. Причем, на передаче тАУ для уплотнения кадров СПДИ в циклы системы, а на приеме тАУ для разделения циклов СПДИ на кадры системы.
Рассмотрим подробнее эти составляющие процесса синхронизации, используемые в СПДИ. Для приемника когерентной бинарной фазовой манипуляции схема фазовой синхронизации будет иметь следующий вид, представленный на рис. 5.1

Рис.5.1 Схема фазовой (тактовой) синхронизации.
Контур ФАПЧ состоит из трех основных компонентов: детектора фазы (1), контурного фильтра (2) и генератора, управляемого напряжением (3).
Для любой СПДИ существуют ошибки синхронизации фазы и частоты принимаемого сигнала. Если контур не способен отследить все фазовые ошибки, то битовая вероятность ошибки будет больше теоретически достижимой, в нашем случае: 
, где β тАУ ошибка рассогласования принятого несущей и опорного сигнала по фазе. В большинстве случаев, принимают β=0.5, тогда
, при
Ва(5.1)
Для оптимальной демодуляции приемник системы должен синхронизироваться со значащими моментами поступающих цифровых символов. В случае если, исходные данные группового информационного радиосигнала приемнику не известны (как в нашем случае), то в качестве системы канальной (символьной) синхронизации используются синхронизаторы без использования данных. Характерно, что, как и в случае фазовой синхронизации, появляется дополнительная ошибка приема значащих моментов сигнала. [3]
Выражение для битовой вероятности ошибки в этом случае будет иметь следующий вид:
Вапри
Ва(5.2)
Чтобы входной цифровой сигнал имел смысл для приемника, приемник должен синхронизироваться с кадровой структурой принимаемого сигнала. Самым простым методом, используемым для обеспечения кадровой синхронизации в системах непрерывного трафика данных (к которым относится разрабатываемая СПДИ), является введение маркера кадровой синхронизации. В нашем случае, в качестве маркера кадра будем использовать отдельный бит, периодически вводимый передатчиком в групповой поток данных (а именно в начало каждого кодового слова). Приемник должен знать период введения бита кадровой синхронизации Тбк, потому как именно в этот промежуток времени система кадровой синхронизации будет сопоставлять (коррелировать) приемный сигнал с эталонной последовательностью.
Для разрабатываемой системы период повторения маркера кадра Тбкбудет равен длительности кодового слова Тсл (или временного интервала Тви)
![]()
Для различения кадров (временных интервалов) СПДИ принимаемых в групповом сигнале приемником, передатчик излучает с периодичностью Тбц в канал связи маркер цикловой синхронизации (как простейший из вариантов реализации системы цикловой синхронизации). В нашем случае будем использовать отдельный бит, периодически вводимый передатчиком в групповой сигнал (в конце цикла, состоящего из 80 кадров).
Для разрабатываемой системы период повторения маркера цикла Тбцбудет равен длительности цикла Вместе с этим смотрят:
IP-телефония. Особенности цифровой офисной связи