Проектирование управляющей ИМС для импульсных источников питания по типу TDA16846
Целью дипломного проекта является проектирование управляющей ИМС для импульсных источников питания по типу TDA16846.
Существует класс блоков электропитания, в которых напряжение сети сначала преобразуется трансформатором, а затем поступает во вторичные цепи. В таких блоках питания трансформатор имеет значительные размеры, поэтому цепи питания составляют ощутимую долю массы радиоустройства в целом. Так, например, в мощных устройствах блоки питания могут составлять 25 тАФ 30%. всей массы.
Решение проблемы снижения материалоемкости и энергопотребления бытовой радиоэлектронной аппаратуры связано с использованием импульсных источников вторичного электропитания. Их преимущества по сравнению с традиционными источниками электропитания обеспечиваются заменой силового трансформатора, работающего на частоте промышленной сети 50 Гц, малогабаритным импульсным трансформатором, работающим на частотах 20 тАФ 100 кГц, а также использованием импульсных методов стабилизации вторичных напряжений взамен компенсационных. Это приводит к снижению материалоемкости в 3 - 4 раза и повышению КПД до 85 тАФ 90%.
На сегодняшний день разработка импульсных источников питания в основном связана с разработкой микросхем контроллеров, которые управляют работой источника. Существует не мало микросхем подобного рода, но все они зарубежного производства, в том числе взятая за основу проектирования TDA16846, поэтому имеют высокую стоимость (для TDA16846 порядка 2-х долларов).
Изготовление подобной микросхемы на предприятии ОАО тАЬОрбитатАЭ позволит получить конкурентоспособный аналог, имеющий меньшую цену, и позволит обеспечить предприятия отечественной радиоэлектронной промышленности данным прибором на взаимовыгодных условиях.
Исходя из вышеизложенного следует, что разработка и усовершенствование импульсных источников питания является на сегодняшний день актуальной проблемой.
1 Общие принципы построения импульсных источников питания
Для получения постоянных напряжений с помощью импульсных источников питания (ИИП) в них осуществляется тройное преобразование напряжения. Переменное напряжение сети выпрямляется и сглаживается. Полученное постоянное напряжение преобразуется в импульсное прямоугольное напряжение частотой несколько десятков килогерц, которое трансформируется с соответствующим коэффициентом на вторичную сторону, выпрямляется и сглаживается.
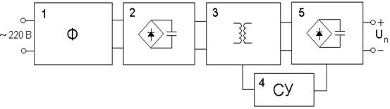
Функциональная схема импульсного источника питания приведена на рисунке 1.1 [1]. Его основными функциональными частями являются: входной помехоподавляющий фильтр (1), сетевой выпрямитель со сглаживающим емкостным фильтром (2), ключевой преобразователь напряжения с импульсным трансформатором (3), схема управления (4), цепи вторичных напряжений (5).

1 тАУ помехоподавляющий фильтр;
2 тАУ выпрямитель со сглаживающим фильтром;
3 тАУ ключевой преобразователь напряжения с импульсным трансформатором;
4 тАУ схема управления;
5 - цепи вторичных напряжений.
Рисунок 1.1 - Структурная схема импульсного источника питания
Напряжение первичной электросети поступает через помехоподавляющий фильтр (1) на выпрямитель (2), откуда после выпрямления и сглаживания пульсаций C-фильтром поступает на ключевой каскад (3) и схемы управления (4). Ключевой каскад преобразует постоянное напряжение в импульсное высокой частоты, которое через импульсный трансформатор поступает на выпрямители выходных цепей (5). Благодаря высокой рабочей частоте габариты и масса у импульсного трансформатора гораздо меньше, чем у трансформатора такой же мощности, работающего при частоте 50 Гц.
Выпрямительная секция ИИП, как правило, выполняется по мостовой схеме. На входе выпрямителя устанавливается LC-фильтр, назначение которого тАФ ослабить уровень помех, поступающих от источника питания в сеть.
На выходе выпрямителя ставится C-фильтр служащий для сглаживания пульсаций.
Необходимо отметить, что через конденсатор фильтра протекает также импульсная составляющая тока транзисторов преобразователя, работающего на частоте 20 тАФ 100 кГц. Как правило, конструкция высоковольтных электролитических конденсаторов не обеспечивает достаточно малого полного сопротивления на этих частотах, поэтому конденсаторы могут перегреваться из-за протекания высокочастотных импульсных токов. Для устранения перегрева электролитический конденсатор фильтра обычно шунтируется конденсатором пленочного или керамического типа.
В зависимости от назначения и заданных параметров, ИИП может содержать различные дополнительные блоки и цепи: стабилизаторы напряжений, устройства защиты от перегрузок и аварийных режимов, цепи первоначального запуска, подавления помех и др. Однако определяющим узлом любого ИИП является ключевой преобразователь напряжения и в первую очередь его силовая часть. Выходные каскады преобразователей напряжения можно разделить на два больших класса: однотактные и двухтактные.
Силовая часть однотактного преобразователя может быть выполнена двумя способами, по которым следует различать прямоходовые и обратноходовые преобразователи.
В прямоходовых преобразователях ток подзарядки накопительных емкостей во вторичной цепи протекает во время открытого состояния ключевого транзистора, а в обратноходовых - во время закрытого состояния этого транзистора.
Рассмотрим подробнее работу импульсного источника питания.
Более подробная функциональная схема ИИП приведена на рисунке 1.2 [2].

Рисунок 1.2 - Более подробная функциональная схема ИИП.
Итак, напряжение сети поступает на сетевой выпрямитель (рисунок 1.2) со сглаживающим емкостным фильтром С1-СФ. С конденсатора фильтра выпрямленное напряжение через обмотку W1 трансформатора Т1 поступает на коллектор транзистора VT1, выполняющего функцию ключевого преобразователя постоянного напряжения в импульсное с частотой повторения 20-100 кГц.
Ключевой преобразователь представляет собой импульсный генератор, работающий в режиме самовозбуждения. На рисунке 1.3 приведены временные диаграммы преобразователя [2].

Рисунок 1.3 - Временные диаграммы работы преобразователя
ВаВ течение времени ΔТ, когда транзистор открыт, через первичную обмотку W1 трансформатора протекает линейно нарастающий ток IИ. В сердечнике трансформатора запасается энергия магнитного поля.
Когда транзистор закрывается, на верхнем по схеме выводе вторичной обмотки трансформатора W2 появляется положительный потенциал и накопленная энергия передается в нагрузку через диод VD2.
Изменяя ΔТ, т. е. время, в течение которого открыт транзистор преобразователя, можно регулировать выходное напряжение. Размахи импульсов тока через транзистор и диод зависят от индуктивности первичной обмотки трансформатора. При оптимальном ее значении максимальный ток через первичную обмотку вдвое превышает средний ток через нее. При этом ток через диод прекращается в момент открывания транзистора.
Изменять ΔТ можно разными способами. Наиболее подходящий способ регулирования величины выходного напряжения тАУ широтно-импульсная модуляция (ШИМ) [2]. Принцип ШИМ (см. рисунок 1.3) состоит в регулировании времени, в течение которого ключевой транзистор открыт, при этом происходит регулировка количества накопленной трансформатором энергии. Основные достоинства ШИМ тАУ постоянство периода повторений Т и простота реализации.
Рассмотрим случай, когда в установившемся режиме ток нагрузки увеличился. Это означает, что энергия, запасенная трансформатором будет расходоваться быстрее, чем обычно, т.е. время закрытого состояния ключа уменьшится. А для увеличения накопленной энергии нужно увеличить время открытого состояния ключа, чтобы в трансформаторе накопилось больше энергии. В результате общее время Т = const. Аналогично при уменьшении тока нагрузки.
Из за видимых преимуществ ШИМ применяют практически во всех конструкциях ИИП. По этой причине другие способы регулировки рассматривать не будем.
Схема запуска. Необходимость схемы запуска вызвана тем, что при включении ИИП самовозбуждение автогенератора невозможно, так как разряженные конденсаторы фильтров импульсных выпрямителей представляют собой короткое замыкание для импульсов, снимаемых с вторичных обмоток трансформатора. Пусковые токи могут достигать 50..100А, что создает аварийный режим работы для автогенератора.
Устройство запуска обеспечивает принудительное включение и выключение автогенератора в течение нескольких циклов, за время действия которых происходит заряд конденсаторов фильтров импульсных выпрямителей. Одновременно это исключает возможность возникновения аварийной ситуации, так как автогенератор плавно выходит на номинальный режим работы.
В импортных схемах наибольшее распространение нашли схемы подачи начального открывающего смещения на ключ [2]. В момент подачи питания через резисторы от Вл+В» сетевого выпрямителя на базу ключа подается начальное смещение, достаточное для создания начального тока через ключ. За счет обмотки обратной связи происходит нарастание тока через ключ до насыщения, при этом диоды вторичных выпрямителей заперты и не мешают процессу. Как только ключ входит в режим насыщения, нарастание тока прекращается, напряжение на базе ключа становится равным начальному, коллекторный ток ключа резко уменьшается, что приводит к изменению полярности на обмотках трансформатора, в том числе появляется минус на выводе обмотки обратной связи, подключенной к базе ключа, ключ закрывается, диоды импульсных выпрямителей открываются и энергия, накопленная трансформатором, через диоды переходит в разряженные конденсаторы фильтров импульсных выпрямителей. Так как конденсаторы представляют собой в этот момент короткое замыкание, то энергия трансформатора убывает очень быстро. После нескольких циклов заряда конденсаторов автогенератор переходит в нормальный режим и больше схема запуска не используется. Во многих импортных ИИП цепь запуска не отключается, что иногда приводит к выходу из строя ключа при неисправности одного из вторичных выпрямителей, если не применяется схема защиты от короткого замыкания.
Иногда в качестве схемы запуска ИИП применяется генератор на транзисторе [2]. В течение некоторого времени, задаваемого схемой и достаточного для надежного запуска автогенератора, генератор вырабатывает импульсы, которые подаются на базу ключа как начальное смещение и вызывают запуск цикла работы автогенератора. Если неисправность отсутствует, то конденсаторы фильтров заряжаются и автогенератор входит в нормальный режим работы. Иначе схема запуска отключится и ИИП не запустится.
Схема управления. На схемы управления возлагается функция отслеживания уровня выходного напряжения, выработка сигнала ошибки и, часто, непосредственного управления ключом. Обычно схема управления представляет собой схему сравнения реального выходного напряжения и образцового, выработанный сигнал ошибки подается на исполнительную схему, управляющую непосредственно ключевым транзистором (см. рисунок 1.4) [2].

Рисунок 1.4 - Функциональная схема устройства управления.
Схема управления питается от одной из обмоток трансформатора Т1, поэтому напряжение питания на ней всегда соответствует напряжению на других обмотках, т.е. реальному (см. рисунок 1.5) [2].

Рисунок 1.5 тАУ Устройство управления.
Пока автогенератор не вошел в нормальный режим, напряжение питания мало и транзистор VT1 закрыт. По мере увеличения напряжения питания на стабилитроне VD1 появляется образцовое напряжение, и затем транзистор начинает открываться. В рабочем режиме на выходе присутствует положительное напряжение, которое подается на исполнительную схему. Таким образом, при изменении реального напряжения, напряжение, подаваемое на исполнительное устройство, также будет изменяться, изменяя условия работы исполнительного устройства. Исполнительное устройство представляет собой либо ключевую схему, срабатывающую при достижении импульсом тока коллектора силового ключа определенной величины, либо схему, шунтирующую переход база-эмиттер того же силового ключа при достижении определенного уровня напряжения на базе.
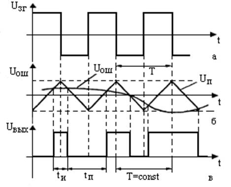
На рисунке 1.6 приведены эпюры, поясняющие работу устройства управления при ШИМ тАУ модуляции [2].

Рисунок 1.6 - Диаграммы поясняющие работу устройства управления при ШИМ - модуляции
По диаграммам видно, как изменение реального напряжения и вместе с ним сигнала ошибки влияет на ширину импульса, вырабатываемого ключевым транзистором. Меандр Uзг тАУ работа автогенератора без управления. При работе с управлением напряжение ошибки Uош воздействует на исполнительное устройство совместно с напряжением обратной связи Uп, меняя порог его срабатывания. В результате при изменении тока нагрузки изменяется ширина импульсов, вырабатываемых ключевым транзистором.
Схема защиты. Сложность того или иного ИИП зависит, в основном, от примененных схем защиты. Вообще защитные устройства можно разделить на следующие типы по функциям: защитные устройства всего ИИП, сетевого выпрямителя, от большого напряжения сети, от малого напряжения сети, от перегрузки, от холостого хода и так далее. По сложности исполнения их можно разделить на простые (предохранители, защитные резисторы), среднего уровня сложности и большой сложности. В ИИП может быть применено сразу несколько типов защит, различной степени сложности.
Иногда устройства защиты представляют собой схемы, состоящие из нескольких элементов и интегрированы со схемой ИИП. Такие устройства могут быть с внутренним управлением, отслеживающие состояние ИИП и управляющие им и с внешним управлением, следящими за состоянием цепей вторичных источников питания и даже исправность всего устройства в целом.
Корректор коэффициента мощности (на рисунке 1.2 не показан). Импульсные источники питания создают гармонические и нелинейные искажения тока в сети, которые отрицательно влияют на проводку электросети и электроприборы, подключаемые к ней [3]. Это влияние выражается не только в различного рода помехах, сказывающихся на работе чувствительных устройств, но и в перегреве нейтрального провода. При протекании в нагрузках токов со значительными гармоническими составляющими, не совпадающими по фазе с напряжением, ток в нейтральном проводе может увеличиться до критического значения.
ВаМеждународная электротехническая комиссия (МЭК) и Европейская организация по стандартизации в электротехнике (CENELEC) приняли стандарты IEC555 и EN60555, устанавливающие ограничения на содержание гармоник во входном токе вторичных источников электропитания и других устройствах [3].
ВаОдин из эффективных способов решения этой задачи - применение корректоров коэффициента мощности (Power Factor Correction) [3]. На практике это означает, что во входную цепь любого импульсного преобразователя необходимо включать специальную PFC-схему, обеспечивающую снижение или полное подавление гармоник тока. Основной стандарт для разработки источников питания с коррекцией коэффициента мощности EN61000-3-2 устанавливает пределы интенсивности гармонических составляющих потребляемого тока со второй по сороковую гармоники. Это ограничение распространяется на все устройства свыше 75 Вт, питающиеся от общей электросети, и использующееся в бытовой аппаратуре.
Импульсный источник напряжения потребляет мощность только в те моменты, когда напряжение, подаваемое с выпрямителя на сглаживающий конденсатор, выше напряжения на нем (конденсаторе), что происходит в течение примерно четверти периода. В остальное время источник не потребляет мощности из сети, так как нагрузка питается от конденсатора. Это приводит к тому, что мощность отбирается нагрузкой только на пике напряжения, потребляемый ток имеет форму короткого импульса и содержит набор гармонических составляющих (рисунок 1.7.а).


Ваа)ВаВаВаВаВаВаВаВаВаВаВаВаВаВаВаВаВаВаВаВаВаВаВаВаВаВаВаВаВаВаВаВаВаВаВаВаВаВаВаВаВаВаВаВаВаВаВаВаВаВаВаВаВаВаВаВа б)
Рисунок 1.7 Ток и мощность, потребляемые источником питания без коррекции (а) и с коррекцией (б).
Импульсный источник питания, имеющий коррекцию коэффициента мощности, потребляет ток с малыми гармоническими искажениями, равномернее отбирает мощность от сети, имеет коэффициент амплитуды (отношение амплитудного значения тока к его среднеквадратичному значению) ниже, чем у некорректированного источника. Коррекция коэффициента мощности снижает среднеквадратическое значение потребляемого тока, что позволяет подключать к одному выводу электросети больше разных устройств, не создавая в ней перегрузок по току (см. рисунок 1.7.б) [3].
Недостатки. К недостаткам импульсных источников питания можно отнести: отсутствие гальванической развязки схемы ИИП от электросети, высокую сложность и низкую надежность, необходимость применения дорогостоящих высоковольтных высокочастотных компонентов, которые в случае малейшей неисправности легко выходят из строя.
1.1 Функции и особенности микросхемы TDA16846
1.1.1 Описание ИМС
Микросхема разработана для управления режимами работы импульсных источников питания работающих по обратноходовому принципу на фиксированной или зависящей от режима работы частоте с коррекцией или без коррекции коэффициента мощности в диапазоне мощностей от 1 Вт до более чем 300 Вт [4].
Для того чтобы обеспечить низкую потребляемую мощность источника питания при малых сопротивлениях нагрузки, эта микросхема уменьшает частоту переключений в соответствии с уменьшением сопротивления нагрузки в сторону настройки минимума (т.е. 20 кГц в дежурном режиме). Частотно - зависимая характеристика от нагрузки выгодна для новых режимов работы в телевизорах между рабочим режимом и режимом ожидания и для режимов экономии энергии в мониторах стандарта VESA-PC (стандарт локальной видеошины для персональных компьютеров). Микросхема обеспечивает отличную работу для всего диапазона нагрузок от предельной нагрузки до ее отсутствия. Дополнительно при этом ток запуска очень низкий. Для того чтобы избежать коммутационных перенапряжений в источнике питания, мощный транзистор всегда переключается при минимальном напряжении. С целью предотвращения пульсаций в схеме дополнительно введена специальная цепь.
Эта микросхема имеет несколько функций защиты:
а) от изменения (увеличения или уменьшения) напряжения источников вторичной цепи;
б) от колебаний сети переменного тока;
в) ограничение тока;
г) два независимо действующих компаратора ошибок.
ВаРегулировки могут выполнятся используя внутренний усилитель ошибки или цепь обратной связи с оптроном (дополнительный вход). Выходной каскад разработан для управления мощным полевым транзистором, но также может быть использован биполярный транзистор. Также возможна работа в режиме фиксирование частоты и режиме синхронизации.
Микросхема разработана для использования в схемах телевизоров, видеомагнитофонов и стационарных радиоприемников. Также она может быть с успехом применена в мониторах персональных компьютеров.
1.1.2 Особенности и достоинства микросхемы
Микросхема проектируемая по типу TDA16846 имеет следующие особенности и преимущества по сравнению с имеющимися на сегодняшний день схемами подобного типа:
а) линейное изменение тока потребления при работе в схеме с коррекцией коэффициента мощности;
б) низкая потребляемая мощность;
в) возможность установки и настройки частоты дежурного режима;
г) очень низкий ток запуска;
д) мягкий старт для плавного запуска;
е) независимо - действующие компараторы ошибки;
ж) возможность синхронизации и фиксации частоты;
и) блокировка повышенного и пониженного напряжения;
к) защита от сетевого перенапряжения;
л) управление режимом обратной связи в зависимости от напряжения питания;
м) непрерывное уменьшение частоты с уменьшением сопротивления нагрузки;
н) подстройка и подавление пульсации напряжения питания в момент запуска.
1.1.3 Назначение выводов микросхемы
Обозначение выводов микросхемы и расшифровка их назначения приведены на рисунке 1.8 [4].

Рисунок 1.8 тАУ Обозначение выводов микросхемы
OTC тАУ вывод подключения цепи управления выключением ИМС (перехода в дежурный режим);
PCS тАУ инициализация тока первичной обмотки трансформатора;
RZI тАУ вход детектора перехода через тАЬнольтАЭ;
SRC тАУ вход управления мягким запуском;
OCT тАУ вывод подключения оптрона;
FC2 тАУ вход второго компаратора ошибки;
SYN тАУ вход внешней синхронизации;
NC тАУ не используется;
REF тАУ вывод опорного внутреннего напряжения;
FC1 тАУ вход первого компаратора ошибки;
PVC тАУ вход контроля напряжения первичной обмотки;
GND тАУ общий ВлземляВ»;
OUT тАУ выходной сигнал;
VCC тАУ вход напряжения питания.
1.1.4 Краткое описание функций выводов микросхемы
Описание функций выводов приведено в таблице 1.1 [4].
Таблица 1.1 тАУ Функции выводов.
| Номер вывода | Назначение |
| 1 | Параллельная RC- цепочка между этим выводом и ВлземлейВ» определяет время закрытого состояния транзистора в рабочем режиме и частоту переключения в дежурном режиме. |
| 2 | Вывод 2 используется для формирования тока мощного транзистора, а конденсатор между этим выводом и ВлземлейВ» и резистор между этим выводом и положительной шиной, определяют максимально допустимый ток. |
| 3 | Вывод 3 тАУ детектор нуля, запрещает включение силового транзистора до окончания полной передачи энергии трансформатором в нагрузку. Это также вход сигнала усилителя ошибки. Выходное напряжение делителя между управляющей обмоткой и ВлземлейВ» соединяется с этим входом. Если импульсы на выводе 3 превышают порог 5В то управляющее напряжение на 4-м выводе понижается. |
| 4 | Это вывод управляющего напряжения. Между этим выводом и ВлземлейВ» включается конденсатор. Емкость этого конденсатора определяет продолжительность плавного запуска и скорость управления. |
| 5 | Если для контроля используется оптопара, то она соединяется между этим выводом и землей. Делитель напряжения на выводе 3 должен тогда быть изменен таким образом, чтобы импульсы на выводе 3 были не более 5 В. |
| 6 | Вход второго компаратора ошибки. В случае появления на этом выводе напряжение больше 1,2В, то импульсный источник питания выключается |
| 7 | Если требуется режим фиксированной частоты, то между этим выводом и землей должна быть соединена параллельная RC цепочка. Значение сопротивления и емкости определяют частоту. Если требуется режим синхронизации, то синхроимпульсы могут быть поданы на этот вывод. |
| 8 | Не используется |
| 9 | Выход опорного напряжения (5В). Включение резистора между этим выводом и ВлземлейВ» включает второй компаратор ошибки(вывод 6). |
| 10 | Вход первого компаратора ошибки. В случае появления на этом выводе напряжение больше 1В, то импульсный источник питания выключается. |
| 11 | Вход контроля напряжения в первичной обмотке. Напряжение от шины питания должно подаваться к этому выводу через делитель напряжения. Если напряжение на этом выводе падает ниже 1 В, импульсный источник питания выключается. Вторая функция данного вывода тАУ коррекция максимального тока накачки силового транзистора по напряжению в сети. |
| 12 | Общий. |
| 13 | Выходной сигнал. Этот вывод соединяется через резистор с затвором мощного транзистора. |
| 14 | К этому выводу подключается напряжение питания и запускающий конденсатор. После запуска напряжение питания вырабатывается управляющей обмоткой трансформатора и выпрямляется внешним диодом |
Вместе с этим смотрят:
IP-телефония. Особенности цифровой офисной связи