Усилитель систем автоматики
Содержание
1. Расчет варианта усилителя на транзисторах
1.1 Анализ задания. Предварительный расчёт. Структурная схема
1.2 Расчет пятого (оконечного) каскада
1.3 Расчет четвертого (предоконечного) каскада
1.4 Расчет третьего каскада
1.5 Расчет второго каскада
1.6 Расчет первого каскада
1.7 Расчёт фильтров питания. Расчёт цепей регулировки усиления. Расчёт разделительной ёмкости во входной цепи
2. Расчет УВЧ на интегральных микросхемах
2.1 Анализ варианта усилителя на ИМС
2.2 Расчет элементов первого каскада
2.3 Расчет элементов второго каскада
2.4 Расчёт регулировки усиления
3. Конструкторская часть
4. Выбор оптимального варианта
5. Заключение
6. Список использованной литературы
1. Расчет варианта усилителя на транзисторах
1.1 Анализ задания. Предварительный расчёт. Структурная схема
Исходные данные:
Rист=7000 Ом; К0=325; Мн=0,77; Fн=60 Гц; Мв=0,73; Fв=130 кГц; Rн=13 Ом; Кг=1,3; Pвых=3,9 Вт; Uпит= В±12 В; tmax=49В°С
Во первых, из заданной по ТЗ величины Pвых и Rн выразим значения амплитуд тока и напряжения в нагрузке:

Напряжение Uвых не превышает питающего напряжения, следовательно получить такую мощность в нагрузке возможно.
Поскольку от одного усилительного каскада получить коэффициент усиления К0=325 невозможно, будем рассчитывать многокаскадный усилитель. Для определения числа каскадов и типа включения транзистора в них (ОК, ОЭ, ОИ) проанализируем величины сопротивлений нагрузки и источника сигнала:
Если Rист < 10кОм, то каскад по схеме ОК на входе не нужен. В нашем случае это условие удовлетворяется за счёт использования полевого транзистора на входе.
Если Rн< 300÷500 Ом, то нужен каскад по схеме ОК или двухтактный усилитель мощности. В нашем случае будем использовать именно двухтактный УМ.
Остальные каскады усилителя будут выполнены по схеме ОЭ и межкаскадный эмиттерный повторитель (по схеме ОК).
Рассчитывать количество каскадов будем отталкиваясь от значения К0=325, с учётом того, что коэффициент усиления по напряжению у двухтактного УМ Кдум≈0,7÷0,9.
Исходя из вышесказанного, рассчитаем коэффициент усиления требуемый от каскадов предварительного усиления (КПУ), по следующей формуле:
![]()
где Квц тАУ ослабление входной цепи (Квц=0,6÷0,8)
Квх тАУ коэффициент передачи входного каскада по схеме ОК, так как у нас его нет, исключаем эту величину из расчетов.
Квых тАУ коэффициент передачи выходного каскада (двухтактного УМ), Квых≈0,7÷0,9
Подставив эти величины в вышеуказанную формулу получим:
![]()
Для того, чтобы узнать какой коэффициент усиления должен быть у каждого каскада по схеме ОЭ, на этапе предварительного расчета положим их равными друг другу. Исходя из этого получим следующую формулу:
![]()
где Кi тАУ коэф-т усиления каждого каскада (Кi=8÷16)
N тАУ число каскадов.
При Ki=10 и числе каскадов N=3 получим, что Кпр= 1000, что удовлетворяет нашим условиям.
Итак, имея три каскада по схеме ОЭ и двухтактный УМ на выходе, мы можем распределить коэффициенты усиления более рационально.
Для первого каскада, так как он на ПТ, сделаем коэффициент усиления по напряжению (K1=3).
Для второго каскада, коэффициент усиления по напряжению возьмём максимальный из разумных и возможных:
![]()
Теперь распределим частотные искажения между каскадами усилителя, зная, что у каскада на ПТ (из-за схемотехники каскада), ЭП и двухтактного УМ они равны Мн=0,9 ÷ 0,99, а у всех остальных положив равными:

где Mi тАУ частотные искажения i-го каскада.
Так как Miв и Miн не превышают 0,98, следовательно корректирующий каскад (каскад с перекоррекцией) может и не понадобиться.
Структурная схема усилителя:

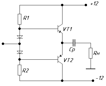
1.2 Расчет пятого (оконечного) каскада

Так как нагрузка каскада низкоомная (Rн=13 Ом), то мы решили использовать двухтактный усилитель мощности. Методика расчета приведена в литературе.
Для начала определимся с параметрами, которым должен удовлетворять транзистор:

где: Pkmax тАУ допустимая мощность рассеяния
Ikmax тАУ максимальный коллекторный ток.
Также:
![]()
Также транзисторы должны образовывать комплементарную пару с максимально близкими по значению параметрами и идентичными характеристиками. Исходя из этих условий была выбрана пара транзисторов КТ816А и КТ817А.
Здесь и далее в расчётах представлены лишь те справочные параметры транзистора, которые непосредственно используются в расчетах. Все остальные параметры, в том числе и предельные эксплуатационные, можно посмотреть в справочнике [4]
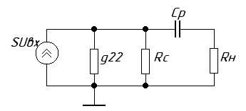
На выходных характеристиках транзистора построим нагрузочную прямую (см. рисунок) и определим по ней исходный ток коллектора:
. Также, по характеристикам найдём:

По входным и выходным характеристикам (проведя между ними аналогию) построим сквозную переходную характеристику (СПХ):

Где: ![]()
предыдущего каскада
Определим по СПХ: I1=880мА, I2=720мА
Исходя из этого, можно рассчитать коэффициент нелинейных искажений по 3-ей гармонике:
;
По входным и выходным характеристикам определяем:
![]()
Отсюда глубина обратной связи:
![]()
Следовательно, коэффициент нелинейных искажений с учётом ООС:
![]()
Логично предположить, что несмотря на то, что транзисторы максимально идентичны, некоторая асимметрия в верхнем и нижнем плече всё же присутствует. Предположим максимально худший вариант, что токи транзистора отличаются в полтора раза (1+x), тогда коэффициент асимметрии будет равен:
.
Найдём коэффициент нелинейных искажений по второй гармонике:

Тогда общий коэффициент нелинейных искажений равен:
![]()
Для определения эффективности работы двухтактного усилителя рассчитаем КПД, воспользовавшись следующей формулой:
![]()
Согласно схеме, в делитель на входе включены два диода, которые обеспечивают задание рабочей точки. Для выбора диода зададимся:

Используя справочник по полупроводниковым элементам найдём подходящие диоды:
ГД511В:

Найдём номиналы сопротивлений в цепи делителя, полагая их равными:
![]()
Из ряда номинальных значений возьмём
Ом
Тогда сопротивление делителя равно:
![]()
Зная сопротивление делителя и рассчитав входную проводимость сигнала g11 можно рассчитать входное сопротивление каскада с учётом ООС:

Рассчитаем коэффициент усиления каскада по напряжению:
![]()
Как мы и предполагали, коэффициент усиления по напряжению меньше 1, но достаточно близок к нему.
Найдём значения амплитуды напряжения и тока на входе каскада для обеспечения номинальной мощности в нагрузке:

Именно такие амплитуды мы должны получить от предыдущего каскада усилителя.
Также нам надо рассчитать Ср для обеспечения заданных частотных искажений Мн:

Возьмём Ср из допустимого ряда номиналов, Ср=1000 мкФ.
Поскольку граничная частота нашего усилителя меньше 1 МГц , то шунтировать его керамическим конденсатором на ВЧ необязательно.
Для определения входной ёмкости каскада предположим с большой долей вероятности, что двухтактный УМ это два эмиттерных повторителя работающих на разные полупериоды гармонического сигнала но на одну нагрузку. Следовательно, входная ёмкость каскада равна параллельному соединению двух входных емкостей аналогичных эмиттерных повторителей, ёмкость которых легко рассчитать:

где rб тАУ справочный параметр, сопротивление базы транзистора.
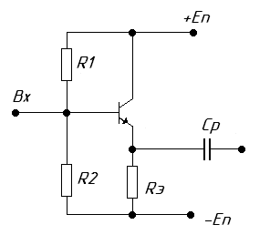
1.3 Расчёт четвёртого (предоконечного) каскада
Предоконечный каскад выполним по схеме ОЭ. За основу возьмём инженерную методику расчёта взятую из книги.
Определим параметры по которым будем выбирать транзистор:

Где Umвых = 10,5 В тАУ амплитуда напряжения сигнала на выходе каскада;
Imвых = 0,0121 А тАУ амплитуда тока сигнала на выходе каскада;
Этим условиям соответствует транзистор КТ603А.
По входным и выходным характеристикам, построив нагрузочную характеристику, найдём из рабочей точки и приращений в них, следующие параметры:

Так как мы работаем на оконечный каскад, то его входные параметры будут являться параметрами нагрузки для данного каскада:

Для расчета элементов задания рабочей точки и термостабилизации выполним следующий порядок действий:
1. Зададимся допустимым изменением тока коллектора:
![]()
2. Определение сопротивления в цепи эмиттера:
![]()
Из стандартного ряда сопротивлений выберем Rэ=82 Ом.
По выходным характеристикам в точке пересечения нагрузочной прямой с осью Iк , ток равен:
, следовательно можно найти Rк по формуле:
![]()
3. Зададимся изменением обратного тока коллектора:
![]()
4. Найдём коэффициент нестабильности:
![]()
5. Рассчитаем сопротивление делителя:

6. Зная сопротивление делителя рассчитаем сопротивления в цепи делителя:

Из стандартного ряда сопротивлений: R1=18 кОм и R2=22 кОм.
По совокупности входной и выходной характеристик можно построить сквозную переходную характеристику и по ней найти нелинейные искажения в каскаде. Для расчета воспользуемся графоаналитическим методом пяти ординат:



Где Kгf тАУ коэффициент нелинейных искажений с учётом действия ООС.
Рассчитаем КПД данного каскада. Этот каскад и каскад УМ работают с большими сигналами, и КПД является важной для них характеристикой:
![]()
Как нетрудно заметить, каскад в режиме усиления класса А имеет КПД практически в два раза.
Приступим к расчету каскада на трёх частотных диапазонах (НЧ, ВЧ, i), для каждого из них каскад будет иметь свою эквивалентную схему.
Расчёт на НЧ:

На низких частотах влияние оказывает разделительная ёмкость Ср и Сэ, их и рассчитаем исходя из допустимых частотных искажений на каскад. Разделим заданные искажения между двумя ёмкостями Ср и Сэ.
![]()
Зададимся частотными искажениями приходящимися на Ср: ![]()

Из номинального ряда ёмкостей выберем Ср=18 мкФ.
Тогда на ёмкость Сэ приходятся следующие частотные искажения:
![]()
И расчет будет выполняться по следующей формуле:

По ряду номиналов Сэ = 1500 мкФ, что является очень большим номиналом, для его уменьшения мы введём НЧ - коррекцию в одном из предыдущих каскадах и пересчитаем Сэ ещё раз позднее.
Для расчета входного сопротивления этого каскада выполним следующие действия:

Где Rдел был нами рассчитан ранее, а Rf рассчитаем чуть позднее.
Входная ёмкость каскада равна:

Амплитуды напряжения и тока на входе найдём по следующим формулам:

Расчёт на i:

На средних частотах ёмкости не оказывают какого-либо значительного влияния. На данных частотах произведём расчет коэффициента усиления и влияния ООС:


Для получения требуемого коэффициента усиления введем ООС с фактором равным:
![]()
Рассчитаем RF тАУ сопротивление эмиттера для обеспечения заданной ООС.
![]()
Так как Rэ для термостабилизации и для обеспечения заданной ООС различаются довольно значительно, воспользуемся следующим методом, зашунтируем ёмкостью Сэ следующую часть Rэ:
![]()
Именно её и будем шунтировать.
Расчёт на ВЧ:

На ВЧ начинает оказывать активное влияние ёмкость Сo, что приводит к спаду усиления до нуля.
Для обеспечения коэффициента частотных искажений
Вапроводимость в цепи коллектора должна быть не менее:
![]()

-эквивалентная ёмкость.
- постоянная времени цепи, где rб тАУ справочный параметр.
fт тАУ граничная частота транзистора (справочный параметр).
![]()
![]()
Так как наше Rк меньше полученного значения, следовательно удовлетворяет заданным частотным искажениям.

1.4 Расчёт третьего каскада
Третьим каскадом будет эмиттерный повторитель (каскад по схеме с ОК). Введение межкаскадного повторителя позволит последующим каскадам работать на высокоомную нагрузку (Rвх эмиттерного повторителя), а следовательно, и вводить в них НЧ тАУ коррекцию, основным требованием для которой является высокоомность нагрузки каскада с коррекцией. Таким образом, введение одного маломощного каскада и двух элементов НЧ тАУ коррекции позволит значительно понизить номиналы конденсаторов, отвечающих за искажение в области НЧ. Так как это зачастую электролитические конденсаторы большой ёмкости, её уменьшение ведёт к уменьшению габаритных размеров самого конденсатора.
Так как мы имеем дело с достаточно малыми по амплитуде сигналами (сотые-десятые доли от Еп), то можно воспользоваться другой методикой расчета, которая предъявляет меньшие требования к термостабилизации, так как даже при относительно больших изменениях положения рабочей точки, при малых сигналах, не приводит к захождению сигнала в область отсечки и/или насыщения.
Рассчитаем эмиттерный повторитель именно по этой методике.
Исходными данными, из расчётов последующих каскадов и выбранной рабочей точки, являются:
Транзистор КТ312А;

Расчет на i:
Схема замещения каскада:

Коэффициент передачи эмиттерного повторителя по напряжения равен:

Мы приняли
, отсюда ![]()
![]()
Ом
Нагрузочная по постоянному току строится так, чтобы размах сигнала уместился в линейной части ВАХ:
![]()
Из номинального ряда сопротивлений Rэ=470Ом.
Рассчитаем коэффициент передачи при таком значении Rэ:

Расчет на ВЧ:
Схема замещения:

Частотные искажения на ВЧ рассчитываются по формуле:
,
где
Ва- постоянная времени каскада при СН = 0,
.
Найдем
Вадля транзистора КТ312А:
,
где rб - сопротивление между выводом базы и переходом база-эмиттер (справочный параметр),
Ва- постоянная времени обратной связи
с.
Фактор обратной связи вносимый
будет равен:
![]()
Постоянная времени каскада:
с.
Параметр
, где
Ва- эквивалентная емкость.
Емкость С22 находим по формуле:
, где Ск тАУ справочный параметр равный: Ск = 30 пФ

Тогда эквивалентная емкость будет равна:
![]()

Коэффициент частотных искажений на ВЧ будет равен:

![]()
Таким образом, на ВЧ мы получили меньшие частотные искажения, чем отводили на каскад, что скомпенсирует завал, полученный за счет входной цепи и других каскадов.
Расчёт на НЧ:
Схема замещения:

На НЧ появляется спад усиления за счет влияния разделительной емкости СР.
Допустимые частотные искажения на НЧ:
, разделительная емкость при этом будет равна:
, где 
мкФ.
Возьмем СР с запасом 20тАж30 %, по ряду номиналов
мкФ
Расчёт делителя, входных сопротивления и ёмкости:
Эмиттерный повторитель охвачен 100% ООС. Сопротивление в цепи эмиттера по постоянному току достаточно велико и способствует хорошей термостабилизации каскада. Сопротивление
Вазависит от сопротивления делителя в цепи базы и рассчитывается по формуле:
![]()
где: параметр
Вахарактеризует сопротивление делителя
Вапо переменному току:
![]()
- статический коэффициент передачи тока базы.
![]()
тАУ изменение обратного тока коллектора при изменении температуры.
ВатАУ внутреннее изменение смещения на эмиттерном переходе (
В для Si).
А тАУ приращение тока коллектора вызванное температурным изменением B (
).
ВатАУ допустимое изменение тока в рабочей точке.
Исходя из известного сопротивления
Ванайдем значения параметра
, а следовательно сопротивление делителя.
Вапри
, таким образом,
кОм.
При таком сопротивлении
Ваточно не будет соблюдено условие
![]()
Сопротивления делителя рассчитаем исходя из условия получения максимального входного сопротивления при
![]()
Термостабильность каскада будет обеспечена с большим запасом
В,
ВаВ.
, ![]()
Ом,
Ом
Выберем по ряду номиналов
ВакОм,
ВакОм
Входное сопротивление каскада:
, где
Ом,
Входное сопротивление транзистора в схеме с ОК в F раз больше входного сопротивления схемы с ОЭ.
ВаОм
ВакОм
Входная емкость каскада:
ВапФ.
Схема каскада:

1.5 Расчёт второго каскада
Второй каскад выполним по схеме ОЭ. Расчёт будем производить по той же методике, что мы использовали для расчета эмиттерного повторителя, но с некоторыми отличиями, так как сами схемы включения транзистора в каскаде различны.
Определим параметры по которым будем выбирать транзистор:

Где Umвых = 0,75 В
Imвых = 0,002 А
Этим условиям соответствует транзистор КТ312А. Этот же транзистор мы использовали и в эмиттерном повторителе. Использование одного и того же транзистора позволит уменьшить спектр используемых, при будущем производстве усилителя, активных элементов, что технологически выгодно.
Найдём из рабочей точки и приращений токов и напряжений в ней, следующие параметры:

Так как мы работаем на эмиттерный повторитель, то его входные параметры будут являться параметрами нагрузки для данного каскада:

Из нагрузочной прямой по постоянному току находим:
ВаОм
Произведем расчет термостабилизации каскада:
, где
- статический коэффициент передачи тока базы.
![]()
тАУ изменение обратного тока коллектора при изменении температуры (а = 0,1тАж0,13 для Si).
В
тАУ внутреннее изменение смещения на эмиттерном переходе (
В для Si).
![]()
тАУ приращение тока коллектора вызванное температурным изменением
B (
).
мА
тАУ допустимое изменение тока в рабочей точке
Параметр
Вахарактеризует сопротивление делителя
Вапо переменному току:
![]()
Возьмем
, тогда:
![]()
Сопротивление в цепи коллектора равно:
Ом, возьмем по ряду номиналов
Ом
Расчёт на i:
Схема замещения на i:

В эквивалентной схеме каскада на i можно пренебречь емкостями
Ваи
.
Коэффициент усиления каскада равен:
,
Ом.
Для получения требуемого коэффициента усиления введем ООС с фактором равным:
![]()
![]()
где
Ва- сопротивление, вводимое в цепь эмиттера для получения необходимого фактора ООС.
![]()
Ом по ряду номиналов возьмем
Ом.
Введение такого сопротивления в цепь эмиттера только улучшит термостабильность каскада.
Коэффициент усиления каскада при
![]()
Ом будет равен:

Расчёт на ВЧ:
Схема замещения на ВЧ:

Частотные искажения на ВЧ обуславливаются падением крутизны транзистора на высоких частотах и влиянием ёмкости Со.
, где ![]()
Ва- эквивалентная емкость.
Емкость С22 находим по формуле:

где Ск тАУ справочный параметр равный: Ск = 30 пФ

Тогда эквивалентная емкость будет равна:
![]()
Тогда: ![]()

Расчёт на НЧ:
Схема замещения:

Для того, чтобы скомпенсировать завал на НЧ и, самое главное, чтобы уменьшить номиналы конденсаторов Сэ, мы используем НЧ тАУ коррекцию, введя в цепь коллектора элементы Rф и Cф. Расчёт производится для ёмкостей Ср и Сф одновременно. Основным условием применения этого метода коррекции является высокоомность нагрузки каскада с коррекцией. Метод расчёта указан в литературе [3] и заключается в следующем:
Зададимся допустимым падением напряжения на Rф:
![]()
Постоянная составляющая тока коллектора равна:
![]()
Отсюда находим сопротивление Rф:
![]()
Это сопротивление соответствует номинальному ряду сопротивлений.
Найдём b, как соотношение между Rк и Rф:
![]()
Далее находим график с системой кривых для значения b = 0,5.
Из этого графика находим такое значение параметра Xн, при котором происходит перекоррекция до уровня Мн=1,45. Этому условию соответствует кривая для параметра m=0,6 и Xн=1,1, где
, а ![]()
Из этих выражений можно найти значение нужных нам емкостей по формулам:

Таким образом мы получили перекоррекцию в каскаде Мн=1,45.
Расчёт делителя, входных сопротивления и ёмкости:
Проведем расчет делителя напряжения в цепи базы:

по ряду номиналов берем
кОм.
![]()
по ряду номиналов возьмем
кОм.
Проведем проверку:
![]()
Ва>
А.
Входное сопротивление каскада:
, где
кОм,
Входное сопротивление транзистора в схеме с ОЭ, при введении фактора ОС, в F раз больше входного сопротивления схемы с ОЭ без ООС.
![]()
ВакОм
Входная емкость каскада:

1.6 Расчёт первого каскада
Первый каскад, для увеличения входного сопротивления усилителя, а как следствие и увеличения коэффициента передачи по напряжению входной цепи, будет выполнен на полевом транзисторе. Отличие усилительного каскада на ПТ от эмиттерного повторителя (который также имеет высокое входное сопротивление) в том, что коэффициент усиления по напряжению каскада на ПТ больше 1 (реально К=1.5 в зависимости от транзистора). Расчёт каскада на полевом транзисторе несколько отличается от расчёта каскадов на биполярном транзисторе. Это несёт важную методическую функцию - при расчете одного усилителя мы разобрали три различных методики расчета каскадов на полевом/биполярном транзисторах в схемах включения с ОК и ОЭ (ОИ).
Во входном каскаде используем МДП-транзистор со встроенным n-каналом КП313А:
пФ,
пФ,
В,
мА,
мВт,
мкСм,
нА.
Найдём крутизну транзистора в рабочей точке
(
мА,
В,
В) из графиков, представленных в справочнике:
мСм.
По нагрузочной прямой находим
:
Ом.
Проведем расчет термостабилизации каскада:

Где:
А тАУ изменение тока утечки затвора от температуры.
Ва- допустимое изменение тока стока в рабочей точке.
В тАУ сдвиг напряжения между затвором и истоком при изменении температуры.
МОм тАУ сопротивление в цепи затвора характеризует входное сопротивление каскада.
Ом.
Отрицательное значение
Ваозначает, что в выбранном режиме транзистор не нуждается в стабилизации.
Следовательно
Ом (по ряду номиналов возьмем
Ом).
Расчёт на i:
Схема замещения:

Найдем номинальный коэффициент усиления каскада:

Ом.
Расчёт на ВЧ:
Схема замещения:

Коэффициент частотных искажений на ВЧ будет равен:
, где
,
Ом,
пФ.
.
.
Расчёт на НЧ:
Схема замещения:

Найдем значение разделительной емкости Допустимые частотные искажения
![]()
тогда:

(По ряду номиналов возьмем
мкФ).
1.7 Расчёт фильтров питания. Расчёт цепей регулировки усиления. Расчёт разделительной ёмкости во входной цепи
Расчёт фильтра питания:
Фильтр по питанию рекомендуется ставить после двух инвертирующих каскадов. В нашем случае мы несколько отступим от данной рекомендации и поставим фильтр по питанию после эмиттерного повторителя (3-ий каскад), перед предоконечным каскадом.
Расчет фильтра производится следующим образом:
Задаёмся падением напряжения на фильтре: ![]()
Тогда:
![]()
Где
Ва- ток коллектора транзистора каскада 3 в рабочей точке,
мА,
Ва- токи делителей каскадов 3 и 2, рассчитаны выше при проверке.
мкА,
ВамкА
мА тАУ ток стока в рабочей точке транзистора первого каскада.
Тогда сопротивление
Вабудет равно:
![]()
По ряду номиналов возьмем
Ом.
Емкости в цепи фильтров будут равны на частоте помехи
Гц (частота питающей сети) и выше:
.
С запасом, по ряду номиналов возьмем
мкФ.
Расчёт регулировки усиления:
Подстройку усиления будем производить изменением глубины ООС одного из каскадов и выберем для этого предоконечный каскад (так как в нём единственном остался Сэ, необходимый для реализации этого метода). Введем для этого сопротивление
в цепи эмиттера. Движок резистора подключим к шунтирующей емкости
.
Максимальный коэффициент усиления равен:
![]()
Минимальный коэффициент усиления возьмем равным
Ва(меньше номинального коэффициента усиления
Вана 20тАж30%):
,
![]()
- максимальный фактор обратной связи для
Ва- резистора подстройки усиления.
Ом.
Используем для этого подстроечный резистор СП3-28 сопротивлением 10 Ом по ряду номиналов Е6.
Оставшуюся часть сопротивления
Ом (62 Ом по ряду номиналов) подключим последовательно с
.
Рассчитаем номинал ёмкости Сэ для шунтирования
Ом с учётом того, что мы уже рассчитали частотные искажения Мн в области НЧ для всех остальных каскадов и ввели перекоррекцию на НЧ в одном из каскадов.
Частотные искажения на НЧ заданные на весь усилитель равны: Мн=0,77
Частотные искажения вносимые всеми каскадами кроме предоконечного равны:
![]()
где Мнi тАУ искажения вносимые i-ым каскадом.
Следовательно на предоконечный каскад, для обеспечения уровня общих искажений усилителя:
![]()
Подставив это значение в выражение для нахождения Сэ 4-го каскада (см. выше), получим:

По ряду номинальных значений с запасом выберем Сэ=500мФ.
Расчёт разделительной ёмкости во входной цепи:
Произведем расчет разделительной емкости СР во входной цепи:
![]()
По ряду номиналов возьмем
пФ.
Расчёт цепи ООС:
Для устранения усиления на частотах выше Fв, введём цепь частотнозависимой отрицательной обратной связи, охватывающей все каскады кроме первого. Введение этой отрицательной обратной связи никак не влияет на свойства усилителя в полосе пропускания, но за пределами полосы она обеспечивает снижение усиления, что не даёт возможность усилителю самовозбудиться на частоте выше Fв, где может выполниться условие баланса фаз и амплитуд. Порядок расчёта следующий:
Так как цепь отрицательной обратной связи представляет из себя ВЧ-фильтр на RC-цепочке. В роли активного сопротивления будет выступать Rвх второго каскада усилителя.
![]()
Таким образом нам осталось лишь задаться коэффициентом передачи по напряжению на частоте Fв и найти значение ёмкости в цепи ООС:
![]()
Такой коэффициент передачи не увеличит уровень частотных искажений на ВЧ сверх заданных.

2. Расчет варианта усилителя на микросхемах
2.1 Анализ варианта усилителя на ИМС:
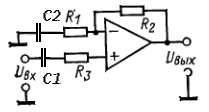
В данном варианте усилителя используем интегральную микросхему A2030H тАУусилитель мощности низкой частоты с дифференциальным входом и двухполярным питанием и операционный усилитель 140УД10 в качестве входного, ВлраскачивающегоВ» более мощную микросхему, каскада. Микросхему A2030H и её характеристики мы нашли в литературе [5]. Будем использовать стандартную схему включения микросхемы.

Микросхему 140УД10 также будем включать в стандартном неинвертирующем включении (см [6]):


Справочные параметры микросхем:
А2030Н:ВаВаВаВаВаВаВаВаВаВаВаВаВаВаВаВаВаВаВаВаВаВаВаВаВаВаВаВаВаВаВаВаВаВаВаВаВаВаВаВаВаВаВаВаВаВаВаВаВаВаВаВаВаВа 140УД10


Сопротивление нагрузки (Rн=13 Ом) в нашем случае больше чем номинальная нагрузка второго каскада. По графику, представленному в техническом описании, определим максимальную мощность, которую может выдать, на данную нагрузку, микросхема А2030Н при напряжении питания В±12 В.
Получим:
Это значение выше, чем заданное в техническом задании, следовательно, по этому параметру микросхема подходит.
Одна микросхема А2030Н способна обеспечить усиление в 30 дБ в заданной полосе частот.
Переве
Вместе с этим смотрят:
IP-телефония. Особенности цифровой офисной связи