Разработка конструкции, топологии и технологического процесса изготовления интегральной микросхемы усиления тока индикации кассового аппарата
Основополагающая идея микроэлектроники тАУ конструктивная интеграция элементов схемы тАУ приводит к интеграции конструкторских и технологических решений, при этом главной является задача обеспечения высокой надежности ИМС.
Важнейшей задачей проектирования является разработка быстродействующих и надежных схем, устойчиво работающих при низких уровнях мощности, в условиях сильных паразитных связей (при высоко плотности упаковки) и при ограничениях по точности и стабильности параметров элементов.
При технологическом проектировании синтезируется оптимальная структура технологического процесса обработки и сборки ИМС, позволяющая максимально использовать типовые процессы и обеспечивать минимальные трудоемкость изготовления и себестоимость микросхем.
Разработка конструкции, топологии и технологического процесса ИМС по заданной электрической схеме.
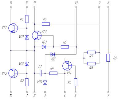
Схема электрическая принципиальная приведена на рис. 1.
Описание работы схемы.
Схема электрическая принципиальная приведена на рис. 1.
Данная схема обеспечивает обработку сигналов, поступающих на вход схемы, и выдачи сигнала на выход. Транзисторы VT1-VT4 обеспечивают усиление по току.

Таблица 1. Номинальные значения элементов
| R1 | 6,8 кОмВ±5% | R6 | 6,8 кОмВ±5% | VT1тАжVT3= =BC817-25 | VT4= =BC807-25 | VD1тАжVD5= =LL4148 |
| R2 | 6,8 кОмВ±5% | R7 | 120 ОмВ±5% | |||
| R3 | 6,8 кОмВ±5% | R8 | 120 ОмВ±5% | Uкб=50 В | Uкб=50 В | Uкб=40 В |
| R4 | 2 кОмВ±5% | R9 | 120 ОмВ±5% | P=1 Вт | P=1 Вт | P=1 Вт |
| R5 | 6,8 кОмВ±5% | C1 | 270 пФВ±20% | I=20 мА | I=25 мА | I=25 мА |
Таблица 2. Назначение выводов
| Обозначение | 1 | 2 | 3 | 4 | 5 | 6 | 7 |
| Назначение | RX_BC | GND | -12_IN | TX_X | TX | ---- | RAS_LAP |
| Обозначение | 8 | 9 | 10 | 11 | 12 | 13 | 14 |
| Назначение | +5V | RTS_BC | RX_X | RX | CTS_BC | GTO_BC | BC |
| Контр. параметры | |
| I5=15 мА | U5=4В±0,5 B |
| I13=10 мА | U13=15В±0,5 B |
Рис.1 Схема электрическая принципиальная
Расчет режимов изготовления эпитаксиально-планарного транзистора
Расчет концентраций примеси в отдельных областях транзистора
Расчет концентраций примеси в отдельных областях транзистора с учетом заданного пробивного напряжения.
Определяется из соотношения:
![]()
- напряжение пробоя перехода.
ВаВ/см тАУ критическое значение напряженности поля для кремния.
ВаКл тАУ заряд электрона.
Ва- относительная диэлектрическая проницаемость (для кремния 12).
Ф/см тАУ абсолютная диэлектрическая проницаемость.
N тАУ концентрация примеси на слаболегированной стороне перехода, которую надо отнести к наиболее опасному сечению, т.е. к поверхности.
Усредненная
, если
, а
.
а) Концентрация примеси на поверхности подложки:
| Uк-п | Uк-б | Uб-э | |
| VT1тАжVT3 | 60 | 50 | 5 |
, при Uпр к-п = 60 В
б) Поверхностная концентрация примеси в коллекторе:
, при Uпр к-б = 50 В.
в) Поверхностная концентрация примеси в базе:
, при Uпр б-э = 5 В.
Окончательно:
|
|
| |
| VT1тАжVT3 |
|
|
|
Для дальнейших расчетов выберем транзистор VT5 и примем его за базовый элемент нашей ИМС.
Расчет режимов диффузии базовой области.
При двухстадийной диффузии распределение примеси подсчитывается по закону Гаусса:
,
где N тАУ концентрация примеси,
.
Q тАУ поверхностная концентрация примеси,
.
Ва- диффузионная длина.
Учитывая, что коллектор легирован равномерно и зная концентрацию примеси на поверхности базы и под переходом Б-К (на глубине
), можно записать:
1) при Х = 0: ![]()
(1)
2) при
:
(2)
,
где
ВатАУ коэффициент диффузии на этапе разгонки базы
.
ВатАУ время процесса разгонки базы.
ВатАУ доза легирования базы
.
Из (1) и (2) получим:
;
![]()
Задаемся температурой разгонки базы: ![]()

Рис. 2. Температурная зависимость коэффициента диффузии:
Ваи
Ва- исходная и поверхностная концентрация примеси, ![]()
Из графика
Ванаходим
, а
.
Из (1) ![]()
Для этапа загонки примеси в базу можно записать:
![]()
, тогда ![]()
Примем температуру загонки базы
Ваи из графика
. ![]()
Вамин.
Окончательно:
,
,
,
,
,
Вамин,
Вамин.
Расчет режимов диффузии эмиттерной области.
Определим концентрацию примеси на уровне перехода Э-Б
.
;
; где
;
.
Полагая для высоколегированного эмиттера, что
, а
, то
,т.к.
.
Для определения
Вавоспользуемся требованием высокой проводимости эмиттера, которая должна иметь удельное поверхностное сопротивление
ВаОм. Примем
. Тогда
.

Рис. 3. Зависимость удельного сопротивления Si от концентрации примеси при температуре ![]()
Из графика
Ваприближенно определим концентрацию примеси в эмиттере ![]()

Рис. 4. Зависимость подвижности электронов от концентрации доноров в кремнии
Из графика ![]()
.
Тогда ![]()
Поделим
Вана
,
.

Рис. 5. Графики для определения параметра Dt в эмиттерной области (этап разгонки)
Из графика
Ваполучим ![]()
Концентрация примеси доноров в эмиттере 
. Пусть
, ![]()
Из графиков
, ![]()
Отсюда
ВаДоза легирования в процессе загонки определяется по формуле
ВаОтсюда для процесса загонки примеси в эмиттер
(5)
Полагая ![]()
(6).
При ![]()
Вапо графику
,
. Из (6) ![]()
Окончательно: ![]()
; ![]()
; ![]()
;
![]()
;
.
Расчет поверхностного сопротивления областей транзисторов
Для контроля и проектирования диффузионных резисторов необходимо знать величины поверхностных сопротивлений областей транзистора, которые определяются по формуле:
.
1) Определим поверхностное сопротивление коллектора:
Вапо графику
, при ![]()
Для равномерно легированного кремния
.
2) Определим поверхностное сопротивление базовой области:
Вагде
Ва- средняя концентрация введенной примеси; 
Вапри равномерно легированном коллекторе
,
ВатАУ подвижность дырок в области базы,
ВатАУ суммарная концентрация примеси на глубине ![]()
.

Рис. 6. Зависимость подвижности электронов от концентрации доноров в кремнии при ![]()

Рис. 7. Зависимость подвижности дырок от концентрации акцепторов в кремнии при ![]()
Из графика ![]()
, тогда
, 
3) Определим поверхностное сопротивление эмиттерной области:
;
Для диффузионных областей, где распределение примеси неравномерно по глубине, разность концентраций должна иметь смысл средней концентрации, нескомпенсированной примеси
, найденной в пределах
.
, где
ВатАУ полная концентрация веденной примеси. 
![]()
ВатАУ средняя концентрация р - примеси до
.
Находим
Ватакже как и
, только берем
,
,
Ваи
.

ВаПолучим, что
![]()
![]()
.
По графику
Вапри ![]()
, тогда ![]()
.
Окончательно:
; ![]()
![]()
Топологический расчет транзистора
Цель топологического расчета тАУ получение в плане минимально возможных размеров областей транзистора, которые зависят от мощности рассчитываемой транзистором и следующими топологическими ограничениями.
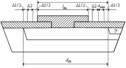
а) Минимальный размер элемента топологического рисунка аmin обусловленный разрешающей способностью процесса фотографии (4мкм).
б) Максимальное отклонение размера элемента рисунка В±∆1 = 0,5 мкм обусловлены погрешностями размеров элементов рисунков фотошаблона и погрешностями размеров на операциях экспонирования и травления.
в) Погрешностями смещения В±∆2 = В±2 мкм.
г) Боковая диффузия примеси под маскирующий окисел.
При высоких уровнях тока резко проявляется эффект оттеснения эмиттерного тока. Поэтому токонесущая способность транзистора определяется не площадью эмиттера, а периметром. Отсюда при проектировании эмиттера необходимо обеспечить максимальное отношение периметра к площади.
Рассчет эмиттерной области
Размер окна под эмиттерный контакт lЭКмин =аmin = 4мкм.
Примем lЭК = 10мкм
Размер проводника над эммитером:

Рис.8
lЭП ³ lЭК + 2 ∆2+2 ∆1 = 15 мкм.
При дальнейшем расчете необходимо учесть следующие требования:
а) Расчет вести на наиболее неблагодарное сочетание погрешностей;
б) Отсутствие перекрытия перехода кромкой проводника (уменьшение паразитной емкости);
в) Полное заполнение металлом окна под контакт;
г) Расстояние между боковыми переходами смежных областей равно диффузионной длине не основных носителей.

Рис.9
Учитывая условие б) имеем:
lЭ = lЭП +2∙∆l + 2 ∙∆2=15 + 1 + 4 = 20 мкм
Размер окна под диффузию эммитерной области:
lОЭ = lЭ тАУ 2 ∙ Хпер(Э-Б)= 20 тАУ 4 = 16 мкм.
Периметр эмиттерной области можно определить по формуле:
П = 6 ∙ JЭ1 = 2 ∙ l Э1 + 2 ∙ l Э2 (в мкм) (*)
Jэ тАУ максимальный ток эмиттерной области, мА.
l Э1, l Э2 тАУ длина и ширина эмиттерной области, мкм.
l Э1min =amin=2Xпер Э-Б=4+4=8 мкм
Примем l Э1 = 25 мкм;
Из формулы (*):
Вамкм; при JЭ =20 мА.
Окончательно: l ЭП =15 мкм; lЭК = 10 мкм;
lОЭ = 16 мкм; lЭ=20 мкм;
Расчет размеров базовой области
Топологический расчет базовой области сводится к определению расстояния между переходами в месте расположения базового контакта dБ1
и расстояния dБ2 на участках, где нет контакта.
Размер окна под базовый контакт lБК≥ 2аmin.
Размер базового проводника
lБПмин = lБК + 2∙∆1 + 2∙∆2=8 +1 + 4 = 13 мкм.
Примем lБП=17,5
Учитывая требования б), размер между переходами Э-Б и Б-К, где есть базовый контакт:
dБ1= lБП+2∙∆1+2∙∆2+аmin= 17,5 + 1 + 4 + 4 = 26,5 мкм.

Рис.10
Размер между переходами Э-Б и Б-К со стороны, где нет базового контакта

Рис.11
При соблюдении требования г) {lПБ = 4 мкм.}
dБ2 = lПБ + ∆1 + ∆2 = 6.5 мкм. Примем dБ2 = 7 мкм.
Определим большую сторону базовой области:
lБ1 = lЭ + dБ1 + dБ2 = 25 + 26,5 + 7 = 58,5 мкм.
Определим размер меньшей стороны базовой области:
lБ2 = lЭ + 2 ∙ dб2= 25 + 14 = 39 мкм.
Размеры окна под диффузию базы:
lБО1 = lБ1 тАУ 2∙Хпер.(Б-К) = 52,5 мкм.
lБО2 = lБ2 тАУ 2∙Хпер.(Б-К) = 33 мкм.
Окончательно: lБК = 8 мкм; lБ2= 39 мкм. lБО1= 52,5 мкм.
lБП= 17,5 мкм. lБ1= 58,5 мкм. lБО2= 33 мкм.
Расчет размеров коллекторной области
Размер окна под коллекторный контакт примем:
lon+ = lКК = 2аmin = 8 мкм.
Тогда размер коллекторного проводника:
lКП = lКК + 2 ∙ ∆1 + 2 ∙ ∆2 = 13 мкм.
а размер между переходами К-П и Б-К в стороне контакта:
dК1 = lКП + 2 ∙ ∆1 + 2 ∙ ∆2 + аmin = 22 мкм.
Размер между переходами К-П и К-Б в стороне, где нет контакта, но есть n+-область:
ln+ = lоn+ +2 ∙ Хпер.(Б-Э)= 8 + 4 = 12 мкм.
dK2 = ln+ + 2 ∙ ∆1 + 2 ∙ ∆2= 12+ 1 + 4 = 17 мкм.

Рис.12
Размер большой стороны коллекторной области:
lK1 = lБ1 + dК2 + dК1=58,5 + 39 = 97,5 мкм.
lК2 = lБ2 + 2∙dК2= 67+ 39 = 106 мкм.
Размер окна под разделительную диффузию примем lор = аmin = 4 мкм.
Тогда размер между коллекторными областями в плане (ширина изолирующего канала):
B = lOP + 2∙Хпер(К-П)=4 + 2 ∙ 2 = 8 мкм.
Окончательно: lКК = 8 мкм lК2 = 97,5 мкм ln+ = 12 мкм lOP = 4 мкм
lКП= 13 мкм lК1= 106 мкм в = 8 мкм
Расчет геометрических размеров резисторов
Расчет геометрических размеров интегрального полупроводникового резистора начинают с определения его ширины. За расчетную ширину b резистора принимают значение, которое не меньше наибольшего значения одной из трех величин: bтехн, bточн, bр, т.е.
, где bтехн - минимальная ширина резистора, определяемая разрешающей способностью технологических процессов (4 мкм); bточн - минимальная ширина резистора, при которой обеспечивается заданная погрешность геометрических размеров; bр - минимальная ширина резистора, определяемая из максимально допустимой мощности рассеяния.
Расчет геометрических размеров резистора R1-R3, R5, R6 (Б.О.):
|
|
Расчет геометрических размеров резистора R4(Б.О.):
|
|
Расчет геометрических размеров резистора R7-9(Б.О.):
|
|
Расчет геометрических размеров конденсаторов

Рис.13
Тип конденсаторов выберем на основе базово-коллекторного перехода, т.к. он обладает высокой добротностью, достаточным пробивным напряжением и средней удельной емкостью
![]()
![]()
![]()
Расчет топологии полупроводникового кристалла
1. Определим площадь, занимаемую элементами на кристалле. Площадь, занимаемая активными элементами:
,
где
Ва- площадь одного транзистора;
n тАУ число активных элементов.
2. Определим площадь под диоды:
![]()
где
Ва- площадь одного диода;
3. Определим площадь под резисторы:
![]()
где m тАУ число резисторов.
3. Определим площадь под конденсаторы:
![]()
4. Площадь активной зоны: К тАУ коэффициент запаса, зависит от плотности разводки металлизации.
![]()
![]()
Процесс сборки упрощается при квадратной форме кристалла:
![]()
Интегральная схема 13 выводов (контактных площадок). При термокомпрессии проводом 28 мкм ширина площадки будет равна
, где D тАУ диаметр проволоки; K тАУ коэффициент, равный
Ваотсюда
Вас запасом 100 мкм. Расстояние между центрами контактных площадок не менее 200 мкм. Линия скрайбирования для уменьшения вероятности скола взята шириной 100 мкм.
Примечания:
1. Проводники металлизации алюминием выполняются толщиной 1 мкм. Ширина проводника определяется из соотношения
Ва(находится в пределах 10:20 мкм).
2. Нумерация выводов на кристалле может начинаться с любого угла и должна идти по порядку (по часовой стрелке).
3. В случае пересечения тАУ выполнять его над резистором, кроме проводников питания, которые над резистором выполнять не рекомендуется.
Пример выполнения пересечения над резистором:

Рис.14
Технологические процесс изготовления ИМС
| А | 005 | Комплектование |
| Б | Комплектовочный стол | |
| О | Формировать партию пластин. Уложить в тару цеховую. | |
| А | 010 | Гидромеханическая отмывка пластин |
| Б | Ванна с раствором ситанола АЛМ-10 | |
| О | Операция выполняется в растворе ситанола АЛМ-10 в деионизированной воде с помощью щеток для удаления механических загрязнений и увеличения смачиваемости поверхности пластин. | |
| А | 015 | Химическая обработка |
| Б | Оборудование тАФ линия тАЬЛада-125тАЭ | |
| О | Обработка пластин смесью Каро (H2SO4+H2O2) и перикисьно-амиачной смесью для удаления любых органических загрязнений с поверхности полупроводниковых пластин при температуре 90 ºС. | |
| А | 020 | Сушка |
| Б | Сушильный шкаф | |
| О | Операция проводится сначала в парах этилового спирта, а затем в потоке горячего осушенного азота в центрифуге при частоте обращения 20000 оборотов в минуту. | |
| А | 025 | Окисление |
| Б | Диффузионная печь СДО-125/3-12 | |
| О | Окисление проводится в два этапа: - газовая полировка(проводится в специальных печах); устанавливается нужное распределение температуры и печи с потоком азота; устанавливается поток газа-носителя (водород, 8 л/мин; печь с внутренним диаметром трубы 35 мм), а поток азота перекрывается; вносят лодочку с пластинами и выжидают 5 мин до установления теплового равновесия; к газу-носителю добавляют требуемый поток хлористого водорода; полируют в течение 10 мин (обычная продолжительность полировки); прекращают поток НСl и вынимают пластины. Скорость полировки зависит от температуры и концентрации хлористого водорода. Удельное сопротивление, тип проводимости и поверхностная обработка кремния не оказывают заметного влияния на скорость полировки. Качество полировки связано с чистотой хлористого водорода. В выпускаемом промышленностью хлористом водороде иногда присутствует ацетилен; это нежелательно, поскольку приводит к образованию матовых поверхностей. Нежелательным является также наличие двуокиси углерода и воды. - Окисление От газовой полировки можно переходить сразу к процессу окисления простым изменением состава газового потока. При этом не требуется вынимать пластины из печи. Для быстрого получения кач Вместе с этим смотрят: IP-телефония. Особенности цифровой офисной связи |





