Организация и технология монтажа участка подземного газопровода города Белокуриха
Организация тАУ задачи направленные на повышение производительности труда.
Технология тАУ наука о методах выполнения строительных процессов, обеспечивающих обработку строительных материалов, полуфабрикатов и конструкций с целью получения продукции заданного качества.
Россия тАФ единственная крупная страна, которая полностью обеспечивает себя топливом и энергией за счет стабильных при родных ресурсов и одновременно экспортирует газовое топливо.
Древнегреческий историк Геродот писал о "вечных огнях" на горе Химера, расположенной в Малой Азии. Источники горючих газов были известны в Азербайджане, Иране, Индии; обилие горящих факелов привело к возникновению в этих странах огнепоклонства. Слово "Азербайджан" в переводе с арабского означает "страна огней".
До сих пор сохранились памятники древности тАФ храм огнепоклонства в Сухаранах на Апшеронском полуострове, а также храм огня в провинции Пенджаб в Индии.
В России газ первоначально использовали для освещения городов, его получали из каменного угля на газовых заводах. Первый газовый завод был построен в 1835 г. в Петербурге, каменный уголь для него привозили из-за границы.
В Москве газовый завод был построен в 1865 г. Газ, производимый на газовых заводах, получил название "светильный".
В начале XX в., после того как для освещения стали использовать керосин, газ начали применять для отопления и приготовления пищи.
В 1913 г. производство искусственного газа в России составило всего лишь 17 млн м . В дальнейшем в стране широко развернулось производство искусственных газов: коксового, доменного, генераторного. Искусственные газы получали из каменного и бурого угля, горючих сланцев, торфа и древесины. Они сыграли решающую роль в развитии металлургической, металлообрабатывающей и других важнейших отраслей промышленности.
В начале 20-х годов стала увеличиваться добыча нефтяного (попутного) газа. В 1925 г. добыча газа составила 127 млн м , а в 1940 г. тАФ более 400 млн м".
В 1941.. 1942 гг. был построен газопровод от газовых месторождений в районе Бугуруслана и Похвистнево до г. Куйбышева протяженностью 160 км. В 1946 г. завершилось строительство первого дальнего газопровода СаратовтАФМосква протяженностью 840 км и диаметром 320 мм, по которому подавалось в Москву 0,5 млрд м3 газа ежегодно.
В дальнейшем наша страна перешла от строительства отдельных газопроводов к строительству систем магистральных газопроводов.
Природный газ тАФ основной источник газоснабжения, применяемый во многих звеньях народного хозяйства страны. Благодаря природному газу производят около 95% стали и чугуна, более 60 % цемента, более 90 % минеральных удобрений многих звеньях народного хозяйства страны. Благодаря природному газу производят около 95% стали и чугуна, более 60 % цемента, более 90 % минеральных удобрений.
К основным задачам в области газоиспользования относятся: -наращивание темпов газификации жилых домов -коммунально-бытовых и промышленных предприятий; -максимальная загрузка действующих газопроводов-отводов; -расширение газовых сетей и систем газоснабжения до уровня, обеспечивающего ежегодное увеличение подачи природного газа в пределах 15,8 млрд м3, в том числе в сельскую местность тАФ 5,3 млрд м , что повлияет на развитие ведущих отраслей экономики (машиностроения, металлургии, строительства и др.), которые наряду с выпуском профильной продукции увеличат производство металлургических и полиэтиленовых труб, материалов, газовой аппаратуры, приборов и оборудования для систем газоснабжения.
В газовой промышленности будут продолжены разработки и внедрение экономичных и ресурсосберегающих технологий, приборов и оборудования для строительства и эксплуатации систем газоснабжения. В дальнейшем наша страна перешла от строительства отдельных газопроводов к строительству систем магистральных газопроводов.
Природный газ тАФ основной источник газоснабжения, применяемый во многих звеньях народного хозяйства страны. Благодаря природному газу производят около 95% стали и чугуна, более 60 % цемента, более 90 % минеральных удобрений многих звеньях народного хозяйства страны. Благодаря природному газу производят около 95% стали и чугуна, более 60 % цемента, более 90 % минеральных удобрений.
К основным задачам в области газоиспользования относятся: -наращивание темпов газификации жилых домов -коммунально-бытовых и промышленных предприятий; -максимальная загрузка действующих газопроводов-отводов; -расширение газовых сетей и систем газоснабжения до уровня, обеспечивающего ежегодное увеличение подачи природного газа в пределах 15,8 млрд м3, в том числе в сельскую местность тАФ 5,3 млрд м , что повлияет на развитие ведущих отраслей экономики (машиностроения, металлургии, строительства и др.), которые наряду с выпуском профильной продукции увеличат производство металлургических и полиэтиленовых труб, материалов, газовой аппаратуры, приборов и оборудования для систем газоснабжения.
В газовой промышленности будут продолжены разработки и внедрение экономичных и ресурсосберегающих технологий, приборов и оборудования для строительства и эксплуатации систем газоснабжения.
1. ТЕХНОЛОГИЯ СТРОИТЕЛЬНО-МОНТАЖНЫХ РАБОТ
1.1 Исходные данные
- диаметр трубы: 200 мм;
- протяженность газопровода: 1460 м;
- вид грунта: глина;
- время строительства: лето;
- условия строительства: город;
- материал труб: полиэтилен;
- средняя глубина заложения газопровода: 1,4 м.
1.2 Физико-механические свойства грунтов
В строительном производстве грунтами называют породы, залегающие в верхних слоях земной коры.
Глина тАУ представляет собой силикат, содержащий глинозем, кремнезем, примеси песка, извести, окиси железа и др.,а также химически связанную воду. Содержит св. 30% частиц диаметром менее 0,005 мм.
По ЕНиР 1-2 определяют физико-механические свойства грунта:
1. группа грунта в зависимости от трудности его разработки:
- цепным экскаватором;
- бульдозером;
- вручную
2. плотность грунта при естественном залегании: ρ = 1,8 т/м ;
3. крутизна временного откоса: 1:0,25;
4. коэффициент первоначального разрыхления: 32%;
5. коэффициент остаточного разрыхления: 9%;
1.3 Земляные работы
К земляным относятся следующие виды работ:
1. срезка растительного слоя;
2. предварительная планировка строительной площадки бульдозером;
3. разработка грунта в траншее одноковшовым экскаватором;
4. разработка грунта под приямки для сварки труб;
5. подбивка пазух электротрамбовками;
6. обратная засыпка траншеи бульдозером;
7. уплотнение грунта;
8. окончательная планировка строительной площадки бульдозером;
10. рекультивация земли
1.3.1 Определение объемов земляных работ
1. Срезка растительного слоя:
Площадь срезки растительного слоя определяю по формуле:
Sср = A*L,м²
где: А - ширена срезки (14м- в городских условиях)
L - протяженность газопровода.
Sср = 14*1460 = 20440м²
Объём срезки растительного слоя определяется по формуле:
Vср =A*L*hср, м³
где: hср - глубина срезки (принимаю равной 0,15 тАУ 0,2 м)
Vср = 14 * 1460 * 0,2 = 4088 м3
2. Предварительная планировка строительной площадки бульдозером, грейдером и др:
Объём предварительной планировки строительной площадки определяется по формуле:
Vпп =A*L*hпп, м³
Vпп = 14 * 1460 * 0,2 = 4088 м3
3. Разработка грунта в траншее одноковшовым экскаватором, многоковшовым экскаватором (роторным или цепным).
Объем траншеи определяется по формуле:
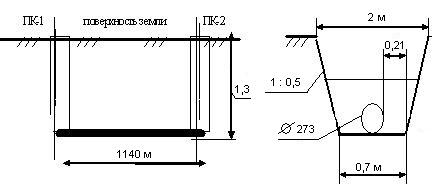
V = hср * L* (а + вср)/2, м3.
где hср - средняя глубина траншеи, м
а - ширина траншеи понизу, м;
вср - средняя ширина траншеи поверху, м.
Средняя глубина траншеи при прокладке газопровода в супесчаном грунте определяется по формуле:
hср = 1,3 м
а = d + 0,3
а = 0,273 + 0,3 = 0,573 м ≈ 0,7 м для одноковшового экскаватора
Средняя ширина траншеи поверху определяется по формуле:
вср = а + 2 * hср * m, м
где:
m - крутизна временного откоса траншеи, м
вср = 0,7 + 2 * 1,3 * 0,5 = 2 м
α = (0,7 тАУ 0,273)/2 = 0,21 м
V = (1,3* 1140 *(0,7 + 2))/2 = 2000,7 м3
4. Разработка грунта под приямки для сварки труб:
Объем траншеи под приямки для сварки труб определяется по формуле:
Vпр = (0,05)*V, м3
Vпр = 0,05 * 2000,7 = 100,03 м3
5. Ручная доработка (подчистке) дна траншеи:
Объем грунта по ручной доработке (подчистке) дна траншеи определяется по формуле:
Vподч = а*L* hн, м3
где: hн - глубина слоя по ручной доработке траншеи, принимаем равной 0,05 м
Vподч = 0,7 * 1140 * 0,05 = 39,9 м3
6. Подбивка пазух ручными или электротрамбовками:
Объем подбивки пазух ручными или электротрамбовками определяется по формуле:
Vпазух = Vподб.транш - Vтр, м3
где: Vподб.транш - объем подбивки траншеи, м³;
Vтр - объем трубы газопровода, м³.
Vпазух = 504,9 тАУ 66,22 = 438,68 м3
Объем подбивки траншеи определяется по формуле:
Vподб.транш = (d + 0,2)* L*(а + Вподб)/2, м3
где: Вподб - ширина подбивки пазух поверху, м определяется по формуле:
Вподб = а + 2 * m * (hп + d + 0,2), м
Вподб = 0,7 + 2 * 0,5 * (0,273 + 0,2) = 1,173 м
где: hп - толщина песчаного слоя, принимается равной 0,1 м.
Vподб.транш = (0,273 + 0,2)* 1140*(0,7 + 1,173)/2 = 504,9 м3
Объем трубы газопровода определяется по формуле:
Vтр = L**d2/4, м3.
Vтр = (1140 * 3,14 *(0,273)2)/4 = 66,22 м3.
7. Обратная засыпка траншеи бульдозером:
Суммарный объем траншеи определяется по формуле:
Vсум = V + Vпр, м3.
Vсум = 2000,7 + 100,03 = 2100,73 м3.
Объем обратной засыпки определяется по формуле:
Vзасып = Vсум - Vтр - Vп -Vпазух, м3
где: Vп - объем песчаной подсыпки, м³, определяется по формуле:
Vп = 0 м3
Vзасып = 2100,73 тАУ 66,22 тАУ 438,68 = 1595,83 м3
При производстве работ в полевых условиях устраивается кавальер для обратной засыпки, площадь его сечения рассчитывается по формуле:
Sкав = Vкав / L, м2
где Vкав - объем грунта в кавальере, м3, с учетом коэффициента первоначального разрыхления грунта, определяется по формуле:
Vкав = (Vзасып + Vпазух )* Кпр, м3.
где Кпр - коэффициент первоначального разрыхления,
Vкав = (1595,83 + 438,68) * 1,12 = 2278,61м3.
Sкав = 2278,61 / 1140 = 1,9 м2
Если сечение кавальера будет в виде равнобедренного треугольника с крутизной откосов 1: 1,5, что соответствует крутизне откосов насыпного грунта, то высота Н и основание В в м такого кавальера выражаются формулами:
Н = Sкав / 1,5
Н = 1,9 / 1,5 = 1,2 м
В = 3* Н
В = 1,2 * 3 = 3,6 м
8. Уплотнение грунта:
Площадь уплотняемой поверхности определяется по формуле
Vуп = А*L*hср, м3
Vуп = 4320 м3

Рис 2 Эскиз траншеи
9. Окончательная планировка строительной площадки бульдозером
Площадь окончательной планировки строительной площадки бульдозером определяется по формуле
Vоп = Vпп = 0,05 * 20 * 1140 = 1140 м3
10. ВаРекультивация земли.
Объем рекультивации земли определяется по формуле:
Vрек.з. = Vср* hс , м3
где: hс - толщина срезаемого слоя, принимаем равной 0,2 м
Vрек.з. = 3420 м3
1.3.2 Выбор оптимального комплекта землеройно-транспортных машин
Для разработки траншеи необходимо подобрать такой комплект машин, который при минимальных затратах может выполнить работу. Комплект подбирается в зависимости от вида разрабатываемого грунта, глубины и объема разработки, гидрогеологических и климатических условий.
Сначала выбирают ведущую машину, при этом необходимо руководствоваться следующими условиями:
- емкость ковша и параметры экскаватора выбираются в зависимости от объема траншеи,
- мощность и марка бульдозера, скрепера или грейдера - от дальности транспортировки грунта,
- емкость кузова автосамосвалов - от емкости ковша и их количества при загрузке грунтом,
Таблица 1.
Выбор комплектов механизации
| I вариант механизации | II вариант механизации |
| Срезка растительного слоя | |
| Бульдозер ДЗ - 18 | Бульдозер ДЗ - 9 |
| Разработка траншеи | |
| Экскаватор ЭО тАУ 4121А | Экскаватор Э - 656 |
| Обратная засыпка | |
| Бульдозер ДЗ - 18 | Бульдозер ДЗ - 9 |
| Планировка | |
| Бульдозер ДЗ - 18 | Бульдозер ДЗ - 9 |
| Рекультивация | |
| Бульдозер ДЗ - 18 | Бульдозер ДЗ - 9 |
Вместе с этим смотрят:
Авангардизм як явище архiтектури ХХ столiття
Автоматическая автозаправочная станция на 250 заправок в сутки
Анализ деятельности строительного предприятия "Луна-Ра-строй"
Анализ проектных решений 20-ти квартирного жилого дома