Кручение стержней
Глава 1. Кручение стержней имеющих в сечении правильный многоугольник
Вз1.1 Кручение призматических стержней
Вз1.2 Кручение стержней прямоугольного сечения
Вз1.3 Мембранная аналогия
Вз1.4 Кручение тонкостенных стержней открытого профиля
Глава 2. Кручение стержней имеющих в сечении круг и эллипс
Вз2.1 Кручение стержней круглого и эллиптического сечений
Вз2.2 Кручение тонкостенных труб
Вз2.3 Кручение круглых валов переменного диаметра
Глава 3. Кручение призматических и цилиндрических стержней
Вз3.1 Чистое кручение стержней постоянного сечения
Вз3.2 Чистое кручение круглых стержней (валов) переменного сечения
Глава 4. Задачи
Заключение
Литература
ВВЕДЕНИЕ
Данная выпускная квалификационная работа состоит из четырех глав. В первой главе излагается прямой, обратный и полуобратный методы, применяемые при решении задач о кручении стержня прямоугольного сечения. Исследованы приближенные методы решения задач о кручении более сложных сечений.
Вторая глава посвящена изучению кручения стержней в сечении имеющих форму круга или эллипса. Применяют метод перехода к полярным координатам.
В третьей главе исследуется кручение призматических и цилиндрических стержней, исследуются общие построения данной теории и их различия.
В четвертой главе изучают теоретическое применение к решению задач.
Глава 1. КРУЧЕНИЕ СТЕРЖНЕЙ, ИМЕЮЩИХ В СЕЧЕНИИ ПРАВИЛЬНЫЙ МНОГОУГОЛЬНИК
Вз1.1 Кручение призматических стержней
Прямой метод решения задач теории упругости, заключающийся в интегрировании основных уравнений теории упругости совместно с заданными граничными условиями, не всегда возможен. Для многих задач удобно применять так называемые обратный и полуобратный методы. При пользовании обратным методом выясняют, каким граничным условиям соответствуют некоторые функции, удовлетворяющие дифференциальным уравнениям. Таким путем можно получить ряд полезных результатов. Полуобратный метод, впервые предложенный Сен-Венаном, состоит в том, что делают некоторые допущения в отношении напряжений или перемещений. При этом дифференциальные уравнения настолько упрощаются, что решение их не представляет особых математических трудностей. Принимая те или иные допущения, мы, как правило, ограничиваем общность полученного решения; но обычно их можно формулировать таким образом, чтобы все же получить решение частных задач. Например, в рассматриваемой ниже задаче о кручении призматического стержня мы будем задаваться определенными функциями для перемещений и, v, w, сводя, таким образом, основные уравнения к одному дифференциальному уравнению. Но при таких допущениях мы можем найти решение задачи о кручении стержней только постоянного сечения; решения же для стержней, не являющихся призматическими, получить этим путем нельзя. Полуобратный метод является одним из самых эффективных методов решения задач теории упругости.

рис. 1
Предположим, что один конец стержня призматического сечения, длины L, закреплен в плоскости ху, а на другой конец действует пара, вектор-момент который направлен вдоль оси z (рис. 1). Мы полагаем, что закрепленный конец не может вращаться, но что оба конца могут свободно перемещаться друг относительно друга в направлении z. Под действием пары стержень будет закручиваться, причем образующие цилиндра будут превращаться в винтовые линии. Угол поворота любого поперечного сечения зависит от расстояния, на котором находится это сечение от закрепленного конца. При малой деформации можно считать, что угол закручивания
пропорционален расстоянию между сечением и закрепленным концом. Таким образом,
z, (1)

рис. 2
где
угол закручивания на единицу длины. Будем считать угол закручивания
малым. Рассмотрим сечение стержня, которое находится на расстоянии z от закрепленного конца. Точка Р с координатами x, y, z в результате деформации перемещается в точку Р’(x+u, y+v, z+w). На рисунке 2 показана точка Р’1, являющаяся проекцией Р’ на плоскость xy.
Предположим, что в плоскости xy точка Р перемещается в Р’1 при повороте на угол закручивания
, причем ОР
ОР’1= r. Если угол
мал, то cos
1 и sin
. Следовательно,

Подставляя значение
(1), получаем
(2)
таким оказывается закон изменения u и v. В отношении w не будем пока делать никаких допущений, кроме того, что w зависит только от x и y и не зависит от z . Следовательно, можно записать
(3)
где
- некоторая функция от x и y .Так как w определяет искажение (депланацию) торцевых сечений, то функцию
можно назвать функцией депланацией. Необходимо выяснить, будут ли отвечать принятые выражения для перемещений, вместе с неизвестной еще функцией
, напряженному состоянию, удовлетворяющему заданным граничным условиям. Эти условия в данном случае состоят в том, что на обоих торцах должны действовать, только крутящие моменты и что боковая поверхность стержня свободна от сил.
Пользуясь приведенными выше выражениями для перемещений, находим:
(4)
Из закона Гука следует:
(5)
Подставим эти значения в уравнения равновесия, которые будут выполняться, в случае, если функция
удовлетворяет уравнению

для всех точек поперечного сечения R стержня, здесь

- оператор Лапласа.
Обратимся к граничным условиям. Так как

на боковой поверхности стержня, то уравнений примет следующий вид:
на контуре S,
где S - контурная линия поперечного сечения стержня.
Покажем, далее, что на двух других граничных поверхностях, а именно, на торцах стержня, определяемых плоскостями z=0 и z=L, напряжение (5) сводятся к скручивающей паре, и результирующие силы отсутствуют. Результирующая сила в направлении x равна

; (8)
это выражение можно привести к виду
. (9)
При получении уравнения (9) были использованы соотношения


рис. 3
здесь принято

в соответствии с уравнением (6).
Пусть f является некоторой функцией x и y; тогда можно выписать равенства (рис. 3):

где f1 и f2 - значение функции f на правой и левой частях контура. Выполним интегрирование по y для контурной кривой в границах от y=yA до y=yB. Если мы будем вести интегрирование функции f по контуру в направлении против часовой стрелки, то для правой части контура приращение dy - положительно, а для левой - отрицательно. В результате каждая из величин f1dy и (- f2dy) окажется положительной, и, следовательно,
. (10)
Аналогично,
(11)
Пользуясь формулами (10) и (11), придадим выражению (9) вид:
. (12)
Будем считать положительными направления вдоль нормали N во внешнюю сторону и вдоль контура тАУ против часовой стрелки; тогда согласно рис.3,б получим
(13)
Равенство (12) принимает вид

при этом выражение

обращается в нуль на контуре S в соответствии с уравнением (7). Мы пришли, таким образом, к равенству

Таким же путем можно показать, что составляющая результирующей силы вдоль оси также равна нулю:

Следовательно, результирующие силы по торцам цилиндра обращаются в нуль.
Результирующий крутящий момент T по торцам стержня, отвечающий принятому распределению напряжений, равен:
(14)
Интеграл, фигурирующий в выражении (14), зависит от функции кручения
и, следовательно, от вида поперечного сечения R стержня. Вводя обозначение
(15)
Получим
(16)
где J тАУ постоянная кручения. Уравнение (16) показывает, что крутящий момент пропорционален углу закручивания на единицу длины, так что произведение является мерой жесткости стержня, подвергаемого кручению; величина эта называется крутильной жесткостью стержня.
Вз1.2 Кручение стержней прямоугольного сечения
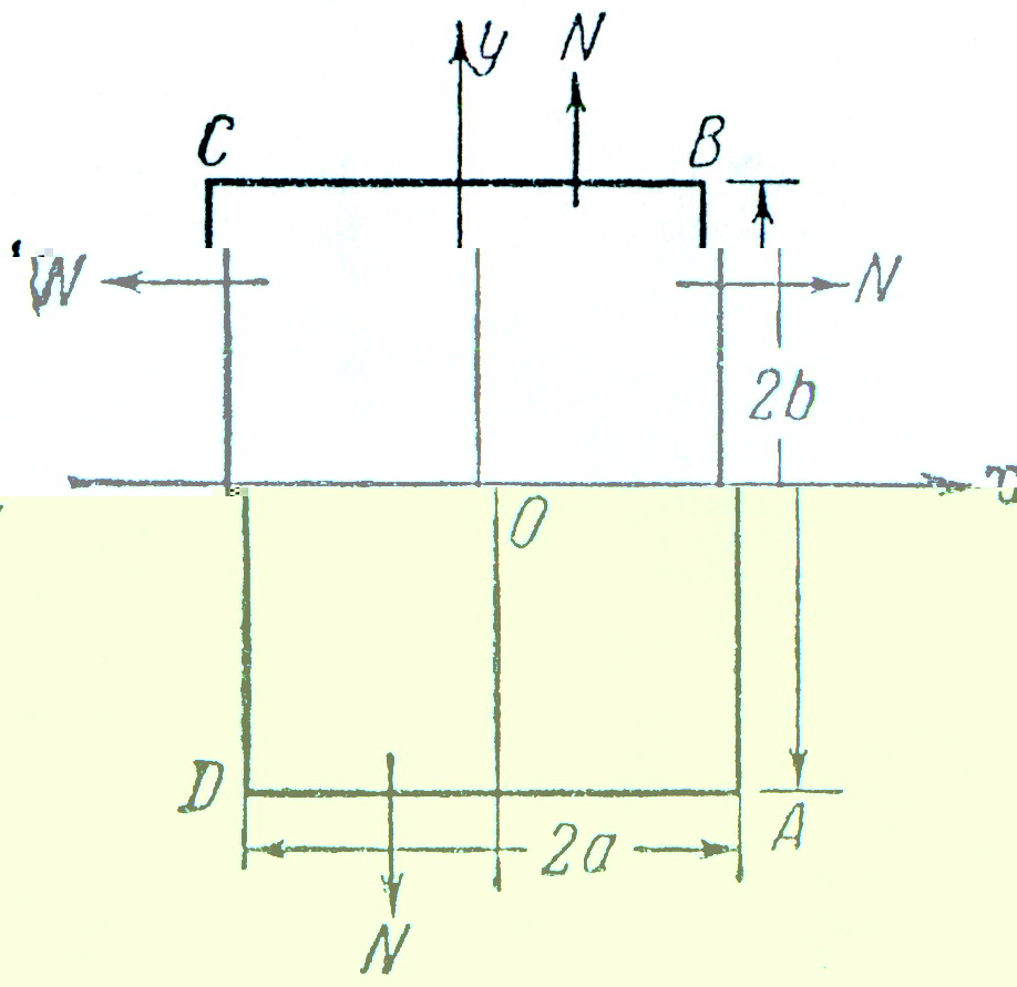
Пусть поперечное сечение стержня представляет собой прямоугольник с центром в начале координат и со сторонами 2a и 2b, направленными параллельно координатным осям, как показано на рис.7. Пользуемся полученными ранее уравнениями: для всей прямоугольной области

рис.7
(6)
и по контору
(7)
На контурных линиях AB и CD, где x=
a, будет l=
1 и m=0 , а на линиях BC и AD имеем l=0 и m=
1 . Условие на контуре (7) можно переписать в следующем виде:
(31)
Этим условиям можно придать более удобную форму, вводя новую функцию
так, что
. (32)
Легко показать, что для новой функции
основное уравнение по всей прямоугольной области будет иметь вид:
; (33)
условия на контуре будут следующими:
при
(34)
при
(35)
Примем решение уравнения (33) в виде бесконечного ряда
(36)
каждый член, которого удовлетворяет дифференциальному уравнению; здесь Xn(x) и Yn(y) тАУ функции соответственно только x и y. Очевидно, если решение для
нельзя выразить в форме ряда (36), то мы не сможем найти решение для функции Xn и Yn , удовлетворяющее граничным условиям.
Подставляя Xn(x), Yn(y) в уравнение (33) и обозначая производные штрихами, находим

Или

Так как левая часть полученного уравнения является функцией только от x, а правая зависит только от y, то уравнение может быть удовлетворено лишь в том случае, если обе его части равны постоянной величине; обозначим ее через (
) (постоянную берем со знаком минус, так как иначе граничные условия не будут удовлетворяться). Таким образом, мы получаем два обыкновенных дифференциальных уравнения:

Эти дифференциальные уравнения легко решить с помощью известных методов интегрирования обыкновенных дифференциальных уравнений с постоянными коэффициентами. Решение их будут следующими:
(37)
(38)
Рассмотрим теперь условие на контуре (35). Во-первых, можно установить, что выражение

должно иметь одно и то же значение при y=b и y=-b. Это условие может быть выполнено, если производные
являются симметричными функциям от y. Во-вторых, при
будем иметь

Это условие удовлетворяется, если Xn(x) являются антисимметричными функциями относительно x. Исходя из этих соображений, находим, что c2=c4=0.Условие (34) будет выполнено, если
, или

Отсюда находим
.
Поскольку c1 и c2 тАУ произвольные постоянные, функцию можно записать в следующем виде:
(39)
Где
;
постоянные An следует определить таким образом, чтобы удовлетворялось граничное условие (35).
Дифференцируя функцию
по y и подставляя
из уравнения (35) получаем
; (40)
здесь для упрощения записи введено обозначение:
.
Коэффициенты An можно определить, пользуясь схемой, применяемой при разложении функции в ряд Фурье. Умножим обе части уравнения (40) на
и проинтегрируем все члены по x. Учитывая соотношения

получим
при 
= a при m=n
и 
Вычислив значения интегралов в этом выражении, найдем

или

следовательно, решение будет иметь вид:
(41)
Постоянную кручения J можно определить по формуле (15):

Принимая во внимание равенство

приходим к формуле для J:
(42)
В таблице 1.1 даны значения K, соответствующие разным величинам отношения b/a .
Таблица 1.1
| b/a | K | K1 | K2 |
1,0 1,2 1,5 2,0 2,5 3,0 4,0 5,0 10,0
| 2,250 2,656 3,136 3,664 3,984 4,208 4,496 4,656 4,992 5,328 | 1,350 1,518 1,696 1,860 1,936 1,970 1,994 1,998 2,000 2,000 | 0,600 0,571 0,541 0,508 0,484 0,468 0,443 0,430 0,401 0,375 |
Ряд (42) можно записать в виде

Мы замечаем, что сумма
меньше суммы
так как
при
. Следовательно, первый член ряда дает значение суммы с точностью до 0,5%, и для практических расчетов можно пользоваться приближенной формулой
(43)
После некоторых выкладок находим следующие формулы для касательных напряжений:
(44)
Можно показать, что если b>a, то максимальные касательные напряжения имеют место посередине длинных сторон прямоугольника, при
. Подставляя в уравнение (44) значения x=a и y=0, находим

и
(45)

рис.8
Бесконечный ряд в правой части уравнения, которой мы обозначим через K1/2, сходится очень быстро при b>a , и вычисление величины
с достаточной точностью для любого отношения b/a не представляет трудностей. Значение K1, соответствующие различным величинам b/a , включены в табл. 1.1. Подставляя выражения
постоянной кручения J из уравнения (42) в уравнение (45), получаем
(46)
где K2 - второй числовой множитель, значения которого также даны в табл. 1.1.
Горизонтали поверхности, для которых
, могут быть легко определены из уравнения для функции
. Для стержня квадратного сечения, т.е. при a=b , горизонтали на рис.8; здесь сплошные линии соответствуют положительным значениям w, а пунктирные тАУ отрицательным, по правилу знаков.
Вз1.3 Мембранная аналогия
Из примера, разобранного в предыдущем параграфе, становится очевидным, что задачи о кручении стержня более сложной формы поперечного сечения может оказаться весьма трудным. Для приближенного решения задач о кручения стержней различных сечений, часто встречающихся в технике, весьма эффективной оказались так называемая мембранная аналогия. Она основана на математической аналогии между задачами о кручении и о деформации упругой натянутой мембраны, подверженной равномерному поперечному давлению.

рис.9
Пусть тонкая однородная мембрана (рис.9) имеет постоянное натяжение и закреплена по контуру, который ограничивается кривой, лежащей в
плоскости xy. Если мембрана подвергается равномерному поперечному давлению p, то точки её срединной поверхности получат перемещения z, зависящие от x и y. Рассмотрим условие равновесия бесконечного малого элемента ABCD мембраны после деформации. Обозначим через F постоянное натяжение, приходящееся на единицу длины мембраны. Усилие F, действующее по стороне AD, наклонено к оси под углом
. Так как деформации малы, то можно принять
. Прогиб z меняется от точки к точке, поэтому усилие F для стороны BC наклонено под углом
.
Таким же путем находим, что углы наклона растягивающих усилий, приложенных по сторонам AB и CD, равны соответственно
и
.
Складывая составляющие вдоль оси сил, действующих по четырем сторонам, получаем

отсюда
тАж для области R. (47)
На контуре прогиб мембраны равен нулю. Поэтому граничное условие имеет вид:
z=0 на контуре S. (48)
Вернемся теперь к задаче о кручении. Основное дифференциальное уравнение будет:
для области R, (6)
а граничное условие имеет вид:
на контуре S. (7)
На первый взгляд эти соотношения и уравнения (47) и (48) не являются аналогичными. Однако им можно придать идентичную форму, если ввести новую функцию
с помощью соотношений:
(49)
Из уравнений (49) имеем

Дифференциальное уравнение (6) обращается в тождество, так как
+
= 

Таким образом, если функция
определяется по формулам (49), то уравнения равновесия будут удовлетворяться тождественно.
Выражая касательные напряжения
и
через функцию
, получаем
(50)
Если функция
найдена, то касательные напряжения можно вычислить путем простого дифференцирования. Следовательно, функция
представляет собой функцию напряжений; определение функции
равнозначно вычислению напряжений. Далее следует использовать уравнение совместимости. Системе напряжений

соответствуют компоненты деформации:

Подстановка этих величин в уравнения совместимости показывают, что первые три уравнения и последнее из них тождественно удовлетворяются. Четвертое и пятое уравнение приводятся к виду:

Интегрируя их, находим

Эту постоянную можно определить, если подставить сюда выражения

Тогда получим

Или

Подставляя значение с в уравнение совместимости, получим дифференциальное уравнение
для области R, (51)
которому должна удовлетворять функция
. Отметим, что уравнение (51) можно получить непосредственно, продифференцировав уравнение (49) и затем, исключив из них функцию
. Но тогда остается нераскрытым то обстоятельство, что уравнение (51) является уравнением совместимости.
Граничное условие (8), выраженное через
, имеет вид:
на контуре S.
В параграфе Вз1.1 были уже записаны соотношения
(13)
Поэтому условие на контуре можно записать в виде
или
на контуре S. (52)
Заметим, что при вычислении напряжений нам необходимы лишь производные от
и что значение постоянной с2 в уравнении (52) не влияет на решение задачи. Поэтому можно принять с2=0. Окончательно решение задачи о кручении сводится к определению функции
, удовлетворяющей уравнению
для области R (51)
и условию
на контуре S. (52)
Сравнивая эти уравнения с уравнениями для мембраны, мы видим, что между ними имеется полная аналогия, если отношение
положить равным 2, и если форма контура мембраны совпадает с формой поперечного сечения стержня. Мембранная аналогия эффективно используется для экспериментального определения функций напряжений. Техника проведения такого эксперимента, а также опытов, связанных с другими аналогиями, подробно описана в специальных пособиях.

рис.10
Мембранная аналогия может быть использована не только для численного определения натяжений; она дает также наглядную картину напряженного состояния. На рис.10 изображена такая мембрана и нанесены горизонтали изогнутой поверхности. Рассмотрим некоторую точку В срединной поверхности мембраны. Прогиб вдоль горизонтали остается постоянным, так что
.
Пользуясь аналогией, можем написать
.
Из соотношений

вытекает, что составляющая касательного напряжения, направленная по нормали к горизонтали, равна нулю. Другими словами, касательное напряжение в точке В закручиваемого стержня направлено по касательной по горизонтали, проходящей через эту точку. Величину результирующего касательного напряжения можно найти из следующей формулы:
.
Следовательно, величина касательного напряжения в точке В определяется уклоном мембраны по нормали к горизонтали, и потому касательные напряжения достигают максимума в тех местах, где горизонтали особенно сгущаются. Рассмотрение поверхности мембраны показывает, что наибольший уклон имеет место на контуре. Отсюда можно заключить, что максимальные значения касательных напряжений будут также в определенных точках контура сечения стержня.
Обратимся к выводу выражения для постоянной кручения J через функцию
. Из формулы (15) имеем:
(53)
Здесь использовано то обстоятельство, что по формуле (52) на контуре S будет
. Из мембранной аналогии вытекает, что постоянная кручения J равна удвоенному объему, заключенному между изогнутой мембраной и плоскостью xy. Полагая c2=0, в (52) мы считали, что величина c2 не влияет на решение задачи. Однако значение J, на первый взгляд, зависит от величины c2. Чтобы выяснить это, допустим, что c2
и подставим
вместо
в последнее из выражений (53). Так как в точках контура
, то для них
; следовательно, члены, содержащие контурные значения
, будут равны нулю так же, как это для функции
. Таким образом,
.

рис.11
Пользуясь, рис .11, приходим к соотношениям
площади BCDD’- площадь BEDD’= -A , (54)
где А - площадь поперечного сечения. Подобным же образом можно показать, что
. Но в то же время
. Следовательно,
,
что совпадает с формулой (53).
Вз1.4 Кручение тонкостенных стержней открытого профиля
Рассмотрим вначале кручение стержня с поперечным сечением в форме узкого прямоугольника. Из мембранной аналогии заключаем, что влияние коротких сторон прямоугольника распространяется на небольшие участки. Если отношение b/a велико, то в формуле (43) величину
можно приближенно считать равной 1; второй член в скобках становится пренебрежимо мал. Поэтому имеем
.
Обратимся к формуле (45). При значительном отношении b/a величина


будет большой, сумма же бесконечного ряда получает пренебрежимо малое значение. В результате получаем
. (55)
Если величина J известна, то угол закручивания можно вычислить по формуле
. (16)
Обозначим через b1 длину, а через t тАУ толщину прямоугольника (рис.12,а); тогда эти формулы примут вид:
t. (56)
В предыдущем параграфе было показано, что напряжение
равно произведению отношения T/J на максимальный уклон изогнутой мембраны. Из формул (55) и (56) следует, что в случае узкого прямоугольного сечения наибольший уклон изогнутой мембраны равен 2a или t.

рис.12
Сопоставим теперь изогнутые мембраны с контурами, изображенными на рис.12,а и б. Очевидно, что если площади поперечного сечения их равны между собой, то равными будут и объемы выпучен в изогнутых мембранах. Если толщина t мала, то кривизна сечения в случае (б) незначительно влияет на максимальный уклон мембраны. Поэтому мы делаем вывод, что формула (56) может быть использована при получении приближенных решений и для тонкостенных профилей иной формы. Для поперечных сечений такого типа, который показан на рис.12,б, надо только вместо b1 в формуле (56) подставить развернутую длину дуги. В случае дуги окружности развернутая длина равна
, где
радиус, а
угол, стягиваемый дугой, в радианах.
Для таких тонкостенных профилей, как уголки, швеллера и двутавры,
вид изогнутых мембран будет таким, как если бы они были натянуты на несколько отдельных узких прямоугольников. Постоянная кручения J будет равна удвоенному объему, ограниченному изогнутой мембраной и плоскостью xy; максимальный уклон мембраны окажется равным
, причем
большая из величин ti или t2. Следовательно, для уголкового сечения имеем (рис.12, в):
(57)
а для швеллерного и двутаврового сечения (рис.12, г):
(58)
Следует заметить, что во входящих углах имеет место значительная концентрация напряжений, зависящая от радиуса закруглений углов профиля. Для малых радиусов закруглений (r=0.1t) Трефц получил следующее уравнение для максимальных напряжений в углах профиля:
(59)
где r - радиус закругления угла. Уравнение (59) выведено для случая полок равной толщины. Если же полки имеют различную толщину t1 и t2, то в формулу следует подставить большую из них. Концентрация напряжений во входящих углах изучалось экспериментально, причем была использована аналогия с мыльной пленкой. Отношения
, соответствующие различным значениям отношения r/t, приведены в табл.1.2. Экспериментально полученные величины отношения
для малых радиусов закругления ребер профиля значительно меньше вычисленных по формуле (59). Это, вероятно, можно объяснить тем, что при малых радиусах закруглений трудно определить истинные значения
.
Таблица 1.2
|
|
|
| 1 |
| 2,5 | 2,25 | 2,00 | 1,75 |

ГЛАВА 2.КРУЧЕНИЕ СТЕРЖНЕЙ, ИМЕЮЩИХ В СЕЧЕНИИ ОКРУЖНОСТЬ ИЛИ ЭЛЛИПС
Вз2.1 Кручение стержней круглого и эллиптического сечений
Было показано, что для решения задачи о кручении надо найти функцию депла
Вместе с этим смотрят:
РЖнварiантнi пiдпростори. Власнi вектори i власнi значення лiнiйного оператора
РЖнтегральнi характеристики векторних полiв
Автокорреляционная функция. Примеры расчётов
Актуальные проблемы квантовой механики





