Обеспечение помехопостановки и помехозащиты технических устройств
Задачи обеспечения помехопостановки (помехи радиоприему) и помехозащиты (помехоустойчивости) являются взаимосвязанными и противоборствующими сторонами. Часто они (задачи) используются в комплексе, с одной стороны, необходимо забить противника помехами для срыва его нормальной работы, а с другой стороны, обеспечить хорошую помехоустойчивость своей РЛС, то есть обеспечить подавление активных помех, применяемых противоборствующей стороной, и пассивных, связанных с тем или иным способом их создания.
Помехоустойчивость технического устройства (системы) ─ это способность устройства (системы) выполнять свои функции при наличии помех. Помехоустойчивость оценивают интенсивностью помех, при которых нарушение функций устройства ещё не превышает допустимых пределов. Чем сильнее помеха, при которой устройство остаётся работоспособным, тем выше его помехоустойчивость. Многообразие устройств и решаемых ими задач, с одной стороны, и видов помех тАФ с другой, приводят к необходимости специализированного подхода при рассмотрении помехозащиты в каждом конкретном случае. Требования к помехоустойчивости различных устройств отличаются большим разнообразием: так, в радиолокационных системах иногда считают допустимым пропуск отдельных радиолокационных станцией (за время однократного обзора контролируемой ею области пространства) до половины объектов, подлежащих обнаружению, а в системах передачи данных, использующих ЭВМ, часто недопустима потеря даже одного передаваемого знака из чрезвычайно большого их числа (например, ~ 109). Оценка рассматриваемого параметра может производиться на основе соотношения между помехой и сигналом, при котором обеспечивается заданное качество функционирования, например в радиолокации тАФ отношения сигнала к помехе, при котором обеспечивается заданная достоверность обнаружения (вероятность правильного обнаружения при определённой вероятности ложной тревоги). При известных статистических характеристиках сигналов и помех может быть теоретически определена максимальная достижимая помехоустойчивость. Осуществление ВлоптимальныхВ» устройств, реализующих такую устойчивость, обычно слишком сложно, а их неизбежные технические несовершенства не позволяют достичь её в полной мере. Поэтому обычно довольствуются устройствами, которые при наибольшей их простоте обеспечивают хорошее приближение к оптимальному устройству. Устойчивость к помехам, при действии аддитивных помех, может быть увеличена повышением мощности передаваемых сигналов. При действии пассивных помех (в радиолокации) увеличением мощности сигнала существенного повышения устойчивости не дает, и требуется радикальное изменение используемых методов, например применение помехоустойчивого кодирования либо самонастраивающегося (адаптивного) приёма.
Помехи радиоприёмупредставляют собой электромагнитное излучение, воздействующее на цепи радиоприёмника, электрические процессы в самих цепях, которые препятствуют правильному приёму сигнала и не связаны с этим сигналом посредством известной функциональной зависимости, а также искажения сигнала при распространении радиоволн. Действие помехи проявляется в случайных (непредсказуемых) искажениях формы принимаемого сигнала, приводящих к искажениям формы изображения на экране кинескопа и т.д. В зависимости от происхождения их подразделяют на космические, атмосферные, индустриальные, умышленные (организованные), помехи от др. радиостанций, помехи, обусловленные особенностями распространения радиоволн, а также собственные шумы радиоприёмника. В зависимости от характера воздействия на сигнал различают аддитивные и мультипликативные (неаддитивные) П. р. Аддитивная помеха проявляет себя независимо от сигнала. Действия сигнала и аддитивной помехи складываются. Мультипликативная помеха возникает только при наличии сигнала. Её действие проявляется в нерегулярном изменении уровня сигнала. Пример аддитивной помехи тАФ собственный шум радиоприёмника, мультипликативной тАФ эффект замираний.
Анализ задачи и ее формализация
Задачей данной курсовой работы является:
В· расчет параметров бортовой РЛС (БРЛС), определяющей скорость и азимут летательного аппарата (ЛА) противника;
В· расчет параметров помехопостановщика (мощность передатчика помех, средств создания помех, параметров помех);
В· расчет зон прикрытия помехами;
В· составление структурной схемы устройства;
В· анализ эффективности применения помех и средств помехозащиты;
В· оценка требований к аппаратно-программным ресурсам средств конфликтующих сторон.
Расчет параметров БРЛС будем производить в программной среде ВлСтрелаВ». За основу возьмем:
В· в качестве носителя РЛС - МиГ-31 рис.1 (технические характеристики смотрите в приложении);
В· тип станции - импульсно-доплеровская РЛС тАЬБАРСтАЭ рис. 2 (технические характеристики смотрите в приложении);
Расчет постановщика помех будем производить, опираясь на результаты расчета в программной среде ВлСтрелаВ». В качестве носителя станции помехопостановки выберем американский самолет-истребитель F-15 С рис.3.
При расчете необходимо учесть пассивные помехи, отражения от подстилающей поверхности, т.о. нужно предварительно подсчитать значения ЭПР помехи в м2. В качестве активной помехи в Т.З. определенна активно-шумовая помеха. Требуется в ходе работы определить необходимую мощность помехопостановщика и выбрать структурную схему, позволяющую реализовать данную помеху. С другой стороны, требуется обеспечить нормальную работу БРЛС в условии действия помехи, применяемой по МИГ-31. По окончании расчетов сделаем вывод об эффективности работы помехопостановщика и помехозащиты.
Современные БРЛС являются сложными, комплексными, иерархически построенными информационными системами. Сложность БРЛС определяется ее способностью решать одну и ту же задачу различными способами с использованием различных процедур (алгоритмов) обработки сигналов. Термин Влкомплексная системаВ» характеризует то обстоятельство, что для получения нужной информации с требуемой точностью и достоверностью в БРЛС используются и датчики другой физической природы (инерциальные, оптические и т.д.). Понятие Влиерархическая системаВ» подразумевает определенную соподчиненность различных подсистем и устройств БРЛС в процессе совместной обработки сигналов (информации), дающую возможность снизить аппаратурные и вычислительные затраты.
В общем случае БРЛС предназначена для информационного обеспечения процедур наведения и зашиты летательных аппаратов и управления их средствами поражения. Для решения этих задач необходимо иметь разветвленную сеть режимов работы. К этим режимам, прежде всего, относятся:
поиск и обнаружение воздушных и наземных целей с определением их государственной принадлежности;
сопровождение целей, при котором формируются оценки фазовых координат, необходимые для информационного обеспечения всех используемых методов наведения и уклонения от средств поражения;
идентификация (распознавание) целей вплоть до их типа с ранжированием по степени важности (опасности);
выдача команд целеуказания средствам поражения и формирование для них команд радиокоррекции.
В качестве вспомогательных, но имеющих важное значение, можно отметить режимы информационного обеспечения автоматической дозаправки в воздухе и автономной автоматической посадки, в том числе и необорудованные в радиотехническом отношении аэродромы (посадочные площадки).
Следует отметить, что БРЛС является составной частью системы более высокого уровня иерархии, именуемой системой управления вооружением и обороной (СУВО) самолета (вертолета), либо информационно вычислительной системой.
В процессе поиска целей БРЛС просматривает определенную зону пространства, порядок просмотра которой определяется решаемыми задачами и видом используемой антенны. После обнаружения целей БРЛС переходит к их автоматическому сопровождению. При этом может сопровождаться как одиночная цель, так и групповая со значительным разносом элементов группы по пространству. На основе информации, извлекаемой из радиосигналов в БРЛС формируются оценки всех фазовых координат хрлс, используемых для наведения самолета-носителя и выдачи команд целеуказаний средствам поражения и сопрягаемым системам (например, оптико-электронным) для резервированного подслеживания за целью. Кроме того, в БРЛС могут формироваться и некоторые информационные признаки (признак маневра (ПМ) цели, признак типа цели (ПТЦ) по принятой классификации, приоритета опасной цели (ПОЦ), признак помех и ряд других), способствующие адаптации летчика к окружающей обстановке.
Спецификой современного состояния авиации является то, что существенно возросли возможности самолетов-носителей по изменению своего углового и пространственного положения, расширилось поле значений и законов изменения скоростей и ускорений перемещений, качественным образом изменились возможности авиационных средств поражения. Кроме того, бурное развитие прикладных сторон фундаментальных наук, возрастающие способности датчиков различной физиче- ской природы извлекать из геофизических полей все больший объем информации и все возрастающие возможности вычислительных систем по объему памяти и быстродействию, применение новых технологий дают возможность все полнее удовлетворять требованиям информационного обеспечения все усложняющихся видов и способов боевых действий на земле и в воздухе.
Расчет параметров средств помехозащиты
Как уже отмечалось ранее, расчет будем вести в программной среде ВлСтрелаВ». Запустив исполнительный файл программы, выберем закладку ВлИсследованиеВ», а затем ВлРасчет параметров РЛС - классический методВ»
В появившемся окне ВлПараметры системыВ» требуется указать параметры РЛС согласно техническому заданию:
В· в закладке ВлРЛСВ» рис.5, укажем в качестве ВлОсновного режима работыВ» - импульсно-доплеровский. Такой выбор связан с тем, что импульсно-доплеровские БРЛС по сравнению с импульсными станциями с режимом СДЦ обладают существенно лучшими характеристиками по обнаружению цели на встречных курсах на фоне земли. ВлПо назначениюВ» - бортовая РЛС. ВлСкорость носителя РЛС в м/сВ» - 3000 км/час (соответствует скорости МИГ-31 на высоте 17500 м) или ≈ 833 м/с. ВлОднозначно измеряемая скорость м/сВ» -830 м/с (соответствует ТЗ). ВлТип обработкиВ» - режекция и когерентное накопление.
В· в закладке ВлСигналВ» рис.6, укажем в качестве ВлТипа сигналаВ» - простой. ВлДлина волны, смВ» - 3, такой выбор связан с тем, что близко с этим значением (3,3 см) расположено окно прозрачности, следовательно, меньше затухание в среде.
В· в закладке ВлЦель и помехаВ» рис.7 укажем ВлЭПР цели кв.мВ» - 3,6 (в соответствии с ТЗ). ВлМаксимальна скорость цели, м/сВ» - 830 м/с (в соответствии с ТЗ), но т.к. скорости F-15 С на высоте 14000 м≈ 736 м/с ее и возьмем за исходную. ВлЭПР помехиВ» - 825 м2 (расчет и рассуждения см. ниже). ВлШирина спектра флюктуаций, ГцВ» - 10934.
Для ввода ЭПР помехи требуется ее рассчитать, что и сделаем ниже. Существует множество способов учета отражений от подстилающей поверхности. Для решение таких задач в режиме квазинепрерывного импульса (КНИ) посредством выбора частот повторения зондирующих импульсов выделяется для частотного спектра отраженного сигнала подвижной цели поддиапазон доплеровских частот, свободный от отражений подстилающей поверхности. Фактически создаются условия обнаружения цели на фоне собственных шумов приемника БРЛС.
Импульсно-доплеровские РЛС, как известно, используют метод станций, работающих на непрерывном излучении. Спектр доплеровского сигнала, отраженного от поверхности земли с летящего объекта, представлен на рис. 8 На нем значению мощности сигнала S(Fд) в области доплеровской частоты Fд = 0 соответствуют высотные отражения от точек подстилающей поверхности вблизи нормали, которая проведена с самолета на землю. Области частот Fдгл соответствуют отражению по оси луча антенны РЛС, скользящего по поверхности земли со скоростью перемещения самолета в горизонтальной плоскости.

Как видно на рис.8, при скоростях сближения с целью, больших скорости самолета, отсутствуют сигналы, отраженные от земли, поэтому при атаке сверху вниз в переднюю полусферу цели отсутствует загрубление чувствительности приемника и дальность обнаружения цели РЛС оказывается такой же, как и в свободном пространстве. При атаке в заднюю полусферу цели, имеет место загрубление чувствительности приемника за счет сигналов, принимаемых по боковым лепесткам диаграммы направленности антенны. При этом, чем ниже высота полета самолета, тем больше загрубление приемника и, следовательно, меньше дальность обнаружения цели.
Поскольку для РЛС самолета не представляется возможным реализовать метод непрерывного излучения, так как невозможно разместить две антенны в носовой части самолета, был предложен импульсно-доплеровский метод с высокой частотой повторения (ВЧП) излучения зондирующих импульсов. Этот метод заключается в том, что при атаке в переднюю полусферу цели выбирается частота повторения импульсов Fп большая, чем максимальная доплеровская частота цели. Периодически излучаемые зондирующие когерентные импульсы можно рассматривать как сумму гармонических составляющих с частотами fk = f0 + kFп, где f0 - несущая частота РЛС, a k - любое целое число. Каждая составляющая с частотой fk подобна непрерывному зондирующему сигналу; максимальное и минимальное доплеровское приращение частоты сигналов, отраженных от подстилающей поверхности, образуется как 2Vc/Ak и -2Vc/Аk соответственно, где Аk= = c/fk, а с - скорость распространения радиоволн. При этом, значение мощности доплеровского сигнала отражения от земли по каждой составляющей модулирируется в соответствии с огибающей спектра зондирующих импульсов Sт. В результате этого спектр отраженного от земли доплеровского сигнала имеет вид, показанный на рис. 9.

При атаке с задней полусферы цели применяется метод средней частоты повторения (iП) излучения зондирующих импульсов. При этом анализируются доплеровские частоты ниже "пика земли" (Fдгл). Получается неоднозначное измерение дальности до цели и скорости сближения с ней. Весь интервал однозначной дальности для выбранного периода повторения зондирующих импульсов разбивается на равные интервалы Dp, соответствующие разрешающей способности РЛС по дальности, и в каждом из них производится частотный анализ в диапазоне доплеровских частот цели. Иллюстрацией разбиения временной оси для "нарезки" интервала однозначного определения дальности до цели является рис. 10.

Если исключить определенное количество участков по дальности, соответствующих высоте полета самолета, при которой загрубление приемника не обеспечивает необходимую дальность обнаружения цели, то при снижении самолета дальность, на которой осуществляется прием отражений от земли, не будет уменьшаться, как и дальность обнаружения цели. При изменении частоты повторения зондирующих импульсов обеспечивается обнаружение цели на участках дальности, где были "заперты" приемники РЛС. Отсутствие в режиме КНИ средней частоты повторения импульсов в доплеровском диапазоне частот зон, свободных от отражений подстилающей поверхности, осложняет процесс обнаружения цели. Он становится зависимым от типа подстилающей поверхности. Причем, в силу наличия селекции по дальности и скорости, режиму КНИ iП свойственно собирать фон подстилающей поверхности от отдельных ее участков, которые, естественно, по-разному отражают зондирующие сигналы БРЛС.
Для малых по сравнению с длиной волны и пологих неровностей применим метод возмущений (мелкомасштабная модель). Отраженная волна представляется в виде суммы волн от гладкой поверхности, определяемой коэффициентами отражения Френеля и обусловленной мелкими неровностями. Если радиус кривизны неровностей много больше длины волны для плавных неровностей достаточно больших размеров, применим метод Кирхгофа (крупномасштабная модель). При этом отраженное поле вычисляется по законам геометрической оптики, т.е. так же, как при отражении от бесконечной касательной плоскости в данной точке поверхности. С учетом того, что в этой модели затенение одних участков поверхности другими отсутствует, можно воспользоваться коэффициентами отражения Френеля.
При оценке участка гладкой поверхности, эффективно участвующего в формировании отраженного сигнала в сторону РЛС, можно воспользоваться зонами Френеля. Рассмотрим случай вертикального облучения земной поверхности. Метод построения зон ясен из рис. 11.

Для первой зоны разность хода лучей до центра зоны и до любой точки внутри зоны не превышает λ/4, что после отражения на границе зоны соответствует разности хода λ/2, т. е. фазовому сдвигу 180В°. Остальные зоны строятся аналогично. Отсюда следует, что первая зона является кругом с радиусом:
![]()
так как обычно H >> λ/4, где H тАУ высота БРЛС над землей.
Что касается остальных зон, то они образуют кольца. Вторая зона имеет внутренний радиус R1 и внешний:
![]()
последующие радиусы равны:
![]()
![]()
и т. д. Так как площадь k-го кольца:
![]()
т. е. площади колец зон равны. Вследствие того, что сигналы, отраженные от этих зон, имеют разные знаки, происходит их взаимная частичная компенсация и результирующий отраженный сигнал соответствует приблизительно половине формируемого первой зоной Френеля, что и определяет главную роль этой зоны.
Произведем расчет ЭПР помехи от подстилающей поверхности на разных высотах носителя БРЛС, результаты сведем в таблицу 1.
Таблица 1.
H, м | 20 600 | 17 500 | 15 000 | 10 000 | 5 000 | 1 000 |
Sk, м2 | 970.752 | 824.668 | 706.858 | 471.239 | 235.619 | 47.124 |
По результатам построим зависимость Sk=f(H) рис.12.

При расчете мощности и спектра отражений от поверхности земли можно использовать геометрические представления. Совместим начало координат с носителем РЛС, которая работает в импульсном режиме, и аппроксимируем диаграмму направленности антенны в виде главного лепестка и сплошной сферы боковых лепестков.
Тогда поверхность земли, точки которой являются источником отражений, формирующих сигнал пассивной помехи на входе приемника в каждый момент времени, представляет собой кольцо, ширина которого пропорциональна длительности зондирующего импульса τи, а радиус определяется текущей задержкой отраженного импульса в пределах однозначной дальности.
В режиме низкой частоты повторения (НЧП) образуется одно кольцо, которое последовательно перемещается в пределах от минимума до максимума однозначной дальности, что показано на рис. 13.

В тех же пределах в режиме высокой частоты повторения (ВЧП) и средней частоты повторения (iП) одновременно на поверхности земли образуется система колец, расстояние между которыми пропорционально периоду повторения Т (рис. 14).

Рис. 14 соответствует одному рассматриваемому моменту времени. Пунктиром показаны помехи по главному лепестку диаграммы направленности. Отраженный сигнал от земной поверхности в режиме ВЧП и iП приходит в приемник с нескольких колец дальности одновременно. Число таких колец определяется следующим образом:
![]()
Где D0 тАУ однозначная дальность, ΔDт тАУ дальность, соответствующая периоду повторения Т.
Учитывая в согласованном фильтре многоканальную обработку по частоте, отраженный сигнал с колец дальности рассортируем по доплеровской частоте.
Нанесем на кольца дальности (рис. 14) линии равных доплеровских частот, называемых изодопами. Изодопы имеют вид гипербол и определяются скоростью носителя РЛС. Ширина изодопы соответствует полосе пропускания доплеровского фильтра Δf.
В результате построения на земной поверхности образуются участки, суммарная площадь которых определяет мощность отражений от земной поверхности в одном фильтре обработки. На рис. 14 для одной изодопы эти участки заштрихованы.
Суммарная площадь участков определяется числом колец дальности, которые пропорциональны периоду повторения Т. В режиме iП число колец дальности получается меньше по сравнению с ВЧП, на основании чего площадь отражений от земной поверхности уменьшается.
Приведем методику расчета мощности помех, соответствующих отражениям от земли. Считаем известными путевую скорость полета носителя V, высоту полета Н, ширину доплеровского фильтра Δf, период повторения РЛС Т, максимальную однозначную дальность D0, длину волны λ и длительность зондирующего импульса τи. Линия полета носителя совпадает с осью х, по которой располагается координата дальности, что показано на рис. 15
помехозащита импульсный помеха сигнал

Для любого угла места β частота Доплера:
![]()
Определим угол Δβ, соответствующий полосе пропускания доплеровского фильтра ДГ и пропорциональный ширине линии изодопы:
![]()
Построим изодопу для выбранного угла β в пространстве, в координатах х,у,z (рис.16).

Расчеты показывают, что для гиперболы, построенной из точки А (рис. 15) в плоскости х,у, лежащей на земной поверхности, углы асимптот всегда равны углу β. На рис. 17 приведенная ранее изодопа представлена в плоскости х,у.

Величина Δх (рис. 15) определяет ширину линии изодопы на земной поверхности, пропорциональной величине Δf.
Если по ширине изодопы провести асимптоты, то угол между ними составит величину Δβ, такую же как на рис. 15. Следовательно, ширина изодопы при ее продолжении увеличивается пропорционально величине Δβ. Тогда площадь участка ΔS, определяемого пересечением изодопы и кольца дальности ΔS=ab, где a─ сторона, определяемая наклонной дальностью D и величиной Δβ и b ─ сторона, которая пропорциональна длительности τи. На основании изложенного площадь одного участка, соответствующая первому кольцу дальности ΔS, определяется:
![]()
В· в закладке ВлПараметры 1В» рис.18 укажем ВлМощность передатчика, кВтВ» - 5, ВлКоэффициент усиления антенныВ» - 10000, ВлЭнергетическая дальность, кмВ» - 123, ВлРазрешение по дальности, мВ» - 200, ВлВероятность правильного обнаруженияВ» - 0,95, ВлВероятность ложной тревогиВ» - 10-6, ВлПотери при обработке, дБВ» - 3.
В· в закладке ВлПараметры 2В» рис. 19 укажем для азимутальной плоскости: ВлМаксимальный угол сканирования, гр.В» - 70, ВлМинимальный угол сканирования, гр.В» - (-70), ВлРазрешение, грВ» - 5; для угломестной плоскости: ВлМаксимальный угол сканирования, гр.В» - 20, ВлМинимальный угол сканирования, гр.В» - (-20), ВлРазрешение, грВ» - 5; ВлВремя обзора сектора сканированияВ» - 1,28 с. Расчет числа импульсов в пачке зондирующего сигнала вести, исходя из времени обзора сектора сканирования.
Значения, указанные в закладках ВлПараметры 1В» и ВлПараметры 2В» были выбраны согласно ТЗ и характеристикам БРЛС "БАРС" см. приложение. Теперь программа выполнит расчет параметров РЛС, согласно принятым параметрам, рис. 20.
В программной среде ВлСтрелаВ» имеется возможность отображения некоторых результатов в виде зависимостей, которые представлены на рис. 21.

Как видно из рис. 21:
В· увеличение числа импульсов в пачке приводит к большему значению энергетической дальности, что можно объяснить непосредственной связью числа импульсов в пачке N с коэффициентом передачи сигнала kс(kс= N), а последнее связано с энергетической дальностью R, причем чем больше kс, тем больше R [5].
В· увеличение N приводит к повышению вероятности правильного обнаружения D, что вполне удовлетворяет теории [5].
В· дальность связана с мощностью передатчика основным уравнением дальности радиолокации (как корень четвертой степени), согласно которому увеличение мощности приводит к возрастанию энергетической дальности.
В· увеличение энергетической дальности приводит к уменьшению значения правильного обнаружения, связанно данное явление может быть с тем, что на больших дальностях хуже разрешение целей, больше сказывается влияние среды на распространяющуюся волну и многие другие факторы.
Как ранее отмечалось, требуется обеспечить защиту БРЛС от пассивных помех в виде подстилающей поверхности.
Способы оптимальной обработки сигналов в импульсно-доплеровской РЛС
В режиме ВЧП обнаружение сигналов от целей ведется на фоне шума приемника. Отраженный сигнал от цели представляет пачку радиоимпульсов с неизвестной доплеровской частотой, которая подвергается когерентной обработке. Чтобы учесть доплеровский сдвиг частоты, широко используются гребенчатые фильтры, представляющие набор узкополосных фильтров, осуществляющих когерентное накопление.
Ожидаемую пачку импульсов (копию сигнала) u(t) можно представить в виде произведения двух колебаний: последовательности видеоимпульсов u1(t) и высокочастотного колебания u2(t) несущей частоты f0, модулированного огибающей пачки, т.е.
u(t)= u1(t) u2(t),
которое соответствует ожидаемому сигналу. Если аддитивную смесь сигнала с шумом на входе приемника обозначить y(t), то отклик согласованного фильтра даёт на выходе корреляционный интеграл R:

Откуда вытекает следующий оптимальный алгоритм обработки пачки радиоимпульсов: принимаемая реализация колебаний y(t) стробируется. При этом получается колебание u(t)=u1(t)u2(t). Стробирование необходимо осуществлять в соответствии со временем запаздывания сигналов. При неизвестном времени запаздывания необходима многоканальная схема. Каждый временной канал относительно соседнего стробируется импульсной последовательностью, задержанной на длительность одного импульса пачки τи. Тогда число временных каналов m в одном периоде повторения Т определяется m=T/τи и соответствует величине скважности. В каждом канале дальности необходимо осуществить накопление сигналов пачки, т.е. вычислить интеграл. Интегрирование осуществляется узкополосным фильтром.
При неизвестной доплеровской частоте цели в каждом стробируемом канале число доплеровских фильтров должно быть таково, чтобы перекрывать весь диапазон доплеровских частот, который в импульсных системах. благодаря периодичности спектра, можно принять равным Fп.
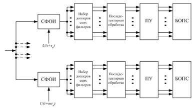
Таким образом, согласованный фильтр обработки имеет структуру, представленную на рис. 22.

Согласованные фильтры одиночного радиоимпульса (iОИ) стробируются по дальности с числом временных сигналов m. В каждом канале ставятся узкополосные доплеровские фильтры, перекрывающие доплеровский диапазон целей, где производится накопление сигнала. Детектирование огибающей сигнала осуществляется в блоке последетекторной обработки, на выходе которого в пороговом устройстве (ПУ) происходит сравнение с пороговым уровнем с целью обнаружения сигнала. В блоке определения параметра сигнала (БОПС) определяются параметры цели, такие как скорость, дальность и т.д.
При обнаружении цели определяется доплеровская частота цели по номеру доплеровского фильтра и рассчитывается скорость цели:
![]()
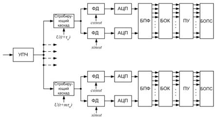
Практически вместо iОИ лучше использовать усилитель промежуточной частоты (УПЧ), параметры которого согласованны с параметрами сигнала, а узкополосные доплеровские фильтры выполнить в виде блока цифровой обработки, включающего память на всю пачку и обработку на основе быстрого преобразования Фурье (БПФ). Тогда согласованный фильтр имеет структуру, представленную на рис. 23.

Стробирование по дальности выполняется в стробирующих каскадах, подключенных к выходу УПЧ, на которые подаются временные стробы длительностью τи. Количество стробирующих каскадов равно m.
Обработка по частоте Доплера в каждом временном канале производится на видеочастоте, в двух квадратурных каналах, где с помощью фазовых детекторов (ФД) полезная информация из фазы переходит в амплитуду. Для цифровой обработки необходимо информацию с выхода ФД преобразовать в цифровые коды, что выполняется с помощью аналого-цифровых преобразователей (АЦП).
Блок, обозначенный как БПФ, включает память на всю пачку отраженных импульсов и обработку в виде БПФ.
На выходе БПФ образуется частотных каналов, где - число импульсов в пачке, отраженной от цели. Полоса пропускания каждого доплеровского фильтра в этом случае будет:
![]()
В БПФ производится когерентное накопление сигнала y(t). Объединение квадратурных каналов производится в блоке объединения квадратур (БОК), причем объединение производится для каждого частотного канала. Обнаружение полезного сигнала происходит на выходах многоканального ( каналов) порогового устройства (ПУ). Дальнейшая обработка в виде фиксации обнаружения и измерения параметров цели производится в блоке определения параметров сигнала (БОПС).
Величина порогового сигнала q на выходе когерентного накопителя:
![]()
Где qвхтАУ отношение напряжения полезного сигнала (uсвх) к среднеквадратическому значению шума (σшвх) на входе устройства обработки.
Структура фильтра, представленного на рис. 23, реально в цифровом виде выполняется на одном АЦП и спецпроцессоре с одним БПФ. Многоканальность по времени реализуется за счет разбиения по временным тактам работы АЦП и БПФ.
На рис. 24 приведены спектры соседних гармоник, отраженных от пассивных помех, от цели и с учетом частотной характеристики согласованного фильтра, выполненного в виде многоканального доплеровского фильтра, показанного на рис. 22 для режима ВЧП.

Аналогичный спектр на рис. 25 представлен при выполнении многоканального доплеровского фильтра в виде БПФ, структурная схема которого показана на рис. 23.

Особенность обработки, показанной на рис. 24, состоит в том, что доплеровские фильтры расположены в зоне спектра, свободного от пассивной помехи. При изменении скорости носителя РЛС меняется положение точек f0В±Fдmах, что приводит к изменению зоны спектра, свободного от пассивных помех. В этом случае для перекрытия всей зоны спектра, где может находиться полезный сигнал, следует производить адаптивную привязку начала гребенки доплеровских фильтров к скорости носителя РЛС (к точкеf0В±Fдmах).
В случае использования БПФ (рис. 25) по ширине спектра пассивных помех Fдmах рассчитывают количество частотных каналов БПФ, в которых находится помеха, и эти каналы в обнаружении полезного сигнала не участвуют. Из всего анализа можно сделать вывод, что схема рис. 23 хоть и сложнее схемы рис. 22, но обеспечивает лучшие результаты, так как учитывает изменение скорости носителя РЛС (для избавления от пассивной помехи выберу эту схему).
В техническом задании также указана активная помеха (АП) тАУ уводящая по скорости. Такой тип помех используется для обеспечения срыва автосопровождения цели по координатам (дальности, скорости). В отличие от помех типа ложная цель, уводящие помехи динамически изменяют свои параметры, т.е. принимая сигнал от РЛС, они преднамеренно изменяют в нем какой-либо параметр (вносят дополнительную задержку, изменяют фазу и др.), после чего переизлучают его в направлении станции, тем самым, обеспечивается автозахват ложной цели и ее сопровождение. Бороться с такой помехой можно, с помощью следующего алгоритма:
скоростно-пороговый алгоритм заключается в следующем:
![]()
Если равенство выполняется, то параметры дальности R и скорости V согласованы и идет сопровождение цели. Если не выполняется, то это уводящая помеха. Иначе говоря, зная, что скорость есть первая производная от дальности, сравнивая оценку с вычисленной скоростью можно сделать вывод о наличии или отсутствии помехи.
Ва,где
![]()
Если ΔV=10км/ч тАУ это ложная цель и нужно снять ее с сопровождения. Реализация данного метода будет показана на структурной схеме БРЛС ниже.
Расчет параметров помехопостановщика
Общей задачей применения активной помехи, в нашем случае является сокрытие объекта в некоторой области пространства, уменьшение зоны видимости подавляемой РЛС, уменьшении вероятности правильного обнаружения подавляемой РЛС.
Существует несколько способов реализации такой помехи:
- усиление исходного шумового сигнала;
- формирование активной помехи из самого полезного сигнала.
Остановимся на рассмотрении второго способа.
При постановке активной помехи возможны две ситуации:
- передатчик активных помех расположен непосредственно на прикрываемом объекте (самоприкрытие).
- постановщик активных помех расположен в вынесенной точке пространства.
Остановимся на рассмотрении первой ситуации.
Наиболее перспективной схемой постановщика активных помех, является схема с применением фазированных антенных решёток (ФАР). ФАР позволяет сконцентрировать энергию в узком луче и направить его на подавляемые РЭС, за счёт фазирования удаётся довести мощность излучения до величины:
![]()
Выбранный вариант схемы представлен на Рис.26.<
Вместе с этим смотрят:
IP-телефония. Особенности цифровой офисной связи
РЖсторiя звтАЩязку та його розвиток