Основные качества полупроводников
1. ПОЛУПРОВОДНИКИ
1.1 Полупроводники и их физические свойства
1.2 Генерация и рекомбинация свободных носителей заряда, полупроводники с собственной электропроводностью
1.3 Донорные примеси, полупроводники с электронной электропроводностью
1.4 Акцепторные примеси, полупроводники с дырочной электропроводностью
1.5 Понятие р-п -перехода и факторы, влияющие на его свойства
2. ПОЛУПРОВОДНИКОВЫЕ ДИОДЫ
3. БИПОЛЯРНЫЕ ТРАНЗИСТОРЫ
4. ИНТЕГРАЛЬНЫЕ МИКРОСХЕМЫ
СПИСОК ЛИТЕРАТУРЫ
1 ПОЛУПРОВОДНИКИ
1.1 Полупроводники и их физические свойства
К полупроводникам относятся вещества, которые по своим электрическим свойствам занимают промежуточное положение между проводниками и диэлектриками. Отличительным признаком полупроводников является сильная зависимость их электропроводности от температуры, концентрации примесей, воздействия светового и ионизирующего излучений.
В создании электрического тока в веществе могут принимать участие только подвижные носители электрических зарядов. Поэтому его электропроводность тем больше, чем больше в единице объема этого вещества находится подвижных носителей электрических зарядов. В металлах практически все валентные электроны (являющиеся носителями элементарного отрицательного заряда) свободны, что и обусловливает высокую электропроводность металлов. В диэлектриках и полупроводниках свободных носителей значительно меньше, поэтому их удельное сопротивление велико.
Характерной особенностью полупроводников является ярко выраженная температурная зависимость удельного электрического сопротивления. С повышением температуры оно, как правило, уменьшается на 5..6 % на градус, в то время как у металлов удельное электрическое сопротивление с повышением температуры растет на десятые доли процента на градус. Удельное сопротивление полупроводника также резко уменьшается при введении в него незначительного количества примеси.
Большинство применяемых в настоящее время полупроводников относится к кристаллическим телам, атомы которых образуют пространственную решетку. Взаимное притяжение атомов кристаллической решетки осуществляется за счет ковалентной связи, т.е. общей пары валентных электронов, вращающихся по одной орбите вокруг этих атомов. Такие электроны могут иметь различную степень связи со своей парой атомов. При передаче им энергии извне, например, с помощью электромагнитного поля или при нагревании они способны покидать свои места в кристаллической решетке и перемещаться по кристаллу, создавая, таким образом, электрический ток в нем.
Вещества, в которых для высвобождения электронов требуется высокая энергия, являются диэлектриками, и только для некоторого класса веществ достаточно незначительной энергии (менее 3 эВ) для образования свободных электронов (преодоления ими запрещенной энергетической зоны). Такие вещества и являются полупроводниками.
В полупроводниковой электронике широкое применение получили германий (Ge) и кремний (Si) тАФ элементы 4-й группы периодической системы, в современных сверхвысокочастотных приборах часто используются также арсенид галлия (GaAs) и фосфид индия (InP).
1.2 Генерация и рекомбинация свободных носителей заряда,
полупроводники с собственной электропроводностью
Уход электрона из ковалентной связи сопровождается появлением двух электрически связанных атомов единичного положительного заряда, получившего название дырки, и свободного электрона. Фактически дырку можно считать подвижным свободным носителем элементарного положительного заряда, а заполнение дырки электроном из соседней ковалентной связи можно представить как перемещение дырки. Процесс образования пар электрон-дырка называют генерацией свободных носителей заряда. Одновременно с процессом генерации протекает процесс рекомбинации носителей.
Из-за постоянного протекания процессов генерации и рекомбинации носителей зарядов при заданной температуре в полупроводнике устанавливается равновесное состояние, при котором присутствует некоторая концентрация свободных электронов (ni) и дырок (pi). В чистом полупроводнике концентрации носителей зарядов зависят от ширины запрещенной зоны и при увеличении температуры возрастают приблизительно по экспоненциальному закону.
Равенство концентраций свободных электронов ni и дырок pi показывает, что такой полупроводник обладает одинаковыми электронной и дырочной электропроводностями и называется полупроводником с собственной электропроводностью.
1.3 Донорные примеси,
полупроводники с электронной
электропроводностью
При введении в 4-валентный полупроводник примесных 5-валентных атомов (Р,Sb) атомы примесей замещают основные атомы в узлах кристаллической решетки. Четыре электрона атома примеси вступают в связь с четырьмя валентными электронами соседних атомов основного полупроводника. Пятый валентный электрон слабо связан со своим атомом и при сообщении ему незначительной энергии, называемой энергией активации, отрывается от атома и становится свободным. Примеси, увеличивающие число свободных электронов, называют донорными или просто донорами.
Малая энергия активации примесей (0,01.. 0,2 эВ) уже при комнатной температуре приводит к полной ионизации 5-валентных атомов примесей и появлению свободных электронов. Поскольку в этом случае появление свободных электронов не сопровождается одновременными увеличением количества дырок (ионизированные 5-валентные атомы, хотя и являются носителями положительного заряда, не могут свободно перемещаться по кристаллу или обмениваться валентными электронами с соседними атомами основного вещества), в таком полупроводнике концентрация электронов оказывается значительно больше концентрации дырок (дырки образуются только в результате разрыва ковалентных связей между атомами основного вещества).
Полупроводники, в которых концентрация свободных электронов превышает концентрацию дырок, называются полупроводниками с электронной электропроводностью или полупроводниками п- типа.
Подвижные носители заряда, преобладающие в полупроводнике, называют основными. Соответственно те носители заряда, которые находятся в меньшем количестве, называются неосновными для данного типа полупроводника. В полупроводнике n-типа основными носителями заряда являются электроны, а неосновными тАФ дырки.
1.4 Акцепторные примеси,
полупроводники с дырочной
электропроводностью
Если в кристалле 4-валентного элемента часть атомов замещена атомами 3-валентного элемента (Ga, In), то для образования четырех ковалентных связей у примесного атома не хватает одного электрона. Этот электрон может быть получен от атома основного элемента полупроводника за счет разрыва ковалентной связи. Разрыв связи приводит к появлению дырки. Примеси, захватывающие валентные электроны, называют акцепторными или акцепторами.
Ввиду малого значения энергии активации акцепторов уже при комнатной температуре многие валентные электроны переходят на уровни акцепторов. Эти электроны, превращая примесные атомы в отрицательные ионы, теряют способность перемещаться по кристаллической решетке, а образовавшиеся при этом дырки могут участвовать в создании электрического тока.
За счет ионизации атомов исходного материала часть валентных электронов становится свободной. Однако свободных электронов значительно меньше, чем дырок. Поэтому дырки в таких полупроводниках являются основными, а электроны тАФ неосновными подвижными носителями заряда. Такие полупроводники носят название полупроводников с дырочной электропроводностью или полупроводников р-типа.
1.5 Понятие р-п -перехода и факторы, влияющие на его свойства
Принцип действия большинства полупроводниковых приборов основан на физических явлениях, происходящих в области контакта твердых тел. При этом преимущественно используются контакты: полупроводник - полупроводник, металл - полупроводник, металл тАУ диэлектрик - полупроводник. Если переход создается между полу проводниками n - типа и p -типа, то его называют электронно-дырочным или р-п - переходом (рис.1.1). Такой переход создается в одном кристалле полупроводника с использованием сложных технологических операций. Возможны различные исполнения р-n -перехода, отличающиеся: резкостью и уровнем изменения концентраций доноров и акцепторов на границе перехода, размером и формой самого перехода, а также наличием каких-либо неоднородностей в переходе.
В общем случае поведение реального р-n -перехода в состоянии покоя и при подключении внешнего напряжения различного уровня и полярности определяется множеством физических процессов, протекающих в полупроводнике. К ним относятся: термогенерация носителей, поверхностные утечки тока, падение напряжения на сопротивлении нейтральных областей полупроводника, возможности теплового и электрического пробоев и т.д.
На границе р-n -перехода имеет место скачкообразное изменение концентраций донорных и акцепторных примесей. Равновесные концентрации электронов и дырок в разных областях существенно отличаются. Поэтому на границе перехода происходит диффузия электронов из n -области в p -область, а дырок из p -области в n -область.

Рис. 1.1
Такое движение зарядов создает диффузионный ток электронов и дырок. Электроны и дырки, переходя через контакт, оставляют в приконтактной области дырочного полупроводника некомпенсированный заряд отрицательных ионов акцепторных примесей, а в электронном полупроводнике тАФ некомпенсированный заряд положительных донорных ионов. Таким образом, электронный - полупроводник заряжается положительно, а дырочный - отрицательно. Между областями с различными типами электропроводности возникает диффузионное электрическое поле, созданное двумя слоями объемных зарядов. Этому полю соответствует разность потенциалов между n и p -областями, называемая контактной. За пределами области объемного заряда полупроводники п- и р-типа остаются электрически нейтральными (рис. 1.2-1 Электронно-дырочный переход в состоянии равновесия).
Диффузионное электрическое поле является тормозящим для основных носителей заряда и ускоряющим для неосновных. Электроны p-области и дырки n-области, совершая тепловое движение, попадают в пределы диффузионного электрического поля, увлекаются им и перебрасываются в противоположные области, образуя ток дрейфа или ток проводимости. Выведение же носителей заряда из области полупроводника, где они являются неосновными, через р-n -переход ускоряющим электрическим полем называется экстракцией носителей заряда.
Так как через изолированный полупроводник ток проходить не должен, то между диффузионным и дрейфовым токами устанавливается динамическое равновесие. Область, в которой присутствует диффузионное электрическое поле, и называют р-n -переходом. Величина контактной разности потенциалов на переходе определяется отношением концентраций носителей зарядов одного знака в р- и n- областях полупроводника. Ширина слоя объемных зарядов (т.н. запирающий слой) в р и n -областях обратно пропорциональна концентрациям примесей в этих областях, т.е. в несимметричном переходе запирающий слой расширяется в область с меньшей концентрацией примеси. Удельное сопротивление полупроводника в области запирающего слоя существенно выше удельного сопротивления нейтральных областей.
Прямое и обратное включение р-n -перехода
При использовании р-n -перехода в реальных полупроводниковых приборах к нему может быть приложено внешнее напряжение. Величина и полярность этого напряжения определяют поведение перехода и проходящий через него электрический ток (рис. 1.2). Если положительный полюс источника питания подключается к р-области, а отрицательный тАФ к n-области, то включение р-n -перехода называют прямым. При изменении указанной полярности включение р-н-перехода называют обратным.
При прямом включении р-n -перехода внешнее напряжение создает в переходе поле, которое противоположно по направлению внутреннему диффузионному полю. Напряженность результирующего поля падает, что сопровождается сужением запирающего слоя. В результате этого большое количество основных носителей зарядов получает возможность диффузионно переходить в соседнюю область, ток дрейфа при этом не изменяется, поскольку он зависит от количества неосновных носителей, появляющихся на границах перехода, т.е. через переход будет протекать результирующий ток, определяемый в основном диффузионной составляющей. Диффузионный ток зависит от высоты потенциального барьера и по мере его снижения увеличивается экспоненциально.

Рис. 1.2 Электронно-дырочный переход (а, б, в) и распределение поля в электронно-дырочном переходе (г, д, е)
При включении р-n -перехода в обратном направлении внешнее обратное напряжение создает электрическое поле, совпадающее по направлению с диффузионным, что приводит к росту потенциального барьера и увеличению ширины запирающего слоя. Все это уменьшает диффузионные токи основных носителей. Для неосновных носителей поле в р-n -переходе остается ускоряющим, и поэтому дрейфовый ток не изменяется.
Вольтамперные характеристики электронно-дырочного перехода
Теоретическая вольтамперная характеристика (ВАХ) электронно - дырочного перехода выражается уравнением (уравнение Эберса-Моша)
Однако приведенное уравнение весьма приблизительно совпадает с реальными вольт- амперными характеристиками, так как не учитывает целого ряда физических процессов, происходящих в полупроводниках. К таким процессам относятся: генерация и рекомбинация носителей в запирающем слое, поверхностные утечки тока, падение напряжения на сопротивлении нейтральных областей, явления теплового, лавинного и туннельного пробоев.
Реальная вольт-амперная характеристика диода имеет прямую и обратную ветви.
Процессы генерации и рекомбинации носителей в запирающем слое для некоторых типов полупроводников (кремний) могут оказывать существенное влияние на вид ВАХ.
Туннельный и лавинный пробои представляют собой разновидности электрического пробоя и связаны с увеличением напряженности электрического поля в переходе. Тепловой пробой определяется перегревом перехода.

Рис. 1.2-2 Реальная и теоретическая ВАХ р-n тАУперехода.
Диод
Диод тАФ это полупроводниковый прибор с одним электрическим р-n переходом и двумя выводами. В зависимости от функционального назначения, уровня требуемых электрических параметров в диодах в качестве электрических переходов используются выпрямляющие электронно-дырочные переходы, переходы Шотки, гетеропереходы.
Характерной особенностью выпрямляющего перехода Шотки в отличие от р-п перехода является разная высота потенциальных барьеров для электронов и дырок. Поэтому через переход Шотки может не происходить инжекция неосновных носителей заряда в полупроводнике.
Следовательно, в диодах Шотки отсутствует процесс накопления и рассасывания неосновных носителей в базе. В силу этого такие диоды имеют лучшие частотные свойства по сравнению с диодами с р-п переходом.
А так же диоды подразделяются по площади p-n перехода на точечные и плоскостные.
В точечных диодах p-n переход получают при помощи металлической иглы с нанесенной на острие примесью. При пропускании импульса тока примесь диффундирует в толщу полупроводника, образуя полусферический слой противоположного типа электропроводности.

Точечные диоды имеют малую емкость перехода (< 1 пФ) могут, применятся на всех частотах вплоть до СВЧ. Однако вследствие малой площади перехода точечные диоды допускают токи не более десятков mA.
Плоскостные диоды изготовляют методом сплавления или диффузии. Для их изготовления в пластину исходного полупроводника вплавляется капля примеси, либо создаются условия для диффузии газообразной примеси.
Плоскостные диоды допускают прохождение прямых токов, доходящих до сотен ампер в мощных диодах, но обладают большой емкостью до сотен пФ, что ограничивает частотный диапазон их применения областью НЧ.

Диффузионная область диодов более богата примесями тАУ она является эмиттером. Противоположная область является базой.
Выводы диодов образуются с помощью Me, образующих омический контакт с полупроводником.
Классификация полупроводниковых диодов
В основе практического применения диодов в радиотехнике и их классификации лежит ряд свойств переходов:
1. Выпрямительные. ![]()
2. Высокочастотные диоды.
3. Импульсные.Используют свойства асимметрии вольт- амперной характеристики.
4. Стабилитроны.
Используют явления электрического пробоя перехода.
5. Варикапы.
Используют зависимость емкости перехода от приложенного напряжения.
6. Туннельные и обратные диоды.
Используют туннельный эффект в переходе.
7. Диоды Шоттки.
Используют свойства перехода Me тАУ п/п.
Классификация современных полупроводниковых приборов запечатлена в системе условных обозначений их типов. В соответствии с возникновением новых классификационных групп приборов совершенствуется и система их условных обозначений, которая за последние 30 лет трижды претерпевала изменения. Система обозначений современных полупроводниковых диодов, тиристоров и оптоэлектронных приборов установлена отраслевым стандартом ОСТ 11336.919 - 81 и базируется на ряде классификационных признаков этих приборов. В основу системы обозначений положен буквенно-цифровой код.
Первый элемент обозначает исходный полупроводниковый материал, на базе которого изготовлен прибор. Для обозначения исходного материала используются буквы или цифры, приведённые ниже:
Г или 1 тАФ для германия или его соединений;
К или 2 тАФ для кремния или его соединений;
А или 3 тАФ для соединений галлия (например, для арсенида галлия);
И или 4 тАФ для соединений индия (например, для фосфида индия).
Второй элемент обозначения тАФ буква, определяющая подкласс (или группу) приборов. Для обозначения подклассов приборов используется одна из следующих букв:
Д тАФ диодов выпрямительных и импульсных;
Ц тАФ выпрямительных столбов и блоков;
В тАФ варикапов;
И тАФ туннельных диодов;
А тАФ сверхвысокочастотных диодов;
С тАФ стабилитронов;
Г тАФ генераторов шума;
Л тАФ излучающих оптоэлектронных приборов;
О тАФ оптронов;
Н тАФ диодных тиристоров;
У тАФ триодных тиристоров.
Третий элемент обозначения - это цифра, которая определяет основные функциональные возможности прибора. Для обозначения характерных функциональных возможностей, эксплуатационных признаков приборов используются следующие цифры применительно к различным подклассам приборов:
Диоды (подкласс Д):
0 тАФ для выпрямительных диодов с постоянным или средним значением прямого тока не более 0,3 А;
1 тАФ для выпрямительных диодов с постоянным или средним значением прямого тока более 0,3 А, но не выше 10 А;
4 тАФ для импульсных диодов с временем восстановления обратного сопротивления более 500 нс;
5 тАФ для импульсных диодов с временем восстановления более 150 нс, но не свыше 500 нс;
6 тАФ для импульсных диодов с временем восстановления 30 .. 150 нс;
7 тАФ для импульсных диодов с временем восстановления 5 .. 30 нс;
8 тАФ для импульсных диодов с временем восстановления 1 .. 5 нс;
9 тАФ для импульсных диодов с эффективным временем жизни неосновных носителей заряда менее 1 нс.
Выпрямительные столбы и блоки (подкласс Ц):
1 тАФ для столбов с постоянным или средним значением прямого тока не более 0,3 А;
2 тАФ для столбов с постоянным или средним значением прямого тока 0,3 .. 10 А;
3 тАФ для блоков с постоянным или средним значением прямого тока не более 0,3 А;
4 тАФ для блоков с постоянным или средним значением прямого тока 0,3 .. 10 А.
Варикапы (подкласс В):
1 тАФдля построечных варикапов;
2 тАФ для умножительных варикапов.
Туннельные диоды (подкласс И):
1 тАФ для усилительных туннельных диодов;
2 тАФ для генераторных туннельных диодов;
3 тАФ для переключательных туннельных диодов;
4 тАФ для обращённых диодов.
Сверхвысокочастотные диоды (подкласс А):
1 тАФ для смесительных диодов;
2 тАФ для детекторных диодов;
3 тАФ для усилительных диодов;
4 тАФ для параметрических диодов;
5 тАФ для переключательных и ограничительных диодов;
6 тАФ для умножительных и настроечных диодов;
7 тАФ для генераторных диодов;
8 тАФ для импульсных диодов.
Стабилитроны (подкласс С):
1 тАФ для стабилитронов мощностью не более 0,3 Вт с номинальным напряжением стабилизации менее 10 В;
2 тАФ для стабилитронов мощностью не более 0,3 Вт с номинальным напряжением стабилизации 10 .. 100 В;
3 тАФ для стабилитронов мощностью не более 0,3 Вт с номинальным напряжением стабилизации более 100 В;
4 тАФ для стабилитронов мощностью 0,3 . 5 Вт с номинальным напряжением стабилизации менее 10 В;
5 тАФ для стабилитронов мощностью0,3. 5Втсноминальнымнапряжением
стабилизации 10..100 В;
6 тАФ для стабилитронов мощностью0,3. 5Втсноминальнымнапряжением
стабилизации более 100 В;
7 тАФ для стабилитронов мощностью5 .10Втсноминальнымнапряжением
стабилизации менее 10 В;
8 тАФ для стабилитронов мощностью 5 . 10 Вт с номинальным напряжением стабилизации 10.. 100 В;
9 тАФ для стабилитронов мощностью 5 . 10 Вт с номинальным напряжением стабилизации более 100 B.
Генераторы шума (подкласс Г):
1 тАФ для низкочастотных генераторов шума;
2 тАФ для высокочастотных генераторов шума.
Диодные тиристоры (подкласс Н):
1 тАФ для тиристоров с максимально допустимым значением прямого тока не более 0,3 А;
2 тАФ для тиристоров с максимально допустимым значением прямого тока более 0,3 А, но не свыше 10 А.
Триодные тиристоры (подкласс У):
Незапираемые тиристоры:
1 тАФ для тиристоров с максимально допустимым значением среднего тока в открытом состоянии не более 0,3 А или максимально допустимым значением импульсного тока в открытом состоянии не более 15 А;
2 тАФ для тиристоров с максимально допустимым значением среднего тока в открытом состоянии 0,3 . 10 А или максимально допустимым значением импульсного тока в открытом состоянии 15 .. 100 А;
7 тАФ для тиристоров с максимально допустимым значением среднего тока в открытом состоянии более 10 А или максимально допустимым значением импульсного тока в открытом состоянии более 100 А.
Запираемые тиристоры:
3 тАФ для тиристоров с максимально допустимым значением среднего тока в открытом состоянии не более 0,3 А или максимально допустимым значением импульсного тока в открытом состоянии не более 15 А;
4 тАФ для тиристоров с максимально допустимым значением среднего тока в открытом состоянии 0,3 . 10 А или максимально допустимым значением импульсного тока в открытом состоянии 15 .. 100 А;
8 тАФ для тиристоров с максимально допустимым значением среднего тока в открытом состоянии более 10 А или максимально допустимым значением импульсного тока в открытом состоянии более 100 А,
Симметричные тиристоры:
5 тАФ для тиристоров с максимально допустимым значением среднего тока в открытом состоянии не более 0,3 А или максимально допустимым значением импульсного тока в открытом состоянии не более 15 А;
6 тАФ для тиристоров с максимально допустимым значением среднего тока в открытом состоянии 0,3 . 10 А или максимально допустимым значением импульсного тока в открытом состоянии 15 .. 100 А;
9 тАФ для тиристоров с максимально допустимым значением среднего тока в открытом состоянии более 10 А или максимально допустимым значением импульсного тока в открытом состоянии более 100 А.
Четвёртый элемент - число, обозначающее порядковый номер разработки технологического типа. Для обозначения порядкового номера разработки используется двухзначное число от 01 до 99. Если порядковый номер разработки превысит число 99, то в дальнейшем используют трёхзначное число от 101 до 999.
Пятый элемент - буква, условно определяющая классификацию (разбраковку по параметрам) приборов, изготовленных по единой технологии.
В качестве классификационной литеры используют буквы русского алфавита (за исключением букв З, О, Ч, Ы, Ш, Щ, Ю, Я, Ь, Ъ, Э).
В качестве дополнительных элементов обозначения используют следующие символы:
цифры 1 . 9 для обозначения модификаций прибора, приводящих к изменению его конструкции или электрических параметров;
букву С для обозначения сборок - наборов в общем корпусе однотипных приборов, не соединенных электрически или соединенных одноименными выводами;
цифры, написанные через дефис, для обозначений следующих модификаций конструктивного исполнения бескорпусных приборов:
1 тАФс гибкими выводами без кристаллодержателя;
2 тАФ с гибкими выводами на кристаллодержателе (подложке);
3 тАФ с жёсткими выводами без кристаллодержателя (подложки);
4 тАФ с жёсткими выводами на кристаллодержателе (подложке);
5 тАФ с контактными площадками без кристаллодержателя (подложки) и без выводов;
6 тАФ с контактными площадками на кристаллодержателе без выводов.
Буква Р после последнего элемента обозначения - для приборов с парным подбором, буква Г - с подбором в четвёрки, буква К - с подбором в шестёрки.
Для приборов, изготовленных до 1982 года действовала другая система обозначений. Условные обозначения состояли из двух или трёх элементов.
Первый элемент обозначения - буква Д, характеризующая весь класс полупроводниковых диодов.
Второй элемент обозначения - число (номер), которое указывает на область применения:
от 1 до 100 тАФ для точечных германиевых диодов;
| от 101 | до | 200 тАФ | для точечных кремниевых диодов; |
| от 201 | до | 300 тАФ | для плоскостных кремниевых диодов; |
| от 301 | до | 400 тАФ | для плоскостных германиевых диодов; |
| от 401 | до | 500 тАФ | для смесительных СВЧ детекторов; |
| от 501 | до | 600 тАФ | для умножительных диодов; |
| от 601 | до | 700 тАФ | для видеодетекторов; |
| от 701 | до | 749 тАФ | для параметрических германиевых диодов; |
| от 750 | до | 800 тАФ | для параметрических кремниевых диодов; |
| от 801 | до | 900 тАФ | для стабилитронов; |
| от 901 | до | 950 тАФ | для варикапов; |
| от 951 | до | 1000 тАФ | для туннельных диодов; |
от 1001 до 1100 тАФ для выпрямительных столбов.
Третий элемент обозначения - буква, указывающая на разновидность групп однотипных приборов.
Четвёртый элемент - буква указывает на модификацию прибора в серии.
Если малые габаритные размеры приборов не позволяют использовать буквенное или цифровое обозначение, то на корпус наносится цветная маркировка (точка или цветные полосы). Цветной код указывается в технических условиях на соответствующий прибор.
Для обозначения стабилитронов до 1981 года в качестве третьего и четвёртого элементов присваивались числа:
малой мощности (Р < 0,3 Вт):
от 101 до 199 тАФ с напряжением стабилизации 0,1 .. 9,9 В;
от 210 до 299 тАФ с напряжением стабилизации 10 .. 99 В;
от 301 до 399 тАФс напряжением стабилизации 100 .. 199 В;
средней мощности (0,3 Вт < Р < 5 Вт):
от 401 до 499 тАФ с напряжением стабилизации 0,1 .. 9,9 В;
от 510 до 599 тАФ с напряжением стабилизации 10 .. 99 В;
от 601 до 699 тАФ с напряжением стабилизации 100 .. 199 В;
большой мощности (Р > 5 Вт):
от 701 до 799 тАФ с напряжением стабилизации 0,1 .. 9,9 В;
от 810 до 899 тАФ с напряжением стабилизации 10 . 99 В;
от 901 до 999 тАФ с напряжением стабилизации 100 .. 199 В.
Две последние цифры каждого числа соответствуют номинальному напряжению стабилизации стабилитронов данного типа, например КС175А - кремниевый стабилитрон малой мощности с напряжением стабилизации 7,5 В.
Выпрямительные диоды и область их применения
Выпрямительный диод тАУ полупроводниковый диод, предназначенный для выпрямления напряжения переменного тока.
Выпрямительные диоды используют в качестве вентилей тАУ элементов с односторонней проводимостью. Основное их применение - выпрямление токов с частотой до единиц кГц.
Простейшая схема однополупериодного выпрямления показана на рис.

Во время положительной полуволны напряжение e(t) через нагрузку RН протекает импульс прямого тока с амплитудой Im.
При воздействии отрицательной полуволны напряжение e(t) через диод протекает малый обратный ток Iобр.
Таким образом, через нагрузку протекает пульсирующий ток, в виде импульсов, длящихся пол периода и разделенных промежутком также в пол периода.
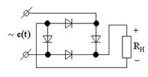
В более сложных двухполупериодных выпрямителях энергия источника e(t) используется более рационально.
Схема такого выпрямителя имеет вид:

В результате через RН при воздействии каждого полупериода напряжение e(t) протекает импульс тока одной полярности. Это позволяет достичь большего значения среднего выраженного тока IСР.

Промышленность выпускает специальные двухполупериодные диодные мосты тАУ сборку, состоящую из 4 диодов (например, марки КД 906 КЦ 401, КЦ 405, КЦ 407, КЦ 409).
Выпрямительные диоды применяются также в цепях управления и коммуникации, для ограничения выбросов напряжения в цепях с индуктивностями, а также во всех цепях, где необходимы вентильные элементы и не предъявляется жестких требований к частотно-временным параметрам.
Список принятых сокращений параметров диодов.
Iвыпр.ср.макс - максимальное значение среднего выпрямленного диодом тока.
РЖобр - обратный ток через диод.
РЖобр.ср - средний обратный ток через диод.
РЖпр - прямой ток через диод.
РЖпр.макс - максимальный прямой ток.
РЖпр.и.макс - импульсный максимальный прямой ток.
РЖпр.ср - средний прямой ток через диод.
РЖпр.ср.макс - максимальное значение среднего прямого тока через диод. Uобр.макс - максимальное постоянное обратное напряжение, приложенное к диоду.
Uобр.и.макс - максимальное импульсное обратное напряжение, приложенное к диоду.
Uпр - падение напряжения на диоде при его прямом включении.
Uпр.ср - среднее падение напряжения на диоде при его прямом включении.
fmax - максимальная частота, на которой ещё сохраняется свойство односторонней проводимости диода.
Диоды выпрямительные малой мощности до 1А
| Тип диода | Uпр. при РЖпр.; | РЖобр. {РЖобр.ср} при Uобр.макс, мкА | Предельные режимы | fмакс, кГц | Рисунок | ||
| {Uпр.ср} п | ри {РЖпр.ср} | Uобр.макс, {Uобр.и.макс}, В | Iвыпр.ср.макс; {РЖпр.ср.макс}; [РЖпр.макс], мА | ||||
| B | мА | ||||||
| АД110А | 1,5 | 10 | 5-10-3 | 30 | 10 | 1000 | 1 |
| ГД107А | 1 | 10 | 20 | 15 | 20 | - | 2 |
| Д2Б | 1 | 5 | 100 | 30 | {16} | 100 | 3 |
| Д2В | 1 | 9 | 250 | 40 | {25} | 100 | 3 |
| КД102А | 1 | 50 | 0,1 | 250 | 100 | 4 | 7 |
| КД102Б | 1 | 50 | 1 | 300 | 100 | 4 | 7 |
Вместе с этим смотрят:
IP-телефония. Особенности цифровой офисной связи
РЖсторiя звтАЩязку та його розвиток