ГЗЗ iз транзисторами у ключовому режимi
ГЗЗiз транзисторами у ключовому режимi
Генераторнi транзистори в сучасних передавачах працюють, як правило, з повним використанням за потужнiстю, особливо у вихiдних каскадах.
Вимога високоi надiйностi роботи транзисторiв у цих каскадах зводиться насамперед до вибору режимiв, у яких струми i напруги свiдомо нижче максимально допустимих, а потужностi розсiювання мiнiмальнi. Остання вимога тАУ мiнiмiзацiя потужностi розсiювання на транзисторах головним чином вiдноситься до бiополярних транзисторiв (БТ), однак i для полярних транзисторi (ПТ) воно не може бути зайвим.
Проблема мiнiмiзацii потужностi, що розсiюiться, на ЕП у ГЗЗ зводиться, потАУперше, до максимального наближення форми iмпульсiв колекторного (стокового) струму i напруги на колекторi (стоцi) до меандру i, потАУдруге, до створення таких умов для транзистора, при яких вiн знаходиться або в станi вiдсiчення, або в станi насичення.
ВаВа а)
б)
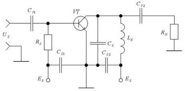
Рисунок 1 тАУ Схема транзисторного ГЗЗ у ключовому режимi
Реалiзацiя цих умов можлива, наприклад, у ГЗЗ на БТ за схемою рис. 1,а. Якщо в ланцюг бази подати великий струм збудження РЖБ, то при порiвняно великому RH транзистор буде знаходитися практично тiльки в одному з двох станiв: вiдсiчення або насичення. Такий режим роботи ЕП називаiться ключовим.
Еквiвалентна схема ГЗЗ маi вигляд, зображений на рис. 1,б. Тут транзистор замiнений ключем Кл з послiдовно уключеним rнас. У цiй схемi в сталому режимi через дросель LK тече незмiнний по величинi струм РЖК0. При замиканнi ключа струм РЖКm = РЖК0 + РЖК~ спрямовуiться крiзь транзистор, на якому створюiться спадання напруги еост = РЖКmrнас.
На цьому iнтервалi заряджений конденсатор Ср2 i навантаження RH включенi паралельно джерелу постачання i дроселевi. При розмиканнi ключа на колекторi транзистора виникаi напруга еКmах = ЕК + UK = EK + RнРЖК~ (рис. 2,а). На цьому iнтервалi заряджений дросель уключений послiдовно з джерелом постачання колекторного ланцюга.
Думаючи, що iмпульси колекторного струму мають прямокутну форму (рис. 2,а) з кутом вiдсiчення
, можна послiдовнiсть цих iмпульсiв розкласти у ряд Фур'i:
![]()
Тут n тАФ номер гармонiки;
ВатАФ коефiцiiнти розкладання для прямокутного iмпульсу:
;
.
Амплiтуда першоi гармонiки колекторного струму
Вапри
Ва= 90В° маi максимум i дорiвнюi
. При цьому вiд ГЗЗ можна одержати найбiльшу потужнiсть на першiй гармонiцi. Максимум же ККД по першiй гармонiцi виходить при
65В°, тобто при максимальному вiдношеннi
.
Розглянемо випадок, коли кут вiдсiчення колекторного струму
Ва= 90В°. Стан насичення маi мiсце, якщо РЖКm = SгреКгр. Складового колекторного струму РЖК0=РЖК~=РЖКm/2. Амплiтуда напруги на колекторi UК = РЖК~Rн = РЖКmRн/2 = ЕктАУРЖКmrнас. Споживана колекторним ланцюгом потужнiсть вiд джерела постачання:
Р0 = РЖК0ЕК = ЕКmРЖКm/2(1)
Потужнiсть, що розсiюiться на транзисторi, дорiвнюi потужностi втрат на опорi
Рпот = РЖ2Кmrнас/2 = Р0еКост/ЕК; (2)
де коефiцiiнт 1/2 враховуi, що
Ва= 90В°. Для колекторного ланцюга ККД
,(3)

а)ВаВаВаВаВаВаВаВаВаВаВаВаВаВаВаВаВаВаВаВаВаВаВаВаВаВаВаВаВаВаВаВаВаВаВаВаВаВаВаВаВаВаВаВаВаВаВаВаВаВаВаВаВа б)
Рисунок 2 тАУ Епюри струмiв i напруг у ключовому ГЗЗ
Тут корисною потужнiстю на навантаженнi i потужностi всiх гармонiк колекторного струму. На вiдмiну вiд ранiше уживаного ККД, де в якостi корисноi потужностi враховуiться тiльки потужнiсть першоi гармонiки
, ККД, введений у (3), будемо називати електронним i позначимо
.
Розрахунки показують, що для сучасних БТ еКост/ЕК
Ва0,03. .0,1 i ![]()
Ва97..90%; для ПТ iз довгим каналом еС ост/ЕС
Ва0, 2. .0,3 i ![]()
Ва80. .70%; для ПТ iз коротким каналом eC ост/EС
Ва0,05. .0, 12 i ![]()
Ва95. .88%.
При використаннi ГЗЗ iз ЕП у ключовому режимi в передавачах необхiдно, щоб коливання в навантаженнi були гармонiйними, а навантаження ЕП було б резестивним, тобто однаковоi для всiх гармонiк колекторного струму. Таке навантаження можна здiйснити за схемою, приведеноi на рис. 3, де Rб = Rн.
транзистор потужнiсть ключовий навантаження
Фiльтр НЧ пропускаi коливання першоi гармонiки до навантаження Rн, фiльтр ВЧ тАФ усi частоти, починаючи з другоi гармонiки i вище, до баластового опору Rб.

Рисунок 3 тАУ ГЗЗ i навантаженням у виглядi тАЬвилки фiльтрiвтАЭ
Визначимо потужнiсть Р1, що вiддаiться ГЗЗ у навантаження Rн. Знайшовши амплiтуди перших гармонiк колекторного струму
Ваi напруги на колекторi
Ваодержимо:
.(4)
По першiй гармонiцi ККД
. Пiдставивши в це вираження (4) i (1), знайдемо:
.(5)
Звiдси випливаi, що, хоча
, як правило, не вище, нiж ККД ГЗЗ з резонансним навантаженням (дiйсно, при ![]()
Ва= 0,9
Ва= 0,72), потужнiсть, що розсiюiться на транзисторi у ключовому режимi, iстотно нижче, оскiльки тут сумарна потужнiсть гармонiк другоi i вище розсiюiться на баластовому опорi.
Режим збудження транзистора, що працюi у ключовому режимi, вибираiться звичайно з умов одержання
Ва= 90В° i прямокутноi форми iмпульсу iк.
Перша умова виконуiться, якщо вибрати
Ва, друге тАФ якщо обрати коефiцiiнт насичення в ланцюзi транзистора
дорiвнюi 2..4. РЖншими словами, струм збудження РЖБmax встановлюiться в 2..4 рази бiльше, нiж у граничному режимi.
Максимальна напруга на виходi транзистора буде UEmax = Е'Б + РЖБmахrб, а коефiцiiнт пiдсилення по потужностi
Ваприблизно в Sн раз менше, нiж у граничному режимi. При виборi Ек звичайно виходять з умови еК mах = ЕК + UK < еК доп i UБ max < еБЕ доп .
Наведенi вище спiввiдношення для потужностi, ККД i Кр справедливi при роботi ГЗЗ на порiвняно низьких частотах
, де практично непомiтний вплив ряду причин, що ускладнюють роботу ГЗЗ у ключовому режимi на високих робочих частотах. Розглянемо вплив трьох таких причин.
1 Утрати через iнерцiйнiсть транзистора обумовленi тим, що перехiд транзистора зi стану вiдсiчення в стан насичення i назад, строго говорячи, займаi якийсь час:
ВатАФ для переднього фронту i
ВатАФ для заднього фронту (зрiзу).
Протягом цих iнтервалiв транзистор знаходиться в активнiй областi, де втрати, тобто потужнiсть, що розсiюiться на колекторному переходi, бiльше, нiж у режимi насичення. Тут сплески втрат на транзисторi вiдзначенi цифрами 1. Середнi значення втрат через iнерцiйностi пропорцiйно час, коли вони мають мiсце:
. Прийнявши переднiй i заднiй фронти iмпульсiв iК i UK у виглядi прямих, знайдемо вiдносну потужнiсть втрат у транзисторi:
.(6)
Тут Т тАФ перiод робочоi частоти ГЗЗ: Т = 1/fр. Максимальна робоча частота, при роботi на якiй цi втрати будуть не бiльше 3%, виходить з (6):
.
Комутативнi втрати в ГЗЗ на транзисторах у ключовому режимi виникають через наявнiсть у схемi ГЗЗ (див. рис. 1,я) паразитних елементiв Сп i Lп.
Приведена до виходу транзистора iмнiсть Сп майже дорiвнюi iмностi колектортАУбаза Ск, оскiльки Ск
ВаСд i Ск
ВаСе.
На iнтервалi вiдсiчення iмнiсть Сп заряджаiться до напруги 2ЕК тАУ еК ост, а потiм вiдразу пiсля переходу транзистора в режим насичення розряджаiться на опiр rнас.
Унаслiдок цього на початку кожного iмпульсу колекторного струму виникаi вузький розрядний iмпульс U1, (див. рис. 2,6), а на епюрi потужностi втрат з'являiться додатковий сплеск 2 (див. рис. 2,6 унизу).
Потужнiсть утрат через iмнiсть Сп пропорцiйна цiii iмностi, квадратовi напруги Ек i частотi появи сплескiв, тобто робочiй частотi fp :
.(7)
Розподiлена iндуктивнiсть монтажу колекторного ланцюга LП виявляiться в момент переходу транзистора зi стану насичення в стан вiдсiчення у видi сплеску напруги U2 на цiй iндуктивностi. Запасена в LП енергiя розсiюiться при дозарядкцi конденсатора Сп, а також на опорi транзистора пiд час проходження iм активного стану (на епюрi потужностi втрат тАФ сплеск 3).
Утрати потужностi через Lп пропорцiйнi величинi iндуктивностi Lп, робочiй частотi fp i квадратовi прохiдного струму РЖKm:
.(8)
Потужнiсть Р"п ком стаi помiтноi на дуже високих частотах. Максимальнi робочi частоти, при яких вiдноснi втрати
Ваi
Вавиявляються близько 3%, можуть бути знайденi з виражень
.
Збудження транзисторiв, що працюють у ключовому режимi, звичайно виробляiться гармонiйним струмом з великою амплiтудою, при якiй iмпульси iК мають майже прямокутну форму. Тому потужнiсть, споживана базовим ланцюгом вiд попереднього каскаду, виявляiться порiвняно великий, а коефiцiiнт пiдсилення по потужностi Кр ГЗЗ у ключовому режимi помiтно нижче чим КР ГЗЗ у ННР. Недолiки ГЗЗ у ключовому режимi з активним навантаженням тАФ швидкий рiст утрат зi збiльшенням робочоi частоти i низьке значення КР тАФ обмежують область iхнього застосування.
РЖстотно нижче втрати при роботi на високих частотах мають ГЗЗ у ключовому режимi з формуючим контуром. РЖдея такого ГЗЗ полягаi в тому, що паразитнi елементи Сп i Lп у цьому ГЗЗ входять до складу коливального контуру CкLк (рис. 4), транзистор знаходиться в одному з двох станiв: вiдсiчення або насичення i вiдкриваiться i закриваiться в тi моменти часу, коли напруга на колекторi (на iмностi Ск) дорiвнюi нулевi.
Схеми ГЗЗ у ключовому режимi з активним навантаженням (див. рис. 1) i формуючим контуром (рис. 4) однаковi; розходження полягаi лише в тiм, що в другiй схемi елементи Ск, Lк, Cб2 утворюють коливальний контур, набудований на частоту, близьку до робочоi.

Рисунок 4 тАУ Схема ГЗЗ з формованим контуром

Рисунок 5 тАУ Епюри струмiв i напруг у ГЗЗ з формуючим контуром
Розглянемо коротко роботу такого ГЗЗ у сталому режимi. Нехай транзистор закритий, а на iмностi Ск максимальна напруга. З часом конденсатор Ск розряджаiться на iндуктивнiсть Lк. У залежностi вiд внесеного опору втрат у контур
Варозряд може йти по однiй iз трьох траiкторiй (рис. 5,6): 1 тАФ загасання занадто велике; 2 тАФ загасання мале; 3 тАФ оптимальне загасання. При цьому загасаннi в момент t1, коли UK = UCK виявляiться рiвним нулевi, також дорiвнюють нулевi похiдна dUК/dt = 0 i струм у котушцi контуру Lк.
Струм збудження i його частота пiдiбранi так, що в момент t1, вiдкриваiться транзистор, конденсатор Ск шунтуiьтся малим опором rнас i коливальний процес припиняiться. З'являiться струм через iндуктивнiсть i наростаi пропорцiйно часу (рис. 5,в).
У момент t2 пiд впливом струму збудження транзистор зачиняiться при напрузi на ньому еск = iк (t2) rнас. Починаючи з моменту Lк, що тече крiзь Lк струм заряджаi iмнiсть Ск. У момент t3 iмнiсть Ск знову зарядиться до максимальноi напруги, струм через котушку Lк упаде до нуля i почнеться наступний цикл (рис. 5,г). Розглянутий ключовий режим ГЗЗ називають оптимальним. При цьому режимi втрати в транзисторi виявляються мiнiмальними.
З епюр на рис. 5 видно, що напруга ек на колекторi i, отже, на навантаженнi Rн досить сильно вiдрiзняiться вiд гармонiйного. Для того щоб зробити напругу на навантаженнi Rн гармонiйним, перед нею включають фiльтр (у найпростiшому випадку тАУ послiдовний коливальний контур, набудований на частоту fp).
Змiна режиму ГЗЗ при цьому виявляiться незначним, оскiльки внесений опiр у контур LкCкCб2 на частотi першоi гармонiки зберiгаiться первiсним, а рiвнi другоi i вищоi гармонiк порiвняно малi.
Експериментальнi дослiдження показують, що ККД по першiй гармонiцi ГЗЗ iз формуючим контуром в оптимальному режимi практично дорiвнюi електронному ККД:
, а максимальна робоча частота такого ГЗЗ
Ватобто в 2..15 разiв вище, нiж для ГЗЗ з активним навантаженням. Показники ГЗЗ майже не змiнюються в дiапазонi робочих частот
Ваде
ВатАФ резонансна частота формуючого контуру.
РЖстотним недолiком ГЗЗ iз формуючим контуром i досить високий пiктАУфактор напруги на транзисторi UK max
Ва(3,3тАж4) ЕК, у зв'язку з чим приходиться вибирати зниженi значення ЕК, що трохи знижуi Р1, i ККД.
Вместе с этим смотрят:
IP-телефония. Особенности цифровой офисной связи
РЖсторiя звтАЩязку та його розвиток
Автоматика, телемеханика и связь