Регуляторы яркости "Старт"
Оглавление
1. История
2. Неисправности регуляторов типа "Старт"
Регуляторы яркости "Старт" выпускаются отечественной промышленностью на номинальные мощности 4, 8, 16, 24, 32 кВ*А и применяются для питания огней системы посадки "Свеча-3".
Конструктивно, регулятор представляет собой шкаф, разделенный на верхний и нижний отсеки. В верхнем отсеке расположены блок управления, амперметр для контроля тока нагрузки, микроамперметр для контроля изоляции кабельного кольца, переключатель управления режима работы регулятора и светосигнализаторы: "Включено", "Дистанционное управление", "Авария", "Изоляция понижена".
В блок управления входят следующие функциональные блоки: функциональный преобразователь ФП, усилитель рассогласования УР, фазоимпульсный преобразователь ФИП, источник питания ИП, блок задания БЗ, устройство контроля изоляции УКИ. Каждый был смонтирован на унифицированном шасси с колодкой разъема. При установке блока ножевая колодка разъема стыкуется с вилкой, расположенной на задней стенке корпуса блока управления. Ниже блока управления располагается панель, на которой установлены реле защиты по току и напряжению, а также тиристоры и предохранители.
В нижней части шкафа располагаются элементы силовой цепи: трансформатор тока, магнитный пускатель, силовой повышающий трансформатор, выводы для подвода питания 380 В, 50 Гц и для подключения кабеля нагрузки.
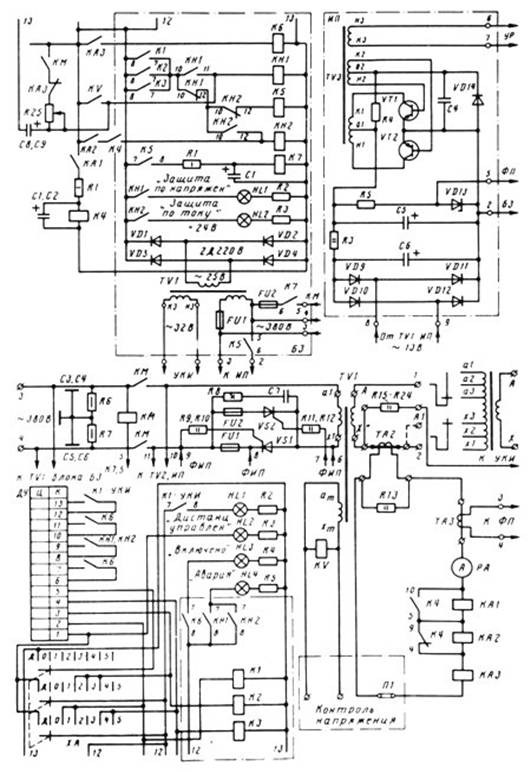
Структурная схема регулятора. Напряжение питания поступает на силовой трансформатор TV1 (рис. 1.1) через блок тиристоров VS1, VS2. В цепь вторичной обмотки силового трансформатора последовательно нагрузке включен токовый трансформатор ТА2, с которого сигнал обратной связи поступает во входную цепь обратной связи, где включены амперметр РА для контроля тока нагрузки, реле максимального тока КА1, КА2 и реле минимального тока КАЗ.

Рис. 1.1. Структурная схема регулятора яркости типа ВлСтартВ»
С входной цепи сигнал обратной связи поступает на функциональный преобразователь ФП, где выпрямляется и преобразуется для обеспечения однозначного изменения действующего значения тока нагрузки и среднего значения тока обратной связи. Преобразованный Сигнал сравнивается с опорным сигналом, источником которого является стабилизатор в блоке задания БЗ. Разностный сигнал подается на усилитель рассогласования УР, усиливается и подается на фазоимпульсный преобразователь ФИП, который в зависимости от значения сигнала, поступающего с усилителя, изменяет фазу управляющих импульсов, подаваемых на тиристоры VS1, VS2. Тиристоры включены последовательно в первичную цепь силового трансформатора по встречно-параллельной схеме. Такая схема обеспечивает регулирование тока в силовой цепи в положительный и отрицательный полупериоды синусоидального напряжения.
Включение регулятора. При подаче питающего напряжения 380 В, 50 Гц на клеммы 3, 4 силовой части регулятора питается трансформатор TV1 блока БЗ и от него схема УКИ (рис. 1.2).

Рис. 1.2. Электрическая схема силовой части, элементов БЗ и ИП
схема регулятор напряжение
Включение регулятора производится галетным переключателем ХА, который при местном управлении устанавливается на требуемую ступень яркости. В зависимости от выбранной ступени яркости включается одно из реле К1, К2, КЗ или их комбинация. Замыкающие контакты 8, 7 этих реле включают питание обмотки реле К5 через контакты реле КН1, КН2. Реле К5 включается и контактами 5, 6 подает питание на трансформатор TV1 источника питания, а контактами 7, 8 на обмотку реле К7. С выдержкой времени, определяемой цепочкой R1, С1, реле К7 (рис. 1.3) включается и своими контактами 5, 6 включает питание обмотки магнитного пускателя КМ, который подает питание на силовую часть регулятора. Контакты 7, 8 реле К7 снимают блокировку со входа стабилизатора тока VT1, VТ2, VT3 (рис. 1.4) блока БЗ, а контакты 9, 10 снимают блокировку с выхода стабилизатора на транзисторах VT1, VT2, VT3 блока ФП (рис. 1.5).
Для сигнализации о наличии тока в цепи нагрузки служит реле минимального тока КАЗ (см. рис. 1.2). Если ток в цепи нагрузки равен току первой ступени яркости и более, то реле КАЗ включается и своими замыкающими контактами включает питание обмотки реле К6, которое своими контактами 7, 8 подает питание на лампочку сигнализации HL3 "Включено". Если ток в цепи нагрузки будет менее 3 А, то реле КАЗ не включится и через его размыкающий контакт напряжение поступает на цепочку С8, С9, R25. После заряда конденсаторов С8, С9 напряжение поступает на реле КН1, которое включается и своим размыкающим контактом отключает реле К5, а другим контактом 10, 11 становится на самоблокировку.
Реле K5 отключает питание обмотки реле К7, которое своими контактами 5, 6 отключает питание обмотки магнитного пускателя КМ и силовая часть обесточивается. О данном режиме работы регулятора сигнализирует лампа HL1 "Защита по напряжению" в блоке БЗ и лампа HL4 "Авария" на панели управления регулятора.
При дистанционном управлении регулятором яркости переключатель ХА ставится в положение Д. В этом случае сигналы на включение реле К1, К2, КЗ поступают с аппаратуры дистанционного управления через выводы 2, 3, 4 разъема ДУ. При нормальной работе регулятора контакты реле К6 выдают сигнал на выводы 6, 7 и 10, 11 разъема ДУ. При аварии регулятора с контактов КН1, КН2 подается сигнал на выводы 7, 8 разъема ДУ.

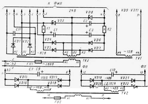
Рис. 1.3. Электрическая схема источника питания

Рис. 1.4. Электрическая схема УР и элементов БЗ

Рис. 1.5. Электрическая схема ФП и элементов БЗ
Схема защиты по току. Она состоит из двух токовых реле КА1, КА2 и промежуточного реле К4. Обмотки реле KA1, КА2 последовательно включены в цепь вторичной обмотки токового трансформатора ТА2. Резистор R13 ограничивает ЭДС, возникающие на вторичной обмотке ТА2 при переходных процессах.
Реле КА1 отрегулировано на ток нагрузки, превышающий на 5 % номинальное значение, а КА2 - на 10 %. При нормальной работе регулятора обмотка реле КА2 блокируется контактом реле К4, поэтому ток в цепи обратной связи протекает только через обмотку реле КА1.
При увеличении тока нагрузки на 5 % реле КА1 включается и своими контактами запитывает цепь обмотки реле К4, которое включается после заряда конденсаторов С1, С2. Выдержка на включение реле К4 необходима для устранения срабатывания защиты по току при кратковременных повышениях тока нагрузки.
По истечении времени выдержки реле К4 включается и своими контактами подготавливает цепь питания обмотки реле КН2, блокирует обмотку реле КА1 и снимает блокировку с обмотки реле КА2, которое включается при повышении тока нагрузки на 10 %. Контакт реле КА2 включает питание обмотки реле КН2, последнее включается, становится на самоблокировку и включает реле К5. Контакт реле К5 отключает реле К7, что приводит к отключению магнитного пускателя. Второй контакт КН2 включает лампу сигнализации HL4 "Авария" на пульте управления регулятора и HL2 "Защита по току" в блоке БЗ. Третий контакт КН2 включает сигнализацию на выводы 8, 9 разъема ДУ.
Защита по напряжению. Она обеспечивается с помощью реле KV, которое включено в цепь дополнительной обмотки силового трансформатора. При повышении выходного напряжения регулятора на
20 % выше номинального реле KV включается и своими контактами включает питание обмотки реле КН1, последнее становится на самоблокировку и отключает реле К5. Оно в свою очередь отключает реле К7, последнее отключает магнитный пускатель КМ. Кроме того, контакты реле КН1 включают лампы сигнализации HL4 "Авария" и HL1 "Защита по напряжению".
Для повторного включения регулятора яркости после срабатывания защиты по току или напряжению устанавливают переключатель управления ХА в нулевое положение, а затем на одну из ступеней яркости.
Блок управления осуществляет преобразование сигнала обратной связи; его сравнение с опорным сигналом; усиление сигнала рассогласования; формирование управляющих импульсов и изменение их фазы для стабилизации действующего значения тока нагрузки регулятора.
Рассмотрим принципиальные электрические схемы функциональных блоков и их работу.
Функциональный преобразователь (см. рис. 1.5) служит для преобразования среднего значения сигнала обратной связи по току в сигнал, пропорциональный действующему значению тока нагрузки регулятора при различных углах включения силовых тиристоров, т.е. при различных значениях коэффициента формы кривой регулируемого тока. С этой целью выходная характеристика ФП имеет вид функции, близкой к квадратичной, которая обеспечивается методом кусочно-линейтной аппроксимации с помощью шести ступеней.
В схему ФП входит стабилизатор опорного напряжения, собранный на транзисторах VT1, VT2, VT3. Резистором R29 регулируется напряжение. Резисторы (R5 + R6), (R9 + R10), (R13 + R14), (R17 + R18), (R21 + R22), (R25 + R26) служат для создания пороговых напряжений диодных ступеней VD5.. VD10. Сопротивление данных резисторов должно быть равно, кОм: R5 + R6 = 55,5 кОм; R9 + R10 = 28,85 кОм, R13 + RU = 19,32 кОм; R17 + R18 = 14,62 кОм; R21 + R22 = 11,82 кОм; R25 + R26 = = 9,9 кОм.
Резисторы R7 + R8, R11 + R12, R15 + R16, R19 + R20, R23 + R24, R27 + R28 создают наклон аппроксимирующих прямых соответствующих диодных ступеней. Резисторы R2, R3, R4 определяют коэффициент передачи функционального преобразователя.
Входной сигнал обратной связи снимается с вторичной обмотки токового трансформатора ТАЗ (см. рис. 1.3), выпрямляется диодами VD1.. VD4 (см. рис. 1.5) и подается на схему диодных ступеней VD5.. VD10. Когда входной сигнал превысит опорное напряжение для диода VD5, последний открывается и к резисторам R2, R3, R4 параллельно подключаются R7, R8. При входном сигнале, превышающем опорное напряжение диода VD6, к резисторам R2, R3, R4 параллельно подключаются резисторы R7, R8, R11, R12 и т. д.
Вследствие этого зависимость выходного сигнала ФП от значения входного напряжения имеет вид, близкий к квадратичной.
Основные технические данные блока ФП
Напряжение, В:
входное тАжтАжтАжтАжтАжтАжтАжтАжтАжтАжтАжтАжтАжтАжтАжтАжтАжтАжтАжтАжтАж. 0..24
выходное тАжтАжтАжтАжтАжтАжтАжтАжтАжтАжтАжтАжтАжтАжтАжтАжтАжтАжтАж.... 0..10
Сопротивление нагрузки, кОм тАжтАжтАжтАжтАжтАжтАжтАжтАжтАжтАжтАж. 10
Потребление тока по цепям опорного напряжения, мА тАжтАж 50
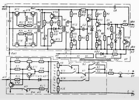
Усилитель рассогласования (см. рис. 1.4). Он выполнен по схеме МДМ (модуляция-усиление-демодуляция). Такая схема усиления позволяет получить малый температурный дрейф, что повышает стабильность работы схемы авторегулирования.
Модулятор выполнен по мостовой схеме. Два плеча моста образованы коллекторным и эмиттерным переходами транзистора VT10, а два других - резисторами R2, R3, R4. К одной диагонали моста (база транзистора VT10 - движок потенциометра R3) подводится коммутирующее напряжение прямоугольной формы с частотой 1000 Гц, поступающее с резистора R25 и минусом приложенное к базе VT10. С другой диагонали моста снимается выходной сигнал модулятора, имеющий также форму прямоугольных импульсов, амплитуда которых изменяется по закону амплитуды входного сигнала рассогласования.
Транзистор VT10 работает в ключевом режиме. В открытом состоянии транзистора VT10 входной сигнал замыкается через малое сопротивление коллекторного перехода. В закрытом состоянии транзистора входной сигнал проходит на вход первого усилительного каскада, собранного на транзисторе VT1.
Усилитель переменного тока выполнен на транзисторах VT1 .. VT5. Коллекторное напряжение двух каскадов стабилизировано стабилитроном VD2, что необходимо для устранения явлений ложной модуляции при колебаниях питающего напряжения. Явление ложной модуляции вызвано перезарядом конденсатора С1 при случайных колебаниях питающего напряжения в первом каскаде, что воспринимается модулятором как изменение входного сигнала.
Режим усилителя первого каскада, собранного на транзисторе VT1, определяется резисторным делителем напряжения R5, R6, Второй каскад собран на транзисторе VT2 и представляет собой эмиттерный повторитель. Напряжение с резистора R11 через конденсатор СЗ подается на базу транзистора VT3, на котором собран третий каскад по схеме с общим эмиттером. Для уменьшения нелинейных искажений в первом и третьем каскадах усилителя используется обратная отрицательная связь по переменному току, что осуществляется резисторами R8 и RI5 в эмиттерных цепях транзисторов VT1 и VT3.
С коллектора транзистора VT3 сигнал поступает через конденсатор С4 в первичную обмотку трансформатора TV1, вторичная обмотка которого включена в базовые цепи транзисторов VT4, VT5. Оконечный каскад усилителя собран по двухтактной схеме на транзисторах VT4, VT5, которые работают поочередно в течение соответствующего периода входного напряжения и пропускают токи прямоугольной формы. Напряжение смещения снимается с диода VD1, который одновременно осуществляет температурную стабилизацию выходного каскада. Корректирующая цепочка R20, С6 уменьшает броски напряжения на коллекторах транзисторов VT4 и VT5, обусловленные индуктивностью выходного трансформатора TV2.
Выходное напряжение усилителя переменного тока снимается с вторичной обмотки трансформатора TV2 и подается на демодулятор, который собран на транзисторах VT6 .. VT9 по двухполупериодной схеме. Два плеча демодулятора VT6, VT7 и VT8, VT9 представляют собой ключи, работающие синхронно с модулятором, так как их управление осуществляется прямоугольными импульсами с трансформатора TV3. Каждое плечо, состоящее из двух встречно включенных транзисторов, обладает двусторонней проводимостью в момент, когда потенциал баз отрицателен. Это обеспечивает надежное открытие и запирание плеч демодулятора при любой полярности напряжения сигнала переменного тока в пределах его рабочего значения. Фаза напряжения на вторичной обмотке трансформатора TV2 по отношению к коммутирующему напряжению определяется полярностью сигнала на выходе усилителя переменного тока. Выходное напряжение демодулятора формируется на конденсаторе СЗ, с которого сигнал поступает на вход схемы фазоимпульсного преобразователя.
В случае импульсного изменения тока в цепи нагрузки регулятора сигнал с входа УР передается конденсатором С8 непосредственно на выход демодулятора и корректирует его выходное напряжение.
Основные технические данные усилителя
Коэффициент усиления, дБ .............................28..35
Сопротивление нагрузки, кОм тАжтАжтАжтАжтАжтАжтАжтАжтАжтАжтАжтАжтАжтАж 2
Входное сопротивление, кОм тАжтАжтАжтАжтАжтАжтАжтАжтАжтАжтАжтАжтАжтАж. 10
Напряжение питания, В тАжтАжтАжтАжтАжтАжтАжтАжтАжтАжтАжтАжтАжтАжтАжтАж.. 24
Дрейф нуля, приведенный к входу, не более, мкВ/º тАжтАжтАжтАжтАж. 40
Несущая частота, кГц тАжтАжтАжтАжтАжтАжтАжтАжтАжтАжтАжтАжтАжтАжтАжтАжтАж 1..1,5
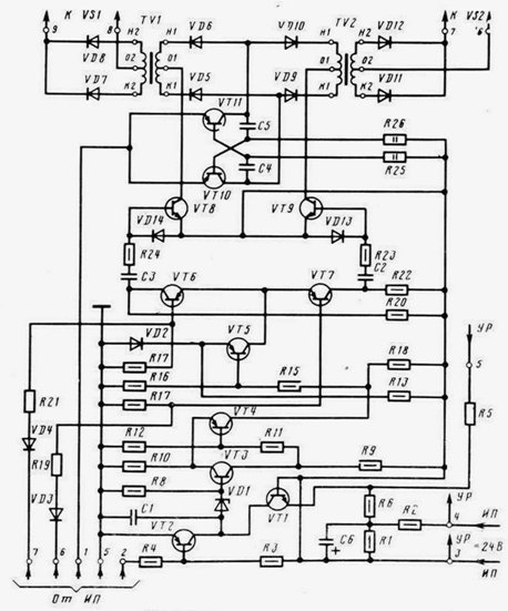
Фазоимпупьсный преобразователь (ФИП) обеспечивает формирование управляющих импульсов и регулировку их фазы в зависимости от входного сигнала.
В схему ФИП (рис. 1.6) входят следующие каскады: управляющий каскад на транзисторах VT1 и VT2; триггер Шмидта на транзисторах VT3, VT4; электронный коммутатор, собранный на транзисторах VT5, VT6, VT7 и предназначенный для распределений запускающих импульсов по двум каналам; электронные ключи на транзисторах VT8, VT9 служат для включения питания мультивибратора; генератор управляющих импульсов собран по схеме мультивибратора на транзисторах VT10, VT11.
Входной сигнал управления с конденсатора С7 схемы усилителя рассогласования подается через резисторы R1, R6, R5 на базу-эмиттер транзистора VT1, включенного, по схеме с общей базой и выполняющего роль регулируемого сопротивления. Через резисторы R2, 1 на базу-эмиттер транзистора VT1 подается также стабилизированное напряжение от источника питания, которое имеет полярность, способствующую открытию транзистора. Следовательно, выходное сопротивление транзистора VT1 определяется напряжением источника стабилизированного напряжения и выходным сигналом усилителя рассогласования.
Заряд конденсатора С1 проходит через коллекторно-эмиттерный переход транзистора от значения сопротивления которого зависят время заряда, а следовательно, и фаза управляющих импульсов. Значение заряда конденсатора С1 определяется напряжением пробоя стабилитрона VD1, Разряд конденсатора С1 происходит в конце полупериода синхронизирующего напряжения, которое подается на базу транзистора VT2 через резистор R4. На базу транзистора VT2 подается и напряжение смещения через резистор R8. Полярность напряжения смещения такова, что определяет открытое состояние транзистора VT2, а полярность синхронизирующего напряжения противоположна смещению. Поэтому транзистор VT2 открывается в момент перехода синхронизирующего напряжения через нуль, а при наличии синхронизирующего напряжения происходит заряд конденсатора С1 до момента пробоя стабилитрона VD1. Разряд конденсатора С1 происходит через транзистор VТ2 при его открытии.
Напряжение на резисторе R8, образуемое коллекторным током транзистора VT1 приложено минусом к базе и плюсом к эмиттеру транзистора VT3 и открывает его. При этом транзистор VT4 закрывается, что приводит к открытию транзистора VT5. В этом случае эмиттерные цепи транзисторов VT6, VT7 подключаются к плюсу источника питания 24 В, но открывается лишь тот транзистор, на базу которого а данный момент поступает синхронизирующее напряжение через диоды VD3, VD4 и резисторы R19, R21. Синхронизирующее напряжение совпадает по фазе с питающим напряжением сети, а транзистор VТ5 открывается с задержкой. Например, если синхронизирующее напряжение в данный момент поступает на базу транзистора VТ7 через диод VD3 и резистор R19, то при открытии транзистора VT5 появится цепь для эмиттерного тока транзистора VT7, и он откроется. Импульс напряжения с коллектора VT7 через конденсатор С2 и резистор R23 подводится на базу транзистора VT9, который откроется до насыщения. Резистор R23 и конденсатор С2 образуют дифференцирующую цепочку, которая служит для уменьшения длительности запускающего импульса. Через коллекторно-эмиттерный переход транзистора VT9 подводится минус 24 В источника питания на коллекторы транзисторов VT10, VT11 схемы мультивибратора, который начинает вырабатывать прямоугольные импульсы частотой 2..3 кГц в течение времени открытого состояния транзистора VT7.

Рис. 1.6. Электрическая схема ФИП
Коллекторной нагрузкой транзисторов VT10, VT11 служат импульсные трансформаторы TV1, TV2. При открытии транзистора VT9 коллекторный ток транзисторов VT10, VT11 протекает по обмотке трансформатора TV2. В этом случае прямоугольные импульсы мультивибратора трансформируются во вторичной обмотке трансформатора TV2, выпрямляются диодами VD11, VD12 и подаются к выводам на управляющий электрод и катод тиристора VS2. Диоды VD5, VD6, VD9, VD10 обеспечивают разделение цепей питания транзисторов VT10, VT11 через трансформаторы TV1 и TV2. В момент подачи управляющего импульса питающее напряжение должно иметь полярность, при которой положительный потенциал подается на анод, а отрицательный на катод тиристора. Это обеспечивается электронным коммутатором на транзисторах VT6, VT7, переключением которых управляет синхронизирующее напряжение. Например, если в рассматриваемый момент времени положительный полупериод питающего напряжения приложен к аноду тиристора VS1, то синхронизирующее напряжение поступает через диод VD4 на базу VT6. При изменении полярности питающего напряжения синхронизирующее напряжение поступает через диод VD3 на базу VT7. Форма импульсов блока ФИП приведена на рис. 1.7.
Блок задания (см. рис. 1.2) обеспечивает перевод регулятора в необходимый режим работы, предусмотренный схемой: местное управление, дистанционное управление, переключение ступеней яркости. Выбор режима производится переключателем ХА.
Трансформатор TV1 осуществляет питание катушек реле, ламп сигнализации блока задания и панели управления регулятора.
Стабилизатор напряжения собран на транзисторах VT1, VT2, VT3 (см. рис. 1.4) и служит для получения опорного сигнала, который регулируется потенциометрами R9, R17, R24 и сравнивается с сигналом обратной связи на входе усилителя рассогласования.
Для подстройки точности стабилизации служат резисторы: R24 - на первой и второй ступенях яркости; R17 - на третьей и четвертой; R9 -на пятой. Потенциометры вынесены на переднюю панель блока задании с надписью "Подстройка".
Для установки тока нагрузки на ступенях яркости служат потенциометры: R19 - первая ступень; R20 - вторая; R21 - третья; R22 -четвертая; R23 - пятая. Они вынесены на переднюю панель блока с надписью "Уставка тока".
Контрольная точка | Форма напряжения | Амплитуда, В | Примечание |
| а) |
| 50-55 | |
| б) |
| 11-13 | |
| в) |
| 14-16 | |
| г) |
| ||
| д) |
| ||
| е) |
| 5-12 | При измерениях осциллограф не заземлять |
| ж) |
| При измерениях осциллограф не заземлять | |
| з) |
|
Вместе с этим смотрят:
IP-телефония. Особенности цифровой офисной связи
РЖсторiя звтАЩязку та його розвиток
Автоматика, телемеханика и связь
Анализ режимов автоматического управления







