Расчет консольной фермы
Исходные данныеУзел № 1
Группа материала: С375
Количество циклов нагружения:N=2∙106.
Ферма нагружена в усилиями Р=4 кН, приложенных в узлах верхних поясов, и подвижной нагрузкой Q=30 кН перемещающейся по верхнему поясу между узлами 5 и 45.
Расстояние между поясами h = 1,5 м,
Расстояние между стойками d = 1,8 м,
Пояса фермы выполнены из проката двутаврового профиля, раскосы и стойки выполнены из равнополочных уголков. Сопряжение решетки с поясами осуществляется с помощью косынок.

Рисунок 1- Расчетная схема консольной фермы
Необходимо:
1. Рассчитать минимальные сечения стержней, входящих в узел 4 из условия статической прочности.
2. Рассчитать минимальные сечения стержней входящих в узел 4 из условия усталостной прочности.
3. Спроектировать сварное соединение крепления решетки к косынке.
4. Спроектировать сварное соединение крепления косынки к поясу.
1. РАiЕТ МИНИМАЛЬНЫХ СЕЧЕНИЙ СТЕРЖНЕЙ ИЗ УСЛОВИЯ СТАТИЧЕСКОЙ ПРОЧНОСТИ
1.1 РАiЕТ УСИЛИЙ В СТЕРЖНЯХ И РЕАКЦИЙ В ОПОРАХ
Усилия в стержнях можно определить методом рассечения фермы.
(Рисунок 2). Рассекаем между узлами 1тАЩ и 2тАЩ. Отбрасываем левую часть. Заменяем соединения усилиями. Получим два уравнения равновесия момента.

Рисунок 2 тАУ Рассеченная ферма
;
;
.
;
;
![]()
Сумма проекций всех сил на ось Y равна нулю:
;
,
где
, получим ![]()
.
1.2 РАiЕТ МИНИМАЛЬНЫХ СЕЧЕНИЙ СТЕРЖНЕЙ
консольная ферма проектирование
Расчет на прочность элементов, подверженных центральному растяжению или сжатию силой N, следует выполнять по формуле:
![]()
![]()
откуда минимальное значение площади поперечного сечения :
![]()
где gс - коэффициент условий работы, принимаемый равным 1.
Ва- расчетное сопротивление по пределу текучести;
где
- коэффициент надежности по материалу проката, принимаемый по табл. 2* СНиП II-23-81 (в соответствии с ГОСТ 27772-88):
;
Для материала С375
МПа (табл. 51* СНиП II-23-81), откуда:
МПа.
Принимаем в соответствии табл. 51* СНиП II-23-81 ![]()
Подставим усилия от стержней (1тАЩ2, 02, 1тАЩ2тАЩ) в формулу для нахождения площади поперечного сечения, получим:
![]()
Для верхнего пояса (1тАЩ2тАЩ):

Для нижнего пояса (02):

Для раскоса (1тАЩ2):

Для поясов возьмем большую площадь сечения. Прокат для верхних и нижних поясов берем одинаковые.
Примем двутавр (ГОСТ 26020-83) №50 с F=100 см
.
Примем уголок (ГОСТ 8509-93) №6,3 (63´63´6) с F=7,28 см
.
Расчет на усталость следует производить по формуле
smax /aRngn£1,
где Rn =108 МПатАУ расчетное сопротивление усталости, принимаемое по табл. 33 СП 53-102 2004 в зависимости от временного сопротивления стали и групп элементов конструкций, приведенных в табл. Р.1 СП 53-102 2004 (в нашем случае конструкция относится к седьмой группе элементов);
a тАФ коэффициент, учитывающий количество циклов нагружений n, принимаемый при n ³ 3,9 В· 106 равным a = 0,77 и вычисляемый при n < 3,9 В· 106 по формулам:
для групп элементов 1 и 2
a = 0,064 (n / 106)2 - 0,5 (n / 106) + 1,75
для групп элементов 3тАФ8
a = 0,07 (n / 106)2 - 0,64 (n / 106) + 2,2.
Для нашей конструции с n=2∙106 рассчитываем по второй формуле:
a=0,07(n/106)2-0,64(n/106)+2,2=0,07(2∙106/106)2-0,64(2∙106/106)+2,2=1,2;
gn тАУ коэффициент, определяемый по табл. 33 СП 53-102 2004 в зависимости от вида напряженного состояния и коэффициента асимметрии напряжений r = Nmin/Nmax. При разнозначных напряжениях коэффициент асимметрии напряжений следует принимать со знаком "минус".
Расчет наибольшего усилия проведен в пункте 1 (нагрузка Q смещена максимально вправо)
Расчет минимального усилия Nmin (нагрузка Q смещена максимально влево тАУ на узел 5тАЩ) :

Рис.3
;
;
.
;
;
![]()
Сумма проекций всех сил на ось Y равна нулю:
;
,
где
, получим ![]()
.
Рассчитаем на усталость верхний пояс:
Коэффициент асимметрии напряжений
;
Согласно табл. 34 СП 53-102 2004 при 0 < r £ 0,8 выбираем формулу для расчета коэффициента gn:

Так же при расчете на выносливость должно выполняться условие:

где Ru=480 МПа - расчетное сопротивление стали растяжению, сжатию, изгибу по временному сопротивлению (табл.В.5 СП 53-102 2004);
-коэффициент надежности в расчетах по временному сопротивлению;
Согласно Пункт 4* СНиП II-23-81
=1,3.
1,2∙108∙4,54≤480/1,3
588
369 МПа, условие не выполнено. В формулу расчета на усталость подставим 369 МПа.
smax=Nmax/A1тАЩ2тАЩ=3044400/ 10000 = 304МПа;
304 /369= 0,82 £ 1, условие выносливости выполняется.
3. ПРОЕКТИРОВАНИЕ КРЕПЛЕНИЯ
РЕШЕТКИ К КОСЫНКЕ
Рассчитаем крепление раскоса 21тАЩ к косынке (рис. 4). В качестве способа сварки выберем ручную дуговую сварку по ГОСТ 5264-80, выберем электроды Э50А ГОСТ 9467-75 (табл.Г.1 СП 53-102 2004) для группы 1.
Длину швов крепления уголков найдем из условия прочности углового шва:
tтАЩ=N/(k∙b∙lw)≤Rw,
где N тАУ усилие в стержне (N=21тАЩ);
k тАУ катет шва, принимаем из условия kmax=0,9t=0,9∙6=5,4 мм и kmin=4 мм. Принимаем k=5мм;
lw тАУ длина шва;
b - коэффициент для нахождения расчетной высоты шва, принимаем для расчета по Ме шва bf=0,7 и для расчета по зоне сплавления bz=1;
Rw тАУ расчетное сопротивление ме шва срезу, по металлу шва принимаем Rwf=215МПа (табл. Г.2 СП 53-102 2004), по металлу зоны сплавления Rwz=0,45∙Run=0,45*490=220 МПа.
Максимальная длина углового шва lmax=85*k*b=85*5*0,7=297 мм.
Минимальная длина шва Lmin=4k=4*5=20 мм, но не менее 40 мм.
Расчет по металлу шва:

Расчет по ме границы сплавления:

Принимаем длину шва 319 мм, и найдем длины фланговых швов. Так как центр тяжести сечения уголка находится не посередине ширины элемента, то шов, расположенный ближе к центру тяжести, воспринимает большую нагрузку, чем шов, расположенный дальше от центра тяжести (см рис. 3). Считается, что усилия, приходящиеся на швы, будут обратно пропорциональны расстояниям их от центра тяжести сечения и могут быть получены по формулам, подставив значения в которые значения b=63 мм и
=17,8мм, найдем
:


Рис. 4 - Крепление решетки к косынке
![]()
![]()

![]()
Принимаем ![]()
4. ПРОЕКТИРОВАНИЕ КРЕПЛЕНИЯ КОСЫНКИ К ПОЯСУ
Требуется рассчитать крепление косынки к поясу в узле 1тАЩ. Примем толщину косынки 8 мм. Максимальное значение катета:
;
где
ВатАУнаименьшая толщина соединяемых элементов.
Минимальное значение катета определим по табл. 35 СП 53-102 2004:
k=4 мм, принимаем катет шва равным 8 мм.
Сварные соединения с угловыми швами при действии продольной и поперечной сил следует рассчитывать на срез (условный) по двум сечениям:
1.По металлу шва
2.По границам зоны сплавления.

Рис. 5
SY=0 тАУ следовательно усилия в раскосах должны быть разных знаков. SХ=0 тАУ следовательно горизонтальные швы срезаются силой Т=N1cosa+N2cosa (формула 18.7, [2]),
где N1=01тАЩ, N2=21тАЩ, a=590.
Найдем усилие в стержне 01тАЩ: рассечем между узлами 0 и 1 (рис. 6), составим уравнение SY=0= тАУ45Р тАУ Q тАУ 01тАЩsina

Рис.6
01тАЩ= (тАУ45Р тАУ Q) / sina = (тАУ45*4 тАУ 30) / sin590= - 344993 H тАУ знак тАЬминустАЭ для случая, когда вектор силы направлен в сторону, противоположную той, которая указана на рисунке 5.
Т=240235*cos59 + 344993 cos59 = 301414 Н
![]()
![]()
где
Ва- расчетная длина шва и N = Т.
Для первого случая (сечение по металлу шва):

Для второго случая (сечение по границам металла шва):
![]()
Максимальная длина углового шва lmax=85*k*b=85*8*0,7=476 мм.
Минимальная длина шва Lmin=4k=4*8=32 мм, но не менее 40 мм.
Принимаем длину шва 250 мм.
5.ПРОЕКТИРОВАНИЕ СВАРНЫХ СТЫКОВ
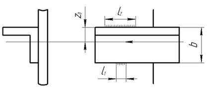
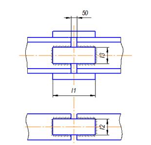
Произведем расчет стыкового соединения верхнего пояса (стык в стержне 1тАЩ2тАЩ). Соединение выполним при помощи накладок, изображенных на рисунке 7.
Из условия прочности на растяжение найдем толщину накладок d:
Ry ≥ N/A= 1тАЩ2тАЩ/(2(l2 + l3) d),
где l3= 400 мм , l2 = 160 мм тАУ ширины боковой и верхней накладок; приняты из габаритов двутавра и условия беспрепятственного доступа и проведения сварки.
d≥ 1тАЩ2тАЩ/(2(l2 + l3) Ry) = 3044400/(2(400+160)345) = 7 мм, примем d = 8 мм. Зная толщину накладки, примем катет нахлесточного шва k = 8 мм. Примем сварку без разделки кромок, тип шва Н1.
Далее найдем требуемую длину швов:
lw ≥ N/(k∙b ∙Rw).
Расчет по металлу границы сплавления:
lw z≥ 3044400/(8∙1 ∙220) = 1729 мм.
Расчет по металлу шва:
lw f≥ 3044400/(8∙0,7 ∙215) = 2528 мм.
Примем общую длину швов 2530 мм.
Длину фланговых швов боковых и полочных накладок примем одинаковыми:
(l1 - 50)/2= (lw - 2(l2 + l3))/8 = (2530 - 2(160 + 400))/8 В»176 мм, примем lф = 180 мм. Длины всех швов удовлетворяют условиям: минимальная длина шва Lmin=4k=4*8=32 мм, но не менее 40 мм и максимальная длина шва Lmax= 85k bf = 85∙0,7∙8 = 476 мм.
Размер нахлестки не должен быть меньше пяти толщин самого тонкого из свариваемых элементов:
Lнахл min = 5*8 = 40 мм. Полученный результат (180 мм) удовлетворяет этому условию

Рисунок 7-Проектирование планки
Между торцами стыкуемых элементов поясов ферм, перекрываемых планками, следует оставить зазор не менее 50 мм, для того чтобы уменьшить сварочные напряжения.
Вместе с этим смотрят:
Анализ деятельности строительного предприятия "Луна-Ра-строй"
Анализ проектных решений 20-ти квартирного жилого дома
Архитектура в коммуникативном аспекте
Архитектурно-ландшафтное проектирование автомобильных дорог
Благоустройство и озеленение участка загородного дома