Розрахунок керованого випрямляча та системи iмпульсно-фазового керування
ЗАВДАННЯ
на проектування з дисциплiни
ВлЕлектронiка та мiкросхемотехнiкаВ»
Кафедра автоматизацii виробничих процесiв
Варiант № 34
Тема: тАЬРозрахунок керованого випрямляча та системи iмпульсно-фазового керуваннятАЭ
Вихiднi данi:
1) Для випрямляча:
В· напруга живлення (
) тАУ 380;
В· напруга на навантаженнi (
) тАУ 80;
В· струм на навантаженнi (
) тАУ 30;
В· глибина регулювання (
) тАУ 10.
2) Для СРЖФУ:
В· напруга живлення (
) тАУ 380;
В· напруга управлiння (
) тАУ 0тАж8.
3) Для блока живлення:
В· напруга живлення (
) тАУ 380;
В· вихiдна напруга (
) тАУ 12;
В· струм на навантаженнi (
) тАУ 0,3;
В· коефiцiiнт стабiлiзацii (
) тАУ 100.
ПИТАННЯ ДЛЯ ПРОРОБКИ
1. Розрахунок силовоi частини керованого випрямляча.
2. Проектування системи iмпульсно-фазового керування.
3. Розрахунок джерела живлення.
4. Моделювання силовоi частини керованого випрямляча.
Завдання видане15.10.2004р.
Строк захисту13.12.2004р.
Завдання прийняте до виконання __________________(Наталюткiн М.РЖ.)
Керiвник __________________(Сус С.П.)
Реферат
Курсова робота присвячена розрахунку елементiв керованого випрямляча, системи iмпульсно-фазового керування для керованого випрямляча та блока живлення СРЖФУ.
Курсова робота мiстить 30 сторiнок, 12 iлюстрацiй, 1 додаток та 1 креслення (схема керованого випрямляча в зборi).
Змiст
Вступ
1 РОЗРАХУНОК СИЛОВОРЗ ЧАСТИНИ КЕРОВАНОГО ВИПРЯМЛЯЧА
1.1 Вибiр схеми та розрахунок основних параметрiв випрямляча в некерованому режимi
1.2 Розрахунок основних параметрiв випрямляча в керованому режимi
1.3 Розрахунок регулювальноi характеристики керованого випрямляча
1.4 Розрахунок регулювальноi характеристики керованого випрямляча
1.5 Вибiр захисту тиристорiв вiд перевантажень за струмом та напругою
2 ПРОЕКТУВАННЯ СИСТЕМИ РЖМПУЛЬСНО-ФАЗОВОГО КЕРУВАННЯ
2.1 Розрахунок параметрiв пускових iмпульсiв
2.2 Розрахунок параметрiв елементiв кола керування тиристорами
2.3 Розрахунок параметрiв елементiв блокiнг-генератора
2.4 Розрахунок елементiв генератора пилкоподiбноi напруги
2.5 Розрахунок вхiдного кола генератора пилкоподiбноi напруги
2.6 Розрахунок елементiв блока синхронiзацii
2.7 Побудова регулювальних характеристик випрямляча
3 РОЗРАХУНОК ДЖЕРЕЛА ЖИВЛЕННЯ
3.1 Вибiр схеми та розрахунок основних параметрiв джерела живлення
3.2 Розрахунок однофазного мостового випрямляча
Висновки
Перелiк посилань
Додатки
Додаток А
Мета даноi курсовоi роботи тАУ спроектувати керований випрямляч i систему iмпульсно-фазового керування для нього.
Випрямляч тАУ пристрiй, що перетворюi змiнний струм у постiйний. Вiн складаiться з трансформатора, що перетворюi напругу ланцюга живлення у необхiдну за величиною; вентильного блоку, що перетворюi змiнну напругу в пульсуючу та фiльтра, що згладжуi пульсацii випрямленоi напруги до необхiдноi для нормальноi роботи споживача величини. У данiй курсовiй роботi розглядаiться трьохфазний керований випрямляч, побудований з використанням керованих вентилiв (тиристорiв). В такому випрямлячi використовуiться трансформатор iз двома обмотками. Фiльтри, що згладжують, виконанi на основi дроселiв.
Для керування тиристорами, що використовуються в даному випрямлячi, використовуiться система iмпульсно-фазового керування. Такий спосiб керування потужними тиристорами в даний час вважаiться найбiльш прийнятним. Суть способу полягаi у включеннi замкнених тиристорiв майже позитивними прямокутними iмпульсами, що подаються на керуючий електрод тиристора зсунутими за фазою на кут
Вавiдносно моменту природного включення некерованих вентилiв. Таким чином, основним завданням системи iмпульсно-фазового керування i перетворення вхiдноi регулюючоi напруги у вiдповiдний кут регулювання
Ва(тобто кут вiдкриття тиристорiв). Тому що в даному випрямлячi використовуiться 6 тиристорiв, то для керування ними використовуiться багатоканальна система iмпульсно-фазового керування. При цьому схеми всiх каналiв однаковi i вiдрiзняються тiльки фазами синхронiзуючих напруг, що зсунутi за фазою одна вiдносно одноi на 120 градусiв, як i у вiдповiдних анодних ланцюгах тиристорiв.
Для живлення схеми системи iмпульсно-фазового керування використовуiться релейний стабiлiзатор напруги.
1
РОЗРАХУНОК СИЛОВОРЗ ЧАСТИНИ КЕРОВАНОГО ВИПРЯМЛЯЧА
1.1 Вибiр схеми та розрахунок основних параметрiв випрямляча в некерованому режимi
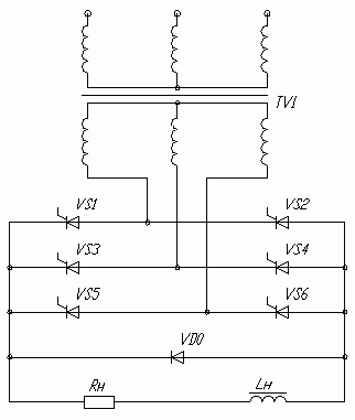
Згiдно з завданням приймаiмо трьохфазну мостову схему випрямляча на шести тиристорах з нульовим дiодом.

Рисунок 1.1 тАУ Схема трьохфазного мостового випрямляча
на шести тиристорах з нульовим дiодом
Спочатку проводимо розрахунок у некерованому режимi, тобто при
ВаУ звтАЩязку з тим, що напруга в мережi може змiнюватись у межах
Вавизначаiмо величини випрямлених напруг на навантаженнi:

деВаВаВаВаВа
тАУ випрямлена напруга на навантаженнi при нормальнiй напрузi в мережi;
ВатАУ випрямлена напруга на навантаженнi при пiдвищенiй напрузi в мережi.
Визначаiмо максимальне значення зворотноi напруги на тиристорах:
Васереднi значення струму тиристорiв 
З джерела [1] за обчисленими значеннями обираiмо тиристори типу T132-16-13.
Визначаiмо активний опiр фази трансформатора:

де ВаВаВаВа
ВатАУ коефiцiiнт, що залежить вiд схеми випрямлення;
ВатАУ магнiтна iндукцiя в магнiтопроводi;
ВатАУ частота струму живлячоi мережi;
ВатАУ число стрижнiв магнiтопроводу для трансформаторiв.
Визначаiмо iндуктивнiсть розсiювання обмоток трансформатора:

де
ВатАУ коефiцiiнт, що залежить вiд схеми випрямляча.
Визначаiмо напругу холостого ходу з урахуванням опору фази трансформатора
: ![]()
де
ВатАУ спадання напруги на вентилях та обмотках трансформатора,
![]()
ВатАУ спадання напруги на вентилях, ![]()
ВатАУ спадання напруги на обмотках трансформатора.

деВаВаВаВаВа
тАУ число пульсацiй кривоi випрямленоi напруги за перiод мережi.
Визначаiмо параметри трансформатора з джерела [2]:
дiюча напруга на вториннiй обмотцi трансформатора
![]()
дiючий струм вторинноi обмотки трансформатора
![]()
коефiцiiнт трансформацii

дiючий струм первинноi обмотки трансформатора
![]()
дiюче значення струму дiода

типова потужнiсть трансформатора
![]()
Визначаiмо кут комутацii:

де
ВатАУ iндуктивний опiр обмоток трансформатора.
Внутрiшнiй опiр випрямляча

Коефiцiiнт корисноi дii

де
ВатАУ втрати в трансформаторi, ![]()
ВатАУ коефiцiiнт корисноi дii трансформатора, ![]()
ВатАУ втрати потужностi на випрямних дiодах, ![]()
ВатАУ число тиристорiв у схемi.
Визначаiмо струм нульового вентиля:

З джерела [1] за обчисленим значенням обираiмо дiод типу ВЛ100.
Зовнiшня характеристика випрямляча при
Вабудуiться за двома точками: Холостий хiд i Номiнальне навантаження, маi вигляд прямоi (рис. 1.2).
Таблиця 1.1
| 0 | 30 |
| 107,3015 | 80 |

Рисунок 1.2 тАУ Зовнiшня характеристика випрямляча
1.2 Розрахунок основних параметрiв
випрямляча в керованому режимi
Визначаiмо максимальний i мiнiмальний кути регулювання:
![]()
Мiнiмальна випрямлена напруга на навантаженнi


Струм на навантаженнi 
Визначаiмо максимальний i мiнiмальний кути провiдностi тиристорiв:
![]()
Струми через тиристори та в нульовому дiодi вже розраховано вище.
1.3 Вибiр елементiв керованого випрямляча
На пiдставi попереднiх розрахункiв знаходимо:
для тиристорiв тАУ ![]()
для нульового дiода тАУ ![]()
Тиристори та нульовий дiод обираiмо iз запасом за зворотною напругою ![]()
Приймаiмо тиристори та дiод iз припустимою зворотною напругою ![]()
Припустимi струми через тиристори та вентиль залежать вiд кута провiдностi
Вата швидкостi охолоджуючого повiтря й не перевищують
ВаТодi необхiдно обрати:
тиристори на струм 
нульовий дiод на струм 
За обчисленими значеннями з джерела [1] обираiмо для випрямляча шiсть тиристорiв VS1-VS6 типу 2Т132-25-20, нульовий дiод VD0 типу ВЛ200. Для охолодження тиристорiв та дiоду застосовуiмо типовi охолоджувачi М-6А.
1.4 Розрахунок регулювальноi характеристики
керованого випрямляча
Загальна розрахункова формула для всього сiмейства навантажувальних характеристик:
при 
![]()
при 


Де
ВатАУ напруга холостого ходу;
ВатАУ спадання напруги на елементах випрямляча;
ВатАУ струм на навантаженнi.
Результати розрахункiв зведемо до таблицi 1.2.
Таблиця 1.2
| 0˚ | 30˚ | 60˚ | 90˚ | 101,366˚ |
| 30 | 25,981 | 15 | 4,019 | 1,573 |
| 6,984 | 6,343 | 4,592 | 2,841 | 2,451 |
| 100,318 | 86,583 | 49,059 | 11,535 | 3,174 |

Рисунок 1.3 тАУ Регулювальна характеристика випрямляча
1.5 Вибiр захисту тиристорiв вiд перевантажень
за струмом та напругою
Захист повинен задовольняти наступним вимогам:
- забезпечувати максимальну швидкодiю;
- здiйснювати вiдключення тiльки пошкодженого елемента;
- мати високу чуттiвiсть.
Для захисту тиристорiв вiд перевантажень використовуiмо швидкодiючi плавкi запобiжники.
Струм плавкоi вставки
![]()
де
ВатАУ коефiцiiнт можливого експлуатацiйного перевантаження;
ВатАУ коефiцiiнт, що характеризуi спiввiдношення струмiв в iдеальному випрямлячi;
ВатАУ коефiцiiнт, що враховуi вiдхилення форми опорного струму вентилiв вiд прямокутноi;
ВатАУ коефiцiiнт трансформацii трансформатора.
Приймаiмо до установки швидкодiючi запобiжники FU1-FU3 типу
ПНБ-5-380-7.
Для забезпечення захисту вiд комутацiйних перевантажень використовуiмо на вхiдних шинах перетворювача
ланцюги.
Визначаiмо параметри ланцюгiв за наступними спiввiдношеннями:

де
ВатАУ величина струму холостого ходу вторинноi обмотки трансформатора, складаi 5% вiд дiючого струму вторинноi обмотки трансформатора;
ВатАУ коефiцiiнт запасу вiд перевантажень на тиристорi, ![]()
![]()

![]()
![]()
З джерела [2] за обчисленими значеннями обираiмо конденсатори C1-C3 типу СГМ-4-500 В-0.62 мкФВ±10%, резистори R1-R3 типу ПЭВ-10-50 ОмВ±5%.
Для послаблення перевантажень тиристорiв у момент комутацii використовуiмо
ланцюги, що вмикаються паралельно тиристорам. Такий ланцюг разом з iндуктивнiстю навантаження утворюi послiдовний коливальний контур. В ньому конденсатор обмежуi комутацiйнi перевантаження, а резистор обмежуi струм розряду цього кондесатора при вiдмиканнi та запобiгаi коливанням у послiдовному контурi.
Параметри ланцюгiв визначаiмо за наступними спiввiдношеннями:

Де
ВатАУ iндуктивнiсть розсiювання обмоток трансформатора;
ВатАУ дiюча напруга вторинноi обмотки трансформатора;
ВатАУ критична швидкiсть наростання напруги на тиристорi;


де
ВатАУ динамiчний опiр вiдкритого тиристора.
З джерела [2] за обчисленими значеннями обираiмо конденсатори C4-C9 типу МБГО-0,0025 мкФВ±10% на 127 (В), резистори R4-R9 типу ПЭВ-20-620 ОмВ±10%.

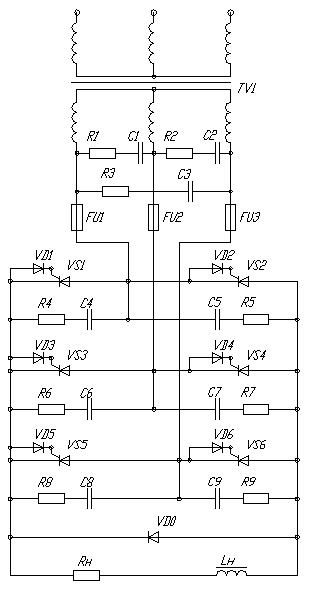
Рисунок 1.4 тАУ Схема захисту вентильних блокiв перетворювача вiд перевантажень за струмом та напругою
2 ПРОЕКТУВАННЯ
СИСТЕМИ РЖМПУЛЬСНО-ФАЗОВОГО КЕРУВАННЯ
2.1 Розрахунок параметрiв пускових iмпульсiв
Визначаiмо потрiбну тривалiсть iмпульсу керування
. У попередньому розрахунку був визначений кут комутацii вентилiв
. Тривалiсть iмпульсу керування обираiмо з умови
. Переведемо тривалiсть iмпульсу в секунди (
=56мкс):
.
Сигнал подаiться на тиристор через
, тому перiод повторення iмпульсiв визначаiться як ![]()
Для тиристора Т151-100-13 струм та напругу керування: ![]()
2.2 Розрахунок параметрiв
елементiв кола керування тиристорами
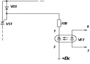
Схема пiдключення ланцюга керування маi такий вигляд (рис. 2.1).

Рисунок 2.1 тАФ Схема пiдключення ланцюга керування тиристорами
В якостi розвтАЩязки застосований дiодно-оптотиристорний модуль VE1. Виконаiмо розрахунок елементiв ланцюга керування тиристорами.
Шунтуючий дiод VD3, для надiйного закриття тиристора обираiмо за умови: Uобр.доп>Uxx=324,24 (B);
.
Приймаiмо дiод типу ВЛ100.
Через оптотиристор оптрону проходить струм керування силового тиристора
=300 (мА). Тодi величину опору обмежуючого резистора R10 знаходимо за такоi умови:
,
де Uy тАУ Напруга вiдкритого тиристора, Uy = 4 (В).
Визначаiмо потужнiсть розсiювання на резисторi R10, за умови iмпульсного характеру керування:
.
Приймаiмо до установки резистор ТВО-2-100 ОмВ±20%.
З джерела [1] обираiмо стандартний дiодно-оптотиристорний модуль. Вибiр провозимо за
ВатАУ середньому значенню струму через оптотиристор:

Приймаiмо до установки модуль МДТО80-12 з параметрами: ![]()

Рисунок 2.2 тАФ Схема ланцюга керування тиристорами
Крiзь свiтодiод оптрона проходить струм керування
. Величина опору обмежуючого резистора R8 значодимо з умови, що коефiцiiнт трансформацii TV2 приймаiмо
, i максимальну напругу на вториннiй обмотцi TV2 буде дорiвнювати U2 =Eк/5= 30/5=6 (В).
,
де Uy тАУ спадання напруги на свтодiодi оптрону.
Визначаiмо потужнiсть розсiювання на риезисторi R8:
.
Приймаiмо до установки резистор типу ОМЛТ-0,125-47В±1%.
Внутрiшнiй опiр керування оптотиристора:
.
Тодi повний опiр навантаження ланцюга керування тиристорами:
Rн = Ry + R8 = 47+31,25 = 78,25 (Ом).
Для захисту свiтодiоду оптрона вiд перенапруг, якi виникають на обмотках трансформатора TV2 при зняттi импульсу керування, обмотка TV2 шунтуiться дiодом VD8. Дiод обираiмо з умови Uобр > 2Eк =60 (B); Iпр = Iм = Iy = 0,08 (А), де Iм тАУ струм намагнiчення трансформатора TV2.
Обираiмо до установки дiод КД109Б з наступними параметрами:
Uобр = 100 (В), Iпр = 0,3 (А).
2.3 Розрахунок параметрiв елементiв блокiнг-генератора
Схема блокiнг-генератора представлена на рисунку 2.3.

Рисунок 2.3 тАФ Схема блокiнг-генератора
Максимальний струм в ланцюгу колектора VT2 (струм первинноi обмотки Wk) визначимо як
.
Допустиму напругу на колекторi визначимо як:
.
Визначимо iмпульсну потужнiсть колекторного ланцюга:
.
Визначимо середню потужнiсть вихiдного каскаду:
.
З довiдника за даними Uкэ.доп, Im, Pn обираiмо транзистор КТ601М з наступними параметрами:
- максимальна напруга колектор-емiтер Uкэ.max = 100 (B);
- максимальний струм колектора Iк.max = 0,03 (А);
- максимальна розсiювана потужнiсть Pк.max = 0,5 (Вт).
З довiдника [3] беремо вхiднi та вихiднi характеристикии (малюнок 2.4) та бужуiмо характеристики навантаження за постiйним та змiнним струмом.

Рисунок 2.4 тАФ Вхiднi та вихiднi характеристики транзистора КТ601М (КТ601А)
Визначимо приведений опiр в ланцюгу колектора:
.
Визначимо струм короткого замикання
.
Визначимо напругу холостого ходуВаВаВаВаВа
.
Будуiмо лiнiю навантаження за постiйним струмом. В момент перетину Iб = 50 (мкА) (струм вiдсiчки) з лiнiiю навантаження отримаiмо робочу точку А. В результатi графiчних будувань знаходимо: струм спокою Iкo = 5 (мА) и Uкo = 20 (В).
Визначаiмо струм короткого замикання за змiнним струмом
:
,
де
Ва- коефiцiiнт робочоi точки при збiльшеннi температури
.
З точки
Ва= 23,3 (мА) крiзь точку А проводимо пряму навантаження за змiнним струмом. Графiчно знаходимо максимальний струм бази Iб.макс = 250 (мкА).
Визначаiмо величину опору змiнному струму:
.
З графiчних побудов знаходимо:
Uкн = 2,5 (B); Iкн = IтАЭк = 23,3 (мА);Uб0 = 1,35 (В); Uб.макс = 2,85 (В).
Тодi
;
.
.
Коефiцiiнт пiдсилення каскада
.
Задаючись спаданням напруги на резисторi R6 яке дорiвнюi (0,15тАж0,2)Eк визначимо величину резистора:
.
Допустима потужнiсть розсiювання на R6:
.
Приймаiмо до установки резистор типу ОМЛТтАУ0,125тАУ1 кОмВ±10%.
Визначимо опiр дiльникiв ланцюга бази.
Звичайно приймають
.
Тодi
.
.
Визначимо потужнiсть розсiювання на резисторах R7 ,R9:
.
.
Приймаiмо резистор R7 типу КИМтАУ0,05тАУ2,4 кОмВ±10%; резистор R9 типу КИМтАУ0,05тАУ6,8 кОмВ±10%.
РДмнiсть конденсатора С5 визначимо з умови найменших вiдхилень:
.
Приймаiмо до установки конденсатор типу К76-П1-63 В-3,3 мкФ.
Визначаiмо опiр ланцюга стабiлiзацii:

Вхiдний опiр блокiнг-генератора
.
Розрахунок iмпульсного трансформатора поснемо з вибору коефiцiiнта трансформацii
Ваякий розраховуiться як:
.
Приймаiмо n0 = 2.
РДмнiсть конденсатора С4 визначимо з умови найменший вiдхилень:
.
приймемо конденсатор з iмнiсть в 10 разiв бiльше нiж ми розрахували. Обираiмо конденсатор типу К50-7-50В-56 мкФВ±20%.
Визначимо iндуктивнiсть колекторноi обмотки iмпульсного трансформатора:
,
де
ВатАУ коефiцiiнт передачi за струмом транзистора VT2 ![]()
16.
Обираiмо тороiдальний сердечник з фериту марки 100НН1 10х6.0х2.0,
Тодi магнiтна проникливiсть:

де
ВатАУ початкова проникливiсть ферiту марки 100НН1,
=100;
ВатАУ магнiтна стала феритiв,
;
ВатАУ середня довжина магнiтноi лiнii,
= 34,84 мм;
S тАУ поперечний перерiз, S = 23,06 мм2.
Знаходимо кiлькiсть виткiв колекторноi та вхiдноi обмоток трансформатора:
.
. Приймаiмо
.
.
Дiод VD7 обираiмо по
.
Приймаiмо до установки дiод типу КД102Б.
2.4 Розрахунок елементiв генератора пилкоподiбноi
напруги
тиристор струм напруга генератор

Рисунок 2.5 тАФ Схема блокiнг-генератора
Для того, щоб блокiнг-генератор (далi тАУ ГПН) (рисунок 2.5) працював, необхiдно, щоб час вiдкритого стану транзистора було набагато менше часу закритого стану, але достатнiм для розрядки конденсатора С3. Для цього попередимо включення у вхiдний ланцюг ГПН схеми (рисунок 2.6), яка складаiться з дiльникового ланцюга, дiоду та дiльникового конденсатора. Така схема включення дозволяi знизити напругу на базi VT1 на половину амплiтуди пульсуючого сигналу, що дозволить транзистору бути вiдкритим приблизно
. Приймемо час вiдкритого стану
, а час закритого стану![]()
.
Сконструюiмо ГПН на транзисторi типу ГТ403Ж з параметрами
,
де
ВатАУ напруга насичення мiж колектором та iмитером.
Напруга на конденсаторi С3 змiнюiться за законом
,
де Тз тАУ постiйна часу заряду конденсатора,
,
де Un максимальна напруга на виходi ГПН.
Для его знахождення спочатку оберемо дiод VD6:
.
Обираiмо до установки дiод типу КД202М з параметрами:
.
Так як. Uy=0тАж8 (B), Un розраховуiться як
.
Приймемо Un=9 (B), тодi:
.
Приймемо максимальний робочий струм
,
де KI тАУ запас стiйкостi за струмом.
Знаходимо опiр резистора R5 :
.
Т.я. напруга змiнюiться майже лiнiйно, то потужнiсть розсiювання на резисторi R5:
.
Приймаiмо до установки резистор типу С5-35 В-7.5-62 Ом.
Пiдставивши цi данi в формулу, знаходимо iмнiсть конденсатора С3:
.
Приймаiмо до установки конденсатор типу К50-7-50 В-380 мкФ.
Розрахуiмо максимальний струм вiдкритого транзистора:
.
Обираiмо струм дiльника
,
де
=20 для транзистора типу ГТ403Ж за частот, близьких до 50 (Гц).
За довiдником, визначивши, що при
![]()
визначають як
.
Визначаiмо параметри опорiв R4 та R3:
.![]()
.
.
.
Обираiмо резистори типiв: R4 С2-11-0.25-3.6В±1%, R3 ПЭВ-10-120В±5%.
Дiод VD7 обираiмо за
.
Обираiмо дiод типу КД102Б.
2.5 Розрахунок вхiдного кола генератора пилкоподiбноi
напруги
Вхiдний ланцюг ГПН поданий на рисунку 2.6.

Рисунок 2.6 тАУ Вхiдний ланцюг ГПН

РДмнiсть конденсатора С2 визначимо з умови найменших вiдхилень:
.
Напруга на С2:
.
Приймаiмо конденсатор типу К50-16-1000 мкФ.
Задамося опором
. Приймемо
.
Потужнiсть на резисторi R2
.
Приймаiмо резистор ОМЛТтАУ0,125тАУ100 ОмВ±10%.
РДмнiсть конденсатора С1 визначимо з умови найменших вiдхилень:
.
Наруга на С1:
,
де
-кут вiдкритого стану транзистора
.
Приймаiмо до встановлення конденсатор типу К52-1-3 В-22 мкФ.
Визначимо параметри опору R1, прийнявши
, знаходимо:
,
де
Ва- максимальний струм навантаження, розраховуiмо за формулою:
.
Потужнiсть на резисторi R1:
.
Обираiмо резистор типу ОМЛТтАУ0,125тАУ36 ОмВ±5%.
Обираiмо дiод VD5 за параметрами:
![]()
Приймаiмо до встановлення дiод типу КД102Б.
2.6 Розрахунок елементiв блока синхронiзацii

Рисунок 2.7 тАУ Блок синхронiзацii
Для однофазноi мостовоi схеми випрямлення знаходимо:

Вiд вiдносно малоi потужностi споживання (84 мВт) розрахунок трансформатора не виконуiмо. Вторинна обмотка трансформатора може розполагатися на силовом трансформаторi.
Параметри дiодiв VD1-VD4:
![]()
За величиною
та
Ваобираiмо до встановлення дiоди типу КД105Б за наступними параметрами ![]()
Повна схема СРЖФУ надана на рисунку 2.8.

Рисунок 2.8 тАУ Повна схема СРЖФУ
2.7 Побудова регулювальних характеристик випрямля
ча
Вихiднi данi для розрахунку Uy = 0тАж8 (B).
Амплiтуда пилкоподiбноi напругиU п max = 9 (В).
Спадання напруги на дiодi VD6
.
Блокiнг-генератор на транзисторi VT2 спрацьовуi в той момент, коли напруга з ГПН стаi бiльш негативною по вiдношенню до напруги керування, тобто
.
ВатАУ пилкоподiбноi напруги, змiнюiться за законами:
,
де
- напруга на виходi ГПН за вiдкритого транзистора VT1,
Тз тАУ постiйна часу заряду конденсатора,
.
Величина напруги керування СРЖФУ для рiзних кутiв
Вавизначаiться як

Таблиця 2.1
| 0 | 30 | 60 | 90 | 120 | 150 |
| 0 | 1,68 | 3,36 | 5,04 | 6,72 | 8,4 |
|
| 1.68 | 3.5 | 5.28 | 6.93 | 8.46 |
Вместе с этим смотрят:
IP-телефония. Особенности цифровой офисной связи
РЖсторiя звтАЩязку та його розвиток
Автоматика, телемеханика и связь
Анализ режимов автоматического управления