Проектирование широкополосного усилительного устройства
Широкополосные усилители предназначены для усиления электрических сигналов, спектры которых простираются от нуля или нескольких герц до многих мегагерц. Они используются в современной импульсной радиосвязи, многоканальной электрической связи, телевидения, измерительной технике и т.д.
Широкополосные усилители применяются как для усиления гармонических сигналов с широкой полосой частот, так и для усиления импульсных сигналов с крутым фронтом и диапазоном длительностей импульсов.
Однако методы исследования, расчета и проектирования широкополосных усилителей гармонических сигналов и импульсных сигналов различны. Расчет широкополосных усилителей гармонических сигналов производится на основе спектральных, а импульсных усилителей на основе временных представлений.
Согласно ТЗ рассчитываем коэффициент усиления:

Регулировка СП-40 дБ.
Выбор структурной схемы
Рис. 1. Структурная схема широкополосного усилительного устройства
В· Фазовращательный каскад представляет собой усилительный каскад в схеме включения с общим эмиттером и с общим коллектором c единичным коэффициентом усиления.
В· Усилитель напряжения представляет собой усилительный каскад в схеме включения с общим эмиттером, он обеспечивает основное усиление входного сигнала по напряжению.
В· Выходное устройство представляет собой два параллельно включенных усилительных каскада в схеме включения с общим коллектором (эмиттерный повторитель), на входе одного из каскадов стоит инвертор. Повторитель служит для небольшого усиления сигнала по току с выхода усилителя напряжения, а также для согласования усилителя с нагрузкой.
Расчетная часть
Расчет элементов схемы производился с помощью математического пакета Mathcad 2000 Professional.
В нашем случае, при выходном напряжении Uвых эфф=8 В и сопротивлении нагрузки Rн = 106 Ом мощность рассеяния транзистора VT должна быть больше
. Для данной схемы выбираем транзистор КТ325А (используется для усиления сигналов высокой частоты, Fт=800 МГц, Рдоп=225 мВт).
Электрические параметры КТ325А:
1. Граничная частота коэффициента передачи тока в схеме с ОЭ:
2.
;
3. Статический коэффициент передачи тока в схеме с ОЭ:
;
4. Ёмкость коллекторного перехода при Uкб=5 В, не более:
;
Предельные эксплуатационные данные:
1. Постоянное напряжение коллектор-эмиттер:
;
2. Постоянная рассеиваемая мощность коллектора:
ВамВт;
3. Температура p-n перехода:
.
4. Максимальная температура окружающей среды:
.

Рис. 2. Физическая малосигнальная высокочастотная эквивалентная схема биполярного транзистора (схема Джиаколетто)
широкополосный усилитель импульсный гармонический
ВатАУ входное сопротивление транзистора при коротком замыкании на выходе для переменной составляющей тока;
ВатАУ коэффициент передачи по току при коротком замыкании на выходе для переменной составляющей тока;
ВатАУ выходная проводимость транзистора при разомкнутом входе для переменной составляющей тока (холостой ход входной цепи);
ВатАУ коэффициент обратной связи по напряжению при разомкнутом входе для переменной составляющей тока.
Вычисление параметров схемы Джиаколетто:
тАв
=
ВатАУ барьерная емкость коллекторного перехода;
тАв
=
ВатАУ выходное сопротивление транзистора;
тАв
=
ВатАУ сопротивление коллекторного перехода;
тАв
ВатАУ сопротивление эмиттерного перехода эмиттерному току;
тАв
=
ВатАУ сопротивление эмиттерного перехода базовому току;
тАв
=
ВатАУ распределенное сопротивление базы;
tОС тАУ постоянная времени обратной связи транзистора;
ориентировочное значение rБ можно определить по формуле:
rБ @ Н12Б / Н22Б;
тАв
=
ВатАУ диффузионная емкость эмиттерного перехода;
тАв
=
ВатАУ собственная постоянная времени транзистора;
тАв 
ВатАУ крутизна транзистора;
Фазовращательный каскад представляет собой усилительный каскад с схеме включения как с общим коллектором так и с общим эмиттером, он обеспечивает расщепление фазы с единичным коэффициентом усиления.
Фазовращательный каскад представляет собой два каскада в схеме включения с общим эмиттером и в схеме включения с общим коллектором:
Смысл данной схемы заключается что на выходе мы получаем два одинаковых сигнала, которые по фазе различаются на 180i.

Рис. 3. Схема расщепления фазы с единичным коэффициентом усиления
Для схемы включения с общим эмиттером коэффициент усиления равен:
, R0 = Ri ||Rк||Rн=![]()
Для схемы включения с общим коллектором коэффициент усиления равен:
, ![]()
Найдем значение R0: →![]()
![]()
Подберем значения ![]()
Вавозьмем их равными ![]()
Произведем расчет граничных частот усилительного каскада, а также определим номиналы сопротивлений и емкостей, входящих в каскад:
тАв Граничная частота усилительного каскада в области нижних частот:
![]()
![]()
![]()
![]()
, используем номинал 4,7 нФ
тАв Граничная частота входной цепи каскада в области нижних частот:
![]()

![]()
![]()
![]()
, используем номинал 8.2 мкФ
Граничная частота выходной цепи усилительного каскада в области верхних частот:
![]()
![]()
![]()
Вапостоянная времени усилительного каскада в области верхних частот;
=![]()
![]()
![]()
Постоянная времени входной цепи в области верхних частот:
![]()
![]()
![]()
![]()
=![]()
![]()
![]()
Произведем расчет сопротивлений резисторов R1 и R2:
,
IД= (10 тАУ 20) IБ0 = 1,95 мА,
, используем номинал 6,8 кОм
, используем номинал 330 Ом.
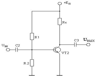
Усилитель напряжения представляет собой усилительный каскад с ООС по напряжению параллельного вида, он обеспечивает основное усиление входного сигнала по напряжению.
Расчет каскада ОЭ с ООС по напряжению параллельного вида:
Для нашего случая, чтобы удовлетворить ТЗ, выбираем Еп = 24 В.
Чтобы удовлетворить параметрам транзистора должно выполняться следующее условие:
выбираем Rk=2,7 кОм;
Тогда
;

Рис. 3. Схема усилительного каскада с ООС по напряжению параллельного вида
![]()
![]()
Произведем расчет граничных частот усилительного каскада, а также определим номиналы сопротивлений и емкостей, входящих в каскад:
Граничная частота усилительного каскада в области нижних частот:
![]()
![]()
![]()
![]()
, используем номинал 4,7 нФ
Граничная частота входной цепи каскада в области нижних частот:
![]()

![]()
![]()
![]()
, используем номинал 8,2 мкФ
Граничная частота выходной цепи усилительного каскада в области верхних частот:
![]()
![]()
![]()
Вапостоянная времени усилительного каскада в области верхних частот;
=![]()
![]()
![]()
Постоянная времени входной цепи в области верхних частот:
![]()
![]()
![]()
![]()
=![]()
![]()
![]()
Произведем расчет сопротивлений резисторов R1 и R2:
тАв
,
IД= (10 тАУ 20) IБ0 = 1,95 мА,
, используем номинал 6,8 кОм
тАв
, используем номинал 330 Ом.
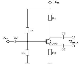
Для согласования с нагрузкой на выход широкополосного усилителя необходимо поставить усилитель, который не должен вносить изменения в амплитуду сигнала, должен обладать высоким входным и низким выходным сопротивлением. Всем этим требованиям удовлетворяет усилительный каскад на биполярном транзисторе, включённом по схеме с общим коллектором (эмиттерный повторитель).

Рис. 4. Эмиттерный повторитель
Произведем расчет граничных частот усилительного каскада, а также определим номиналы сопротивлений и емкостей, входящих в каскад:
Граничная частота выходной цепи усилительного каскада в области нижних частот
![]()
![]()
![]()
![]()
![]()
, используем номинал 4,7 нФ
Граничная частота входной цепи каскада в области нижних частот:
![]()
![]()
![]()
![]()

![]()
![]()
![]()
![]()
![]()
, используем номинал 0,56 мкФ
Постоянная времени входной цепи в области верхних частот:
![]()
![]()
![]()
Постоянная времени выходной цепи в области верхних частот:
![]()
![]()
![]()
![]()
тАв ![]()
![]()
Коэффициент усиления каскада по напряжению:
,
;
Произведем расчет сопротивлений резисторов R1 и R2:
![]()
![]()
≈![]()
Ваиспользуем номинал 5,6 кОм (все номинальные значения сопротивлений из ряда Е12).
![]()
![]()
Ваиспользуем номинал 12,0 кОм.
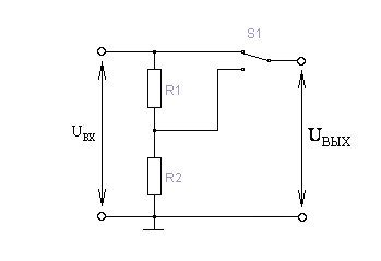
В усилителе заданием предусмотрена ступенчатая регулировка усиления Dp = 40 dB.

Рис. 5. Схема регулировки усиления
Задавшись величиной одного из резисторов делителя, можно определить величину другого, в соответствии с формулой:
![]()
Пусть R2 = 1 кОм,
![]()
![]()
, используем номинал 100.0 кОм.
Заключение
В данном курсовом проекте был произведен расчет электрической принципиальной схемы широкополосного усилительного устройства. После расчета элементов схемы было произведено моделирование устройства в программном пакете ВлElectronics Workbench V5.12В».
На основании результатов моделирования (амплитудно-частотная характеристика устройства) можно сделать вывод, что данная электрическая схема полностью удовлетворяет требованиям ТЗ: Ku = 80, fН = 20 Гц, fВ = 4 МГц.
Список
источников
1. Джонсон Д., Джонсон Дж., Мур Г. Справочник по активным фильтрам: Пер. с англ. М.Н. Микшиса. М.: Энергоатомиздат, 1982. 220 с.
2. Павлов В.Н., Ногин В.Н. Схемотехника аналоговых электронных устройств. М.: Радио и связь, 1997. 320 с.
3. Калмыков А.А., Матюнина А.В. Оформление учебных студенческих работ: Методические указания. Свердловск: УПИ, 1984. 36 с.
4. Томас Р.К. Справочник. Коммутационные устройства. М.: Радиосвязь, 1989, 144 с.
Вместе с этим смотрят:
IP-телефония. Особенности цифровой офисной связи
РЖсторiя звтАЩязку та його розвиток
Автоматика, телемеханика и связь
Анализ режимов автоматического управления
