Радiотехнiчнi системи залiзничного транспорту
Мiнiстерство транспорту i звтАЩязку Украiни
Державний економiко-технологiчний унiверситет транспорту
Кафедра: тАЬтелекомунiкацiйних технологiй i автоматикитАЭ
Курсовий проект
iз дисциплiни ВлРадiотехнiчнi системи залiзничного транспортуВ»
Виконав: студент
групи 4-АТЗ
Заславський М.О.
Шифр: 683
Перевiрив: Пасiчник Л.П.
Киiв 2010
Змiст проекту
Вступ
1. Завдання№1: ВлРозрахунок параметрiв технологiчноi мережi станцiйного радiозвтАЩязкуВ»
1.1 Визначення висоту установки станцiйноi антени РС для заданоi дальностi зв'язку РС-РВ
1.2 Розрахунок дальнiсть зв'язку РС-РН
1.3 Розрахунок дальнiсть зв'язку РН-РС
1.4 Розрахунок дальнiсть зв'язку РВ тАУРВ
1.5 Розрахунок дальнiсть зв'язку РН-РН
2.Завдання №2
3.Завдання № 3
4.Завдання № 4
5.Завдання № 5
Список використаноi лiтератури
Вступ
Сучасний розвиток засобiв звтАЩязку робить все життя залежним вiд обмiну iнформацiiю мiж субтАЩiктами i обтАЩiктами управлiння i надання послуг. Значну роль в звтАЩязку вiдiграють радiотехнiчнi системи, що дозволяють забезпечити зв'язок з рухомими обтАЩiктами або оперативно органiзувати зв'язок мiж стацiонарними абонентами. На початку ХХI вiдбуваiться прогрес в розвитку можливостей радiозвтАЩязку i вiн отримуi найбiльше розповсюдження i впровадження в усiх областях людськоi дiяльностi.
На залiзничному транспортi неможливо собi уявити управлiння локомотивами i потягами без надiйного i оперативного радiозвтАЩязку. Перспективи розвитку i застосування засобiв радiозвтАЩязку теж величезнi, особливо з врахуванням нових цифрових технологiй i використання високочастотного ресурсу.
Постiйно зростаючi по складностi задачi по забезпеченню безпеки руху поiздiв, вимоги щодо органiзацii каналу взаiмодii з рухомими об'iктами для побудови систем автоматичного управлiння рухом, зокрема вимоги тАЬБагаторiвневоi системи управлiння i забезпечення безпеки руху поiздiвтАЭ, визначають необхiднiсть використання на залiзничному транспортi цифрових радiостанцiй i систем радiозв'язку. Вибiр напрямiв розвитку технологiчного радiозв'язку в цiй областi залежить вiд багатьох чинникiв, у тому числi вiд наявних можливостей по частотному ресурсу, допустимих об'iмiв фiнансування за проектом i термiнiв його окупностi, початкових експлуатацiйно-технiчних вимог систем управлiння за швидкостями i об'iмом передаваiмоi iнформацii i ряду iнших. Фахiвцi залiзничного транспорту вже давно усвiдомили необхiднiсть переходу до систем цифрового радiозв'язку. На даний час найбiльш поширеними стандартами цифрового технологiчного радiозв'язку i TETRA, GSM-R, CDMA.
1. Завдання №1: ВлРозрахунок параметрiв технологiчноi мережi станцiйного радiозвтАЩязкуВ»
1 Визначити висоту установки станцiйноi антени РС для заданоi дальностi зв'язку РС-РВ.
2 Розрахувати дальнiсть зв'язку РС-РН.
3 Розрахувати дальнiсть зв'язку РН-РС.
4 Розрахувати дальнiсть зв'язку РВ -РВ.
5 Розрахувати дальнiсть зв'язку РН-РН.
Вихiднi данi:
Технологiчна мережа - радiозвтАЩязок пункту технiчного огляду (ПТО);
Дiлянка залiзницi на станцii - не електрифiкована;
Надiйнiсть звтАЩязку - 60%;
Антенно-фiдерний пристрiй - кабель типу РК-50-4-13;
Загасання кабелю -
;
Хвильовий опiр фiдера -
;
Висота антени локомотивноi станцii РВ - h2 = 5 м;
Висота антени переносноi радiостанцii РН - h2² = 1,5 м;
Довжина фiдера стацiонарноi антени тАУ l1 (h1 ≤ l1 ≤ 2h1)
Довжина фiдера локомотивноi антени - l2¢ = 4 м;
Довжина фiдера переносноi радiостанцii - l2² = 0 м;
Тип антени РС станцiйноi радiостанцii - АС-6/2;
Коефiцiiнт пiдсилення антени РС- ![]()
Тип антени локомотивноi радiостанцii РВ - АЛП/2,3 (G2 = 0 дБ);
Коефiцiiнт пiдсилення антени переносноi радiостанцii - G2 = -2 дБ;
Траса для переносноi радiостанцii тАУ траса вiдкрита;
Тип i потужнiсть радiостанцiй РС, РВ, РН тАУ РС - радiостанцiя типу ЖРУ -
Ва8 Вт,
; потужнiсть РВ тАУ радiостанцii, що возиться, ВлТранспортВ» -
Ва8 Вт,
; потужнiсть РН тАУ переносноi радiостанцii -
Ва1 Вт,
;
Радiозв`язок ПТО: РС = 1-2, РВ =?, РН = 4-12, дальнiсть РС-РВ = 5 км.
1.1Визначення висоти установки станцiйноi антени РС для заданоi дальностi зв'язку РС-РВ
Визначимо мiнiмально допустимий рiвень сигналiв на входi приймача, виходячи з умов електрифiкацii дiлянки залiзницi:
- Дiлянка не електрифiкована
= 4 Дб/мкВ.
На границi зони обслуговування (при максимальнiй дальностi звтАЩязку) напруга на входi приймача
. При цьому напруга на виходi передатчика визначаiться:
![]()
де ВаВаВаВа a1, a2 тАУ коефiцiiнти загасання приймального кабелю у фiдерi;
тАУ довжина передавального и приймального фiдера;
G1, G2 тАУ коефiцiiнти пiдсилення антен вiдповiдно передавальноi i приймальноi;
Вк тАУ коефiцiiнт, що враховуi додаткове ослаблення напруженостi поля контактною мережею на електрифiкованих дiлянках Вк = 8 дБ;
Вл тАУ коефiцiiнт, що враховуi додаткове ослаблення напруженостi поля через вплив кузова (для звтАЩязку з РВ) Вл = 9 дБ;
Вi тАУ коефiцiiнт, що враховуi iнтерференцiйнi завмирання (флуктуацii) сигналiв в каналах станцiйного радiозвтАЩязку i залежний вiд прийнятоi надiйностi каналу по полю, визначаiться по графiку функцii розподiлу рiвнiв напруженостi поля: крива 1 тАУ для автономноi тяги, крива 2 тАУ для електрифiкованих дiлянок. радiозвтАЩязок залiзничний антена радiостанцiя

Рисунок 1 тАУ Графiки залежностi коефiцiiнта Вi вiд надiйностi звтАЩязку.
Виходячи з графiку Вi = -1дБ;
Вм тАУ коефiцiiнт, що враховуi вiдмiннiсть потужностi приймального передавача в системi ВлТранспортВ» вiд 12 Вт. Для РС ЖРУ i ВлТранспортВ» Вм = 0, для одноватних передавачiв радiостанцiй РН
= 11 дБ;
ВR тАУ коефiцiiнт, що враховуi вiдмiннiсть вхiдного опору приймача тАУ R2 вiд 75 Ом, принятих за основу при розрахунках:
![]()
Вr тАУ коефiцiiнт, що враховуi неспiвпадання значень вхiдного опору передавача радiостанцii i хвильового опору фiдера :

Вh тАУкоефiцiiнт ослаблення поля, що враховуi низьке розташування антен носимих радiостанцiй РН. Використовуiться тiльки при h1h2 < 25 м2. Оскiльки передбачимо, що h1>5 м, то Вh= 0дБ;
ВатАУ коефiцiiнт ослаблення поля, що враховуi погiршення умов передачi iнформацii в каналах з переносними радiостанцiями РН-РН, РН-РВ, РН-РС (закриття на трасах, глибини флуктуацiй), визначаiться з таблицi.
Таблиця.
| дБ | |
| Дiлянка | Вiдкрита траса | Закрита траса |
| Не електрифiкована | 4 | 10 |
| Електрифiкована | 0 | 2 |
Виходячи з того, що дiлянка не електрифiкована i траса вiдкрита,![]()
Тодi напруга на виходi передавача:
= 14+0,07(20+4)тАУ3тАУ0,5+8+9тАУ(тАУ7)+0тАУ0тАУ(тАУ1,8)+0+2
40 (дБ)
По наступним графiкам визначаiмо криву h1h2 на перетинi дальностi звтАЩязку r @ 6 км (шкала осi абсцис) i
= 40 дБ (шкала осi ординат).

Рисунок 2 - Залежнiсть дальностi радiозвтАЩязку вiд висоти установки антен.
Отже, вибираiмо h1h2=150 м2.Так як h2 = 5 м, то h1= 
1.2 Розрахунок дальностi зв'язку РС-РН
Дано: h1=15 м, h2 = 1,5 м,l1 = 20 м, l2 = 0 м, G1 = 3 дБ, G2 = тАУ2дБ,Bк = 8 дБ, Вi = -7дБ, Вм = 0,BR = -1,8 дБ,Br = 0 дБ,Bh = 0 дБ,
Ва= 2 дБ.
Тодi
Ва= 14+0,07(20+0)тАУ3тАУ(тАУ2)+8тАУ(тАУ7)+0тАУ(тАУ1,8)тАУ0+0+2 = 33,2 (дБ).
h1h2 = 22,5 м2. По графiках (рис.2) знаходимо дальнiсть звтАЩязку Д @4 км.
1.3 Розрахунок дальностi зв'язку РН-РС
Коефiцiiнт Вм = 11 дБ, так як потужнiсть передавача РН складаi 1 Вт. Тодi
= 33,2+11= 44,2(дБ). h1h2 = 22,5 м2. По графiках (рис.2) знаходимо дальнiсть звтАЩязку Д @ 1,8 км.
1.4 Розрахунок дальностi зв'язку РВ-РВ
Дано: h1 = h2 = 5 м, l1 = l2 = 4 м, G1 = G2 = 0,5 дБ, Вл = 9 + 9 = 18 дБ (так как экранируются и приемная и передающая антенны), Вi = тАУ7 дБ, Вм = 0 дБ, BR = Br = тАУ1,8 дБ.
Ва= 14+0,07(4+4)тАУ0,5тАУ0,5+18тАУ(тАУ7)+0тАУ2(тАУ1,8) = 42,16(дБ).
h1h2 = 25 м2, отже, дальнiсть звтАЩязку Д @ 2 км.
1.5 Розрахунок дальностi зв'язку РН-РН
Дано: h1 = h2 = 1,5 м, l1 = l2 = 0 м, G1 = G2 = тАУ2 дБ, Bк = 8 дБ, Вл = 0 дБ,
Вi = тАУ 7 дБ, Вм = 11 дБ, BR = Br = 0 дБ, Вh =
(дБ), BРН = 2 дБ.
Ва= 14+0тАУ(тАУ2)тАУ(тАУ2)+8+0тАУ(тАУ7)+11тАУ0тАУ0+21+2 = 67(дБ).
По графиках (крива h1h2 = 25 м2) знаходимо дальнiсть звтАЩязку Д @ 0,4 км.
Технологiчнi основи побудови радiомереж
Залiзничний технологiчний радiозв'язок призначений для оперативного управлiння роботою залiзничного транспорту, органiзацii перевiзного процесу, регулювання вантажопотокiв, пiдвищення ефективностi використання рухомого складу, забезпечення взаiмодii пiдроздiлiв i служб залiзниць. Розрiзняють магiстральну мережу зв'язку, дорожню мережу зв'язку i мережу станцiйного зв'язку.
Станцiйний радiозв'язок (СРЗ) i комплексом пристроiв телефонного радiозв'язку, призначеного для службових переговорiв. Залежно вiд технологiчноi потреби органiзовуються мережi маневрового радiозв'язку, радiозвтАЩязку пунктiв технiчного обслуговування вагонiв i локомотивiв, радiозв'язку пунктiв комерцiйного огляду вагонiв, контейнерних майданчикiв, бригад по обслуговуванню i ремонту технiчних засобiв iБ, зв'язку, дорiг, контактних мереж i iн.
Органiзацiя рiзних мереж станцiйного радiозв'язку залежить вiд призначення станцii, ii схеми i технiчноi оснащеностi, видiв технологiчних процесiв i прийнятого способу управлiння ними. Залежно вiд основного призначення i характеру роботи залiзничноi станцii дiлять на промiжнi, дiльничнi, вантажнi, сортувальнi, пасажирськi i технiчнi.
На рис.3 приведена схема однобiчноi сортувальноi станцii з послiдовним розташуванням паркiв прийому ПП, сортувального СП i вiдправлення ПВ. На схемi показанi станцiйнi парки, гора Г, горловина формування поiздiв ГФ i основнi службово-технiчнi будiвлi рiзних служб (об'iднана технiчна контора тАУ ОТК). Станцiйна робота включаi наступнi основнi групи операцiй: технiчний i комерцiйний огляди поiздових складiв в парку прийому; маневрову роботу по розформуванню i формуванню поiздiв; технiчне обслуговування i ремонт вагонiв i автогальм в парку вiдправлення.

Рис.4. Структурна схема супергетеродинного приймача ЧМ сигналiв.
На сортувальних станцiях, як правило, базуються дистанцii дороги (ПЧ), сигналiзацii i зв'язку (ШЧ), електропостачання i контактноi мережi (ЕЧ), локомотивнi (ТЧ) i вагоннi (ВЧД) депо, вiдновнi i пожежнi поiзди, а також iншi пiдприiмства i формування, що забезпечують технiчне обслуговування i ремонт пристроiв, аварiйно-вiдновнi i iншi роботи. Цi пiдроздiли мають в своiму розпорядженнi велику кiлькiсть рухливих одиниць спецiального i загального призначення: дрезини, мотовози, пiдiймальнi крани, путнi машини, спецiальнi автомобiлi i iншi транспортнi засоби.
Поiзний радiозв'язок призначений для службових переговорiв поiзного i локомотивного диспетчерiв, чергових по станцiях i iнших працiвникiв, пов'язаних з рухом поiздiв, з машинiстами локомотивiв, а також машинiстiв зустрiчних локомотивiв мiж собою. Користуючись радiозв'язком, диспетчер може бiльш оперативно керувати рухом поiздiв, передавати локомотивним бригадам вказiвки про змiну швидкостi, уточнювати мiсце розташування поiзда на перегонi, з'ясовувати причини його затримки i проводити iншi заходи щодо введення в графiк поiздiв, що запiзнюються. Черговi по станцii можуть попереджувати машинiстiв про прийом поiзда на боковий путь, час вiдправлення поiзда зi станцii, виникнення аварiйноi обстановки, що вимагаi екстреноi зупинки поiзда, i передавати iншi повiдомлення, сприяючи пiдвищенню оперативностi роботи i безпеки руху поiзда на станцiях i прилеглих перегонах.
Вживання засобiв радiозв'язку i найбiльш ефективним способом передачi iнформацii при управлiннi рухомими об'iктами в рiзних технологiчних ланках.
Завдання №2
Зобразити та описати функцiональну схему радiоприймального пристрою згiдно даних таблицi.
| № | Вид модуляцii | Вид модуляцii | Частота настойки приймача мГц | Дiапазон звукових частот Гц | РЖндекс модуляцii | Коефiцiiнт модуляцii |
| 8 | Супергетеродинний | ЧМ | 60 | 300÷6000 | 2 | - |
У процесi рiшення задачi дати вiдповiдi на наступнi запитання :
- переваги та недолiки даноi схеми;
- призначення кожного функцiонального елемента;
- накреслити з додержанням масштабу по частотi спектральний склад
сигналу на входi та виходi кожного функцiонального вузла за умови, що iз усього дiапазону моделюючих частот маi мiсце тiльки найвища частота.
Схема складаiться з таких основних частин:
В· антена − пристрiй який перетворюi енергiю електромагнiтного поля в енергiю електричного високочастотного струму;
В· вхiдне коло (Вх.Ц) − зтАЩiднуi антену з першим пiдсилювальним каскадом чи перетворювачем частоти. Основне призначення вхiдного кола- видiлення необхiдноi частоти та подавлення сигналiв перешкод;
В· пiдсилювач високоi частоти (УВЧ) − пiдсилювач призначений для покращення вiдношення сигнал / шум за рахунок пiдвищення рiвня сигналу та здiйснення частотноi селекцii;
В· перетворювач частоти (ПЧ) здiйснюi перетворення високочастотного сигналу в сигнал з промiжноi частоти. Перетворювач складаiться зi змiшувача (СМ) i гетеродина (Г);
В· змiшувач (СМ) − на його вхiд подаiться напруга з частотою сигналу
Вата частотою гетеродина (
). Частота яка виникаi в результатi називаiться промiжна частота (
);
В· гетеродин (Г) − це малопотужний генератор високоi частоти який генеруi допомiжну частоту гетеродина (
);
В· пiдсилювач промiжноi частоти (УПЧ) − це каскади гетеродинного приймача, якi забезпечують основне пiдсилення прийнятого сигналу до детектора i частотну вибiрковiсть по сусiдньому каналу;
В· частотний детектор (ЧД) − це каскад радiоприймача, в якому здiйснюiться перетворення вхiдного модульованого сигналу
в напругу низькоi частоти;
В· пiдсилювач звуковоi частоти (УЗЧ) − забезпечуi пiдсилення низько − частотного сигналу по напрузi та потужностi;
В· вiдтворюючий пристрiй − перетворювач низькочастотного електричного сигналу в звуковi коливання (гучномовець).
Супергетеродинний приймач складаiться з преселектора, що включаi вхiдний ланцюг i пiдсилювач радiочастоти (УРЧ). Вхiдний ланцюг повинен забезпечити деяку частотну вибiрковiсть до входу першого каскаду УРЧ з метою ослаблення сильних перешкод. УРЧ повинен забезпечити частотну вибiрковiсть i посилення прийнятого сигналу, потужнiсть якого на входi приймача на багато порядкiв менше тiii, яка необхiдна для нормальноi роботи вiдтворюючого пристрою приймача. Перетворювач частоти складаiться зi змiшувача i гетеродина (СМ i Г). Гетеродин тАФ це малопотужний автогенератор. Змiшувач - це резонансний каскад. На вхiд змiшувача подаiться напруга з частотами сигналу fc i гетеродина fг. В результатi взаiмодii двох напруг рiзних частот в спектрi вихiдного струму змiшувача з'являiться багато комбiнацiйних частот, у тому числi i частота рiвна рiзницi цих частот. Величина частоти цiii рiзницi маi бути нижче або вище за частоту радiо-сигналу, але обов'язково вище за частоту модуляцii, тому ii називають промiжною - fпр. Промiжна частота може бути рiвною:
fпр = fг - fс, при fг> fс
fпр = fс - fг, при fс> fг
Вiдмiтною особливiстю приймача супергетеродина являiться те, що незалежно вiд частоти сигналу, що приймаiться, промiжна частота постiйна i вибираiться так, щоб забезпечити найменшi перешкоди вiд близько розташованих по частотi станцiй i отримати необхiдне посилення i вибiрковiсть по сусiдньому каналу Sск.
На промiжну частоту налаштована резонансна система, включена у вихiдний ланцюг змiшувача, що дозволяi при вiдповiднiй смузi пропускання видiлити напругу сигналу промiжноi частоти. Отже, призначення перетворювача заключаiться в перетвореннi частоти радiосигналу в iншу, промiжну частоту iз збереженням закону модуляцii.
Пiдсилювач промiжноi частоти приймача ЧМ коливань на вiдмiну вiд приймача АМ коливань повинен забезпечувати посилення сигналiв в порiвняно широкiй смузi пропускання в межах 150тАФ200 кГц i тому в ньому маi бути бiльше число каскадiв, чим в звичайному вузькополосному пiдсилювачi промiжноi частоти.
Таким чином, в приймачi супергетеродина посилення здiйснюiться на трьох частотах: на радiочастотi, промiжнiй частотi i частотi модуляцii.

У частотному детекторi сигнал, промодульований по частотi, перетвориться в сигнал, промодульваний по амплiтудi, який потiм детектуiться за допомогою звичайного амплiтудного детектора. У сучасних приймачах ЧМ сигналiв для частотного детектування широко застосовуiться так званий дробовий детектор. Основна перевага дробового детектора полягаi в тому, що вiн не реагуi на амплiтудних змiни сигналу, а це дозволяi виключити з схеми приймача амплiтудний обмежувач. Дii частотного детектора додатково пояснюються характеристикою, приведеною на рис. 5.
Пiдсилювач звуковоi частоти (УЗЧ) доводить звуковий сигнал до рiвня необхiдного для вiдтворення.
Переваги даноi схеми:
1. Основною перевагою приймачiв ЧМ коливань i iх висока завадостiйкiсть.
2. Приймачi ЧМ коливань призначенi для прийому сигналiв в дiапазонi ультракоротких хвиль i характеризуються широкою смугою пропускання високочастотного каналу.
3. Приймачi частотно-модульованих коливань в основному будуються за схемою супергетеродина, у складi якоi на вiдмiну вiд схем приймачiв амплiтудно-модульованих коливань i амплiтудний обмежувач (коли потрiбний) i частотний детектор.
4. Головна перевага супергетеродинного приймача полягаi в тому, що вiн дозволяi забезпечити стiйкий прийом слабких сигналiв в умовах iнтенсивних перешкод.
5. Вища чутливiсть (Uвхmin=0,1-450мкВ) i велика вихiдна потужнiсть супергетеродинного приймача вiдрiзняi його вiд iнших приймачiв.
Недолiки:
1.В першу чергу головним недолiком цiii схеми i велика складнiсть i проблема в забезпеченнi постiйноi промiжноi частоти fпр.

Рис.6. Вiсь частот, використовувана в роботi супергетеродинного ЧМ приймача.
2.Наявнiсть паразитного додаткового каналу прийому, званого дзеркальним або каналом симетричноi станцii. Частота дзеркального каналу fзк вiдрiзняiться вiд частоти сигналу fc, що приймаiться, на подвоiне значення промiжноi частоти. Таким чином, супергетеродинний приймач одночасно прийматиме радiостанцii, що працюють на частотах fc i fзк симетрично розмiщених вiдносно частоти гетеродина fг.

Рис.7.Спектральний склад сигналу:
1-ий графiк тАУ сигнал на входi преселектора;
2-ий тАУ сигнал на виходi перетворювача частоти (ПЧ);
3-iй тАУ сигнал на виходi УПЧ;
4-ий тАУ сигнал на виходi ЧД.
Завдання №3
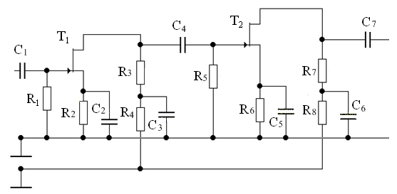
Скласти принципову електричну схему двокаскадного аперiодичного ПВЧ на польових транзисторах. У процесi виконання завдання дати вiдповiдi на наступнi запитання:
- призначення пiдсилювача та основних елементiв схеми (
) ;
- переваги даноi схеми в порiвняннi з другими схемами ПВЧ того ж дiапазону хвиль, порiвняння зробити за основними параметрами(вибiрковiсть, коефiцiiнт пiдсилення, вхiдний опiр, шуми).

Рис.8. Принципова схема двокаскадного аперiодичного пiдсилювача ВЧ на польових транзисторах.
Аперiодичнi пiдсилювачi високоi частоти (УВЧ) використовуються для збiльшення чутливостi простих радiоприймачiв, що мають малий рiвень шумiв. Включаються такi пiдсилювачi на входi приймача або перед перетворюючим каскадом. УВЧ вiдрiзняються простотою схеми i конструкцii. Окрiм збiльшення чутливостi всього приймального пристрою в супергетеродинних приймачах пiдвищуiться ефективнiсть роботи перетворювача частоти i зменшуiться паразитне випромiнювання гетеродину в антену.
Аперiодичний пiдсилювач може бути виконаний як на лампах, так i на транзисторах. Вiн повинен забезпечити посилення сигналу не менше чим в 3 тАФ 4 рази у всьому робочому дiапазонi частот приймача. Навантаженням УВЧ
служать резистори або котушки iндуктивностi (високочастотнi дроселi). Використання автоматичного регулювання пiдсилення (АРУ) дозволяi уникнути перевантажень приймача при прийомi сигналiв мiсцевих або близько розташованих потужних радiостанцiй.
Якщо на входi УВЧ включений коливальний контур i подiбний контур i на входi приймача супергетеродина то збiльшуiться не лише чутливiсть всього приймального пристрою, але i вибiрковiсть по дзеркальному каналу. Крiм того, покращуiться спiввiдношення сигнал/шум.
Принципова схема двокаскадного аперiодичного пiдсилювача УВЧ приведена на рис. 8. Пiдсилювач зiбраний на польових транзисторах Т1 i Т2 з р тАФ n переходом i каналом n типа. Польовi транзистори вiдрiзняються високим вхiдним опором i малим рiвнем шумiв, що дозволяi значно полiпшити характеристики всього приймального пристрою, в склад якого входить подiбний УВЧ.
В схемi присутнi розподiльчi конденсатори Ср i резистори R призначенi для подачi напруги змiщення на затвор, а також елементи ланцюга живлення CsRs та CfRf. Необхiдний режим роботи транзисторiв Т1,Т2 забезпечуiться включенням в ланцюг витоку резисторiв Rs. Останнi по змiннiй складовiй напруги заблокований конденсаторами Сs.
Переваги даноi схеми:
1. Основна заслуга УВЧ - у величезному придушеннi паразитних каналiв прийому - бiльше 100 дБ.
2. Використовуючи великий вхiдний опiр ПТ, можна збiльшити коефiцiiнт передачi i iстотно понизити коефiцiiнт шуму в УВЧ.
3. Перевагою вживання польових транзисторiв в пiдсилювачах i також iх стiйкiсть в разi вiдключення антени або навантаження.
Завдання № 4
Визначити дальнiсть поiзного диспетчерського радiозвтАЩязку в гектометровому дiапазонi при використаннi стацiонарних антен на дiльницi з електричною тягою змiнного струму.
Зв'язок органiзовано за допомогою Г-подiбноi антени висотою h. Окрiм антени до радiостанцii пiдключена направляюча лiнiя. У каналi звтАЩязку використовуються радiостанцii 43РТС-А2-ЧМ та 42РТМ-А-ЧМ.
Данi:
h = 30 м,
Pn= 8 Вт.
Параметри ТСрунту:
- дiелектрична проникнiсть тАУ 4;
- провiднiсть тАУ 10-3 1/Ом.м.
Розв'язок
Для розрахунку дальностi звтАЩязку r при використаннi стацiонарних антен визначаються мiнiмально допустима напруженiсть поля сигналу Едоп, яку необхiдно мати в мiсцi прийому, i напруженiсть поля Еа, що створюiться антеною в залежностi вiд вiдстанi мiж антеною i мiсцем прийому:
Едоп= Ки.Кдоп.Еп.
Виходячи з того, що на дiлянцi використовуiться електрична тяга змiнного струму, маiмо: Ки= Кдоп= 2; Еп= 80 мкВ(38 дБ);
Отже, Едоп= 1520 мкВ/м.
Еа =
,
де Ра тАУ потужнiсть, що пiдводиться до антени;
тАУ ккд антени, для стацiонарних антен визначаiться з графiкiв,
;
D тАУ коефiцiiнт направленоi дii антени вiдносно iзотропного випромiнювача, D = 1.5;
W тАУ множник ослаблення.
Значення r визначаiться з формулi для Еа, оскiльки Едоп = Еа. Проте з достатньою для практики точнiстю r можна визначити по графiкам в залежностi вiд параметрiв ТСрунту i значення Едоп.
Так як графiки побудованi для значень
, то необхiдно визначити значення
Вазгiдно даних умов.
Значення
,
де Р тАУ вихiдна потужнiсть, рiвна 8 Вт для радiостанцiй 43РТС-А2-ЧМ та 42РТМ-А-ЧМ;
аф - загасання фiдера;
lф- довжина фiдера;
асу- загасання, що вноситься пристроiм, що погоджуi, рiвне 1,5 дБ.
.
Отже,
.
Дальнiсть звтАЩязку при використаннi стацiонарних антен складе 3.8 км.
Завдання № 5
Пояснiть особливостi розповсюдження гектометрових хвиль. Наведiть схему Г-подiбноi антени, покажiть розповсюдження струму i напруги. Визначте дiючу висоту антени
Вата настроiного вiбратора, довжина якого дорiвнюi зниженню Г-подiбноi антени, що характеризуiться:
-
довжина вертикальноi частини антени, ![]()
-
довжина горизонтальноi частини антени, ![]()
Особливiстi розповсюдження гектометрових хвиль
Для встановлення стiйкого радiозв'язку треба правильно вибрати дiапазон використовуваних частот. Вiдстань, на якiй можливе здiйснення радiозв'язку, залежить вiд вибраноi частоти, потужностi передавача, типа i розмiщення антенноi системи, чутливостi приймача, умов поширення радiохвиль. Основним чинником, що визначаi дальнiсть зв'язку, i вибрана частота (довжина хвилi).
Гектометровi хвилi отримали широко використовуються в радiомовленнi. До них вiдносяться радiохвилi довжиною вiд 100 до 1000 м i дiапазоном радiочастот 300-3000 кГц. Здiбнiсть поверхневоi хвилi до дифракцii виражена слабше, нiж на кiлометрових хвилях. У цьому дiапазонi в денний час в основному зв'язок здiйснюiться поверхневими хвилями. Цi хвилi значно поглинаються Землею, i зв'язок обмежуiться до декiлька сотень кiлометрiв. Просторовi хвилi майже повнiстю поглинаються iоносферою. У нiчний час, коли iонiзацiя газу в iоносферi рiзко падаi, iнтенсивнiсть просторового променя зростаi, що сприяi ефективному поширенню гектометрових хвиль геть на вiдстань до декiлькох тисяч i навiть десяткiв тисяч кiлометрiв.
Гектометровi хвилi поширюються з помiтним поглинанням енергii землею i iоносферою (шар D). Тому дальнiсть дii хвиль гектометрiв значно залежить вiд часу доби i пори року. У нiчний час радiохвилi вiдбиваються вiд шару F, тому сигнали приймаються як за рахунок поверхневих, так i за рахунок просторових хвиль. На умови поширення СВ впливаi також пора року. Це пояснюiться тим, що, по-перше, поглинання СВ при вiддзеркаленнi вiд iоносфери в зимовий час зменшуiться, оскiльки зменшуiться iонiзацiя нижнiх шарiв iоносфери, i, по-друге, в лiтнi мiсяцi значно зростаi вплив атмосферних перешкод.

Рис.9. РЖонiзованi шари атмосфери.
У радiусi 50тАФ200 км вiд передавальноi антени поверхневi i просторовi променi середнiх хвиль мають приблизно рiвну iнтенсивнiсть. У цiй областi радiозв'язок виявляiться особливо нестiйким iз-за ближнього завмирання (федингу). Суть фединга полягаi в тому, що в пунктi прийому поверхневi i просторовi хвилi iнтерферують iз змiнним зрушенням по фазi
, обумовленим рiзницею ходу (пройденого шляху)
вказаних хвиль, що змiнюiться. Ця рiзниця мiняiться з властивостями iоносфери безперервно i безладно за рахунок довжини дороги пройденоi просторовою хвилею. Кут
=
, i досить змiнитися довжинi просторового променя на
Ва, щоб синфазнi поверхнева i просторова хвилi стали противофазними
. Очевидно, чим менше довжина хвилi, тим бiльше кут
Вапри тому ж значеннi
. Найбiльш вiдчутними ближнi фединги в короткохвильовiй частинi середньохвильового дiапазону.
На залiзницi дiапазон гектометрових хвиль найчастiше застосовуiться в лiнiйних i зонових радiомережах для радiозв'язку з локомотивами, якi не обладнанi радiостанцiями дециметрового дiапазону хвиль.

Рис.10. Схема Г-подiбноi антени.
Розрахунок:
Дiюча висота антени обчислюiться:

Висота настроiного вiбратора обчислюiться за формулою:
![]()
СПИСОК ВИКОРИСТАНОРЗ ЛРЖТЕРАТУРИ
1. Войшвилло Г.В. Усилительные устройства, тАУ М.: /Связь/, 1975. тАУ 108с.
2. Радиосвязь на железнодорожном транспорте. тАУ Под ред. П.Н. Рамлау. тАУ М.: Транспорт, 1983. тАУ 132 с.
3. Радиотехнические цепи и сигналы /Под ред. А.П. Гоноровского. тАУ М.: Советское радио, 1977. тАУ 150 с.
4. Основы радиотехники и антенны. Ч. I,II / Под ред. Г.Б. Белеоцерковского. тАУ М.: Советское радио, 1978. тАУ 95 с.
5. Правила организации и расчёта сетей поездной радиосвязи. тАУ М.: Транспорт, 1991. тАУ 176 с.
6. Радиопередающие устройства / Под ред. М. В. Благовещенского, Г.М. Уткина. тАУ М.: Радио и связь, 1982. тАУ 96 с.
7. Радиотехнические системы железнодорожного транспорта. тАУ М.: Транспорт, 1991. тАУ 109 с.
Вместе с этим смотрят:
IP-телефония. Особенности цифровой офисной связи
РЖсторiя звтАЩязку та його розвиток
Автоматика, телемеханика и связь
Анализ режимов автоматического управления