Расчет перископической антенны радиорелейной станции прямой видимости
СОДЕРЖАНИЕ
1.Исходные данные
2.Вступление
3.Сравнительная характеристика антенн. Выбор типа антенны.
4.Выбор конструкции антенны
5.Расчет высоты установки антенны над поверхностью Земли
5.1.Расчет рабочей частоты
5.2.Расчет высоты установки антенны
6.Расчет конструкции, параметров и характеристик антенны
6.1.Определим коэффициент усиления антенны G
6.2.Определение диаграммы направленности
6.3.Определение параметров рупора
7.Выбор схемы и конструкции устройства питания
8.Выводы и заключения
Исходные данные:
|
Вступление
Радиорелейная связь - развивающийся вид связи благодаря ряду преимуществ по сравнению с другими видами связи.
Основными достоинствами радиорелейных линий являются:
1. Большая гибкость и маневренность;
2. Возможность высококачественной передачи на дальние расстояния очень большого количества одновременных сообщений;
3. Работа в диапазоне дециметровых и сантиметровых волн с использованием остронаправленных антенн, обладающих большим усилением;
4. Практическое отсутствие атмосферных и промышленных помех в рабочем диапазоне частот.
Радиорелейная связь в диапазоне СВЧ основана на многократной ретрансляции сигнала, т.е. на повторной передаче принятых сигналов. Промежуточные станции по трассе располагаются на разных расстояниях, но при условии, чтобы расстояние между соседними станциями не превышало дальности прямой видимости.
При расчете радиорелейной линии исходят из основного требования обеспечения надежности и качества передачи необходимой информации при наименьшем количестве промежуточных станций.
Антенны радиорелейных линий должны иметь высокий коэффициент усиления (обычно ЗОдБ в дециметровом диапазоне и 40-50 дБ в сантиметровом) и низкий уровень боковых лепестков.
Наиболее распространенными видами антенн для радиорелейных линий являются: рупорно-параболическая, перископическая и рупорно-линзовая.
Применение того или иного вида антенны определяется технико-экономическими требованиями к радиорелейной системе. Перископическая антенна характерна отсутствием длинных волноводных питающих трактов, что упрощает строительство и эксплуатацию радиорелейной линии. К недостаткам антенны относится ее малая помехозащищенность, являющаяся прямым следствием того, что система передачи энергии от передатчика к верхнему зеркалу является открытой.
радиорелейная линия антенна
Сравнительная характеристика антенн. Выбор типа антенны
| Тип антенны | Характеристика |
Вибраторные 1. Одновибраторные 2. Петлевые (Вибратор Пистолькорса) 3. Рамочные (магнитные вибраторы) 4. Турникетные | Наиболее просты в изготовлении, вследствие чего наиболее распространены, особенно на частотах метрового и дециметрового диапазонов. Вследствие низкого КНД используются в основном как приемные. Легко может быть реализована как линейная, так и круговая поляризация (турникетные антенны). При использовании специальной конструкции могут быть достаточно широкополосные (диполь Надененко) тАУ полоса до 50%. Входные сопротивления могут изменятся в большом диапазоне значений в зависимости от конструкции |
Рупорные 1. Пирамидальные - H-, E- секторальные - Остроконечные - Клиновидные 2. Конические | Являются модификацией простейшего излучателя в виде открытого конца волновода, видоизмененного для получения большего КНД. Это наиболее простые антенны, являющиеся частью питающего волновода. Имеют высокий КПД, являются широкополосными устройствами, однако для достижения высокого КНД необходимо увеличивать сильно размеры раскрыва рупора. Для обеспечения круговой поляризации необходимо вводить дополнительные элементы в раскрыв рупора, либо применять пару рупоров с взаимным смещением фаз 900. Формируют ДН от 100 (в пирамидальных) до 1400 (при раскрыве специальной формы). Применяются в качестве облучателей зеркальных и линзовых антенн, а также (реже) в антенных решетках. |
Антенны поверхностных волн 1. Плоские с диэлектрическим направителем 2. Плоские с ребристым направителем 3. Стержневые диэлектрические 4. Ребристо-стержневые 5. Дисковые диэлектрические 6. Дисковые ребристые | ВаОбладают малыми поперечными размерами, хорошими диапазонными свойствами по диаграмме направленности и входному сопротивлению. Технология их изготовления достаточно проста. Недостатком таких антенн является большой УБЛ, а также большие потери в диэлектрическом направителе. |
Волноводно-щелевые антенны 1. Резонансные 2. Нерезонансные | ВаВвиду отсутствия выступающих частей излучающая поверхность может быть совмещена с внешними обводами корпуса летательного аппарата. Распределение поля в раскрыве может выбираться в широких пределах за счет изменения связи излучателя с волноводом; имеет сравнительно простое возбуждающее устройство, проста в эксплуатации. |
Спиральные 1. Плоские 2. Цилиндрические 3. Конические | ВаОсновное преимущество тАУ легкость обеспечения поляризации ЭМВ, близкой к круговой без введения дополнительных элементов, простота конструкции. Однако для получения высоконаправленной антенны её длина должна быть недопустимо большой (не выполняется условие механической прочности). |
Линзовые 1. Замедляющие 2. Ускоряющие 3. Геодезические 4. Неоднородные | ВаОбеспечивают высокую направленность излучения/приема, однако по сравнению с зеркальными менее требовательны к точности изготовления поверхности, имеют 3 степени свободы (2 поверхности преломления и закон распределения коэффициента преломления) для придания антенне дополнительных свойств (широкоугольное качание диаграммы направленности, требуемое распределения амплитуды и фазы поля по раскрыву). Также отсутствует затенение раскрыва облучателем. Существенными недостатками являются большая масса, узкополосность и потери в веществе линзы. |
Зеркальные 1. Осесимметричные - Однозеркальные - Двухзеркальные (по схеме Кассегрена или Грегори) 2. Офсетные 3. Рупорно-параболические 4. Перископические | ВаЛегко обеспечивают высокую направленность, широкополосны, имеют сравнительно простую конструкцию. При высоких частотах требования к точности изготовления очень жесткие (отклонения порядка |
Выбор конструкции антенны
Перископическую антенную систему можно разбить на две части: излучающая антенна и переизлучатель. Излучающая антенна состоит, в свою очередь, из облучателя и нижнего зеркала. Переизлучатель называется иначе верхним зеркалом. Излучающая антенна располагается обычно на небольшой высоте вблизи передатчика или усилительного устройства, соответственно передающего или принимающего сигнал из антенны.
Верхнее зеркало располагается на довольно значительной высоте и крепится на башне. Высота расположения верхнего зеркала или высота башни определяется исходя из расстояния между соседними ретрансляционными пунктами. Зеркала антенны устанавливаются и ориентируются таким образом, чтобы энергия электромагнитных колебаний, излученных антенной, перехватывалась верхним зеркалом и направлялась на соседнюю ретрансляционную станцию.
Наиболее рациональным является вариант с разнесенным облучателем и нижним зеркалом. В данном случае облучатель располагается вблизи передатчика, что обеспечивает минимальную длину волновода, соединяющего облучатель с передатчиком. Нижнее зеркало отнесено далеко от облучателя, что облегчает условия согласования облучателя с нижним зеркалом.
По форме поверхности зеркала могут быть выполнены в виде части поверхности параболоида или эллипсоида вращения. В простейшем случае зеркало может быть выполнено плоским. Форма зеркала определяет дополнительные условия фокусировки луча внутри антенны. Эллипсоидальная форма зеркала обеспечивает наилучшие фазовые соотношения луча на выходе антенны. Для получения минимальных фазовых искажений сигнала на выходе антенны наиболее рациональным считается вариант с эллипсоидальным нижним и параболическим верхним зеркалами, который мы и будем использовать.
Облучатель расположен в одном из фокусов эллипсоида, а центр переизлучателя - в другом фокусе. Главная ось параболоида, частью которого является верхнее зеркало, направлена на приемную антенну. Поток энергии от нижнего зеркала к верхнему будет несколько сужаться, что приводит к некоторому увеличению к.п.д. передачи по сравнению с параллельным пучком.
По форме контура зеркала могут быть квадратными, ромбическими, эллиптическими и круглыми. Последняя форма является наиболее удобной в технологическом отношении и обеспечивает получение диаграммы направленности антенны с меньшим уровнем боковых лепестков. В нашем случае форма контура зеркала не будет точно круглой, но с достаточной степенью точности мы можем считать ее таковой.
В качестве облучателя нижнего зеркала в сантиметровом диапазоне волн удобно использовать пирамидальный рупор.
При больших, по сравнению с длиной волны, раскрывах зеркал и больших, по сравнению с раскрывами, расстояниях между зеркалами, что обычно имеет место в перископических системах, возможно сделать следующие допущения:
1. Расчет распределения поля от эллипсоидального нижнего зеркала у поверхности верхнего производят по формулам диаграммы направленности для дальней зоны синфазно возбужденной плоской поверхности с теми же размерами и распределением амплитуд, что и реальное зеркало.
2.Форму фазового фронта волны у поверхности верхнего зеркала можно считать сферичной с центром на поверхности нижнего зеркала. Поэтому, для получения плоского фазового фронта на выходе антенной системы необходимо верхнее зеркало сделать параболоидальным с фокусом параболоида в центре нижнего зеркала.
Для обеспечения передачи энергии от нижнего зеркала к верхнему с минимальными потерями необходимо, чтобы нижнее зеркало имело определенную форму и ширину диаграммы направленности. От ширины диаграммы направленности нижнего зеркала зависит размер верхнего. Требуемая диаграмма направленнотси нижнего зеркала должна быть узкой. Последнее требование приводит к увеличению его размеров. Наиболее типичным для перископической антенны являются примерно равные размеры верхнего и нижнего зеркал.
Расчет высоты установки антенны над поверхностью Земли
1. Расчет рабочей частоты
Рассчитаем рабочую частоту колебаний по формуле:
![]()
- средняя частота передатчика;
Ва- средняя частота приемника.
=![]()
Рабочую длину волны определим по формуле:
=![]()
где с = 3 тАв 108 м/с - скорость света.
=
=0,0598 м
2. Расчет высоты установки антенны
Опредилим высоту башни, исходя из условия, что расстояние между радиорелейными станциями 65км-дальность прямой видимости:
=
(
+
)
где
Ва- расстояние между радиорелейными станциями;
Ва=6372 км - радиус Земли;![]()
Ва- высоты соседних радиорелейных станций.
=
=82.88м
Для того, чтобы существенная область (область пространства, в которой происходит основной перенос электромагнитной энергии) не экранировалась препятствиями, необходимо увеличить высоту станции хотя бы на величину радиуса минимальной зоны Френеля. Радиус этой зоны найдем по формуле:
=![]()
Подставляя известные значения, найдем
=10.29 м. Высота радиорелейной станции:
![]()
=82.88+10.29=93.17 м.
Выберем высоту подвеса нижнего зеркала над землей равным 2м, тогда действующая высота антенны будет равна:
Ва=![]()
Ва=91.17 м
Расчет конструкции, параметров и характеристик антенны
1 .Определим коэффициент усиления антенны G
G=![]()
где ![]()
=π![]()
b - радиус проекции верхнего зеркала;
- к.п.д. передачи от нижнего зеркала к верхнему;
- к.п.д. передачи от облучателя к нижнему зеркалу;
Ки - коэффициент использования поверхности верхнего зеркала. Величины
,
Ваопределяются потерями на пути облучатель-нижнее зеркало-верхнее зеркало. Причинами потерь являются: ВлпереливаниеВ» энергии через края нижнего зеркала, рассеивание энергии на пути от нижнего к верхнему зеркалу, отражение энергии от мачты и дальнейшее ее рассеивание. Вследствие этих причин не вся энергия от передатчика подводится к нижнему зеркалу, затем не вся подводимая к нижнему зеркалу энергия попадает на верхнее и только часть энергии, попадающей на верхнее зеркало, передается к корреспонденту.
Ваопределяется распределением амплитуд и фаз поля в его раскрыве. Это распределение зависит от формы диаграммы направленности нижнего зеркала и от формы поверхности верхнего зеркала. Однако кривизна поверхности переизлучателя и кривизна фронта падающей на него волны малы, поэтому верхнее зеркало изменяет только фазовую структуру переизлученного поля, не меняя заметно его амплитудного распределения. У нас верхнее зеркало параболоидально, тогда поле в его выходной апертуре синфазно и
Вазависит лишь от неравномерности амплитудного" распределения напряженности поля по зеркалу, которая определяется диаграммой
направленности нижнего зеркала. При практических расчетах значений параметров
Ванужно учитывать зависимость этих значений от переменной
,который определяется как
![]()
для различных значений Кон, где а и в - радиусы проекций соответственно верхнего и нижнего зеркал, Кон - коэффициент, характеризующий распределение поля в апертуре антенны нижнего зеркала. Расчетным является случай Кон=0,684. Для того, чтобы достичь максимального значения
Ва0,7 при данном расчетном значении Кон, возьмем значение х0=2,8 и опредилим значения a и b, которые, как было сказано выше, равны между собой: a=Ь=1,28м.
Найдем значения
Ваи
:
=π1
=5.14
=18088.16
Рассчитаем коэффициент усиления: G = 0,7 тАв 0,85
18088,16 = 10762.46
2.Определение диаграммы направленности
Диаграмма направленности определяется для перископической антенны с эллипсоидальным излучателем и параболоидальным переизлучателем. При параболоидальном переизлучателе поле в его раскрыве синфазно и выражение для диаграммы направленности имеет вид:
F(ѵ)=((1-
)
(ѵ)+
(ѵ))![]()
-Лямбда-функция первого рода
-Лямбда-функция второго рода
Для определения вида диаграммы направленности в вертикальной и горизонтальной плоскости необходимо найти
Ваи
:
В горизонтальной плоскости θ=0, поэтому:
![]()
В вертикальной плоскостиВаВа
=0, поэтому:
a(1-cosθ-sinθ)
Диаграмма направленности в Е-плоскости имеет вид:
-в декартовых координатах:

-в полярных координатах:

Диаграмма направленности в H-плоскости имеет вид:
-в декартовых координатах:

-в полярных координатах:

3.Определение параметров рупора
В качестве облучателя будем использовать пирамидальный рупор.
Так как рупорная атенна должна возбуждать круглый раскрыв зеркала, очевидно, необходимо потребовать, чтобы диаграмма направленности рупорного облучателя была симметричной, т.е. ее ширина в плоскостях E и Н была одинакова.
Ширина диаграммы направленности пирамидального рупора вычисляется приближенно по формулам (на уровне половинной мощности):
-в плоскости Е: sin![]()
-в плоскости Н: sin![]()
А - ширина апертуры рупора,
В - высота апретуры рупора.
Для получения симметричной диаграммы:
=![]()
A=1.34B
К.н.д. передачи на участке рупор-нижнее зеркало η=0,8=0,9. Спад до 0,1 по мощности (с учетом фазовых искажений в апертуре рупора) соответствует:
-в плоскости Е: sin![]()
-в плоскости Н: sin
1.34![]()
Выберем угол γ=
=![]()
Величину В можно определить исходя из выражения:
= ![]()
где d - расстояние между рупором и нижним зеркалом.
Мы выбрали d=10м, тогда, подставляя известные значения, получим
В=0,47м.
Найдем величину А:
А=1,34В
А=0,62м.
Коэффициент направленности рупора при этом равен:

При этом коэффициент использования поверхности апертуры рупора
=0,64.
Тогда:
Ва=655.02
\
ВаРассчитаем длину рупора в плоскости Е:
![]()
Подставив известные значения, получим ![]()
Длина рупора в плоскости Н:
![]()
Получаем![]()
- в плоскости Н: ![]()
- в плоскости Е:![]()
Необходимо заметить, что поляризация сигналов передатчика - линейная вертикальная, поэтому рассчитанный рупор не поворачиваем (широкой стенкой паралельно земле), чтобы вектор Е был ей перпендикулярен.
Выбор схемы и конструкции устройства питания
Энергия к антенне будет подводится с помощью прямоугольного волновода с использованием плавного перехода от волновода к рупору.
Учитывая высоту подвеса антенны над землей (82,88м), а также не очень большую мощность питающего сигнала (10Вт), то энергию в волноводе будем возбуждать с помощью его соединения с коаксиальным волноводом.
Сочленения коаксиальных волноводов с прямоугольными могут быть штыревого и петлевого типов. Они осуществляют трансформацию Т-волны коаксиального волновода в волну
прямоугольного. Трансформаторы петлевого типа применяются очень редко, поэтому будем использовать штыревой трансформатор.
ВаПростейший трансформатор представляет собой отрезок прямоугольного волновода, внутрь которого через широкую стенку введен внутренний проводник коаксиала, а его наружный проводник соединен со стенками прямоугольного волновода.
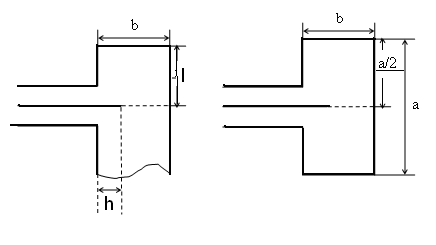
Трансформатор характеризуется такими параметрами:
В· h-высота штыря.
В· X- расстояние от боковой стенки.
В· l- расстояние от закороченного конца волновода.
Штырь можно рассматривать как вибратор введенный в прямоугольный волновод, следовательно, штырь для коаксиального кабеля является нагрузкой.
Необходимо обеспечить согласование нагрузки для обеспечения РБВ в коаксиальном кабеле. Сопротивление штыря в общем случае комплексно.
Теория и практика показывает, что для лучшего согласования необходимо
![]()
ВаВ этом случае штырь включается в такие сечения волновода, где сопротивление носит чисто активный характер. Смещением штыря в поперечной плоскости добиваются равенства этого сопротивления волновому.
С учетом линейной вертикальной поляризации это будет иметь вид:

Рассчитаем нужные величины:
Ва=
=0.72
=43мм
=
l=
=
=2,08см h=
=14.95см
Выводы и заключения
В результате выполнения данной курсовой работы была рассчитана перископическая антенна радиорелейной станции прямой видимости. Она имеет следующие конструкционные особенности:
- двузеркальная антенна с разнесенным облучателем и нижним зеркалом;
- форма контура зеркал - круглая;
- по форме поверхности использовали эллипсоидальное нижнее и параболоидальное верхнее зеркало;
- в качестве согласующего устройства - прямоугольный волновод. Были определены следующие конструкционные характеристики перископической антенны и радиорелейной станции :
- высота радиорелейной станции (а также высота установки верхнего зеркала) - 82,88 м;
- высота подвеса нижнего зеркала над землей -2м;
- радиусы проекций верхнего и нижнего зеркала равны между собой и составляют 1,28 м;
- нижнее зеркало наклонено к поверхности Земли под углом в 135В°, а верхнее - под углом в 45В°.
- длина рупора в плоскости Е и Н: ![]()
![]()
Нашли следующие параметры антенны:
- рабочая длина волны - 0,0598 м;
- коэффициент усиления антенны составляет 10762,46 ;
- коэффициент направленности рупора равен 18088.16;
Рассчитанная перископическая антенна радиорелейной станции прямой видимости удовлетворяет всем основным требованиям, предъявляемым к антеннам этого класса, имеет большой коэффициент усиления, узкую диаграмму направленности. Данная антенна не слишком дешева в изготовлении, так как антенна располагается на достаточно высоких башнях (хотя это и минимальная высота радиорелейных станций при заданном расстоянии между ними), а также используются параболоидальное и эллипсоидальное зеркала. Но при условии использования наиболее дешевых в производстве плоских зеркал наблюдались бы большие потери энергии при передаче от нижнего зеркала к верхнему, т.е. наименьший коэффициент полезного действия антенны.
Вместе с этим смотрят:
IP-телефония. Особенности цифровой офисной связи
РЖсторiя звтАЩязку та його розвиток
Автоматика, телемеханика и связь
Анализ режимов автоматического управления