Расчет и конструирование ребристой плиты перекрытия 1,5х6 м
Федеральное агентство по образованию
Государственное образовательное учреждение высшего профессионального образования
Тверской государственный технический университет
Кафедра ВлКонструкции и сооруженияВ»
Курсовая работа
по дисциплине ВлЖелезобетонные и каменные конструкцииВ»
на тему: ВлРасчет и конструирование ребристой плиты перекрытия 1.5×6 м
В»
Выполнил: студент ИДПО
группы ПГС-30-08
Принял: Цыбина Р.З.
Тверь 2011
Содержание
1. Исходные данные
2. Расчет ребристой плиты
2.1 Сбор нагрузок
2.2 Определение усилий в элементах плиты
2.3 Расчет элементов плиты по прочности
2.3.1 Расчет полки плиты
2.3.2 Расчет поперечного ребра
2.3.3 Расчет продольных ребер
2.4 Определение геометрических характеристик приведенного сечения плиты
2.5 Потери предварительного напряжения
2.6 Расчет продольных ребер плиты по образованию трещин, нормальных к продольной оси элемента
2.7 Расчет по раскрытию трещин, нормальных к продольной оси элемента
2.8 Расчет прогиба плиты
3. Расчет неразрезного железобетонного ригеля
3.1 Определение нагрузки на ригель
3.2 Статический расчет ригеля
3.3 Расчет прочности сечений ригеля
3.4 Конструирование арматуры ригеля
Библиографический список
1. Исходные данные
Номинальные размеры плиты в плане тАУ 1.5×6 м.
Опирание плиты на ригель тАУ в уровень. Плита изготавливается из тяжелого бетона класса В40 по поточно-агрегатной технологии.
Продольные ребра плиты армируются преднапряженной арматурой класса Ат-800.
Метод натяжения арматуры тАУ электротермический.
Условия твердения плиты тАУ тепло-влажностная обработка при атмосферном давлении.
Плита эксплуатируется в нормальных условиях с относительной влажностью не более 75%.
Коэффициент условия работы γВ2=0.9.
Коэффициент надежности по назначению γn=0.95.
Деформации плиты ограничиваются эстетическими требованиями.
Полезная нагрузка на перекрытие тАУ 15500 Н/м2 (1550 кгс/м2).
Нагрузка от пола тАУ 1000 Н/м2.
Полы выполняются на стройплощадке.
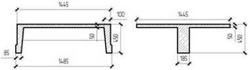
Конструктивные размеры плиты:
В· Длина плиты 5550 мм;
В· Ширина плиты 1485 мм;
В· Высота продольного ребра тАУ 450 мм;
В· Ширина продольного ребра: по низу тАУ 85 мм, по верху тАУ 100 мм;
В· Высота поперечного ребра тАУ 250 мм;
В· Ширина поперечного ребра: по низу 50 мм, по верху тАУ 100 мм.

Рисунок 1. тАУ Основные опалубочные размеры плиты
2. Расчет ребристой плиты
2.1 Сбор нагрузок
Сбор нагрузок выполним в табличной форме. В таблице 1 представлены нагрузки для расчета полки плиты.
Таблица 1. тАУ Нагрузки на 1 м2 перекрытия для расчета полки плиты
| Вид нагрузки | Наименование | Нормативная нагрузка Н/м2 | Коэффициент надежности по нагрузке | Расчетная нагрузка Н/м2 |
| Длительная | Нагрузка от пола g1 | 1000 | 1.3 | 1300 |
| Нагрузка от собственного веса полки плиты (tf=50 мм) g2 | 1250 | 1.1 | 1375 | |
| Временная длительная v1 | 12000 | 1.2 | 14400 | |
| Кратковременная | Временная кратковременная v2 | 3500 | 1.2 | 4200 |
| Всего q1 | 21275 | |||
Таблица 2. тАУ Нагрузки на 1 м2 перекрытия (для расчета продольных
ребер плиты, ригеля, колонны)
| Вид нагрузки | Наименование | Нормативная нагрузка Н/м2 | Коэффициент надежности по нагрузке | Расчетная нагрузка Н/м2 |
| Длительная | Нагрузка от пола g1 | 1000 | 1.3 | 1300 |
| Нагрузка от собственного веса плиты g3 | 3000 | 1.1 | 3300 | |
| Временная длительная v1 | 12000 | 1.2 | 14400 | |
| Итого длительная | 16000 | 19000 | ||
| Кратковременная | Временная кратковременная v2 | 3500 | 1.2 | 4200 |
| Всего q2 | 19500 | 23200 | ||
2.2 Определение усилий в элементах плиты
Изгибающие моменты в продольном и поперечном направлениях полки:
![]()
Где lп тАУ пролет полки.
Изгибающий момент в середине пролета поперечного ребра:
![]()
Где lр тАУ пролет поперечного ребра 1.28 м (см. рис. 1);
![]()
Где gсв тАУ собственный вес одного метра поперечного ребра.
![]()
![]()
![]()
Поперечная сила у опор поперечного ребра:
![]()
Максимальный изгибающий момент в середине пролета продольных ребер:
![]()
Где
;
lпр=5.45 м
![]()
Поперечная сила у опор:
![]()
Изгибающий момент от полной нормативной нагрузки:
![]()
Где
.
![]()
Изгибающий момент от длительной нормативной нагрузки:
![]()
Где
.
![]()
2.3 Расчет элементов плиты по прочности
2.3.1 Расчет полки плиты
Армирование полки проводим по принятой схеме армирования, принимая h=5 см (толщина полки), h0=3.5 см.
![]()
з=0.987
В качестве рабочей арматуры выбираем арматуру класса Вр-ǀ, Rs=365 МПа.
![]()
Схема расположения арматурных сеток приводится на рис. 4.
По ГОСТ 8487-81 принимаем:
Сетку С-2 подбираем с рабочей арматурой в поперечном направлении;
С-1 тАУ 3 Вр-ǀ-100/3 Вр-ǀ-100, Аs=0.71/0.71 см2;
С-2 тАУ 4 Вр-ǀ-150/3 Вр-ǀ-250, Аs=0.75 /0.28 см2.
2.3.2 Расчет поперечного ребра
Поперечное ребро рассчитываем как изгибаемый элемент таврового сечения с одиночной арматурой. Расчетное сечение приводится на рис. 2.

Рисунок 2. тАУ расчетное сечение поперечного ребра
Параметры сечения:
В· hf=50 мм=5 см тАУ высота сечения полки;
В· h=250 мм=25 см тАУ фактическая высота ребра;
В· b=0.5∙(100+50)=75 мм=7.5 см тАУ ширина ребра;
В· ширина полки:
![]()
Где b тАУ ширина ребра по верху.
![]()
з=0.995, о=0.01
![]()
Нейтральная ось проходит в полке.
В качестве рабочей продольной арматуры принимаем арматуру класса А-400 (предполагая диаметр стержней 6-8 мм), Rs=355 МПа:
![]()
По сортаменту подбираем стержни рабочей продольной арматуры поперечного ребра - 8 мм, Аs=0.503 см2.
Необходимость расчета поперечной арматуры проверяем из условия Q˂QB, Где Q=
Н тАУ внешняя поперечная сила.
Минимальная поперечная сила, воспринимаемая бетоном:
![]()
Где ![]()
![]()
Поперечную арматуру назначаем по конструктивным соображениям. Диаметр тАУ минимальным по условиям сварки тАУ3Вр-ǀ. Шаг поперечной арматуры на приопорном участке S=h/2=250/2=125 мм˂150 мм. Принимаем 125 мм. В средней части ребра S=3∙h/4=3∙250/4=187.5=188 мм. Принимаем 180 мм.
2.3.3 Расчет продольных ребер
Для расчета плиты в продольном направлении приводим ее сечение к расчетному (рис. 3).

Рисунок 3. тАУ действительное и расчетное сечение плиты
Размеры сечения:
bf=144.5 см тАУ ширина плиты по верху; hf=5 см тАУ толщина полки; h=45 см тАУ высота плиты;
b=2∙(10+8.5)/2=18.5 см тАУ средняя суммарная ширина ребер.
Величину предварительного напряжения продольной рабочей арматуры принимаем: σsр=0.6∙Rsn=0.6∙785=471 МПа.
Длина напрягаемого стержня: lст=555+25=580 см=5.8 м.
Возможное отклонение предварительного напряжения:
![]()
Проверяем выполнение условий:
![]()
![]()
![]()
Условия удовлетворяются, следовательно, величина предварительного напряжения находится в допустимых пределах.
Предельное отклонение предварительного напряжения:
![]()
Где Пр=2 тАУ количество напрягаемых стержней (по одному в ребре).
![]()
Граничная относительная высота сжатой зоны:

Где еs,el тАУ относительная деформация растянутой арматуры, при напряжениях, равных Rs;
Еb,ult тАУ относительная деформация сжатого бетона, при напряжениях, равных Rb, принимаемая равной 0.0035.
![]()

Коэффициент, характеризующий относительную высоту сжатой зоны:
![]()
Где h0=h-2=45-3=42 см.
о=0.024, з=0.988.
Условие о≤оR удовлетворяется.
Высота сжатой зоны:
![]()
Следовательно, расчет сечения может производиться как прямоугольного с шириной сечения 144.5 см.
Коэффициент условий работы высокопрочной арматуры при напряжениях выше условного предела текучести.
![]()
Где з1=1.15 тАУ для арматуры класса Ат-800.
Площадь поперечного сечения продольной рабочей арматуры:
![]()
По сортаменту подбираем 2-18 Ат-800 с площадью поперечного сечения Аsp=5.09 см2.
Для расчета сечений, наклонных к продольной оси, определяем коэффициенты, характеризующие работу сечения:
![]()
![]()
Где Р2=0.7∙Аsp∙уsp=0.7∙5.09∙471∙100=167817.3
Н тАУ усилие предварительного напряжения.
![]()
![]()
Поперечная сила, воспринимаемая бетоном (минимальная):
![]()
Где цb3=0.6 для тяжелого бетона.
![]()
Расчет необходимо продолжить.
![]()
Где цb2=2 для тяжелого бетона.
![]()
Принимаем С=84 см.
Поперечная сила, воспринимаемая бетоном:
![]()
![]()
Поперечная арматура по расчету не требуется. Конструктивно принимаем поперечную арматуру 4 Вр-ǀ с шагом:
На приопорных участках:
![]()
В средней части:
![]()
Прочность по наклонной полосе между трещинами проверяем из условия:
![]()
Где цw1=1+5∙б∙мw≤1.3
![]()
![]()
![]()
![]()
![]()
Прочность наклонной полосы между трещинами обеспечена.
2.4 Определение геометрических характеристик приведенного
сечения плиты
Поперечное сечение плиты представлено на рис. 5.

Рисунок 4 тАУ Расчетное сечение плиты
Площадь приведенного сечения плиты:
![]()
Статический момент приведенного сечения относительно нижней грани:
![]()
Расстояние от нижней грани до центра тяжести приведенного сечения:
![]()
Момент инерции приведенного сечения:

Момент сопротивления приведенного сечения по нижней зоне:
![]()
Момент сопротивления приведенного сечения по верхней зоне:
![]()
Расстояние от ядровой точки, наиболее удаленной от растянутой грани, до центра тяжести сечения:
![]()
Где ![]()
Принимаем ![]()
![]()
![]()
Расстояние от ядровой точки, наименее удаленной от растянутой грани, до центра тяжести приведенного сечения:
![]()
Упругопластический момент сопротивления по растянутой зоне:
![]()
Где г=1.75 тАУ для тавровых сечений с полкой в сжатой зоне.
Упругопластический момент сопротивления по сжатой зоне:
![]()
Где г=1.5 тАУ для тавровых сечений с полкой в растянутой зоне при bf/b˃2 и hf/h˂0.2.
2.5 Потери предварительного напряжения
Потери от релаксации напряжения в арматуре:
![]()
Потери от температурного перепада у2=0 (изделие подвергается тепловой обработке вместе с силовой формой).
Усилие обжатия с учетом потери у1:
![]()
Эксцентриситет этого усилия относительно центра тяжести приведенного сечения:
l![]()
Напряжение в бетоне при обжатии:
![]()
Передаточная прочность бетона должна быть не менее:
![]()
Принимаем Rbp=12 МПа.
![]()
![]()

Сжимающее напряжение на уровне центра тяжести напрягаемой арматуры с учетом изгибающего момента от собственного веса плиты и передаточной прочности бетона.
![]()
Потери от быстро натекающей ползучести:
![]()
Итого, первые потери:
![]()
Потери от усадки бетона уb=40 МПа.
Усилие обжатия с учетом всех первых потерь:
![]()
Сжимающее напряжение на уровне центра тяжести растянутой арматуры с учетом изгибающего момента от собственного веса плиты:
![]()
![]()
Потери от ползучести бетона:
![]()
Вторые потери:
![]()
Полные потери:
![]()
Усилия обжатия с учетом всех потерь:
![]()
2.6 Расчет продольных ребер плиты по образованию трещин,
нормальных к продольной оси элемента
Ядровый момент усилия обжатия:
![]()
Где γsp=1-Δγsp=1-0.13=0.87 тАУ коэффициент натяжения арматуры.
Момент образования трещин:
![]()
Трещины в растянутой зоне в процессе эксплуатации образуются. Необходим расчет по раскрытию трещин. Проверку образования трещин в верхней зоне при ее обжатии проводим из условия:
![]()
Где Р1 тАУ усилие обжатия с учетом первых потерь;
М тАУ изгибающий момент от собственного веса плиты;
Rbtp тАУ прочность бетона на растяжение к моменту передачи напряжения, соответствующая передаточной прочности бетона.
γsp=1+Δγsp=1+0.13=1.13
![]()
![]()
![]()
Трещины в верхней зоне плиты при ее обжатии не образуются.
2.7 Расчет по раскрытию трещин, нормальных к продольной оси
элемента
Для изгибаемых элементов, армированных стержневой арматурой, ширина раскрытия трещин определяется по формуле:
![]()
Где ц1 при длительном действии нагрузки тАУ 1.4, при кратковременном тАУ 1;
ц2=0.5 для арматуры периодического профиля;
ц3=1 для изгибаемых элементов;
уs тАУ напряжение в продольной растянутой арматуре, определяемое по формуле:
![]()
Где М тАУ момент от нагрузок, учитываемых в расчете;
zs тАУ расстояние от центра тяжести растянутой арматуры до точки приложения равнодействующей усилий в сжатой зоне элемента. Для элементов тавровой формы значение zs может быть принято равным:
![]()
![]()
ls тАУ базовое расстояние между смежными нормальными трещинами:
![]()
Значение lb должно быть не менее 10 см и не более 40 см. Принимаем lb=40 см.
Где Аbt тАУ площадь сечения растянутой зоны бетона.
шs тАУ коэффициент, учитывающий неравномерное распределение относительных деформаций растянутой арматуры между трещинами:
![]()
Непродолжительная ширина раскрытия трещин:
![]()
Где аcrc1 тАУ ширина раскрытия трещин от продолжительного действия постоянной и временной длительной нагрузок;
аcrc2 тАУ от непродолжительного действия постоянных и временных (длительных и кратковременных) нагрузок;
аcrc3 тАУ от непродолжительного действия постоянных и временных длительных нагрузок.
![]()
![]()
![]()
![]()
![]()
![]()
![]()
![]()
![]()
![]()
Допустимая ширина раскрытия трещин 0.3 мм тАУ непродолжительная и 0.2 мм тАУ продолжительная.
2.8 Расчет прогиба плиты
плита трещина арматура ригель
Так как деформации плиты ограничиваются эстетическими соображениями, расчет прогиба плиты проводим на действие постоянных и длительных нагрузок.
![]()
Эксцентриситет продольной силы:
![]()
Где Ntot=P2=167242.1 Н.
Коэффициент, характеризующий неравномерность деформации растянутой арматуры:

Плечо внутренней пары сил Z1=39.5 см.
Величина площади сжатой зоны бетона:
![]()
Кривизна оси при изгибе:

Прогиб от действия длительной и постоянной нагрузок:
![]()
Допустимый прогиб равен 2.5 см. Прогиб плиты от действия длительной и постоянной нагрузок менее допустимого.
3. Расчет неразрезного железобетонного ригеля
Бетон ригеля тяжелый класса В20. Рабочая продольная и поперечная арматура без предварительного напряжения класса А-400. Пролет среднего ригеля принимаем равным расстоянию между гранями колонн 5.65 м (рис. 5), пролет крайнего ригеля равным расстоянию от грани колонны до центр опоры на стене 5.6 м (рис. 5). Сечение колонн принимаем 40*40 см, заделку ригеля в стену тАУ 30 см, центра опоры посередине опорной площадки. Расчетный ригель тАУ средний.

Рисунок 5
3.1 Определение нагрузки на ригель
Определяем нагрузку от собственного веса ригеля:
![]()
Где Ар=0.3625 м2 тАУ площадь сечения ригеля;
с тАУ объемная масса железобетона;
гf тАУ коэффициент надежности по нагрузке.
![]()
Нагрузка на ригель:
![]()
Постоянная нагрузка на 1 м ригеля:
![]()
Временная нагрузка на 1 м ригеля:
![]()
Суммарная нагрузка:
![]()
3.2 Статический расчет ригеля
Изгибающие моменты в сечениях ригеля:
![]()
Где β тАУ коэффициент, зависящий от Vриг/qриг и от положения сечения. Изгибающие моменты определяем с учетом пластического перераспределения моментов.
![]()
Разбиваем пролеты на пять равных частей и определяем изгибающие моменты через 1/5 пролета. По результатам расчета строим объемлющие эпюры изгибающих моментов для первого (крайнего) и второго (среднего) пролетов. Эпюры приведены на рис. 6.

Рисунок 6. тАУ Эпюры изгибающих моментов и поперечных сил крайнего
и среднего ригеля
Изгибающие моменты в первом пролете:
![]()
![]()
![]()
![]()
![]()
![]()
Расстояние от грани колонны до нулевой точки верхней ветви эпюры:
![]()
Расстояние от грани колонны до нулевой точки нижней ветви эпюры:
![]()
Поперечная сила на крайней опоре:
![]()
Поперечная сила на первой промежуточной опоре слева:
![]()
Изгибающие моменты во втором пролете:
![]()
![]()
![]()
![]()
![]()
![]()
![]()
![]()
![]()
![]()
![]()
Расстояние от грани колонны до нулевой точки нижней ветви эпюры:
![]()
Поперечная сила на левой и правой опорах среднего пролета:
![]()
3.3 Расчет прочности сечений ригеля
Расчет выполняем для ригеля среднего пролета. Высота ригеля задана и равна 800 мм. Сечение ригеля рассматриваем как прямоугольное 300*800 мм; площадь консольных свесов в расчет не вводят, так как они расположены близко к середине высоты ригеля, т.е. вне сжатой зоны. Рабочая высота h0=0.9∙h=720 мм, а=80 мм, b=475 мм.
Граничная относительная высота сжатой зоны:

Где щ=б-0.008∙Rb=0.85-0.008∙11.5=0.758; уsR=365 МПа.

Площадь поперечного сечения продольной рабочей (нижней) арматуры среднего пролета:
![]()
о=0.165˂оR=0.62; з=0.918
![]()
По сортаменту подбираем 4х18 А-400 Аs=10.18 см2.
Площадь поперечного сечения продольной рабочей арматуры над опорами в среднем пролете:
![]()
о=0.19˂оR=0.62; з=0.904
![]()
По сортаменту подбираем 2х28 А-400 Аs=12.32 см2.
Площадь поперечного сечения рабочей арматуры в верхней зоне ригеля в пролете:
![]()
о=0.03˂оR=0.62; з=0.985
![]()
По сортаменту подбираем (с запасом) 2х16 А-400 Аs=4.02 см2.
Схема расположения продольной рабочей арматуры среднего ригеля приведена на рис. 9.
Минимальная поперечная сила, которая может быть воспринята бетоном наклонного сечения:
![]()
Это меньше поперечных сил на всех опорах. Расчет продолжаем:
![]()
Величина проекции наиболее опасного наклонного сечения на ось элемента у средних опор:
![]()
Для расчета наклонных сечений у всех опор принимаем С=138 см. Поперечная сила, воспринимаемая бетоном:
![]()
Это меньше значений поперечных сил у всех опор. Необходим расчет поперечной арматуры.
По условиям сварки принимаем поперечные стержни ⌀8 А-400.
Поперечная сила, воспринимаемая хомутами у крайней опоры:
![]()
Поперечная сила, воспринимаемая хомутами у первой промежуточной опоры слева:
![]()
Поперечная сила, воспринимаемая хомутами у средних опор:
![]()
Требуемые погонные усилия в хомутах у средних опор:
![]()
Шаг поперечной арматуры у средних опор:
![]()
По конструктивным требованиям шаг поперечной арматуры не должен превышать:
Вана приопорных участках
и
Вав средней части ригеля.
Окончательно шаг поперечной арматуры принимаем для среднего ригеля: на приопорных участках, равных 1.4 м, S=20 см. В средней части S=60 см. Схемы расположения поперечной арматуры приводятся на рис. 10.
Прочность по cжатой полосе между наклонными трещинами проверяем из условия:
![]()
Где цw1=1+5∙б∙мw≤1.3
![]()
![]()
![]()
Для средних опор:
![]()
![]()
![]()
Прочность по сжатой полосе обеспечена для наклонных сечений у всех опор.
3.4 Конструирование арматуры ригеля
Для построения эпюры материалов определяем изгибающие моменты, воспринимаемые сечениями ригеля.
Средний пролет.
Изгибающий момент, воспринимаемый сечением, армированным 4х18 А-400 Аs=10.18 см2 (рис. 9 сеч. 3-3):
![]()
![]()
![]()
![]()
Изгибающий момент, воспринимаемый сечением, армированным 2х18 А-400 Аs=5.09 см2 (рис. 9 сеч. 4-4):
![]()
![]()
![]()
![]()
Изгибающий момент, воспринимаемый сечением, армированным 2х28 А-400 Аs=12.32 см2 - опорной арматурой (рис. 9 сеч. 4-4):
![]()
![]()
![]()
![]()
Изгибающий момент, воспринимаемый сечением, армированным 2х16 А-400 Аs=4.02 см2 (рис. 9 сеч. 3-3):
![]()
![]()
![]()
![]()

Рисунок 7
Для конструирования арматуры ригеля строим эпюры материалов. По эпюре материалов определяем величины изгибающих моментов в точках теоретического обрыва и соответствующие им значения поперечных сил Q. Определяем Q графически.
Величины поперечных сил составляют:
Величины поперечных сил в сечениях, соответствующих точкам теоретического обрыва стержней среднего ригеля:
В точке обрыва Q1=177.7 кН
В точке обрыва Q2= 184.8кН
Обе точки расположены на приопорном участке ригеля.
Усилия в хомутах на единицу длины:
![]()
Длины анкеровки обрываемых стержней:
![]()
![]()
Библиографический список
1. СНиП 2.03.01-84*. Нормы проектирования. Бетонные и железобетонные конструкции./ Госстрой СССР. - Москва: Стройиздат, 1989.
2. СНиП 2.01.07-85. Нормы проектирования. Нагрузки и воздействия./ Госстрой СССР. - Москва: Стройиздат, 1985.
3. СП 52-101-2003. Бетонные и железобетонные конструкции без предварительного напряжения арматуры. - М.: ФГУП ЦПП, 2005.
4. СП 52-102-2004. Предварительно напряженные железобетонные конструкции. - М.: ФГУП ЦПП, 2005.
5. В.Н. Байков, Э.Е. Сигалов ВлЖелезобетонные конструкцииВ». - Москва: СтройиздатВ», 1985.
Вместе с этим смотрят:
Анализ проектных решений 20-ти квартирного жилого дома
Вариантное проектирование балочной клетки рабочей площадки
Земляные работы при планировке и разработке строительной площадки
Озеленение городских территорий и их роль в формировании городской среды
Организация механизированных работ при строительстве земляного полотна