Телетекст и видеотекст
Реферат
по предмету Основы телевидения
Телетекст и видеотекст
1. Системы телетекст и антиопе
Общие сведения. В этих двух системах много общего. Они создают бинарные синтетические изображения (черное, белое, шесть цветов). Рассмотрим принципы их построения и действия. Основное различие между системами Телетекст (разработана в Англии) и АНТИОПЕ (разработана во Франции) состоит в том, что первая из них синхронная, а вторая несинхронная, т.е. тактовая частота не жестко связана с частотой строк. Слово АНТИОПЕ (ANTIOPE)-аббревиатура фразы Aquisition Numerique et Televisualisation d'lmages Organisees en Pages d'Ecriture, что переводится так: получение в цифровом коде и вывод на телевизионный экран изображения, организованного в печатные страницы. Известны также такие варианты системы Телетекст как CEEFAX (See Facts) и ORACLE (Optional Reception of Announcements by Coded Line Electronics, Англия), Telidon (Канада). Сигналы ответов на вопросы телезрителя (сигналы ДИ) в этих системах передаются в течение передачи одной или нескольких строк в интервале кадрового гасящего импульса (КГИ), в которых нет другой информации (временное разделение сигналов). Для стандарта СССР (ГОСТ 7845-79) это могут быть строки 16-21 и 329-334. В качестве дополнительной информации передаются неподвижные изображения (тексты, простейшие рисунки), содержащие сведения о погоде, работе зрелищных и транспортных предприятий, новости, бытовые советы, учебные материалы и т.д. Можно воспроизводить знаки с изменяющейся яркостью (для привлечения внимания) в ходе просмотра телевизионной программы на экран можно выводить экстренные новости.
Передача сигналов ДИ в системе Телетекст. На рис. 1.1 показаны диаграммы импульсов при передаче пакета, содержащего ДИ в строке 16 (или 329) во время длительности КГИ. В строке 15 передается последний импульс сигнала цветовой синхронизации (iС) в системе СЕКАМ, в строке 17 - испытательный сигнал (ИС). В строках 16, 17 и так далее после строчного синхроимпульса (ССИ) передается защитная цветовая вспышка (ЗЦВ).

Рис. 1.1. Состав строк 15-17.
Рассмотрим пакет ДИ. Назовем буквы, цифры, элементы рисунков термином ВлзнакиВ» или ВлсимволыВ». Каждый знак передается цифровым методом в виде октета битов, называемого также байтом. Октет (байт) содержит 8 битов. Бит представляет собой бинарный импульс, имеющий амплитуду, равную 1 или 0 (логическая единица имеет размах 66% уровня белого, в видеосигнале логический нуль соответствует уровню черного). Длительность одного бита
Вамкс. На рис. 1.2 показаны импульсы, содержащие 9 битов, где биты 2, 5, 7, 8 имеют значение 0, биты 1, 3, 4, 6, 9 - значение 1. Показанное на рис. 1.2 сочетание битов 1 и 2 требует наиболее широкую полосу частот в канале передачи. Период этого сочетания битов
Вамкс. Первая гармоника такого сочетания имеет частоту
ВаМГц. При передаче пакетов передается спектр частот не выше
. В системе АНТИОПЕ мгновенная скорость передачи битов (тактовая частота
)
ВаМбит/с, в системе Телетекст
ВаМбит/с (444-я гармоника частоты строк). Во избежание помех сигналу программы телевидения выбирают тактовую частоту
, где
ВаГц - частота строк. Тогда
ВаМГц.

Рис. 1.2. Последовательность битов в пакете ДИ
Обычно форма бита, соответствующая логической 1 (рис. 1.3), близка к форме положительного полупериода косинусоиды. Такой импульс называют импульсом Найквиста:
,ВаВаВаВаВаВаВаВаВаВаВаВаВаВаВаВаВаВаВаВаВаВаВаВаВаВаВаВаВаВаВаВаВаВаВаВаВаВаВаВаВаВаВаВаВа
где
;
.
Этот импульс формируется фильтром Найквиста (ФН), после которого включен фильтр нижних частот (ФНЧ).


Для фильтра Найквиста имеем
, где
Васоответствует центру его амплитудно-частотной характеристики (рис. 1.4). В этом случае
. Каждому передаваемому знаку соответствует определенный байт (октет битов) двоичного кода. Так как биты в байте могут повторяться (т.е. 1 или 0 могут входить в байт несколько раз), то число знаков N, которое можно передать байтами в соответствий с теорией комбинаторики, равно числу размещений с повторениями из двух элементов (1 и 0) по n элементов в каждом размещении (т.е. в байте), т.е.
. В нашем случае
,
, отсюда
. В 1 байте 1 бит необходимо использовать для служебных целей, поэтому для передачи знаков используют 7 битов, что позволяет передавать
Вазнаков. Для передачи текста на английском языке достаточно иметь 96 байтов, а для передачи элементарных рисунков - 64 байта. На рис. 1.5 показана структура байта для буквы А; эта буква в двоичной системе счисления соответствует числу 00010010, где последний бит равен нулю и является служебным (для проверки кода на четность). При четном числе единиц в принимаемом байте он равен 1, при нечетном - 0). Байты всегда передаются с нечетным числом единиц: если принятый байт имеет четное число единиц, то он исключается, как ошибочный, а на его место вставляется правильный байт из предыдущего цикла приема данной страницы ДИ, т.е. содержащий нечетное число единиц. Длительность 1 байта
Вамкс. Если пакет ДИ имеет максимальное число байтов
, т.е. в пакете ДИ максимальное число битов
, из которых
Вабайта служат для передачи знаков, то
Вабайтов имеют служебное назначение. В системе Телетекст
Ваи
, из которых первые 3 байта служат для синхронизации по битам и байтам. Средняя скорость передачи битов
, где
Вамс - длительность одного поля развертки. Отсюда при
Ваимеем
Вабит/с.
На экране телевизора один пакет ДИ создает изображение в виде одного ряда из
Вазнаков. Этот ряд занимает число строк развертки
Вав одном поле растра, т.е. всего
Вастрок в растре в пространстве кадра. Если число активных строк
Ва(при общем числе строк в кадре
), то в активной части пространства кадра может поместиться
Варядов знаков, где
. В системе ВлТелетекстВ» используют
Варядов знаков, которые образуют на экране телевизора одну страницу ДИ. Если в одном кадре передаются
Вапакета ДИ (один в поле нечетных строк и один в поле четных), т.е. два ряда знаков, то для передачи одной страницы ДИ, состоящей из
Варядов, необходимо использовать
Вакадров. Таким образом, для передачи одной страницы требуется время
Вамс
Вас, где
Вамс, т.е. длительность кадра. Для уменьшения
Вав системе Телетекст в одном поле передаются два пакета ДИ, т.е.
Ваи
Вакадров и
Вамс
Вас (в 1 с передаются четыре страницы, в 1 мин передаются
Вастраниц). Для сокращения времени ожидания наиболее часто запрашиваемые страницы повторяют несколько раз в пределах цикла. Фон и знаки можно создать на экране черными, белыми или в цвете (красном, зеленом, синем, пурпурном, голубом, желтом). Для букв и цифр лучше применять желтый, зеленый и голубой. На передающей стороне имеется кодер с клавиатурой (цифры от 0 до 9), на которой для каждого знака выделена своя клавиша. При нажатии клавиши в устройстве памяти запоминается соответствующий байт. После набора знаков всей страницы запоминаются все соответствующие ей байты. Совокупность страниц образует журнал. При передаче страницы пакеты ДИ из запоминающего устройства (ЗУ) вписываются в отведенные для них строки стандартного видеосигнала телевизионной программы последовательно один за другим через соответствующие интервалы времени (в которых передаются сигналы обычной телевизионной программы). После передачи всех страниц журнала эта передача повторяется много раз в соответствии с расписанием (циклическая передача). Длительность одной передачи всех страниц журнала (длительность цикла)
, где
Ва- число страниц в журнале. Если
, тo
Вамс
Вас
Вамин. В этом случае максимальное время ожидания телезрителем выбранной страницы составляет
, так как передача данной страницы повторяется через это время. Если допустить длительность цикла (время ожидания)
Вамин, то число страниц в журнале может быть
. В то время, когда нет вещания, все строки кадра могут быть заняты под пакеты ДИ системы Телетекст. Это позволяет передавать следующее число страниц в секунду:
.
Обычно пакеты ДИ образуются методом амплитудной модуляции поднесущей бинарным кодом без возврата к нулю (метод БВН), причем в состав пакета входит только транспонированная в область нижних частот нижняя боковая полоса модулированного колебания с шириной
ВаМГц. В телевизоре для демодуляции пакета применяют синхронный детектор. Для всех страниц журнала передают одно и то же звуковое сопровождение на поднесущей частоте (равной частоте нечетной гармоники половин частоты строк)
ВаГц. При таком выборе
Вапомехи от сигнала звукового сопровождения мало заметны на изображении.
Основные параметры системы Телетекст
Длительность байта | 1,28 |
Максимальное число байтов в пакете | 45 |
Максимальное число битов в пакете | 360 |
Число байтов в пакете для передачи знаков | 32 |
| Число служебных байтов в пакете | 8 |
Средняя скорость передачи битов | 18000 |
Число строк в ряде в одном поле на экране | 10 |
Число строк в ряде в одном кадре на экране | 20 |
Число активных строк в кадре | 575 |
Максимальное число рядов знаков на экране | 28,7 |
Число рядов знаков на экране в одной странице | 24 |
Число байтов в одной странице | 960 |
Число битов в одной странице | 7680 |
Число пакетов ДИ (число рядов) в одном кадре | 4 |
Число кадров в одной странице | 6 |
Длительность одного кадра | 40 |
Длительность передачи одной страницы | 0,25 |
Число страниц, передаваемых в 1 мин, | 240 |
Примечания: ![]()
; ![]()
.
Рассмотрим служебные байты. Пакет ДИ (пакет данных) содержит следующие друг за другом импульсы: синхронизации битов и байтов, префикса (адрес, указатель размера пакета, обозначение типа пакета), блока данных (управляющие сигналы и ДИ) суффикса (обнаружение ошибок и их коррекция). В каждом ряду имеется восемь служебных байтов. Пять из них образуют префикс для выбора журнала и страницы из него, а также позволяют делать следующие действия: а) вводить в изображение на экране телевизора субтитры, сопровождающие телевизионную программу (перевод на другой язык, надписи для глухих, важные новости и т.д.); б) создавать рисунки, изменять высоту и ширину знаков, инвертировать фон, вводить цвета и спецэффекты, иметь два алфавита, вносить изменения в текст; в) вводить в пакеты обозначения: откуда идет пакет, его номер, число байтов в пакете.
В системе Телетекста 2 байта служат для синхронизации генератора тактовой частоты телевизора и 1 байт - для синхронизации переходов от 0 к 1 и наоборот, 1-3 байта для передачи номера страницы, 2 байта для нумерации рядов, 1 байт для стирания старой и введения новой информации.
В начале каждого пакета ДИ передают сигналы тактовой частоты
Ва(первый два байта) с размахом в одну логическую единицу для синхронизации генератора тактовой частоты в терминале телевизоров. Третий байт содержит код для синхронизации байтов и имеет вид 11100111. Пять следующих байтов образуют префикс, в котором три первые содержат адрес пакета. Четвертый байт служит для обнаружения потери пакета, пятый содержит сведения о структуре пакета. Все байты префикса имеют код Хэмминга, в них биты
,
,
,
Васодержат информацию об адресе (код Хэмминга обеспечивает обнаружение четных кратных ошибок и коррекцию одиночных). После префикса в пакете помещается блок данных, содержащий полезную информацию. Заполнение этого блока определяется структурой изображения страницы Телетекста. Поэтому в конце пакета помещают суффикс, содержащий один или более битов, служащих для обнаружения и коррекции ошибок в блоке данных. На рис. 1.6 показана схема устройства ввода ДИ в сигнал телевизионной программы. Полезная информация передается семиразрядным двоичным кодом, содержащим биты
,
,
,
,
,
,
. Для определения значений этих битов (0 или 1) в байте для данного знака составляют кодовую таблицу, имеющую 128 клеток (
), образованных из 16 рядов (их номера 0, 1, 2, .., 15) и 8 столбцов (их номера 0, 1, 2, .., 7). В этих клетках помещают знаки (буквы, цифры, грамматические и печатные знаки - точка, запятая, скобка и т.д.). Такая таблица показана на рис. 1.7. Каждому ряду знаков в таблице соответствует определенное значение битов
,
,
,
, каждому столбцу - определенные значения битов
,
,
. Таким образом, каждой клетке (т.е. каждому знаку) соответствуют определенные значения битов
,
,
, ..,
, т.е. код. Два первых и последний ряды кодовой таблицы даны на рис. 1.7. Биты набираются в следующем порядке:
,
,
,
,
,
,
. Такую же таблицу составляют для элементов рисунков.
телетекст сигнал видеография интерактивный

Рис. 1.6. Структурная схема устройства ввода ДИ в стандартный ТВ сигнал.

Рис. 1.7. Часть кодовой таблицы (ряды 0, 1 тАУ 15; столбцы 0, 1 тАУ 7).

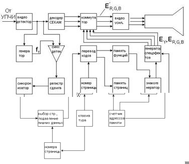
Рис. 1.8. Часть Структурная схема приемника телетекста.
Прием сигналов ДИ в системе Телетекст. В приставку к телевизору для приема сигналов Телетекста входит клавиатура, содержащая клавиши с цифрами. Каждая страница имеет кодовый номер, записанный в справочнике Телетекста. Телезритель набирает на клавиатуре номер необходимой страницы, после чего телевизор автоматически переключается на прием ее изображения. На структурной схеме устройства приема рис. 1.8 терминал создает из пакетов ДИ, поступающих из телевизора, сигналы
,
,
,
Вадля подачи их в телевизор. Для этого в терминале есть устройство памяти (УП), запоминающее сигналы выбранной страницы сколько угодно долго. В терминале имеется синхронный детектор (для демодуляции сигналов байтов на поднесущей) и согласующее устройство (интерфейс). Этот демодулятор получает поднесущее колебание от местного кварцевого генератора тактовой частоты
ВаМГц, а сигналы пакетов ДИ на поднесущей поступают на него от видеодетектора телевизора. Кварцевый генератор управляется двумя байтами из пакета ДИ. На выходе демодулятора создаются видеосигналы байтов и, если номер данной страницы совпадает с номером заказанной, то байты проходят дальше. В УП сигналы пакетов ДИ помещены последовательно один за другим и выводятся из него на экран телевизора без перерывов во времени.
В терминале также имеются устройство памяти функций и генератор знаков, создающие на экране телевизора ряды со знаками с помощью сигналов
,
,
,
. На рис. 1.9 дана структурная схема терминала, который выполняется на большой интегральной микросхеме (БИС). В типовом УП одну ячейку используют для запоминания 1 бита. Так как одна страница текста содержит
Вабайтов, т.е.
Вабитов, то необходимо иметь
Ваячеек памяти.
Активная часть строки развертки на экране телевизора делится на
Варавных интервалов (по максимальному числу информационных байтов в ряду), т.е. по одному интервалу на каждый знак в ряду. Каждый такой интервал делится на шесть равных участков-точек, образующих знак. Знакогенератор вырабатывает импульсы 0 или 1, которые в десяти строках растра одного поля модулируют электронный луч кинескопа, создавая на его экране белые или черные точки, как показано на рис. 1.10. Эти точки образуют изображение одного знака (в следующем поле этот рисунок повторяется).

Рис. 1.9 Структурная схема терминала.

Рис. 1.10. К вопросу о построении изображения знакогенератором на экране телевизора. Рабочее поле 7х5 клеток для буквы Е.
2. Система видеотекс
Варианты подобных замедленных несовмещенных интерактивных систем видеографии известны под названиями PRESTEL (ранее Viewdata, Англия), CAPTAIN (Character and Pattern Telephone Access Information Network System, Япония), VISTA (Канада), TELETEL (Франция). Такие системы стали называть Videotex (Видеотекс). Они основаны на телевизионной и вычислительной технике и технике телефонии. В этих системах сигнал передается из банка данных в телевизоры по телефонным линиям. Этот сигнал близок к сигналу системы Телетекст и поэтому в телевизоре большая часть декодера может быть общей для обеих этих систем. В банке данных сигнал формируется с помощью ЭВМ и хранится в устройствах памяти. Система Видеотекс имеет дуплексную связь между потребителем и передающей стороной. Пакет данных содержит сигнал только для одного знака (1 байт). В системе PRESTEL на один знак используют 10 бит, скорость передачи равна 1200 бит/с, вся страница передается за 8 с. Сигнал от телезрителя на передающий конец передается со скоростью 75 бит/с. Цифровые сигналы преобразуются в сигналы звуковых частот для передачи их по телефонным линиям, причем для передачи одного логического нуля применяют частоту 2100 Гц, для передачи одной логической единицы - 1300 Гц. В телевизоре сигналы этих частот преобразуются в цифровые сигналы. Абонент с помощью диска (или клавиатуры) набирает телефонный номер передающего центра системы PRESTEL, при этом на центр посылается номер абонента (для оплаты счета, так как эта система платная). После того как соединение выполнено, в телевизор посылаются данные для нулевой страницы, содержащей список главных вопросов, из которого абонент выбирает номер желаемого вопроса, после чего появляется новая страница и процесс продолжается до тех пор, пока абонент не получит нужную страницу. Другой вариант - абонент посылает на центр номер нужной страницы (этот номер девятизначный, что обеспечивает миллион страниц текста). Абонент может получать из банка данных программы для ЭВМ, страницы книг и газет, различную справочную и рекламную информацию, учебные материалы, телеигры и обмениваться письменными текстами с другими абонентами (электронная почта), выполнять расчеты с помощью ЭВМ Центра и осуществлять различные деловые операции. В недалеком будущем вместо телефонных линий передавать справочную информацию и данные будут по сетям кабельного телевидения, что позволит увеличить скорость передачи информации. По этим же сетям будут передавать сигналы домашнего видеотелефона для вывода их на экран телевизора (дисплея). Цена приставки к телевизору для системы Видеотекс при массовом их производстве ожидается примерно 25-50 руб. (в ценах 1985 г.). Ее нужно снабдить устройствами записи страниц на магнитную ленту и бумагу, персональным компьютером для проведения диалога с ЭВМ Центра и ЭВМ других абонентов. Несомненно, что Видеотекс будет играть все возрастающую роль в жизни общества. Однако полностью заменить книги, журналы, учебники, газеты (в печатных формах) он не сможет, но будет ценным дополнением, позволяющим получить информацию в короткое время.
Вместе с этим смотрят:
Анализ режимов автоматического управления
Архитектуры реализации корпоративных информационных систем
Базы данных и их сравнительные характеристики
Гастроэнтеростимулятор ГЭС-35-01 "Эндотон-01Б"
Импульсный блок питания на базе БП ПК