Охрана труда и техника безопасности, расчет вентиляции и защитного зануления
9. Охрана труда и техника безопасности
В процессе дипломного проектирования ведется опытно-конструкторская разработка устройства постановки помех. В рамках разработки проводится эксперимент. Задачей эксперимента является выяснение зависимости подавления полезного сигнала в приемном устройстве сигналом с изменяющейся частотой. Работы проводятся на лабораторном стенде радиотехнической лаборатории. При проведении эксперимента работа происходит при искусственном освещении, измерительная аппаратура использует высокое напряжение.
9.1 Влияние внешних факторов на организм человека и требования, предъявляемые к этим факторам в радиотехнической лаборатории
Действие электрического тока на организм человека.
Степень воздействия электротока на организм человека зависит от его величины о протяженности воздействия. В случае если устройства питаются от напряжения 380/220 В или 220/127 В в электроустановках с заземленной нейтралью применяется защитное зануление.
Назначение зануления.
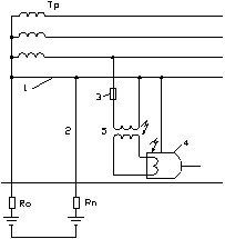
Зануление применяется в четырехпроводных сетях напряжением до 1 кВ с заземленной нейтралью. Зануление осуществляет защиту путем автоматического отключения поврежденного участка электроустановки от сети и снижение напряжения на корпусах зануленного электрооборудования до безопасного на время срабатывания защиты. Из всего выше сказанного делаем вывод, что основное назначение зануления - обеспечить срабатывание максиВнмальной токовой защиты при замыкании на корпус. Для этого ток короткого замыВнкания должен значительно превышать установку защиты или номинальный ток плавких вставок. Далее приведем принципиальную схему зануления на рис. 23:

Рис. 23. Схема зануления.
Ro - сопротивление заземления нейтрали
Rh - расчетное сопротивление человека;
1- магистраль зануления;
2- повторное заземление магистрали;
3- аппарат отключения;
4- электроустановка (паяльник);
5- трансформатор.
Сила тока зависит от величины приложенного напряжения и сопротивления участка тела. Сопротивление участка тела складывается из сопротивления тканей внутренних органов и сопротивления кожи. При расчете принимается R=1000 Ом. Воздействие тока различной величины приведено в таблице 9.1.
Таблица 9.1
Ток, мА |
Воздействие на человека |
|
Переменный ток |
Постоянный ток |
|
0,5 |
Отсутствует |
Отсутствует |
0,6-1,5 |
Легкое дрожание пальцев |
Отсутствует |
2-3 |
Сильное дрожание пальцев |
Отсутствует |
5-10 |
Судороги в руках |
Нагрев |
12-15 |
Трудно оторвать руки от проводов |
усиление нагрева |
20-25 |
руки парализует немедленно |
усиление нагрева |
50-80 |
Паралич дыхания |
затруднение дыхания |
90-100 |
при t>3 сек тАУ паралич сердца |
паралич дыхания |
К электроустановкам переменного и постоянного тока при их эксплуатации предъявляют одинаковые требования по технике безопасности.
9.2 Расчетная часть
Расчет зануления
Спроектировать зануление электрооборудование с номинальным напряжением 220 В и номинальным током 10 А.
Для питания электрооборудования от цеховой силовой сборки используется провод марки АЛП, прокладываемый в стальной трубе. Выбираем сечение алюминиевого провода S=2.5 мм. Потребитель подключен к третьему участку питающей магистрали.
Первый участок магистрали выполнен четырехжильным кабелем марки АВРЕ с алюминиевыми жилами сечением (3*50+1*25) мм в полихлорвиниловой оболочке. Длина первого участка - 0,25 км. Участок защищен автоматом А 3110 с комбинированным расщепителем на ток Iном=100 А.
Второй участок проложен кабелем АВРЕ (3*25+1*10) мм длиной 0,075 км. Участок защищен автоматическим выключателем А 3134 на ток 80 А. Магистраль питается от трансформатора типа ТМ=1000 с первичным напряжением 6 кВ и вторичным 400/220 В.
Магистраль зануления на первых двух участках выполнена четвертой жилой питающего кабеля, на третьем участке - стальной трубой.

Рис. 24. Схема питания оборудования
TT - трансформатор
ТП - трансформаторная подстанция
РП - распределительный пункт
СП - силовой пункт.
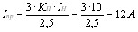
Для защиты используется предохранитель ПР-2. Ток предохранителя:
(9.1)
где Кп - пусковой коэффициент = 0,5..4,0
Значение коэффициента К принимается в зависимости от типа электрических установок:
1. Если защита осуществляется автоматическими выключателями, имеюВнщими только электромагнитные расцепители, т.е. срабатывающие без выдержки времени, то К выбирается в пределах 1,25÷ё1,4
2. Если защита осуществляется плавкими предохранителями, время перегоВнрания которых зависит от величины тока (уменьшается с ростом тока), то в целях ускорения отключения К принимают ≥i3.
3. Если установка защищена автоматами выключения с обратно зависимой от тока характеристикой, подобной характеристике предохранителей, то так же К≥i3.
Выбираем стандартный предохранитель на 15 А.
Так как в схеме приведен участок магистрали больше 200 м, то необходимо повторное зануление. Значение сопротивления зануления не должно превышать 10 Ом.
Расчетная проверка зануления
Определим расчетное значение сопротивления трансформатора:
Рассчитаем активное сопротивление фазного провода для каждого из участков:
(9.2)
где l - длина провода
S - сечение провода
ρ - удельное сопротивление материала (для алюминия ρ=0,028 0м*мм2/км).
Рассчитаем активное сопротивление фазных проводов для трех участков:
Ом (9.3)
Ом (9.4)
Ом (9.5)
RФ1=0,14 0м; RФ2=0,084 0м; RФ3= 0,336 0м:
Полное активное сопротивление фазного провода: RФ∑е =О, 56 0м;
Рассчитаем активное сопротивление фазного провода с учетом температурной поправки, считая нагрев проводов на всех участках равным Т=55 С.
Ом, (9.6)
где
град - температурный коэффициент сопротивления алюминия.
Активное сопротивление нулевого защитного проводника:
Ом (9.7)
Ом (9.8)
Для трубы из стали: ρ=1,8 Ом/км
Ом (9.9)
Таким образом, суммарное сопротивление магистрали зануления равно:
RM3 ∑Ге =RM3 1+RМЗ 2+RM3 3=0,544 Oм (9.10)
Определяем внешние индуктивные сопротивления. Для фазового провода:
Х'Ф= Х'ФМ - ХФL ; (9.11)
Для магистрали зануления:
Х'М3= Х'М3 М - ХМ3 L ; (9.12)
где
Х'М3 и Х'ФМ- индуктивные сопротивления, обусловленные взаимоинВндукцией фазового провода и магистрали зануления;
ХМ3 и ХФ1- внешние индуктивные сопротивления самоиндукции.
Индуктивные сопротивления, обусловленные взаимоиндукцией фазового провода и магистрали зануления определяются по формуле:
Х'ФМ = Х'М3 М =0145 lg(dФМ3) , (9.13)
где d - расстояние между фазным и нуВнлевым проводом. (для 1 и 2 d=15 мм, для 3 d=9.5 мм)
ХтАЩФМ1=ХтАЩМ3М=0,145 lg15=0,17 Ом. (9.14)
ХтАЩФМ2=ХтАЩМ3М=0,145 lg15=0,17 Ом. (9.15)
ХтАЩФМ3=ХтАЩМ3М=0,145 lg9,5=0,142 Ом. (9.16)
Суммарное сопротивление на всех участках:
ХтАЩФМ =ХтАЩМ3М =3*0,145=0,482 Ом (9.17)
Внешние индуктивные сопротивления определяются по формуле:
XФL = X'L* L , где X'L- удельное сопротивление самоиндукции, Ом/м.
X'L1 =0,09*0,25=0,023 Oм
X'L2=0,068*0,075=0,005 Oм
X'L3 =0,03*0,03=0,0009 Oм
Суммарное внешнее индуктивное сопротивление фазового провода:
ХФL=0,029 Oм
XM3L1 =0,068*0,25=0,017 Oм
XM3L2 =0,03*0,075=0,0025 Oм
XM3L3=0,138*0,03=0,004 Oм.
Суммарное внешнее индуктивное сопротивление магистрали зануления:
XM3L=0,024 Oм
Суммарное внешнее индуктивное сопротивление:
ХФ'=0,435-0,0314=0,453 Ом
ХМ3'=0,435-0,0244=0,458 Ом
Определяем внутреннее индуктивное сопротивление:
ХФ"1-2= XM3"1-2=0,057*0,075=0,001 Ом
ХФ"3=0,0157*0,03=0,0005 Oм
Полное сопротивление фазного провода и магистрали зануления:
ZФ=0,78 Ом
ZM3=0,79 Oм
Ток однофазного КЗ определим по формуле:
IКЗ
=220/(0,78+0,79)=132 А (9.18)
Сравним расчетные параметры с допустимыми: IКЗ=132>12 А
Кроме того, должно выполняться условие: ZM3 < 2 * ZФ
Условие выполВнняется.
9.3 РАiЕТ МЕСТНОЙ ВЫТЯЖНОЙ ВЕНТИЛЯЦИИ
Вентиляция тАУ организованный и регулируемый воздухообмен, обеспечивающий удаление из помещения воздуха, загрязненного вредными газами, парами, пылью, а также улучшающий метеорологические условия в цехах. По способу подачи в помещение свежего воздуха и удалению загрязненного, системы делят на естественную, механическую и смешанную.
Механическая вентиляция может разрабатываться как общеобменная, так и местная с общеобменной. Во всех производственных помещениях, где требуется надежный обмен воздуха, применяется приточно-вытяжная вентиляция. Высота приемного устройства должна зависеть от расположения загрязненного воздуха. В большинстве случаев приемные устройства располагаются в нижних зонах помещения. Местная вентиляция используется для удаления вредных веществ 1 и 2 классов из мест их образования для предотвращения их распространения в воздухе производственного помещения, а также для обеспечения нормальных условий на рабочих местах.
9.4 РАiЕТ ВЫДЕЛЕНИЙ ТЕПЛА
А) Тепловыделения от людей
Тепловыделения человека зависят от тяжести работы, температуры окружающего воздуха и скорости движения воздуха. В расчете используется явное тепло, т.е. тепло, воздействующее на изменение температуры воздуха в помещении. Для умственной работы количество явного тепла, выделяемое одним человеком, составляет 140 ВТ при 10ВноС и 16 ВТ при 35оС. Для нормальных условий (20оС) явные тепловыделения одного человека составляют около 55 ВТ. Считается, что женщина выделяет 85%, а ребенок тАУ 75% тепловыделений взрослого мужчины. В рассчитываемом помещении (5х10 м) находится 5 человек. Тогда суммарное тепловыделение от людей будет:
QВн1=5*55=275 ВТ (9.19)
Б) Тепловыделения от солнечной радиации.
Расчет тепла поступающего в помещение от солнечной радиации Qост и Qп (ВТ), производится по следующим формулам:
- для остекленных поверхностей
Qост=Fост*qост*Aост (9.20)
- для покрытий
Qп=Fп*qп (9.21)
где Fост и Fп - площади поверхности остекления и покрытия, м2
qост и qп тАУ тепловыделения от солнечной радиации, Вт/м2, через 1 мВн2 поверхности остекления (с учетом ориентации по сторонам света) и через 1 м2 покрытия;
Аост тАУ коэффициент учета характера остекления.
В помещении имеется 2 окна размером 2х1,2 м2. Тогда FВност=4,8 м2.
Географическую широту примем равной 55о, окна выходят на юго-восток, характер оконных рам тАУ с двойным остеклением и деревянными переплетами. Тогда,
qост=145 Вт/м2, Аост=1,15
Qост=4,8*145*1,15=800 Вт
Площадь покрытия Fп=20м2. Характер покрытия тАУ с чердаком. Тогда,
qп=6 Вт/м2
Qп=20*6=120 Вт
Суммарное тепловыделение от солнечной радиации:
Q2=Qост+Qп=800+120=920. Вт (9.22)
В) Тепловыделения от источников искусственного освещения.
Расчет тепловыделений от источников искусственного освещения проводится по формуле:
Q3=N*n*1000, Вт (9.23)
Где N тАУ суммарная мощность источников освещения, кВт;
n тАУ коэффициент тепловых потерь (0,9 для ламп накаливания и 0,55 для люминесцентных ламп).
У нас имеется 20 светильников с двумя лампами ЛД30 (30Вт) и 2 местных светильника с лампами Б215-225-200 или Г215-225-200. Тогда получаем:
Q3=(20*2*0.03*0.55+2*0.2*0.9)*1000=1020 Вт
Г) Тепловыделения от радиотехнических установок и устройств вычислительной техники.
Расчет выделений тепла проводится аналогично расчету тепловыделений от источников искусственного освещения:
Q4=N*n*1000, Вт (9.24)
Коэффициент тепловых потерь для радиотехнического устройства составляет n=0,7 и для устройств вычислительной техники n=0,5.
В помещении находятся: 3 персональных компьютера типа Pentium PRO по 600 Вт (вместе с мониторами) и 2 принтера EPSON по 130 Вт.
Q4=(3*0.6+2*0.13)*0.5*1000=1030 Вт
Суммарные тепловыделения составят:
Qс=Q1+Q2+Q3+Q4=3245 Вт (9.25)
Qизб тАУ избыточная теплота в помещении, определяемая как разность между Qс тАУ теплом, выделяемым в помещении и Qрасх тАУ теплом, удаляемым из помещения.
Qизб=Qс-Qрасх (9.26)
Qрасх=0,1*Qс=324,5 Вт
Qизб=2920,5 Вт
9.5 РАiЕТ НЕОБХОДИМОГО ВОЗДУХООБМЕНА
Объем приточного воздуха, необходимого для поглощения тепла, G (м3/ч), рассчитывают по формуле:
G=3600*Qизб/Cр*p*(tуд-tпр) (9.27)
Где Qизб тАУ теплоизбытки (Вт);
СВнр тАУ массовая удельная теплоемкость воздуха (1000 Дж/кгС);
р тАУ плотность приточного воздуха (1,2 кг/м3)
tуд, tпр тАУ температура удаляемого и приточного воздуха.
Температура приточного воздуха определяется по СНиП-П-33-75 для холодного и теплого времени года. Поскольку удаление тепла сложнее провести в теплый период, то расчет проведем именно для него, приняв tпр=18оС. Температура удаляемого воздуха определяется по формуле:
tуд=tрз+a*(h-2) (9.28)
Где tрз тАУ температура в рабочей зоне (20оС);
а тАУ нарастание температуры на каждый метр высоты (зависит от тепловыделения, примем а=1оС/м)
h тАУ высота помещения (3,5м)
tуд=20+1*(3,5-2)=21,5оС
G=2160, м3/ч
9.6 ОПРЕДЕЛЕНИЕ ПОПЕРЕЧНЫХ РАЗМЕРОВ ВОЗДУХОВОДА
Исходными данными для определения поперечных размеров воздуховода являются расходы воздуха (G) и допустимые скорости его движения на участке сети (V).
Необходимая площадь воздуховода f (м2), определяется по формуле:
V=3 м/с
f=G/3600*V=0,2 м2 (9.29)
Для дальнейших расчетов (при определении сопротивления сети, подборе вентилятора и электродвигателя) площадь воздуховода принимается равной ближайшей большей стандартной величине, т.е. f=0,246 м2. В промышленных зданиях рекомендуется использовать круглые металлические воздуховоды. Тогда расчет сечения воздуховода заключается в определении диаметра трубы.
По справочнику находим, что для площади f=0,246 м2 условный диаметр воздуховода d=560 мм.
9.7 ОПРЕДЕЛЕНИЕ СОПРОТИВЛЕНИЯ СЕТИ
Определим потери давления в вентиляционной сети. При расчете сети необходимо учесть потери давления в вентиляционном оборудовании. Естественным давлением в системах механической вентиляции пренебрегают. Для обеспечения запаса вентилятор должен создавать в воздуховоде давление, превышающее не менее чем на 10% расчетное давление.
Для расчета сопротивления участка сети используется формула:
P=R*L+Ei*V2*Y/2 (9.30)
Где R тАУ удельные потери давления на трение на участках сети
L тАУ длина участка воздуховода (8 м)
Еi тАУ сумма коэффициентов местных потерь на участке воздуховода
V тАУ скорость воздуха на участке воздуховода, (2,8 м/с)
Y тАУ плотность воздуха (принимаем 1,2 кг/м3).
Значения R, определяются по справочнику (R тАУ по значению диаметра воздуховода на участке d=560 мм и V=3 м/с). Еi тАУ в зависимости от типа местного сопротивления.
Результаты расчета воздуховода и сопротивления сети приведены в таблице 9.2, для сети, приведенной на рисунке 25 ниже.
Рис. 25.
Таблица 9.2. Расчет воздуховодов сети.
№ уч. |
G м3/ч |
L м |
V м/с |
d мм |
М Па |
R Па/м |
R*L Па |
Еi |
W Па |
Р Па |
1 |
2160 |
5 |
2,8 |
560 |
4,7 |
0,018 |
0,09 |
2,1 |
9,87 |
9,961 |
2 |
2160 |
3 |
2,8 |
560 |
4,7 |
0,018 |
0,054 |
2,4 |
11,28 |
11,334 |
3 |
4320 |
3 |
4,5 |
630 |
12,2 |
0,033 |
0,099 |
0,9 |
10,98 |
11,079 |
4 |
2160 |
3 |
2,8 |
560 |
4,7 |
0,018 |
0,054 |
2,4 |
11,28 |
11,334 |
5 |
6480 |
2 |
6,7 |
630 |
26,9 |
0,077 |
0,154 |
0,9 |
24,21 |
24,264 |
6 |
2160 |
3 |
2,8 |
560 |
4,7 |
0,018 |
0,054 |
2,4 |
11,28 |
11,334 |
7 |
8640 |
3 |
8,9 |
630 |
47,5 |
0,077 |
0,531 |
0,6 |
28,50 |
29,031 |
Где М=V2 *Y/2, W=M*Ei (9.31)
Pmax=P1+P3+P5+P7=74,334 Па. (9.32)
Таким образом, потери давления в вентиляционной сети составляют Р=74,334 Па.
9.8 ПОДБОР ВЕНТИЛЯТОРА И ЭЛЕКТРОДВИГАТЕЛЯ
Требуемое давление, создаваемое вентилятором с учетом запаса на непредвиденное сопротивление в сети в размере 10% составит:
Pтр=1,1*P=81,7674 Па (9.33)
В вентиляционной установке для данного помещения необходимо применить вентилятор низкого давления, т.к. Ртр меньше 1 кПа.
Выбираем осевой вентилятор (для сопротивлений сети до 200 Па) по аэродинамическим характеристикам т.е. зависимостям между полным давлением Ртр (Па), создаваемым вентилятором и производительностью Vтр (м/ч).
С учетом возможных дополнительных потерь или подсоса воздуха в воздуховоде необходимая производительность вентилятора увеличивается на 10%:
Vтр=1,1*G=9504 м/ч (9.34)
По справочнику выбираем осевой вентилятор типа 06-300 N4 с КПД nв=0,65 первого исполнения. КПД ременной передачи вентилятора nрп=1,0.
Мощность электродвигателя рассчитывается по формуле:
(9.35)
N=332 Вт
По мощности выбираем электродвигатель АОЛ-22-2 с мощностью N=0,6 кВт и частотой вращения 2830 об/мин.
Вместе с этим смотрят:
Охрана труда на швейном предприятииОценка инженерной защиты рабочих и служащих ОЭ
Первая медицинская помощь при остановке сердца
Первая помощь