ПЛИС Xilinx семейства Virtex
ПЛИС семейства VirtexтДв
1. Особенности
тАв Высокопроизводительные, большой емкости, программируемые пользователем логические интегральные схемы с архитектурой FPGA (Field Programmable Gate Arrays):
тАФ емкость от 50К до 1М системных вентилей;
тАФ системная производительность до 200 МГц;
тАФ совместимы с шиной PCI 66 МГц;
тАФ поддерживают функцию Hot-swap для Compact PCI.
тАв Поддержка большинства стандартов ввода-вывода (технология SelectIOтДв):
тАФ 16 высокопроизводительных стандартов ввода тАФ вывода;
тАФ прямое подключение к ZBTRAM устройствам.
тАв Встроенные цепи управления тактированием:
тАФ четыре встроенных модуля автоподстройки задержек (DLL -delay-locked loop) для расширенного управления тактовыми сигналами как внутри кристалла, так и всего устройства;
тАФ четыре глобальные сети распределения тактовых сигналов с малыми разбегами фронтов, плюс 24 локальные тактовые сети.
тАв Иерархическая система элементов памяти:
тАФ на базе 4-входовых таблиц преобразования (4-LUT - - Look-Up Table), конфигурируемых либо как 16-битовое ОЗУ (Random Access Memory), либо как 16-разрядный сдвиговый регистр;
тАФ встроенная блочная память, каждый блок конфигурируется как синхронное двухпортовое ОЗУ емкостью 4 Кбит;
тАФ быстрые интерфейсы к внешнему высокопроизводительному ОЗУ.
тАв Гибкая архитектура с балансом быстродействия и плотности упаковки логики:
тАФ специальная логика ускоренного переноса для высокоскоростных арифметических операций;
тАФ специальная поддержка умножителей;
тАФ каскадируемые цепочки для функций с большим количеством входов;
тАФ многочисленные регистры/защелки с разрешением тактирования и синхронные/асинхронные цепи установки и сброса;
тАФ внутренние шины с тремя состояниями;
тАФ логика периферийного сканирования в соответствии со стандартом IEEE1149.1;
тАФ датчик температуры кристалла.
тАв Проектирование осуществляется пакетами программного обеспечения FoundationтДв и Alliance Series, работающими на ПК или рабочей станции.
тАв Конфигурация кристалла хранится во внешнем ПЗУ, и загружается в кристалл после включения питания автоматически или принудительно:
- неограниченное число циклов загрузки,
- четыре режима загрузки.
тАв Производятся по 0.22-мкм КМОП-технологии с 5-слойной металлизацией на основе статического ОЗУ.
тАв 100%-ное фабричное тестирование.
2. Описание
Семейство FPGA VirtexтДв позволяет реализовать высокопроизводиВнтельные, большой емкости, цифровые устройства на одном кристалле. РезВнкое увеличение эффективности реализаций достигнуто благодаря новой архитектуре, более эффективной для размещения и трассировки элеменВнтов, а также производству кристаллов на основе 0.22-мкм процесса с пяВнтью слоями металлизации. Все это позволяет использовать кристаллы Virtex как альтернативу масочно-программируемым вентильным матриВнцам. В состав семейства Virtex входят девять микросхем, отличающихся логической емкостью (Табл. 1).
Таблица 1. Основные характеристики семейства Virtex.
| Прибор | Системные вентили |
Матрица КЛБ |
Логические ячейки |
Число доступных входов-выходов |
Блочная память [бит] |
Память на базе LUT [бит] |
XCV50 |
57 906 |
16x24 |
1 728 |
180 |
32 768 |
24 576 |
XCV100 |
108 904 |
20x30 |
2 700 |
180 |
40 960 |
38 400 |
XCV150 |
164 676 |
24x36 |
3 888 |
260 |
49 152 |
55 296 |
XCV200 |
236 666 |
28x42 |
5 292 |
284 |
57 344 |
75 264 |
XCV300 |
322 970 |
32x48 |
6 912 |
316 |
65 536 |
98 304 |
XCV400 |
468 252 |
40x60 |
10 800 |
404 |
81 920 |
153 600 |
XCV600 |
661 111 |
48x72 |
15 552 |
512 |
98 304 |
221 184 |
XCV800 |
888 439 |
56x84 |
21 168 |
512 |
114 688 |
301 056 |
XCV1000 |
1 124 022 |
64x96 |
27 648 |
512 |
131 072 |
393 216 |
Созданное на основе опыта, приобретенного при разработках предыдуВнщих серий FPGA, семейство Virtex является революционным шагом вперед, определяющим новые стандарты в производстве программируемой логики. Сочетая большое разнообразие новых системных свойств, иерархию высокоВнскоростных и гибких трассировочных ресурсов с передовой кремниевой техВннологией изготовления, семейство Virtex предоставляет разработчику широВнкие возможности реализации быстродействующих, большой логической емВнкости цифровых устройств, при значительном снижении времени разработки.
3. Обзор архитектуры семейства Virtex
Основными особенностями архитектуры кристаллов семейства Virtex являются гибкость и регулярность. Кристаллы состоят из матрицы КЛБ (Конфигурируемый Логический Блок), которая окружена программируеВнмыми блоками ввода-вывода (БВВ). Все соединения между основными элементами (КЛБ, БВВ) осуществляются с помощью набора иерархичесВнких высокоскоростных программируемых трассировочных ресурсов. Изобилие таких ресурсов позволяет реализовывать на кристалле семейстВнва Virtex даже самые громоздкие и сложные проекты.
Кристаллы семейства Virtex производятся на основе статического ОЗУ (Static Random Access Memory тАФ SRAM), поэтому функционирование криВнсталлов определяется загружаемыми во внутренние ячейки памяти конфиВнгурационными данными. Конфигурационные данные могут загружаться в кристалл несколькими способами. В ведущем последовательном режиме (Master Serial) загрузка осуществляется из внешнего ОЗУ и полностью упВнравляется самой FPGA Virtex. В других режимах управление загрузкой осуВнществляется внешними устройствами (режимы Select-MAPтДв, подчиненВнный-последовательный (Slave Serial и JTAG).
Конфигурационные данные создаются пользователем при помощи программного обеспечения проектирования Xilinx Foundation и Alliance Series. Программное обеспечение включает в себя схемный и текстовый ввод, моделирование, автоматическое и ручное размещение и трассировку, создание, загрузку и верификацию загрузочных данных.
3.1. Быстродействие
Кристаллы Virtex обеспечивают более высокую производительность, чем предыдущие поколения FPGA. Проекты могут работать на системных частотах до 200 МГц, включая блоки ввода-вывода. Блоки ввода-вывода Virtex полностью соответствуют спецификациям PCI-шины, поэтому криВнсталл позволяет реализовывать интерфейсные схемы, работающие на часВнтоте 33 МГц или 66 МГц. В дополнение к этому кристаллы Virtex удовлеВнтворяют требованию Влhot-swapВ» для Compact PCI.
К настоящему времени кристаллы полностью протестированы на ВлэтаВнлонныхВ» схемах. На основе тестов выявлено, что хотя производительность сильно зависит от конкретного проекта, большинство проектов работают на частотах превышающих 100 МГц и могут достигать системных частот до 200 МГц. В Табл. 2 представлены производительности некоторых стандартных функций, реализованных на кристаллах с градацией быстродействия '6'.
В отличие от предыдущих семейств ПЛИС фирмы ВлXilinxВ», в сериях VirtexтДв и SpartanтДв градация по быстродействию обозначается классом, а не задержкой на логическую ячейку. Соответственно, в семействах VirtexтДв и SpartanтДв чем больше класс, тем выше быстродействие.
4. Описание архитектуры
4.1. Матрица Virtex
Программируемая пользователем вентильная матрицу серии Virtex покаВнзана на Рис. I. Соединение между КЛБ осуществляется с помощью главных трассировочных матриц тАФ ГТМ. ГТМ тАФ это матрица программируемых транзисторных двунаправленных переключателей, расположенных на переВнсечении горизонтальных и вертикальных линий связи. Каждый КЛБ окруВнжен локальными линиями связи (VersaBlockтДв), которые позволяют осущеВнствить соединения с матрицей ГТМ.
Таблица 2. Производительность стандартных функций Virtex-6
| Функция | Разрядность [бит] |
Производительность |
Внутрисистемная производительность |
||
| Сумматор | 16 |
5.0 нс |
64 |
7.2 нс |
|
| Конвейерный умножитель | 8х8 |
5.1 нс |
16х16 |
6.0 нс |
|
Декодер адреса |
16 |
4.4 нс |
64 |
6.4 нс |
|
Мультиплексор |
16:1 |
5.4 нс |
Схема контроля по четности |
9 |
4.1 нс |
18 |
5.0 нс |
|
36 |
6.9 нс |
|
| Системная производительность | ||
Стандарт HSTL Class IV |
200МГц |
|
Стандарт LVTTL |
180МГц |
| DLL | Блоки ввода-вывода (БВВ) |
DLL | ||
Блоки ввода-вывода (БВВ) |
Versa Ring | Блоки ввода-вывода (БВВ) | ||
Versa Ring |
Блочная память |
Матрица КЛБ |
Блочная память |
Versa Ring |
Versa Ring |
||||
DLL |
Блоки ввода-вывода (БВВ) |
DLL |
Рис. 1. Структура архитектуры Virtex.
Интерфейс ввода-вывода VersaRing создает дополнительные трассироВнвочные ресурсы по периферии кристалла. Эти трассы улучшают общую ВлтрассируемостьВ» устройства и возможности трассировки после закреплеВнния электрических цепей к конкретным контактам.
Архитектура Virtex также включает следующие элементы, которые соВнединяются с матрицей ГТМ:
тАв Специальные блоки памяти (BRAMs) размером 4096 бит каждый.
тАв Четыре модуля автоподстройки задержек (DLL), предназначенных для компенсации задержек тактовых сигналов, а также деления, умножения и сдвига фазы тактовых частот.
тАв Буферы с тремя состояниями (BUFT), которые расположены вблизи каждого КЛБ и управляют горизонтальными сегментированными трассами.
Коды, записанные в ячейки статической памяти, управляют настройкой логических элементов и коммутаторами трасс, осуществляющих соединения в схеме. Эти коды загружаются в ячейки после включения пиВнтания и могут перезагружаться в процессе работы, если необходимо измеВннить реализуемые микросхемой функции.
4.2. Блок ввода-вывода
Основным отличительным свойством EBB семейства Virtex является поддержка широкого спектра стандартов сигналов ввода-вывода. На Рис. 2 представлена структурная схема БВВ. В Табл. 3 перечислены поддерживаВнемые стандарты.
Таблица 3. Поддерживаемые стандарты ввода-вывода.
Стандарт ввод/вывод |
Напряжение порогового уровня входных каскадов, |
Напряжение питания выходных каскадов, |
Напряжение согласования с платой, |
5-В совместимость |
LVTTL |
нет |
3.3 |
нет |
да |
LVCMOS2 |
нет |
2.5 |
нет |
да |
PCI, 5 A |
нет |
3.3 |
нет |
да |
PCI, 3.3 A |
нет |
3.3 |
нет |
нет |
GTL |
0.8 |
нет |
1.2 |
нет |
GTL+ |
1.0 |
нет |
1.5 |
нет |
HSTL Class I |
0.75 |
1.5 |
0.75 |
нет |
HSTL Class III |
0.9 |
1.5 |
1.5 |
нет |
HSTL Class IV |
0.9 |
1.5 |
1.5 |
нет |
SSTL3 Class I & II |
1.5 |
3.3 |
1.5 |
нет |
SSTL2 Class I & II |
1.25 |
2.5 |
1.25 |
нет |
CTT |
1.5 |
3.3 |
1.5 |
нет |
AGP |
1.32 |
3.3 |
нет |
нет |

БВВ содержит три запоминающих элемента, функционирующих либо как D-тригтеры, либо как триггеры-защелки. Каждый БВВ имеет входной сигнал синхронизации (CLK), распределенный на три триггера и незавиВнсимые для каждого триггера сигналы разрешения тактирования (Clock Enable тАФ СЕ).
Кроме того, на все триггеры заведен сигнал сброса/установки (Set/Reset-SR). Для каждого триггера этот сигнал может быть сконфигурирован незаВнвисимо, как синхронная установка (Set), синхронный сброс (Reset), асинВнхронная предустановка (Preset) или асинхронный сброс (Clear).
Входные и выходные буферы, а также все управляющие сигналы в БВВ допускают независимый выбор полярности. Данное свойство не отображено на блок-схеме БВВ, но контролируется программой проектирования.
Все контакты защищены от повреждения электростатическим разрядом и от всплесков перенапряжения. Реализованы две формы защиты от перенапряжения, олдна допускает 5-В совместимость, а другая нет. Для случая 5-В совместимости, структура, подобная диоду Зенера, закорачивает на землю контакт, когда напряжение на нем возрастает приблизительно до 6.5В. В случае, когда требуется 3.3-В PCI-совместимость, обычные диоды ограничения могут подсоединяться к источнику питания выходных каскадов, ![]()
. Тип защиты от перенапряжения может выбираться независимо для каждого контакта. По выбору, к каждому контакту может подключаться:
- Резистор, соединенный с общей шиной питания (pull-down).
- Резистор, соединенный с шиной питания (pull-up).
- Маломощная схема удержания последнего состояния (week-keeper).
До начала процесса конфигурирования микросхемы все выводы, не задействованные в этом процессе, принудительно переводятся в состояние высокого импеданса. Резисторы Влpull-downВ» и элементы Влweek-keeperВ» неактивны, а резисторы Влpull-upВ» можно активировать.
Активация резисторов Влpull-upВ» перед конфигурацией управляется внутренними глобальными линиями через управляющие режимные конВнтакты. Если резисторы Влpull-upВ» не активны, то выводы находятся в состоВнянии неопределенного потенциала. Если в проекте необходимо иметь опВнределенные логические уровни до начала процесса конфигурирования нужно использовать внешние резисторы.
Все БВВ микросхемы Virtex совместимы со стандартом IEEE 1149.1 периферийного сканирования.
4.2.1. Ввод сигнала
Входной сигнал БВВ может быть протрассирован либо непосредственВнно к блокам внутренней логики, либо через входной триггер.
Кроме того, между выходом буфера и D-входом триггера может быть подключен элемент задержки, исключающий время удержания для случая контакт-контакт. Данная задержка согласована с внутренней задержкой распределения сигнала тактирования FPGA, что гарантирует нулевое вреВнмя удержания для распределения сигналов контакт-контакт.
Каждый входной буфер может быть сконфигурирован таким обраВнзом, чтобы удовлетворять одному из низковольтных сигнальных станВндартов, поддерживаемых устройством. В некоторых из этих стандартов входной буфер использует напряжение порогового уровня (
), форВнмируемое пользователем. Использование напряжений
позволяет ввести в устройство принудительные опорные величины для различных, близких по используемым логическим уровням стандартов (см. также ВлБанки ввода-выводаВ»).
К каждому входу после окончания процесса конфигурирования могут быть, по выбору, подключены внутренние резисторы (либо pull-up, либо pull-down). Сопротивление этих резисторов лежит в пределах 50.. 150 кОм.
4.2.2. Вывод сигнала
Выходной сигнал проходит через буфер с тремя состояниями, выход коВнторого соединен непосредственно с выводом микросхемы. Сигнал может быть протрассирован на вход буфера с тремя состояниями, либо непосредственно от внутренней логической структуры, либо через выходной тригВнгер блока ввода-вывода.
Управление буфером с тремя состояниями также может осуществлятьВнся либо непосредственно от внутренней логической структуры, либо через специальный триггер БВВ, который позволяет создать синхронное управВнление сигналом разрешения и запрещения для буфера с тремя состоянияВнми. Каждый такой выходной каскад рассчитан на втекающий ток до 48 мА и вытекающий ток до 24 мА. Программирование мощности и скорости наВнрастания сигнала выходного каскада позволяет минимизировать переходВнные процессы в шинах.
Для большинства сигнальных стандартов выходной уровень логичесВнкой единицы зависит от приложенного извне напряжения
. ИспользоВнвание напряжения
позволяет ввести в устройство принудительные опорные величины для различных, близких по используемым логическим уровням стандартов (см. также ВлБанки ввода-выводаВ»).
По выбору, к каждому выходу может быть подключена схема Влweek-keeperВ». Если данная цепь активирована (пользователем на этапе создания схемы), то она следит за напряжением на контакте микросхемы и создает слабую нагрузку для входного сигнала, подключенную либо к ВлземлеВ» (есВнли на входе уровень логического нуля), либо к источнику питания (если на входе уровень логической единицы). Если контакт подключен к нескольВнким источникам сигнала, эта цепь удерживает уровень входного сигнала в его последнем состоянии, при условии, что все источники были переведеВнны в состояние с высоким импедансом. Поддержание таким путем одного из допустимых логических уровней позволяет ликвидировать неопредеВнленность уровня шины.
Так как схема Влweek-keeperВ» использует входной буфер для слежения за входным уровнем, то необходимо использовать подходящее значение напряжения
, если выбранный сигнальный стандарт требует этого. Подключение данного напряжения должно удовлетворять требованиям правил разбиения на банки.
4.2.3. Банки ввода-вывода
Некоторые из описанных выше стандартов требуют подключения напряВнжения
и/или
. Эти внешние напряжения подключаются к контакВнтам микросхемы, которые функционируют группами, называемыми банками.
Как показано на Рис. 3, каждая сторона кристалла микросхемы разделена на два банка. Каждый банк имеет несколько контактов
, но все они должны быть подключены к одному и тому же напряжению. Это напряжение определяется выбранным для данного банка\стандартом выходных сигналов.

Рис. 3. Банки ввода-вывода Virtex
Стандарты для выходных сигналов конкретного банка могут быть разВнличными только в том случае, если они используют одинаковое значение напряжения
. Совместимые стандарты показаны в Табл. 4. GTL и GTL+ присутствуют везде, поскольку их выходы с открытым стоком не зависят от значения
.
Таблица 4. Выходные совместимые стандарты.
|
Совместимые стандарты | |
3.3 В |
PCI, LVTTL, SSTL3 I, SSTL3 II, CTT, AGP, GTL, GTL+ |
|
2.5 В |
SSTL2 I, SSTL2 II, LVCMOS2, GTL, GTL+ | |
1.5 В |
HSTL I, HSTL III, HSTL IV, GTL, GTL+ |
Некоторые сигнальные стандарты требуют подачи соответствующих пороговых напряжений
на входные каскады. При этом определенные БВВ автоматически конфигурируются как входы, соответствующие напряВнжению
. Приблизительно один контакт из шести в каждом банке моВнжет выполнять эту роль.
Контакты
в пределах одного банка внутренне между собой соедиВннены, следовательно, только одно значение напряжения
может быть использовано в рамках одного банка. Для правильной работы все контакВнты
одного банка должны быть подсоединены к внешнему источнику напряжения.
В пределах одного банка можно одновременно использовать входы, коВнторые требуют напряжения
и входы, которые этого не требуют. В то же время, только одно значение напряжения
может быть использоваВнно в рамках одного банка. Входные буферы, которые используют
, не совместимы с сигналами 5-В стандартов.
Контакты
и
для каждого банка приведены в таблицах и диВнаграммах под конкретный корпус и кристалл. На диаграммах также покаВнзано, к какому банку относится конкретный контакт ввода-вывода.
В рамках конкретного типа корпуса микросхемы число контактов
и
может меняться в зависимости от емкости кристалла. Чем больше кристалл по логической емкости, тем большее число контактов ввода-выВнвода преобразовано в контакты типа
. Поскольку существует максиВнмальный набор контактов
для меньших кристаллов, имеется возможВнность проектирования печатной платы, позволяющей также использовать на ней и большие кристаллы с таким же типом корпуса. Все контакты
, предполагаемые к использованию для больших кристаллов, при этом должны быть подсоединены к напряжению
и не должны испольВнзоваться как контакты ввода-вывода.
В меньших кристаллах некоторые из контактов
, используемые в больших кристаллах, не соединены внутри корпуса. Эти не присоединенВнные контакты могут быть оставлены не присоединенными вне микросхеВнмы или быть подключены к напряжению
при необходимости обесВнпечения совместимости разрабатываемой печатной платы с большими кристаллами.
В корпусах типа TQ-144 и PQ-240/HQ-240 все контакты
соединеВнны вместе внутри микросхемы и, следовательно, ко всем из них должно быть подключено одно и то же напряжение
. В корпусе CS-144 пары банков, расположенные на одной стороне, внутренне соединены, обеспеВнчивая, таким образом, возможность выбора только четырех возможных значений напряжения для
. Контакты
остаются внутренне соВнединенными в рамках каждого из восьми банков и могут использоваться, как было описано выше.
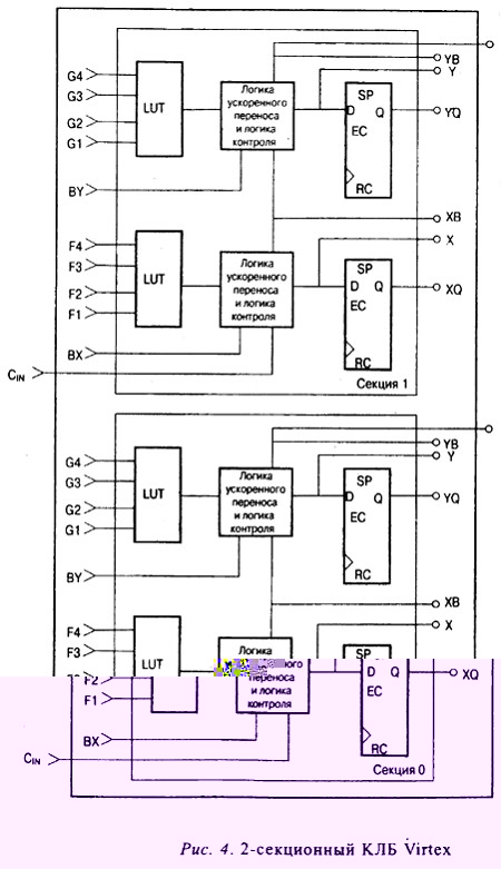
4.3. Конфигурируемый логический блок - КЛБ
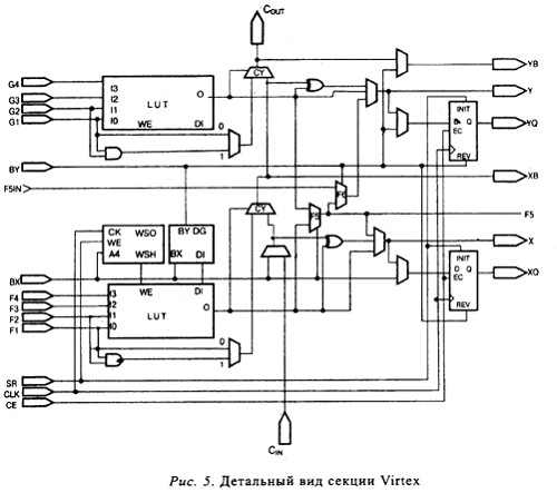
Базовым элементом КЛБ является логическая ячейка - ЛЯ (Logic Cell тАФ LC). ЛЯ состоит из 4-входового функционального генератора, лоВнгики ускоренного переноса и запоминающего элемента. Выход каждого функционального генератора каждой логической ячейки подсоединен к выходу КЛБ и к D-входу триггера. Каждый КЛБ серии Virtex содержит чеВнтыре логические ячейки, организованные в виде двух одинаковых секций (Рис. 4). На Рис. 5 представлено детальное изображение одной секции.

В дополнение к четырем базовым логическим ячейкам, КЛБ серии Virtex содержит логику, которая позволяет комбинировать ресурсы функциональВнных генераторов для реализации функций от пяти или шести переменных. Таким образом, при оценке числа эквивалентных системных вентилей для микросхем семейства Virtex, каждый КЛБ приравнивается к 4.5 ЛЯ.

4.3.1. Таблица преобразования
Функциональные генераторы реализованы в виде 4-входовых таблиц преобразования (Look-Up Table тАФ LUT). Кроме использования в качестве функциональных генераторов, каждый LUT-элемент может быть также исВнпользован как синхронное ОЗУ размерностью 16х1 бит. Более того, из двух LUT-элементов в рамках одной секции можно реализовать синхронВнное ОЗУ размерностью 16х2 бита или 32х1 бит, либо двухпортовое синВнхронное ОЗУ размерностью 16х1 бит.
На LUT-элементе микросхемы Virtex может быть реализован 16-разВнрядный сдвиговый регистр, который идеально подходит для захвата высоВнкоскоростных или пакетных потоков данных. Этот режим может также исВнпользоваться для запоминания данных в приложениях цифровой обработВнки сигналов.
4.3.2. Запоминающие элементы
Запоминающие элементы в каждой секции КЛБ Virtex могут конфигуВнрироваться как динамические триггеры (чувствительные к фронту сигнаВнла) D-типа, либо как триггеры-защелки, чувствительные к уровню сигнаВнла. D-вход триггера может управляться либо от функционального генератора в рамках той же секции КЛБ, либо непосредственно от входов данной секции КЛБ, минуя функциональные генераторы.
Кроме сигналов синхронизации (Clock) и разрешения синхронизаВнции (Clock Enable тАФ СЕ) в каждой секции КЛБ есть сигналы синхронВнной установки (Set) и сброса (Reset). Обозначение этих сигналов тАФ SR и BY соответственно. Сигнал SR переводит запоминающий элемент в состояние, определенное для него в конфигурационных данных, а сигВннал BY тАФ в противоположное состояние. Эти же сигналы могут быть использованы также в качестве асинхронной предустановки (Preset) и очистки (Clear). Все сигналы управления могут быть независимо про-инвертированы. Они подаются на оба триггера в рамках конкретной секции КЛБ.
4.3.3. Дополнительная логика
Дополнительная логика, входящая в каждый КЛБ, представлена двумя мультиплексорами: F5 и F6.
На вход мультиплексора F5 подаются сигналы с выходов функциональных генераторов данной секции КЛБ. Этот узел может работать как функциональВнный генератор, реализующий любую 5-входовую функцию, либо как мультиВнплексор 4:1, либо как некоторая функция от девяти входных переменных.
Аналогично, мультиплексор F6 объединяет выходы всех четырех функВнциональных генераторов КЛБ, используя один из выходов мультиплексора F5. Это позволяет реализовать либо любую 6-входовую функцию, либо мультиплексор 8:1, либо некоторую функцию до 19 переменных.
Каждый КЛБ имеет четыре сквозных линии тАФ по одной на каждую лоВнгическую ячейку. Эти линии используются как дополнительные входы данных, либо как дополнительные трассировочные ресурсы, не расходуюВнщие логические ресурсы.
4.3.4. Арифметическая логика
Каждая ЛЯ содержит специальную логику ускоренного переноса, котоВнрая обеспечивает наилучшую реализацию на ПЛИС различных арифметиВнческих функций. КЛБ содержит две отдельные цепи переноса тАФ по одной на каждую секцию. Размерность цепи переноса тАФ два бита на КЛБ.
Арифметическая логика включает в себя элемент, реализующий функВнцию исключающего ИЛИ, который позволяет реализовать однобитовый сумматор в одной логической ячейке.
В каждой логической ячейке имеется элемент, реализующий функВнцию И (AND), который предназначен для построения быстродействуюВнщих умножителей.
Специальные трассы логики ускоренного переноса могут также испольВнзоваться для каскадного включения функциональных генераторов при необВнходимости создания функций с большим количеством входных переменных.
4.3.5. Буферы с тремя состояниями
Каждый КЛБ Virtex содержит два буфера с тремя состояниями, котоВнрые нагружены на внутренние шины (см. также п. 4.4.4 ВлСпециальные трассировочные ресурсыВ»). Каждый буфер BUFT имеет независимый вход управления с третьим состоянием и независимый входной контакт.
4.3.6. Блочная память (Block RAM)
В FPGA Virtex встроена особая блочная память (Block Select RAM) большой емкости. Она создана в дополнение к распределенной памяти неВнбольшой емкости (Select RAM), реализованной на таблицах преобразоваВнния (Look Up Table RAM тАФ LUTRAM).
Блоки памяти Block Select RAM+ организованы в виде столбцов. Все устройства Virtex содержат два таких столбца, по одному вдоль каждой вертикальной стороны кристалла. Эти колонки увеличивают полный разВнмер кристалла. Каждый блок памяти равен по высоте четырем КЛБ, таким образом, микросхема Virtex, имеющая 64 КЛБ по высоте, содержит 1-6 блоВнков памяти на колонку и 32 блока памяти в целом. В Табл. 5 приводятся емВнкости блочной памяти для различных кристаллов Virtex.
Таблица 5. Емкость блочной памяти.
Кристалл Virtex |
Число блоков | Общий объем блочной памяти [бит] |
| XCV50 | 8 |
32 768 |
XCV100 |
10 |
40 960 |
XCV150 |
12 |
49 152 |
XCV200 |
14 |
57 344 |
XCV300 |
16 |
65 536 |
XCV400 |
20 |
81 920 |
XCV600 |
24 |
98 304 |
XCV800 |
28 |
114 688 |
XCV1000 |
32 |
131 072 |
Каждый блок памяти, как показано на Рис. 6, это полностью синхронное двухпортовое ОЗУ с независимым управлением для каждого порта. РазмерВнность шины данных для обоих портов может быть сконфигурирована незавиВнсимо, что позволяет создавать преобразователи размерности шины. В Табл. 6 показаны возможные соотношения размерностей шин данных и адреса.
В кристаллах Virtex созданы специальные трассировочные ресурсы для связи блочной памяти с блоками КЛБ и другими блоками памяти.

| Разрядность | Глубина |
Шина адреса |
Шина данных |
1 |
4096 |
ADDR<11:0> |
DATA<0> |
2 |
2048 |
ADDR<10:0> |
DATA<1:0> |
4 |
1024 |
ADDR<9:0> |
DATA<3:0> |
8 |
512 |
ADDR<8:0> |
DATA<7:0> |
16 |
256 |
ADDR<7:0> |
DATA<15:0> |
4.4. Программируемая трассировочная матрица
Быстродействие проекта, рассчитанного для наихудшего случая, ограВнничивает величина задержки для наиболее длинной трассы. Поэтому архиВнтектура трассировочных ресурсов и программы размещения и трассировВнки создавались с учетом использования их в едином процессе оптимизаВнции. Этот совместный процесс оптимизации минимизирует наиболее длинные пути и, таким образом, создает проект с наилучшей системной производительностью.
Кроме того, совместная оптимизация сокращает время компиляции, так как программное обеспечение и архитектура микросхемы создавались с учетом наВнилучшего взаимодействия. Циклы проектирования, таким образом, сократиВнлись благодаря более коротким временам каждой из итераций всего процесса.
4.4.1. Локальные связи
Как показано на Рис. 7, в кристалле Virtex созданы локальные трассиВнровочные ресурсы, называемые VersaBlock. Они позволяют реализовать три типа соединений:
- Связи между таблицами преобразования (LUT), триггерами и главВнной трассировочной матрицей (ГТМ).
- Внутренние обратные связи КЛБ, которые создают высокоскоростВнные связи с таблицами преобразования в рамках одного КЛБ и позволяют соединять их в виде цепочек с минимальными задержками распространеВнния сигналов.
- Прямые трассы, которые создают высокоскоростные соединения с соседними по горизонтали КЛБ, избегая при этом больших задержек, приВнсущих трассам ГТМ.

4.4.2. Трассировочные ресурсы общего назначения
Большинство связей в кристаллах Virtex реализуются с помощью трасВнсировочных ресурсов общего назначения, и, следовательно, большая часть ресурсов межсоединений связана с этим типом трассировочной иерархии. Трассировочные ресурсы общего назначения расположены в виде горизонВнтальных и вертикальных трассировочных каналов и размещены в непосредственной близости от строк и столбцов матрицы, образованной блокаВнми КЛБ. Ниже перечислены эти ресурсы:
тАв Примыкающая к каждому КЛБ главная трассировочная матрица (ГТМ) тАФ это матрица переключателей, с помощью которых коммуВнтируются горизонтальные и вертикальные трассы и посредством котоВнрых блоки КЛБ получают доступ к трассировочным ресурсам общего назначения.
тАв ГТМ связана в каждом из четырех направлений с соседней ГТМ посредством 24 трасс одинарной длины.
тАв 96 буферизованных НЕХ-линий трассируют сигналы ГТМ к шести другим ГТМ в каждом из четырех направлений. НЕХ-линии органиВнзованы в виде зигзагообразных линий. НЕХ-линии могут подклюВнчаться к источникам сигнала только в своих конечных точках или сеВнрединных (три блока от источника). Одна третья часть НЕХ-линий является двунаправленными, в то время как остальные тАФ однонаВнправленные.
тАв 12 длинных линий являются буферизированными, двунаправленными линиями, распространяющими сигналы в микросхеме быстро и эфВнфективно. Вертикальные длинные линии имеют протяженность, равную полной высоте кристалла, а горизонтальные длинные линии тАФ полной ширине.
4.4.3. Трассировочные ресурсы для блоков ввода-вывода
Кристалл Virtex имеет дополнительные трассировочные ресурсы, располоВнженные по периферии всей микросхемы. Эти трассировочные ресурсы формиВнруют добавочный интерфейс между КЛБ и БВВ. Эти дополнительные ресурсы, называемые VersaRing, улучшают возможности закрепления сигналов за конВнтактами и переназначения уже сделанного закрепления, если это требование наВнкладывается расположением сигналов на печатной плате. При этом сокращаетВнся время изготовления всего проекта, т. к. изготовление и проектирование печатВнной платы можно выполнять одновременно с проектированием FPGA.
4.4.4. Специальные трассировочные ресурсы
Некоторые классы сигналов требуют наличия специальных трассироВнвочных ресурсов для получения максимального быстродействия. В устВнройстве Virtex специальные трассировочные ресурсы создавались для двух классов сигналов:
тАв Горизонтальные трассировочные ресурсы создавались для реализаВнции микросхеме шин с тремя состояниями. Четыре разделенные лиВннии шин реализованы для каждой строки КЛБ, позволяя организовыВнвать сразу несколько шин в пределах одной строки (Рис. 8).
тАв Две специальные линии для распространения сигналов быстрого пеВнреноса к прилегающему КЛБ в вертикальном направлении.

4.4.5. Глобальные трассировочные ресурсы
Глобальные трассировочные ресурсы распределяют тактовые сигналы и другие сигналы с большим коэффициентом разветвления по выходу на всем пространстве кристалла. Кристалл Virtex имеет два типа глобальных трассиВнровочных ресурсовтназываемых соответственно первичными и вторичными:
тАв Первичные глобальные трассировочные ресурсы представляют соВнбой четыре специальные глобальные сети со специально выделенными входными контактами и связанными с ними глобальными буферами, спроектированными для распределения сигналов синхронизации с высоким коэффициентом разветвления и с минимальными разбегами фронтов. Каждая такая сеть может быть нагружена на входы синхроВннизации всех КЛБ, БВВ и Block RAM тАФ блоков микросхемы. ИстоВнчниками сигналов для этих сетей могут быть только глобальные буВнферы. Всего имеется четыре глобальных буфера тАФ по одному для каждой глобальной сети.
тАв Вторичные глобальные трассировочные ресурсы состоят из 24 магиВнстральных линий, 12 тАФ вдоль верхней стороны кристалла и 12 тАФ вдоль нижней. По этим связям может быть распространено до 12 уникальных сигналов на колонку по 12 длинным линиям данной колонки. Вторичные ресурсы являются более 'гибкими, чем перВнвичные, т.к. эти сигналы, в отличие от первичных, могут трассироВнваться не только до входов синхронизации.
4.5. Распределение сигналов синхронизации
Как было описано выше, Virtex имеет высокоскоростные, с малыми исВнкажениями трассировочные ресурсы для распределения сигналов синхроВннизации на всем пространстве микросхемы. Типичное распределение цеВнпей синхронизации показано на Рис. 9.
В микросхему встроено четыре глобальных буфера, два тАФ в середине верхней части микросхемы, два тАФ в середине нижней части. Эти буферы через первичные глобальные сети могут подводить сигналы синхронизаВнции на любой тактовый вход.
Для каждого глобального буфера имеется соответствующий, примыкаВнющий к нему контакт микросхемы. Сигнал на вход глобального буфера моВнжет подаваться как с этих контактов, так и от сигналов, трассируемых реВнсурсами общего назначения.

4.5.1. Модули автоподстройки задержки (DLL)
Полностью цифровая автоподстройка задержки (DLL), связанная с каждым глобальным буфером, может устранять перекос задержек между синхросигналом на входном контакте микросхемы и сигналами на тактовых входах внутренних схем устройства. Каждая DLL может быть нагружена на две глобальные цепи синхронизации. Схема DLL отслеживает сигВннал синхронизации на входном контакте микросхемы и тактовый сигнал, распределяемый внутри кристалла, затем автоматически устанавливает необходимую задержку. Дополнительная задержка вводится таким обраВнзом, что фронты сигналов синхронизации достигают внутренних триггеВнров в точности на один период синхронизации позже их прихода на входВнной контакт. Эта система с обратной связью эффективно устраняет заВндержку распределения сигналов синхронизации, гарантируя, что фронты синхросигналов на входе микросхемы и на внутренних тактовых входах с большой точностью синхронны.
Вдобавок, для устранения задержек, возникающих при распределении тактовых сигналов, DLL создает новые возможности управления функциВнями синхронизации. Модуль DLL может создавать четыре квадратурные фазы из исходного источника синхросигнала; удваивать частоту синхроВнсигнала или делить эту частоту на 1.5, 2, 2.5, 3, 4, 5, 8 или 16.
Модуль DLL также функционирует как тактовое зеркало. Путем вывоВнда из микросхемы сигнала с выхода DLL и последующего ввода этого сигВннала снова внутрь кристалла, схема DLL может устранить разбег фаз для тактовых сигналов на уровне печатной платы, при работе с несколькими устройствами Virtex.
Чтобы гарантировать, что системная синхронизация будет нормально функционировать до момента окончания конфигурирования системы и наВнчала штатной работы, схема DLL имеет возможность задерживать процесс конфигурирования до нормальной синхронизации с системой.
4.6. Периферийное сканирование (ПС)
Микросхемы Virtex поддерживают команды периферийного сканироваВнния, приведенные в спецификации стандарта IEЕЕ 1149.1. Порт Test Access Port (TAP) и регистры реализованы для выполнения команд Extest, INTEST, Sample/Preload, Bypass, IDCODE, USERCODE и HIGHZ. Кроме того, порт ТАР поддерживает две внутренние сканирующие цепочки и позВнволяет загрузить/считать конфигурацию кристалла.
Порт ТАР использует предопределенные контакты микросхемы и LVTTL уровни сигналов. Для того чтобы выход TDO выдавал сигналы на уровнях LVTTL, на контакт
второго банка должно быть подано наВнпряжение 3.3 В. В противном случае напряжение на выходе ТDО будет меВнняться в пределах от нуля до
.
Операции периферийного сканирования не зависят от конкретных конВнфигураций блоков ввода-вывода и типа корпуса. Все блоки ввода-вывода, включая неподключенные к контактам, рассматриваются как независимые двунаправленные контакты с тремя состояниями, в единой цепочке сканиВнрования. Сохранение возможности осуществлять двунаправленное тестиВнрование после конфигурирования облегчает тестирование внешних межВнсоединений.
В Табл. 7 приведены команды периферийного сканирования, поддержиВнваемые кристаллами Virtex. Внутренние сигналы могут быть проанализиВнрованы в процессе выполнения команды Extest посредством подключения их к неиспользуемым выходам блоков ввода-вывода, либо к блокам ввода-вывода, не присоединенным к контактам. Они могут быть также подсоедиВннены к неиспользуемым выходам блоков ввода-вывода, которые определеВнны как однонаправленные входные контакты.
Таблица 7. Инструкции периферийного сканирования| Команда | Двоичный код |
Описание |
EXTEST |
00000 |
Разрешает операцию периферийного сканирования EXTEST |
SAMPLE/PRELOAD |
00001 |
Разрешает операцию периферийного сканирования SAMPLE/PRELOAD |
USER1 |
00010 |
Доступ к определенному пользователем регистру 1 |
USER2 |
00011 |
Доступ к определенному пользователем регистру 2 |
CFG_OUT |
00100 |
Доступ к конфигурационной шине для операций считывания |
CFG_IN |
00101 |
Доступ к конфигурационной шине для операций записи |
INTEST |
00111 |
Разрешает операцию периферийного сканирования INTEST |
USERCODE |
01000 |
Разрешает считывание пользовательского кода |
IDCODE |
01001 |
Разрешает считывание ID кода |
HIGHZ |
01010 |
Переводит выходы в третье состояние во время операции BYPASS |
JSTART |
01100 |
Активизирует вход TCK порта TAP |
BYPASS |
11111 |
Разрешает BYPASS |
RESERVED |
Любой другой |
Зарезервированные инструкции |

До конфигурации кристалла доступны все команды кроме USER1 и USER2. После конфигурации кристалла доступны все команды без исклюВнчения. Во время конфигурации не рекомендуется использовать команды Extest, INtest и Sample/Preload.
В дополнение к описанным выше тестовым командам поддерживаются команды, позволяющие загрузить/считать конфигурацию кристалла.
На Рис. 10 показана логика периферийного сканирования кристаллов серии Virtex. Логика периферийного сканирования состоит из 3-разрядноВнго регистра данных на один БВВ, контроллера порта ТАР и регистра коВнманд с декодированием.
4.6.1. Регистры данных
Первичный регистр данных является регистром периферийного сканиВнрования. Для каждого вывода микросхемы, связанного с программируеВнмым БВВ, регистр данных ПС содержит три разряда сдвигового регистра и три разряда регистра-защелки (для входа, выхода и управления третьим состоянием). Выводы, не доступные для программирования пользоватеВнлем, имеют только по одному разряду в регистре данных ПС (для входа или выхода).
Другим регистром данных является регистр BYPASS. Данный регистр осуществляет синхронизацию данных, проходящих через кристалл, в слеВндующее устройство с периферийным сканированием. В кристалле имеетВнся только один такой регистр.
Кристалл семейства Virtex содержит две дополнительные внутренние цепи сканирования, которые могут быть задействованы использованием в проекте макромодуля BSCAN. Выводы SEL1 и SEL2 макромодуля BSCAN переводятся в логическую единицу при командах USER1 и USER2 соотВнветственно, задействуя эти цепи. Данные с выхода ТОО считываются вхоВндами TDO1 или TDO2 макромодуля BSCAN. Макромодуль BSCAN также имеет раздельные тактовые входы DRCK1 и DRCK2 для каждого пользоВнвательского регистра ПС, общий вход TDI и общие выходы RESET, SHIFT и UPDATE, отражающие состояние контроллера порта ТАР.
4.6.2. Порядок битов регистра данных ПС
Порядок в каждом БВВ: Вход, Выход, Высокий импеданс. Только входные контакты представлены одним битом, а только выходные -всеми тремя.
Если смотреть на кристалл, как он представлен в программном обеспеВнчении проектирования (модуль FPGA EDITOR), то последовательность битов в регистре данных ПС будет определяться, как на Рис. 11.
| Бит 0 (крайний TDO)
Бит 1
Бит 2
(Крайний к TDI) |
Правая половина верхнего края БВВ (справа-налево)
GCLK2 GCLK3 Левая половина верхнего края БВВ (спрва-налево) Левый край БВВ (сверху-вниз) М1 М0 М2 Левая половина нижнего края БВВ (слева-направо) GCLK1 GCLK2 Правая половина нижнего края БВВ (слева-направо)
DONE PROG Правый край БВВ (снизу-вверх)
CCLK |
Рис. 11. Последовательность битов ПС.
4.6.3. Идентификационные регистры
Имеются два идентификационных регистра: IDCODE-регистр и USER-CODE-регистр. IDCODE позволяет определить микросхему, подсоединенВнную к JTAG-nopry.
IDCODE имеет следующий двоичный формат:
vvvv : ffff: fffa : aaaa : аааа : сссс : сссс : ссс1,
где v тАФ код корпуса, fтАФ код семейства кристаллов (03h для семейства Virtex), а тАФ число строк матрицы КЛБ (от 010h для XCV50 до 040h для XCV1000), с тАФ код компании производителя (49h для фирмы ВлXilinxВ»)
В Табл. 8 приведены идентификационные коды (IDCODEs), присвоенВнные кристаллам серии Virtex.
Используя USERCODE, пользователь может записать и считать свой идентификационный номер для данного проекта. Пользовательский идентиВнфикационный код включается в конфигурационный файл во время его создаВнния. USERCODE может быть считан только после конфигурации кристалла.
Таблица 8. Идентификационные коды (IDCODEs), присвоенные кристаллам серии Virtex
Кристалл |
IDCODE |
XCV50 |
v0610093h |
XCV100 |
v0614093h |
XCV150 |
v0618093h |
XCV200 |
v061C093h |
XCV300 |
v0620093h |
XCV400 |
v0628093h |
XCV600 |
v0630093h |
XCV800 |
v0638093h |
XCV1000 |
v0640093h |
4.6.4. Включение ПС в проект
Так как все контакты, необходимые для ПС, предопределены в каждом кристалле, то не нужно включать в проект дополнительных элементов, есВнли не будут использоваться пользовательские регистры (USER1 и USER2). Для задействования этих регистров в проект необходимо включить элеВнмент BSCAN и соединить соответствующие выводы.
5. Система проектирования
Разработка кристаллов Virtex осуществляется программным обеспечеВннием проектирования Xilinx Foundation и/или Xilinx Alliance. Процесс проВнектирования включает: ввод проекта, размещение в кристалл и верификацию. Для ввода проекта могут применяться стандартные электронные САПР, таких фирм, как ВлAldecВ», ВлCadenceВ», ВлSimplicityВ», ВлMentor GraphicsВ» или ВлSynopsysВ». Для размещения в кристалл и верифиВнкации используются специализированные под архитектуру САПР, выпусВнкаемые только фирмой ВлXilinxВ».
Система проектирования фирмы ВлXilinxВ» интегрирована в управляюВнщую программу, называемую Xilinx Design Manager (XDM), которая обеспеВнчивает доступ к общему пользовательскому интерфейсу, независимо от выВнбора вида программы ввода или верификации. Программа XDM упрощает выбор настроек, необходимых для выполнения проекта, благодаря наличию разветвленного меню и легко доступной справочной системе (on-line help).
Прикладные программы, начиная от создания схемы (schematic capВнture), до размещения и трассировки (Placement and Routing тАФ PAR), доВнступны из программы XDM. Цепочка команд, определяющих последоваВнтельность обрабатывающих процессов, генерируется до начала их исполВннения и запоминается для последующего документирования.
Несколько расширенных свойств программного обеспечения облегчает проектирование микросхем Virtex. Например, схемные относительно расВнположенные макросы (Relationally Placed Macros тАФ RPMs), в которых соВндержится информация о принудительной взаимной ориентации составных частей элементов проекта, дают необходимую информацию для их реальВнного размещения на кристалле. Они помогают обеспечить оптимальное выполнение стандартных логических функций.
Для ввода проектов с помощью языков описания аппаратных средств (Hardware Description Language тАФ HDL), система проектирования Xilinx Foundation предоставляет интерфейсы к синтезаторам следующих фирм:
- ВлSynopsisВ» (FPGA Compiler, FPGA Express);
- ВлExemplarВ» (Spectrum);
- ВлSymplicityВ» (Symplify).
Для схемного ввода проектов системы проектирования Xilinx Foundation и Alliance предоставляют интерфейсы к следующим системам создания схем:
- Mentor Graphics V8 (Design Architect Quick Sim II);
- Innoveda (Viewdraw).
Существует множество других производителей, которые предлагают аналогичные по функциям системы ввода проекта.
Для упрощения взаимодействия различных САПР существует станВндартный формат файлов (EDIF), который поддерживается всеми произвоВндителями САПР.
САПР для Virtex включает унифицированную библиотеку стандартных функций. Эта библиотека содержит свыше 400 примитивов и макросов, от двухвходовых вентилей И, до 16-битовых аккумуляторов и включает арифметические функции, компараторы, счетчики, регистры данных, деВншифраторы, шифраторы, функции ввода-вывода, защелки, булевы функВнции, мультиплексоры и сдвигающие регистры.
Часть библиотеки, содержащей детальные описания общих логических функций, реализованных в виде ВлнежесткихВ» макросов (soft macro), не соВндержит никакой информации о разбиении этих функций на реальные физиВнческие блоки и об их размещении в кристалле. Быстродействие данных макросов зависит, таким образом, от этих двух процедур, которые реализуютВнся на этапе размещения проекта в кристалл. В то же время относительно расположенные макросы (RPMs) содержат в себе предварительно опредеВнленную информацию о разбиении на физические блоки и о размещении, коВнторая дает возможность для оптимального выполнения этих функций. Пользователи могут создать свою собственную библиотеку ВлнежесткихВ» макросов и RPM из примитивов и макросов стандартной библиотеки".
Среда проектирования поддерживает ввод иерархических проектов, в которых схемы верхнего уровня содержат основные функциональные блоВнки, в то время как системы нижнего уровня определяют логические функВнции этих блоков. Данные элементы иерархического проекта автоматичесВнки объединяются соответствующими средствами на этапе размещения в кристалл. При иерархической реализации могут объединяться различные средства ввода проекта, давая возможность каждую из частей вводить наВниболее подходящим для нее методом.
5.1. Размещение проекта в кристалл
Программное средство размещения и трассировки (place and route тАФ PAR) обеспечивает автоматическое протекание процесса размещения проекта в кристалл, которое описывается ниже. Процедура разбиения на физические блоки получает исходную информацию о проекте в виде перечня связей форВнмата EDIF и осуществляет привязку абстрактных логических элементов к реВнальным физическим ресурсам архитектуры FPGA (БВВ, КЛБ). Затем процеВндура размещения определяет наилучшее место для их размещения, руководВнствуясь информацией о межсоединениях и желаемом быстродействии. В заВнвершении, процедура трассировки выполняет соединения между блоками.
Алгоритмы программы PAR поддерживают автоматическое выполнеВнние большинства проектов. Тем не менее, в некоторых приложениях польВнзователь при необходимости может осуществлять контроль и управление процессом. Ни этапе ввода проекта пользователь может задавать свою инВнформацию для разбиения, размещения и трассировки.
В программное обеспечение встроено средство Timing Wizard, управляВнющее процессом размещения и трассировки с учетом требований к времеВннам распространения сигналов. При вводе проекта пользователь задает эту информацию в виде временных ограничений для определенных цепей. Процедуры анализа временных параметров связей анализируют эти, заВнданные пользователем, требования и пытаются удовлетворить им.
Временные требования вводятся в схему в виде непосредственных сиВнстемных ограничений, таких, как минимально допустимая частота синхроВннизации, или максимально допустимая задержка между двумя регистрами. При таком подходе результирующее быстродействие системы с учетом суммарной протяженности путей автоматически подгоняется под требоваВнния пользователя. Таким образом, задание временных ограничений для отВндельных цепей становится не нужным.
5.2. Верификация проекта
В дополнение к обычному программному моделированию FPGA, польВнзователь может использовать метод непосредственной отладки реальных цепей. Благодаря неограниченному количеству циклов перепрограммироВнвания кристаллов FPGA, работоспособность проектов можно проверить в реальном масштабе времени, вместо того чтобы использовать большой наВнбор тестовых векторов, необходимых при программном моделировании.
Система проектирования устройств Virtex поддерживает и программное моделирование и метод отладки непосредственно аппаратных цепей. Для выполнения моделирования система извлекает временную информацию, полученную после размещения из базы данных проекта, и вводит ее в сетеВнвой :перечень. Пользователь может и сам проверить критичные по времени части проекта, используя статический временной анализатор TRACE.
Для непосредственной отладки цепей к системе проектирования поВнставляется кабель для загрузки конфигурационных данных и обратного считывания данных из микросхемы. Этот кабель соединяет персональный компьютер или рабочую станцию с микросхемой FPGA, установленной в законченное устройство. После загрузки проекта в FPGA, пользователь может выполнить один шаг изменения логического состояния схемы, заВнтем выполнить обратное считывание состояния триггеров в компьютер и проанализировать правильность работы схемы. Простейшие модификации проекта при этом можно осуществлять в считанные минуты.
6. Конфигурирование кристалла в устройстве
Микросхемы Virtex конфигурируются путем загрузки конфигурационных данных во внутреннюю конфигурационную память. Часть специальных конВнтактов, которые при этом используются, не могут применяться для других целей, в то же время некоторые из них могут после завершения конфигурирования служить в качестве контактов ввода-вывода общего назначения.
К специальным контактам конфигурирования относятся следующие:
- контакты режима конфигурирования (М2, Ml, М0);
- контакт синхронизации процесса конфигурирования (CCLK);
- контакт
; - контакт DONE;
- контакты порта периферийного сканирования (TDI, ТОО,
TMS, ТСК).
В зависимости от выбранного режима конфигурирования контакт CCLK может быть либо источником сигнала синхронизации, либо наобоВнрот тАФ приемником сигнала от внешнего генератора синхросигналов.
6.1. Режимы конфигурирования
Virtex поддерживает следующие четыре режима конфигурирования:
тАФ подчиненный последовательный режим (Slave-serial);
тАФ ведущий последовательный режим (Master-serial);
тАФ режим SelectMap;
тАФ режим периферийного сканирования (Boundary Scan тАФ JTAG).
Комбинация кодов на специальных входных контактах (М2, Ml, М0) позволяет выбрать один из режимов конфигурирования, при этом четыре из восьми кодов соответствуют ВлподтянутомуВ» (pull-up) состоянию входов блоков ввода-вывода до начала процедуры конфигурирования, и еще четыВнре комбинации состоянию неопределенного потенциала блоков ввода-выВнвода. Соответствие этих кодов необходимому режиму приведено в Табл. 9.
Таблица 9. Конфигурационные коды.
| Режим | М2 |
М1 |
М0 |
CCLK |
Разрядность данных |
Последовательный выход DOUT |
Контакты ВлподтянутыВ» |
Master-serial |
0 |
0 |
0 |
Выход |
1 |
Есть |
Нет |
Boundary-scan |
1 |
0 |
1 |
1 |
Нет |
Нет |
|
SelectMAP |
1 |
1 |
0 |
Вход |
8 |
Нет |
Нет |
Slave-serial |
1 |
1 |
1 |
Вход |
1 |
Есть |
Нет |
Master-serial |
1 |
0 |
0 |
Выход |
1 |
Есть |
Да |
Boundary-scan |
0 |
0 |
1 |
1 |
Нет |
Да |
|
SelectMAP |
0 |
1 |
0 |
Вход |
8 |
Нет |
Да |
Slave-serial |
0 |
1 |
1 |
Вход |
1 |
Есть |
Да |
Конфигурирование микросхемы FPGA через порт периферийного скаВннирования доступно всегда, независимо от значения этого кода. Задание кода отключает другие режимы. Все три контакта режима конфигурироваВнния имеют внутренние ВлподтягивающиеВ» резисторы и по умолчанию задают, таким образом, состояния высокого логического уровня, если отсутствуют внешние подключения.
6.1.1. Подчиненный последовательный резким
В этом режиме FPGA принимает конфигурационные данные в последоВнвательной форме от последовательного ПЗУ или от другого источника поВнследовательных конфигурационных данных.
Данные последовательного битового потока (bitstream) должны быть установлены на входе DIN незадолго до появления нарастающего фронта сигнала, генерируемого внешним источником и подаваемого на вход CCLK.
Несколько микросхем FPGA могут быть соединены в цепочку для конВнфигурирования от единого внешнего источника конфигурационных данВнных. После того как одна из микросхем сконфигурирована, данные для следующей появляются на выходе DOUT. Изменение данных на выходе DOUT происходит после нарастающего фронта сигнала на входе CCLK.
Процесс стробирования данных, подаваемых на вход DIN по нарастаюВнщему фронту CCLK, отличается от аналогичного процесса в старых сеВнмействах микросхем FPGA, но это не приводит к возникновению проблем для смешанных конфигурационных цепочек. Такое изменение сделано для увеличения скоростей последовательного конфигурирования цепочек FPGA, состоящих только из микросхем Virtex.
На Рис. 12 изображена полная схема, совмещающая подчиненные реВнжимы и ведущий режим. FPGA Virtex, конфигурируемые в подчиненном режиме, должны быть подключены так же, как устройство, изображенное третьим слева.
Подчиненный последовательный режим выбирается заданием кода <111> на входах режима конфигурирования (М2, Ml, М0). ВнутренВнние высокоомные резисторы на режимных контактах ВлподтягиваютВ» данные входы в состояние высокого логического уровня и, таким обВнразом, задают этот режим по умолчанию, если выходы не имеют внешних подключений. На Рис. 13 изображена временная диаграмма для данного режима.


В Табл. 10 содержится более подробная информация для величин, приВнведенных на Рис. 13. Для FPGA, соединенных в цепочку, процесс конфиВнгурирования должен быть задержан до тех пор, пока на контактах
всех микросхем цепочки не появится высокий логический уровень.
| Параметр | Обозначение |
Значение |
||
min |
max |
|||
Предустановка/удержание входного сигнала DIN, подчиненный режим |
1/2* |
|
5.0 нс/0 нс |
|
Предустановка/удержание входного сигнала DIN, ведущий режим |
1/2* |
|
5.0 нс/0 нс |
|
Задержка сигнала DOUT |
3* |
|
12 нс |
|
Длительность высокого уровня |
4* |
|
5.0 нс |
|
Длительность низкого уровня |
5* |
|
5.0 нс |
|
Частота |
|
66 МГц |
||
*См. рис. 13. |
6.1.2. Ведущий последовательный резким
В ведущем последовательном режиме с выхода CCLK FPGA сигнал поВндается на соответствующий вход микросхемы ППЗУ, которая передает данные на DIN-вход той же микросхемы FPGA. Прием данных в FPGA осуществляется по каждому нарастающему фронту сигнала CCLK. После полного конфигурирования микросхемы, данные для следующих устВнройств, соединенных цепочкой, появляются на выходе DOUT после кажВндого нарастающего фронта сигнала CCLK. Данные конфигурирования, поВнступающие на все микросхемы FPGA, соединенные в цепочку, обязательВнно начинаются с блока, называемого преамбулой.
Интерфейс, поддерживающий этот режим, идентичен интерфейсу подВнчиненного режима, за исключением того, что для генерации синхросигнаВнла конфигурирования используется внутренний осциллятор FPGA. ЧастоВнта для этого синхросигнала может быть выбрана из широкого диапазона значений, но по умолчанию всегда используется низкая частота. ПереклюВнчение на более высокую частоту происходит данными, которые распознаВнются микросхемой в самом конфигурационном потоке, после чего оставВншаяся часть потока загружается уже с новой скоростью. Переключение снова на более низкую частоту запрещается. Частота синхронизации CCLK устанавливается выбором ConfigRate в программе генерации конВнфигурационного потока. Максимальная частота CCLK, которая может быть выбрана тАФ 60 МГц. Выбирая конкретную частоту CCLK, необходиВнмо убедиться, что используемые ПЗУ и все соединенные в цепочку микроВнсхемы FPGA рассчитаны на конфигурирование в таком темпе.
После включения питания, частота CCLK равна 2.5 МГц. Эта частота исВнпользуется до момента загрузки битов ConfigRate, после чего частота меняВнется на новое значение, определенное этими битами. Если в проекте не заВндается другая частота, то используемая по умолчанию частота равна 4 МГц.
На Рис. 12 показана полная система, содержащая кристалл в ведущем и кристалл в подчиненном режимах. В этой схеме крайнее левое устройстВнво работает в ведущем последовательном режиме. Остальные устройства работают в подчиненном последовательном режиме. На вход
микросхемы ППЗУ подается сигнал с контактов
микросхемы FPGA. Аналогично, на вход
тАФ с выхода DONE. При этом в зависимости от выбранной стартовой последовательности существует конфликт потенциВналов на контакте DONE.
Для последовательного конфигурирования микросхем FPGA необходимо использовать последовательность, изображенную в виде алгоритма на Рис. 14.
Временная диаграмма для ведущего последовательного режима показаВнна на Рис. 15. Данный режим выбирается заданием кода <000> или <100> на входах М2, Ml, М0. Необходимую временную информацию для этого режима содержит Табл. 10.
Время нарастания напряжения питания
от уровня 1 В до миниВнмально допустимого значения
не должно превышать 50 мс, в противВнном случае необходимо удерживать сигнал
в состоянии низкоВнго логического уровня до момента достижения допустимого уровня
.
6.1.3. Режим SelectMAP
SelectMAP тАФ самый быстрый режим конфигурирования. В этом режиВнме данные записываются в FPGA побайтно с использованием флага BUSY, управляющего потоком данных.
Внешний источник создаёт байтовый поток данных и сигналы CCLK, выбор кристалла (Chip Select тАФ
), запись (
). Если установлен высокий логический уровень сигнала BUSY, данные должны удерживатьВнся до тех пор, пока BUSY не будет переведен в состояние низкого уровня.
Используя этот режим можно считать данные. Если сигнал
не установлен (т.е. находится в состоянии высокого логического уровня), конВнфигурационные данные читаются обратно из FPGA, как часть операции обратного считывания.
После окончания конфигурирования контакты порта SelectMAP могут использоваться как дополнительные пользовательские входы-выходы.

Можно использовать этот порт для быстрого 8-битового обратного считыВнвания конфигурационных данных.
Сохранение такой возможности после конфигурирования реализуетВнся на этапе создания битового потока. Для сохранения такой возможноВнсти необходимо использовать ограничения типа PROHIBIT, предохраВнняющие контакты порта SelectMAP от использования в качестве польВнзовательских.
Несколько FPGA Virtex могут конфигурироваться в режиме SelectMAP, и далее одновременно запускаться для штатного функционирования. Для конВнфигурирования нескольких устройств таким способом, необходимо соедиВннить параллельно индивидуальные сигналы отдельных микросхем CCLK, Data,
и BUSY. Конкретные микросхемы конфигурируются по очереВнди за счет поочередной подачи активного сигнала на контакт выборки (
) этой FPGA и записи соответствующих ей данных. В Табл. 11 представлены временные параметры сигналов режима SelectMAP.
Запись
Процедура записи посылает пакеты конфигурационных данных в FPGA. Необходимо отметить, что конфигурационный пакет можно расщеВнпить на несколько таких последовательностей. Пакет не должен быть заВнкончен за время одной активизации сигнала
, изображенной на Рис. 16.
Последовательность операций:
1. Установить сигналы
и
в состояние низкого логическоВнго уровня. Отметим, что если сигнал
активизируется во время уже функционирующего сигнала CCLK, сигнал
должен оставаться неизменным. В противном случае, как описано далее, будет инициироваВнно преждевременное прекращение процедуры.
Таблица 11. Параметры сигналов режима SelectMAP.
| Параметр | Обозначение |
Значение |
||
min |
max |
|||
Предустановка/удержание входных сигналов D0-D7 |
1/2* |
|
5.0 нс/0 нс |
|
Предустановка/удержание входного сигнала |
3/4* |
|
7.0 нс/0 нс |
|
Предустановка/удержание входного сигнала |
5/6* |
|
7.0 нс/0 нс |
|
Задержка распространения сигнала |
7* |
|
12.0 нс |
|
Частота |
|
66 МГц |
||
Частота без подтверждения получения данных |
|
50 МГц |
||
*См. рис. 16. |

2. Данные подать на вход D[7:0]. Отметим, что для избежания конВнфликта между данными от различных источников, информация не должна выдаваться во время, когда сигнал
имеет значение тАШ0тАЩ, a
тАФ значение тАШ1тАЩ. Также нельзя активизировать больше одного CS, в то вреВнмя когда сигнал WRITE имеет значение тАШ1тАЩ.
3. Данные принимаются по нарастающему фронту CCLK при услоВнвии, что сигнал BUSY при этом имеет значение тАШ0тАЩ. В случае, если сигВннал BUSY имел значение тАШ1тАЩ от предыдущей записи, данные не приниВнмаются. Данные снова будут приниматься по первому же нарастающему фронту CCLK после перехода BUSY в состояние тАШ0тАЩ; при этом данные должны удерживаться до этого события.
4. Повторять шаги 2 и 3 до тех пор, пока не будут переданы все данные.
5. Перевести сигналы
и
в неактивное состояние.
Алгоритм процедуры записи показан на Рис. 17. Отметим, что если сигнал CCLK медленнее, чем
, FPGA не будет выставлять сигнал BUSY, в этом случае обмен подтверждениями готовности после реального приема данных не нужен, и данные могут просто вводиться в FPGA по каждому циклу сигнала CCLK.

Преждевременное прекращение процедуры
После установки активного уровня сигнала
, пользователь не может переключаться с записи на чтение или наоборот. В противном случае такое действие приведет к преждевременному прекращению текущей пакетной команды. Устройство будет оставаться в состоянии BUSY (занято) до тех пор, пока прерванная процедура будет завершена. После прекращения процедуры, для продолжения приема пакета, необходимо повторить переВндачу того слова, которое было прервано не на границе слова.
Для того чтобы инициировать преждевременное прекращение процеВндуры записи, необходимо перевести сигнал
в неактивное состояВнние. Как показано на Рис. 18, прекращение процедуры начнется с прихоВндом нарастающего фронта CCLK.

6.1.4. Использование резкима периферийного сканирования для конфигурирования Virtex
Для конфигурирования в режиме периферийного сканирования испольВнзуются только специальные контакты порта тестового доступа (Test Access Port тАФ ТАР) в соответствии со стандартом IEEE 1149.1.
Конфигурирование через порт ТАР выполняется с помощью специальВнной команды CFG_IN. Эта команда позволяет преобразовать входные данВнные, поступающие на вход TDI, в пакет данных для внутренней шины конВнфигурирования.
Для конфигурирования FPGA через порт периферийного сканирования необходимо выполнить следующие действия:
1. Загрузить команду CFG_IN во внутренний регистр команд (instruction register тАФ IR).
2. Ввести состояние Shift-DR (SDR).
3. Выдать стандартный конфигурационный bitstream на TDI.
4. Возвратиться к состоянию Run-Test-Idle (RTI).
5. Загрузить в регистр IR команду JSTART.
6. Ввести состояние SDR.
7. Выдать ТСК для длины последовательности (длина программируемая).
8. Возвратиться к состоянию RT1.
Как отмечалось ранее, конфигурирование и обратное считывание всеВнгда доступно в режиме периферийного сканирования. Для выборки режиВнма необходимо подать код <101> или <001> на контакты М2, Ml, М0.
6.2. Последовательность конфигурации
Конфигурирование устройств Virtex -- процесс, состоящий из трех фаз. В первой фазе конфигурирования очищается память. Следующая фаВнза тАФ загрузка данных в конфигурационную память. Наконец, активизируВнется логика (фаза Start-Up).
Обычно процесс конфигурирования запускается автоматически после подачи напряжения питания, однако, как будет описано далее, он может быть задержан пользователем. Конфигурационный процесс может также быть инициирован установкой активного уровня сигнала
. ПеВнреход сигнала
в состояние тАШ1тАЩ означает окончание фазы очистки паВнмяти, а установка активного уровня сигнала DONE (тАШ1тАЩ) означает окончаВнние процесса в целом.
Временная диаграмма для конфигурационных сигналов после подачи напряжения питания показана на Рис. 19, а соответствующие временные характеристики тАФ в Табл. 12.
6.2.1. Задержка конфигурирования
Конфигурирование FPGA может быть задержано удержанием сигнала на контакте
в, состоянии низкого логического уровня до моВнмента готовности системы к конфигурированию. На протяжении фазы очистки конфигурационной памяти последовательность операций состоит из повторения цикла очистки памяти по всем адресам. Эти операции проВндолжаются до окончания одного полного цикла очистки памяти по всем адресам после установки сигнала на входе
в состояние тАШ1тАЩ. ТаВнким образом, задержка процесса конфигурирования равнозначна продолВнжению фазы очистки памяти.

Таблица 12. Значения временных параметров при подаче питания.
| Параметр | Значение |
|
min |
max |
|
|
2.0 мс |
|
|
100 мкс |
|
|
0.5 мкс |
4.0 мкс |
|
300 нс |
Другой вариант тАФ подача от источника с открытым стоком сигнала низкого уровня на вход
. Источник сигнала с открытым стоком необВнходим потому, что контакт
тАФ двунаправленный и работает как выход, имеющий низкий логический уровень во время фазы очистки памяти. УвеВнличение времени удержания низкого логического уровня на этом контакте приводит, к тому, что конфигурационный автомат продолжает выполнять фазу очистки памяти. Таким образом, процесс конфигурирования задерВнживается, не входя в фазу загрузки данных.
6.2.2. Последовательность вхождения в штатный режим работы
При выполнении вхождения в штатный режим работы по умолчанию глобальный сигнал управления третьим состоянием (global tristate - GTS) активизируется через один цикл CCLK после перехода сигнала DONE в состояние тАШ1тАЩ. Это позволяет выходам FPGA включиться надлеВнжащим образом.
Одним циклом CCLK позже активизируются сигнал глобальной устаВнновки/сброса (Global Set/Reset тАФ GSR) и глобального разрешения записи (Global Write Enable тАФ GWE). Это создает условия для начала нормальной работы внутренних запоминающих элементов.
Временная диаграмма для этих событий может быть изменена. Кроме того, события GTS, GSR и GWE могут активизироваться после перехода всех выходов DONE в высокое состояние при конфигурировании множеВнственных устройств FPGA, что позволяет начинать их работу в штатном режиме синхронно. Во время выполнения последовательности допускаетВнся включение на любой фазе паузы до момента нормального захвата слеВндящей системы схемы автоподстройки задержки (DLL).
6.3. Формат потока конфигурационных данных
Кристаллы Virtex конфигурируются последовательной загрузкой в них фреймов данных, которые объединены в двоичный поток (bitstream). В Табл. 13 представлены объемы конфигурационной последовательности для кристаллов Virtex.
Таблица 13. Размер конфигурационной последовательности для различных микросхем семейства Virtex
| Кристалл | Конфигурационные биты |
XCV50 |
559 200 |
XCV100 |
781 216 |
XCV150 |
1 040 096 |
XCV200 |
1 335 840 |
XCV300 |
1 751 808 |
XCV400 |
2 546 048 |
XCV600 |
3 607 968 |
XCV800 |
4 715 616 |
XCV1000 |
6 127 744 |
7. Обратное считывание
Конфигурационные данные, записанные в конфигурационной памяти FPGA, могут быть считаны обратно для выполнения верификации. Наряду с этими данными возможно обратное считывание содержимого всех триггеров/защелок, LUTRAMs, BlockRAMs. Эта возможность используется для выполнения отладки проектов в реальном масштабе времени.
8. Характеристики микросхем семейства Virtex по постоянному току
В Табл. 14 приведены максимально допустимые значения параметров микросхем семейства Virtex по постоянному току.
Таблица 14. Диапазон максимально допустимых значений параметров микросхем семейства Virtex по постоянному току
| Обозна-чение | Описание |
Значение |
Единица измерения |
|
|
Напряжение питания ядра относительно GND |
-0.5тАж3.0 |
В |
|
|
Напряжение питания выходных каскадов относительно GND |
-0.5тАж4.0 |
В |
|
|
Входное опорное напряжение |
-0.5тАж3.6 |
В |
|
|
Напряжение входного сиг-нала относительно GND |
Используя |
-0.5тАж3.6 |
В |
Не используя |
-0.5тАж5.5 |
В |
||
|
Напряжение, прикладываемое к 3-стабильному выходу |
-0.5тАж5.5 |
В |
|
|
Максимальное время нарастания напряжения питания от 1 до 2.375 В |
50 |
мс |
|
|
Температура хранения (окружающей среды) |
-65тАж+150 |
В°C |
|
|
Максимальная температура припоя |
+260 |
В°C |
|
|
Максимальная рабочая температура контактов |
+125 |
В°C |
Внимание! Превышение максимальных значений ведет к повреждению кристалла.
В Табл. 15 приведены рекомендуемые значения параметров микросхем семейства Virtex по постоянному току.
Таблица 15. Рекомендуемые значения| Обозна-чение | Описание |
Значения |
Единица измерения |
|
min |
max |
|||
|
Напряжение питания ядра при |
2.5 - 5% |
2.5 + 5% |
В |
Напряжение питания ядра при |
2.5 тАУ 5% |
2.5 + 5% |
В |
|
|
Напряжение питания выходных каскадов при |
1.4 |
3.6 |
В |
Напряжение питания выходных каскадов при |
1.4 |
3.6 |
В |
|
|
Время передачи входного сигнала |
250 |
нс |
9. Корпуса
В Табл. 16 приведены комбинации: кристалл Virtex тАФ корпус, и число пользовательских выводов для каждой комбинации.
Таблица 16. Корпуса.
Корпус |
Максимальное число пользовательских контактов |
||||||||
XCV50 |
XCV100 |
XCV150 |
XCV200 |
XCV300 |
XCV400 |
XCV600 |
XCV800 |
XCV1000 |
|
CS-144 |
94 |
94 |
|||||||
TQ-144 |
98 |
98 |
|||||||
PQ-240 |
166 |
166 |
166 |
166 |
166 |
||||
HQ-240 |
166 |
166 |
166 |
||||||
BG-256 |
180 |
180 |
180 |
180 |
|||||
BG-352 |
260 |
260 |
260 |
||||||
BG-432 |
316 |
316 |
316 |
316 |
|||||
BG-560 |
404 |
404 |
404 |
404 |
|||||
FG-256 |
176 |
176 |
176 |
176 |
|||||
FG-456 |
260 |
284 |
312 |
||||||
FG-676 |
404 |
444 |
444 |
||||||
FG-680 |
512 |
512 |
512 |
10. Обозначение микросхем семейства Virtex
Способ обозначения микросхем семейства Virtex показан на Рис. 20.

Вместе с этим смотрят:
Полосно-пропускающий фильтрПонятие о телевидении
Портативный радиоприёмник средних волн
Предварительный усилитель с использованием ОУ