Проектирование активных RC-фильтров
Санкт-Петербургский государственный
электротехнический университет
Кафедра САПР
Пояснительная записка
Курсовая работа
на тему:
Вл Проектирование активных
RC-фильтровВ»
Преподаватель Хорьков Г. И.
Студент гр. 5361 Трухин С. Н.
-1997-
Введение
Активные RC-фильтры относятся к широко распространенному классу частотно избирательных цепей и , наряду с построенными на основе их использования генераторами синусоидальных колебаний , находят применение в системах передачи информации , автоматического управления и регулирования , технике измерения и различного рода функциональных преобразователях . Активные RC-фильтры (АФ) содержат пассивные избирательные RC-цепи и активные устройства (усилители , гираторы , конверторы отрицательного сопротивления) , при помощи которых получают требуемую добротность звеньев второго порядка .
Основной задачей при проектировании АФ является получение заданной формы амплитудно-частотной характеристики .
Цель курсового проекта состоит в практическом ознакомлении с основами синтеза активных RC-фильтров и генераторов синусоидальных сигналов , способами ручного и машинного анализа характеристик разработанного устройства .
Проектирование активных RC-фильтров
Аппроксимация
Под электрическим фильтром понимается четырехполюсник , модуль передаточной функции которого остается практически постоянным в определенной области частот , называемой полосой пропускания , и достаточно резко падает с удалением от границ этой области . Границы области пропускания именуются граничными частотами . Область частот с достаточно большим подавлением амплитуды сигнала называется полосой заграждения . Между полосами пропускания и заграждения находится переходная область .
Синтез частотно-избирательных цепей связан с решением двух задач :
тАФзадачи образования функции , так называемой аппроксимации функции , по исходным данным ;
тАФзадачи реализации найденной аппроксимирующей функции электрической цепью .
В данной работе проектируется фильтр нижних частот (ФНЧ) и используется аппроксимация по Чебышеву .
Исходными данными для проектирования фильтра на этапе аппроксимации обычно
являются :
d - определяет неравномерность коэффициента передачи фильтра в
полосе пропускания;
ω1,ω2 - определяют ширину промежуточной зоны между полосой
задерживания и полосой пропускания ;
|H(jω2) | - модуль коэффициента передачи фильтра на границе полосы
задерживания .
Техническое задание к курсовому проектированию
Вид аппроксимации - аппроксимация по Чебышеву
Входной сигнал - в цифровой форме
d<0.15
|H(jw2)| <0.08
F1=0.50 kHz
F2=0.75 kHz
Uвх.макс = 2.0 В
Uвых.макс = 12 В
D = 65 дБ
Rн = 10 кОм
Rг = 2 кОм
Температурный диапазон +5..+35 °C
Аппроксимация по Чебышеву.
При аппроксимации по Чебышеву используется следующее выражение для H(jwн) :
![]()
где Un(wн) = cos (n arcos wн) тАФ полином Чебышева .
Нахождение порядка полинома n при аппроксимации по Чебышеву производится следующим образом .
На границе полосы пропускания полагаем wн1 = 1, отсюда


Т. к. H(jwн2) << 1 , то
Т. о. порядок n полинома находится из следующего выражения :
![]()
Т. к. wн2 = 1.46 ( f1 = 0.5 кГц , f2 = 0.73 кГц ) , то
Примем n = 3
Полюса передаточной функции H(pн) при аппроксимации по Чебышеву имеют вид

p1,2 = -0.235±j0.937
p3 = -0.470
Расположение корней на элипсе

Данные значения получены для pн

Аппроксимирующая функция имеет вид

Расчет АЧХ и ФЧХ

Графики амплитудно- и фазо- частотных характеристик передаточных функций первого и второго звеньев .
АЧХ первого звена

ФЧХ первого звена

АЧХ второго звена

ФЧХ второго звена

АЧХ двух звеньев в целом

ФЧХ двух звеньев в целом

Расчет схемы в системе Pspice .
Графики АЧХ и ФЧХ для 1го звена


Графики АЧХ и ФЧХ для 2го звена .


Графики АЧХ , ФЧХ и статическая характеристика для системы в целом .



Расчет чувствительности схемы на наихудший случай .
Расчет чувствительности схемы при максимальном разбросе значений резисторов :
Амплитудно - частотная характеристика

Фазо - частотная характеристика

Расчет чувствительности схемы при максимальном разбросе значений конденсаторов :
Амплитудно - частотная характеристика

Фазо - частотная характеристика

Расчет чувствительности схемы при максимальном разбросе значений резисторов и конденсаторов .
Амплитудно - частотная характеристика

Фазо - частотная характеристика

Расчет динамического диапазона схемы
Выражение для расчета динамического диапазона :
D= 20 * log (Uвых.макс / Uвых.0)
Uвых.макс = 12 В
Uвых0 возьмем из графика статической характеристики .

Uвых0 = 8*(10^-6)
Полученное значение динамического диапазона :
D=123
На вход схемы ставится Цифро-аналоговый преобразователь (двенадцатиразрядный
ЦАП К572ПА2А ), так как в техническом задании указано условие цифровой формы входного сигнала .
Для согласования напряжения на выходе ЦАП и входе фильтра на выход ЦАП ставится ОУ с резистором в цепи обратной связи .
R=Uвх.фильтра / I вых.цап = 1/(0.0008)=1.25 Ком

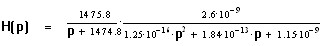
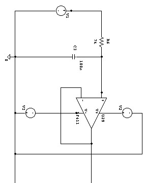
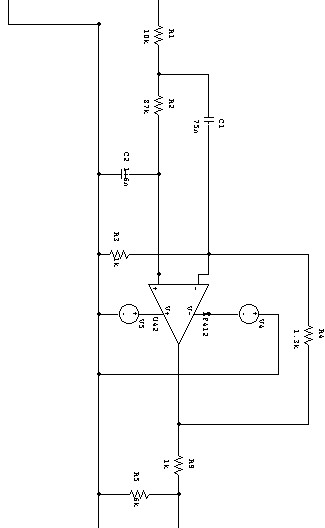
Схема фильтра



Обозначение Наименование Количество Резисторы R1 МЛТ - 0.125 - 10к±5% 1 R2 МЛТ - 0.125 - 87к±5% 1 R3,R8,R9 МЛТ - 0.125 - 1к±5% 3 R4 МЛТ - 0.125 - 1.3к±5% 1 R5 МЛТ - 0.125 - 5к±5% 1 R6 МЛТ - 0.125 -7к±5% 1
Конденсаторы С1 К10-50-75n-25В±10% 1 С2 К10-50-1.6n-25В±10% 1 С3 К10-50-100n-25В±10% 1 Операционные усилители U1,..U3 LF 411 3 |
Выходной файл данных Pspice
**** 12/14/97 08:52:23 ********* PSpice 5.1 (Jan 1992) ******** ID# 62539 ****
* C:\PS-PICE\kurs_pro.sch
**** CIRCUIT DESCRIPTION
******************************************************************************
* Schematics Version 5.1 - January 1992
* Sun Dec 14 06:00:06 1997
* From [SCHEMATICS NETLIST] section of msim.ini:
.lib
.INC "C:\PS-PICE\kurs_pro.net"
**** INCLUDING C:\PS-PICE\kurs_pro.net ****
* Schematics Netlist *
R_R1 $N_0003 $N_0002 r 10k
R_R2 $N_0002 $N_0004 r 87k
R_R3 0 $N_0005 r 1k
C_C1 $N_0002 $N_0005 c 75n
C_C2 0 $N_0004 c 1.6n
R_R4 $N_0005 $N_0007 r 1.3k
R_R5 0 $N_0008 r 6k
v_V4 0 $N_0009 dc 15
v_V5 $N_0010 0 dc 15
v_V1 $N_0011 0 dc 1 ac 1
v_V2 $N_0012 0 dc 15
v_V3 0 $N_0013 dc 15
C_C3 0 $N_0014 c 100n
R_R6 $N_0011 $N_0014 r 7k
X_U29 $N_0014 $N_0003 $N_0012 $N_0013 $N_0003 LF411
X_U42 $N_0004 $N_0005 $N_0010 $N_0009 $N_0007 LF412
X_U43 $N_0008 out $N_0017 $N_0018 out LF411
v_V7 0 $N_0018 dc 15
v_V8 $N_0017 0 dc 15
R_R8 0 out r 1k
R_R9 $N_0007 $N_0008 r 1k
.model r res(r=1 dev=5%)
.model c cap(c=1 dev=10%)
.wcase ac V([out]) Ymax
**** RESUMING kurs_pro.cir ****
.INC "C:\PS-PICE\kurs_pro.als"
**** INCLUDING C:\PS-PICE\kurs_pro.als ****
* Schematics Aliases *
.ALIASES
R_R1 R1(1=$N_0003 2=$N_0002 )
R_R2 R2(1=$N_0002 2=$N_0004 )
R_R3 R3(1=0 2=$N_0005 )
C_C1 C1(1=$N_0002 2=$N_0005 )
C_C2 C2(1=0 2=$N_0004 )
R_R4 R4(1=$N_0005 2=$N_0007 )
R_R5 R5(1=0 2=$N_0008 )
v_V4 V4(+=0 -=$N_0009 )
v_V5 V5(+=$N_0010 -=0 )
v_V1 V1(+=$N_0011 -=0 )
v_V2 V2(+=$N_0012 -=0 )
v_V3 V3(+=0 -=$N_0013 )
C_C3 C3(1=0 2=$N_0014 )
R_R6 R6(1=$N_0011 2=$N_0014 )
X_U29 U29(+=$N_0014 -=$N_0003 V+=$N_0012 V-=$N_0013 5=$N_0003 )
X_U42 U42(+=$N_0004 -=$N_0005 V+=$N_0010 V-=$N_0009 5=$N_0007 )
X_U43 U43(+=$N_0008 -=out V+=$N_0017 V-=$N_0018 5=out )
v_V7 V7(+=0 -=$N_0018 )
v_V8 V8(+=$N_0017 -=0 )
R_R8 R8(1=0 2=out )
R_R9 R9(1=$N_0007 2=$N_0008 )
_ _(out=out)
.ENDALIASES
**** RESUMING kurs_pro.cir ****
** Analysis setup **
.ac LIN 1000 1 1K
.DC LIN v_V1 -10v 10v 1v
.END
**** 12/14/97 08:52:23 ********* PSpice 5.1 (Jan 1992) ******** ID# 62539 ****
* C:\PS-PICE\kurs_pro.sch
**** Diode MODEL PARAMETERS
******************************************************************************
X_U29.dx X_U43.dx
IS 800.000000E-18 800.000000E-18
RS 1 1
X_U42.x_lf412.dx
IS 800.000000E-18
RS 1
**** 12/14/97 08:52:23 ********* PSpice 5.1 (Jan 1992) ******** ID# 62539 ****
* C:\PS-PICE\kurs_pro.sch
**** Junction FET MODEL PARAMETERS
******************************************************************************
X_U29.jx X_U43.jx
NJF NJF
VTO -1 -1
BETA 743.300000E-06 743.300000E-06
IS 12.500000E-12 12.500000E-12
X_U42.x_lf412.jx
NJF
VTO -1
BETA 743.300000E-06
IS 12.500000E-12
**** 12/14/97 08:52:23 ********* PSpice 5.1 (Jan 1992) ******** ID# 62539 ****
* C:\PS-PICE\kurs_pro.sch
**** Resistor MODEL PARAMETERS
******************************************************************************
r
R 1
**** 12/14/97 08:52:23 ********* PSpice 5.1 (Jan 1992) ******** ID# 62539 ****
* C:\PS-PICE\kurs_pro.sch
**** Capacitor MODEL PARAMETERS
******************************************************************************
c
C 1
**** 12/14/97 08:52:23 ********* PSpice 5.1 (Jan 1992) ******** ID# 62539 ****
* C:\PS-PICE\kurs_pro.sch
**** SMALL SIGNAL BIAS SOLUTION TEMPERATURE = 27.000 DEG C
SENSITIVITY NOMINAL
******************************************************************************
NODE VOLTAGE NODE VOLTAGE NODE VOLTAGE NODE VOLTAGE
( out) 1.9714 ($N_0002) 1.0000 ($N_0003) 1.0000
($N_0004) 1.0000 ($N_0005) 1.0000
($N_0007) 2.3000 ($N_0008) 1.9714
($N_0009) -15.0000 ($N_0010) 15.0000
($N_0011) 1.0000 ($N_0012) 15.0000
($N_0013) -15.0000 ($N_0014) 1.0000
($N_0017) 15.0000 ($N_0018) -15.0000
(X_U29.6)-125.9E-06 (X_U29.7) 1.0000
(X_U29.8) 1.0000 (X_U29.9) 0.0000
(X_U43.6)-267.1E-06 (X_U43.7) 2.0699
(X_U43.8) 2.0699 (X_U43.9) 0.0000
(X_U29.10) 1.6604 (X_U29.11) 14.6590
(X_U29.12) 14.6590 (X_U29.53) 13.5000
(X_U29.54) -13.5000 (X_U29.90)-76.64E-09
(X_U29.91) 25.0000 (X_U29.92) -25.0000
(X_U29.99) 0.0000 (X_U43.10) 2.6310
(X_U43.11) 14.6570 (X_U43.12) 14.6570
(X_U43.53) 13.5000 (X_U43.54) -13.5000
(X_U43.90) 1.9714 (X_U43.91) 25.0000
(X_U43.92) -25.0000 (X_U43.99) 0.0000
(X_U42.x_lf412.6)-302.2E-06 (X_U42.x_lf412.7) 2.3664
(X_U42.x_lf412.8) 2.3664 (X_U42.x_lf412.9) 0.0000
(X_U42.x_lf412.10) 1.6604 (X_U42.x_lf412.11) 14.6590
(X_U42.x_lf412.12) 14.6590 (X_U42.x_lf412.53) 13.5000
(X_U42.x_lf412.54) -13.5000 (X_U42.x_lf412.90) 1.3285
(X_U42.x_lf412.91) 25.0000 (X_U42.x_lf412.92) -25.0000
(X_U42.x_lf412.99) 0.0000
VOLTAGE SOURCE CURRENTS
NAME CURRENT
v_V4 -2.170E-03
v_V5 -2.171E-03
v_V1 3.932E-11
v_V2 -2.171E-03
v_V3 -2.170E-03
v_V7 -2.170E-03
v_V8 -2.172E-03
X_U29.vb -1.259E-09
X_U29.vc 1.250E-11
X_U29.ve 1.450E-11
X_U29.vlim -7.664E-11
X_U29.vlp -2.500E-11
X_U29.vln -2.500E-11
X_U43.vb -2.671E-09
X_U43.vc 1.153E-11
X_U43.ve 1.547E-11
X_U43.vlim 1.971E-03
X_U43.vlp -2.303E-11
X_U43.vln -2.697E-11
X_U42.x_lf412.vb -3.022E-09
X_U42.x_lf412.vc 1.120E-11
X_U42.x_lf412.ve 1.580E-11
X_U42.x_lf412.vlim 1.329E-03
X_U42.x_lf412.vlp -2.367E-11
X_U42.x_lf412.vln -2.633E-11
TOTAL POWER DISSIPATION 1.95E-01 WATTS
NODE VOLTAGE NODE VOLTAGE NODE VOLTAGE NODE VOLTAGE
( out) 1.9714 ($N_0002) 1.0000 ($N_0003) 1.0000
($N_0004) 1.0000 ($N_0005) 1.0000
($N_0007) 2.3000 ($N_0008) 1.9714
($N_0009) -15.0000 ($N_0010) 15.0000
($N_0011) 1.0000 ($N_0012) 15.0000
($N_0013) -15.0000 ($N_0014) 1.0000
($N_0017) 15.0000 ($N_0018) -15.0000
(X_U29.6)-125.9E-06 (X_U29.7) 1.0000
(X_U29.8) 1.0000 (X_U29.9) 0.0000
(X_U43.6)-267.1E-06 (X_U43.7) 2.0699
(X_U43.8) 2.0699 (X_U43.9) 0.0000
(X_U29.10) 1.6604 (X_U29.11) 14.6590
(X_U29.12) 14.6590 (X_U29.53) 13.5000
(X_U29.54) -13.5000 (X_U29.90)-76.64E-09
(X_U29.91) 25.0000 (X_U29.92) -25.0000
(X_U29.99) 0.0000 (X_U43.10) 2.6310
(X_U43.11) 14.6570 (X_U43.12) 14.6570
(X_U43.53) 13.5000 (X_U43.54) -13.5000
(X_U43.90) 1.9714 (X_U43.91) 25.0000
(X_U43.92) -25.0000 (X_U43.99) 0.0000
(X_U42.x_lf412.6)-302.2E-06 (X_U42.x_lf412.7) 2.3664
(X_U42.x_lf412.8) 2.3664 (X_U42.x_lf412.9) 0.0000
(X_U42.x_lf412.10) 1.6604 (X_U42.x_lf412.11) 14.6590
(X_U42.x_lf412.12) 14.6590 (X_U42.x_lf412.53) 13.5000
(X_U42.x_lf412.54) -13.5000 (X_U42.x_lf412.90) 1.3285
(X_U42.x_lf412.91) 25.0000 (X_U42.x_lf412.92) -25.0000
(X_U42.x_lf412.99) 0.0000
VOLTAGE SOURCE CURRENTS
NAME CURRENT
v_V4 -2.170E-03
v_V5 -2.171E-03
v_V1 3.932E-11
v_V2 -2.171E-03
v_V3 -2.170E-03
v_V7 -2.170E-03
v_V8 -2.172E-03
X_U29.vb -1.259E-09
X_U29.vc 1.250E-11
X_U29.ve 1.450E-11
X_U29.vlim -7.664E-11
X_U29.vlp -2.500E-11
X_U29.vln -2.500E-11
X_U43.vb -2.671E-09
X_U43.vc 1.153E-11
X_U43.ve 1.547E-11
X_U43.vlim 1.971E-03
X_U43.vlp -2.303E-11
X_U43.vln -2.697E-11
X_U42.x_lf412.vb -3.022E-09
X_U42.x_lf412.vc 1.120E-11
X_U42.x_lf412.ve 1.580E-11
X_U42.x_lf412.vlim 1.329E-03
X_U42.x_lf412.vlp -2.367E-11
X_U42.x_lf412.vln -2.633E-11
TOTAL POWER DISSIPATION 1.95E-01 WATTS
NODE VOLTAGE NODE VOLTAGE NODE VOLTAGE NODE VOLTAGE
( out) 1.9714 ($N_0002) 1.0000 ($N_0003) 1.0000
($N_0004) 1.0000 ($N_0005) 1.0000
($N_0007) 2.3000 ($N_0008) 1.9714
($N_0009) -15.0000 ($N_0010) 15.0000
($N_0011) 1.0000 ($N_0012) 15.0000
($N_0013) -15.0000 ($N_0014) 1.0000
($N_0017) 15.0000 ($N_0018) -15.0000
(X_U29.6)-125.9E-06 (X_U29.7) 1.0000
(X_U29.8) 1.0000 (X_U29.9) 0.0000
(X_U43.6)-267.1E-06 (X_U43.7) 2.0699
(X_U43.8) 2.0699 (X_U43.9) 0.0000
(X_U29.10) 1.6604 (X_U29.11) 14.6590
(X_U29.12) 14.6590 (X_U29.53) 13.5000
(X_U29.54) -13.5000 (X_U29.90)-76.64E-09
(X_U29.91) 25.0000 (X_U29.92) -25.0000
(X_U29.99) 0.0000 (X_U43.10) 2.6310
(X_U43.11) 14.6570 (X_U43.12) 14.6570
(X_U43.53) 13.5000 (X_U43.54) -13.5000
(X_U43.90) 1.9714 (X_U43.91) 25.0000
(X_U43.92) -25.0000 (X_U43.99) 0.0000
(X_U42.x_lf412.6)-302.2E-06 (X_U42.x_lf412.7) 2.3664
(X_U42.x_lf412.8) 2.3664 (X_U42.x_lf412.9) 0.0000
(X_U42.x_lf412.10) 1.6604 (X_U42.x_lf412.11) 14.6590
(X_U42.x_lf412.12) 14.6590 (X_U42.x_lf412.53) 13.5000
(X_U42.x_lf412.54) -13.5000 (X_U42.x_lf412.90) 1.3285
(X_U42.x_lf412.91) 25.0000 (X_U42.x_lf412.92) -25.0000
(X_U42.x_lf412.99) 0.0000
VOLTAGE SOURCE CURRENTS
NAME CURRENT
v_V4 -2.170E-03
v_V5 -2.171E-03
v_V1 3.932E-11
v_V2 -2.171E-03
v_V3 -2.170E-03
v_V7 -2.170E-03
v_V8 -2.172E-03
X_U29.vb -1.259E-09
X_U29.vc 1.250E-11
X_U29.ve 1.450E-11
X_U29.vlim -7.664E-11
X_U29.vlp -2.500E-11
X_U29.vln -2.500E-11
X_U43.vb -2.671E-09
X_U43.vc 1.153E-11
X_U43.ve 1.547E-11
X_U43.vlim 1.971E-03
X_U43.vlp -2.303E-11
X_U43.vln -2.697E-11
X_U42.x_lf412.vb -3.022E-09
X_U42.x_lf412.vc 1.120E-11
X_U42.x_lf412.ve 1.580E-11
X_U42.x_lf412.vlim 1.329E-03
X_U42.x_lf412.vlp -2.367E-11
X_U42.x_lf412.vln -2.633E-11
TOTAL POWER DISSIPATION 1.95E-01 WATTS
NODE VOLTAGE NODE VOLTAGE NODE VOLTAGE NODE VOLTAGE
( out) 1.9714 ($N_0002) 1.0000 ($N_0003) 1.0000
($N_0004) 1.0000 ($N_0005) 1.0000
($N_0007) 2.3000 ($N_0008) 1.9714
($N_0009) -15.0000 ($N_0010) 15.0000
($N_0011) 1.0000 ($N_0012) 15.0000
($N_0013) -15.0000 ($N_0014) 1.0000
($N_0017) 15.0000 ($N_0018) -15.0000
(X_U29.6)-125.9E-06 (X_U29.7) 1.0000
(X_U29.8) 1.0000 (X_U29.9) 0.0000
(X_U43.6)-267.1E-06 (X_U43.7) 2.0699
(X_U43.8) 2.0699 (X_U43.9) 0.0000
(X_U29.10) 1.6604 (X_U29.11) 14.6590
(X_U29.12) 14.6590 (X_U29.53) 13.5000
(X_U29.54) -13.5000 (X_U29.90)-76.64E-09
(X_U29.91) 25.0000 (X_U29.92) -25.0000
(X_U29.99) 0.0000 (X_U43.10) 2.6310
(X_U43.11) 14.6570 (X_U43.12) 14.6570
(X_U43.53) 13.5000 (X_U43.54) -13.5000
(X_U43.90) 1.9714 (X_U43.91) 25.0000
(X_U43.92) -25.0000 (X_U43.99) 0.0000
(X_U42.x_lf412.6)-302.2E-06 (X_U42.x_lf412.7) 2.3664
(X_U42.x_lf412.8) 2.3664 (X_U42.x_lf412.9) 0.0000
(X_U42.x_lf412.10) 1.6604 (X_U42.x_lf412.11) 14.6590
(X_U42.x_lf412.12) 14.6590 (X_U42.x_lf412.53) 13.5000
(X_U42.x_lf412.54) -13.5000 (X_U42.x_lf412.90) 1.3285
(X_U42.x_lf412.91) 25.0000 (X_U42.x_lf412.92) -25.0000
(X_U42.x_lf412.99) 0.0000
VOLTAGE SOURCE CURRENTS
NAME CURRENT
v_V4 -2.170E-03
v_V5 -2.171E-03
v_V1 3.932E-11
v_V2 -2.171E-03
v_V3 -2.170E-03
v_V7 -2.170E-03
v_V8 -2.172E-03
X_U29.vb -1.259E-09
X_U29.vc 1.250E-11
X_U29.ve 1.450E-11
X_U29.vlim -7.664E-11
X_U29.vlp -2.500E-11
X_U29.vln -2.500E-11
X_U43.vb -2.671E-09
X_U43.vc 1.153E-11
X_U43.ve 1.547E-11
X_U43.vlim 1.971E-03
X_U43.vlp -2.303E-11
X_U43.vln -2.697E-11
X_U42.x_lf412.vb -3.022E-09
X_U42.x_lf412.vc 1.120E-11
X_U42.x_lf412.ve 1.580E-11
X_U42.x_lf412.vlim 1.329E-03
X_U42.x_lf412.vlp -2.367E-11
X_U42.x_lf412.vln -2.633E-11
TOTAL POWER DISSIPATION 1.95E-01 WATTS
NODE VOLTAGE NODE VOLTAGE NODE VOLTAGE NODE VOLTAGE
( out) 1.9714 ($N_0002) 1.0000 ($N_0003) 1.0000
($N_0004) 1.0000 ($N_0005) 1.0000
($N_0007) 2.3000 ($N_0008) 1.9714
($N_0009) -15.0000 ($N_0010) 15.0000
($N_0011) 1.0000 ($N_0012) 15.0000
($N_0013) -15.0000 ($N_0014) 1.0000
($N_0017) 15.0000 ($N_0018) -15.0000
(X_U29.6)-125.9E-06 (X_U29.7) 1.0000
(X_U29.8) 1.0000 (X_U29.9) 0.0000
(X_U43.6)-267.1E-06 (X_U43.7) 2.0699
(X_U43.8) 2.0699 (X_U43.9) 0.0000
(X_U29.10) 1.6604 (X_U29.11) 14.6590
(X_U29.12) 14.6590 (X_U29.53) 13.5000
(X_U29.54) -13.5000 (X_U29.90)-76.64E-09
(X_U29.91) 25.0000 (X_U29.92) -25.0000
(X_U29.99) 0.0000 (X_U43.10) 2.6310
(X_U43.11) 14.6570 (X_U43.12) 14.6570
(X_U43.53) 13.5000 (X_U43.54) -13.5000
(X_U43.90) 1.9714 (X_U43.91) 25.0000
(X_U43.92) -25.0000 (X_U43.99) 0.0000
(X_U42.x_lf412.6)-302.2E-06 (X_U42.x_lf412.7) 2.3664
(X_U42.x_lf412.8) 2.3664 (X_U42.x_lf412.9) 0.0000
(X_U42.x_lf412.10) 1.6604 (X_U42.x_lf412.11) 14.6590
(X_U42.x_lf412.12) 14.6590 (X_U42.x_lf412.53) 13.5000
(X_U42.x_lf412.54) -13.5000 (X_U42.x_lf412.90) 1.3285
(X_U42.x_lf412.91) 25.0000 (X_U42.x_lf412.92) -25.0000
(X_U42.x_lf412.99) 0.0000
VOLTAGE SOURCE CURRENTS
NAME CURRENT
v_V4 -2.170E-03
v_V5 -2.171E-03
v_V1 3.932E-11
v_V2 -2.171E-03
v_V3 -2.170E-03
v_V7 -2.170E-03
v_V8 -2.172E-03
X_U29.vb -1.259E-09
X_U29.vc 1.250E-11
X_U29.ve 1.450E-11
X_U29.vlim -7.664E-11
X_U29.vlp -2.500E-11
X_U29.vln -2.500E-11
X_U43.vb -2.671E-09
X_U43.vc 1.153E-11
X_U43.ve 1.547E-11
X_U43.vlim 1.971E-03
X_U43.vlp -2.303E-11
X_U43.vln -2.697E-11
X_U42.x_lf412.vb -3.022E-09
X_U42.x_lf412.vc 1.120E-11
X_U42.x_lf412.ve 1.580E-11
X_U42.x_lf412.vlim 1.329E-03
X_U42.x_lf412.vlp -2.367E-11
X_U42.x_lf412.vln -2.633E-11
TOTAL POWER DISSIPATION 1.95E-01 WATTS
NODE VOLTAGE NODE VOLTAGE NODE VOLTAGE NODE VOLTAGE
( out) 1.9714 ($N_0002) 1.0000 ($N_0003) 1.0000
($N_0004) 1.0000 ($N_0005) 1.0000
($N_0007) 2.3000 ($N_0008) 1.9714
($N_0009) -15.0000 ($N_0010) 15.0000
($N_0011) 1.0000 ($N_0012) 15.0000
($N_0013) -15.0000 ($N_0014) 1.0000
($N_0017) 15.0000 ($N_0018) -15.0000
(X_U29.6)-125.9E-06 (X_U29.7) 1.0000
(X_U29.8) 1.0000 (X_U29.9) 0.0000
(X_U43.6)-267.1E-06 (X_U43.7) 2.0699
(X_U43.8) 2.0699 (X_U43.9) 0.0000
(X_U29.10) 1.6604 (X_U29.11) 14.6590
(X_U29.12) 14.6590 (X_U29.53) 13.5000
(X_U29.54) -13.5000 (X_U29.90)-76.64E-09
(X_U29.91) 25.0000 (X_U29.92) -25.0000
(X_U29.99) 0.0000 (X_U43.10) 2.6310
(X_U43.11) 14.6570 (X_U43.12) 14.6570
(X_U43.53) 13.5000 (X_U43.54) -13.5000
(X_U43.90) 1.9714 (X_U43.91) 25.0000
(X_U43.92) -25.0000 (X_U43.99) 0.0000
(X_U42.x_lf412.6)-302.2E-06 (X_U42.x_lf412.7) 2.3664
(X_U42.x_lf412.8) 2.3664 (X_U42.x_lf412.9) 0.0000
(X_U42.x_lf412.10) 1.6604 (X_U42.x_lf412.11) 14.6590
(X_U42.x_lf412.12) 14.6590 (X_U42.x_lf412.53) 13.5000
(X_U42.x_lf412.54) -13.5000 (X_U42.x_lf412.90) 1.3285
(X_U42.x_lf412.91) 25.0000 (X_U42.x_lf412.92) -25.0000
(X_U42.x_lf412.99) 0.0000
VOLTAGE SOURCE CURRENTS
NAME CURRENT
v_V4 -2.170E-03
v_V5 -2.171E-03
v_V1 3.932E-11
v_V2 -2.171E-03
v_V3 -2.170E-03
v_V7 -2.170E-03
v_V8 -2.172E-03
X_U29.vb -1.259E-09
X_U29.vc 1.250E-11
X_U29.ve 1.450E-11
X_U29.vlim -7.664E-11
X_U29.vlp -2.500E-11
X_U29.vln -2.500E-11
X_U43.vb -2.671E-09
X_U43.vc 1.153E-11
X_U43.ve 1.547E-11
X_U43.vlim 1.971E-03
X_U43.vlp -2.303E-11
X_U43.vln -2.697E-11
X_U42.x_lf412.vb -3.022E-09
X_U42.x_lf412.vc 1.120E-11
X_U42.x_lf412.ve 1.580E-11
X_U42.x_lf412.vlim 1.329E-03
X_U42.x_lf412.vlp -2.367E-11
X_U42.x_lf412.vln -2.633E-11
TOTAL POWER DISSIPATION 1.95E-01 WATTS
NODE VOLTAGE NODE VOLTAGE NODE VOLTAGE NODE VOLTAGE
( out) 1.9703 ($N_0002) 1.0000 ($N_0003) 1.0000
($N_0004) 1.0000 ($N_0005) 1.0000
($N_0007) 2.2987 ($N_0008) 1.9703
($N_0009) -15.0000 ($N_0010) 15.0000
($N_0011) 1.0000 ($N_0012) 15.0000
($N_0013) -15.0000 ($N_0014) 1.0000
($N_0017) 15.0000 ($N_0018) -15.0000
(X_U29.6)-125.9E-06 (X_U29.7) 1.0000
(X_U29.8) 1.0000 (X_U29.9) 0.0000
(X_U43.6)-266.9E-06 (X_U43.7) 2.0688
(X_U43.8) 2.0688 (X_U43.9) 0.0000
(X_U29.10) 1.6604 (X_U29.11) 14.6590
(X_U29.12) 14.6590 (X_U29.53) 13.5000
(X_U29.54) -13.5000 (X_U29.90)-76.64E-09
(X_U29.91) 25.0000 (X_U29.92) -25.0000
(X_U29.99) 0.0000 (X_U43.10) 2.6299
(X_U43.11) 14.6570 (X_U43.12) 14.6570
(X_U43.53) 13.5000 (X_U43.54) -13.5000
(X_U43.90) 1.9703 (X_U43.91) 25.0000
(X_U43.92) -25.0000 (X_U43.99) 0.0000
(X_U42.x_lf412.6)-302.1E-06 (X_U42.x_lf412.7) 2.3650
(X_U42.x_lf412.8) 2.3650 (X_U42.x_lf412.9) 0.0000
(X_U42.x_lf412.10) 1.6604 (X_U42.x_lf412.11) 14.6590
(X_U42.x_lf412.12) 14.6590 (X_U42.x_lf412.53) 13.5000
(X_U42.x_lf412.54) -13.5000 (X_U42.x_lf412.90) 1.3274
(X_U42.x_lf412.91) 25.0000 (X_U42.x_lf412.92) -25.0000
(X_U42.x_lf412.99) 0.0000
VOLTAGE SOURCE CURRENTS
NAME CURRENT
v_V4 -2.170E-03
v_V5 -2.171E-03
v_V1 3.932E-11
v_V2 -2.171E-03
v_V3 -2.170E-03
v_V7 -2.170E-03
v_V8 -2.172E-03
X_U29.vb -1.259E-09
X_U29.vc 1.250E-11
X_U29.ve 1.450E-11
X_U29.vlim -7.664E-11
X_U29.vlp -2.500E-11
X_U29.vln -2.500E-11
X_U43.vb -2.669E-09
X_U43.vc 1.153E-11
X_U43.ve 1.547E-11
X_U43.vlim 1.970E-03
X_U43.vlp -2.303E-11
X_U43.vln -2.697E-11
X_U42.x_lf412.vb -3.021E-09
X_U42.x_lf412.vc 1.120E-11
X_U42.x_lf412.ve 1.580E-11
X_U42.x_lf412.vlim 1.327E-03
X_U42.x_lf412.vlp -2.367E-11
X_U42.x_lf412.vln -2.633E-11
TOTAL POWER DISSIPATION 1.95E-01 WATTS
NODE VOLTAGE NODE VOLTAGE NODE VOLTAGE NODE VOLTAGE
( out) 1.9725 ($N_0002) 1.0000 ($N_0003) 1.0000
($N_0004) 1.0000 ($N_0005) 1.0000
($N_0007) 2.3013 ($N_0008) 1.9725
($N_0009) -15.0000 ($N_0010) 15.0000
($N_0011) 1.0000 ($N_0012) 15.0000
($N_0013) -15.0000 ($N_0014) 1.0000
($N_0017) 15.0000 ($N_0018) -15.0000
(X_U29.6)-125.9E-06 (X_U29.7) 1.0000
(X_U29.8) 1.0000 (X_U29.9) 0.0000
(X_U43.6)-267.2E-06 (X_U43.7) 2.0711
(X_U43.8) 2.0711 (X_U43.9) 0.0000
(X_U29.10) 1.6604 (X_U29.11) 14.6590
(X_U29.12) 14.6590 (X_U29.53) 13.5000
(X_U29.54) -13.5000 (X_U29.90)-76.64E-09
(X_U29.91) 25.0000 (X_U29.92) -25.0000
(X_U29.99) 0.0000 (X_U43.10) 2.6321
(X_U43.11) 14.6570 (X_U43.12) 14.6570
(X_U43.53) 13.5000 (X_U43.54) -13.5000
(X_U43.90) 1.9725 (X_U43.91) 25.0000
(X_U43.92) -25.0000 (X_U43.99) 0.0000
(X_U42.x_lf412.6)-302.4E-06 (X_U42.x_lf412.7) 2.3677
(X_U42.x_lf412.8) 2.3677 (X_U42.x_lf412.9) 0.0000
(X_U42.x_lf412.10) 1.6604 (X_U42.x_lf412.11) 14.6590
(X_U42.x_lf412.12) 14.6590 (X_U42.x_lf412.53) 13.5000
(X_U42.x_lf412.54) -13.5000 (X_U42.x_lf412.90) 1.3287
(X_U42.x_lf412.91) 25.0000 (X_U42.x_lf412.92) -25.0000
(X_U42.x_lf412.99) 0.0000
VOLTAGE SOURCE CURRENTS
NAME CURRENT
v_V4 -2.170E-03
v_V5 -2.171E-03
v_V1 3.932E-11
v_V2 -2.171E-03
v_V3 -2.170E-03
v_V7 -2.170E-03
v_V8 -2.172E-03
X_U29.vb -1.259E-09
X_U29.vc 1.250E-11
X_U29.ve 1.450E-11
X_U29.vlim -7.664E-11
X_U29.vlp -2.500E-11
X_U29.vln -2.500E-11
X_U43.vb -2.672E-09
X_U43.vc 1.153E-11
X_U43.ve 1.547E-11
X_U43.vlim 1.972E-03
X_U43.vlp -2.303E-11
X_U43.vln -2.697E-11
X_U42.x_lf412.vb -3.024E-09
X_U42.x_lf412.vc 1.120E-11
X_U42.x_lf412.ve 1.580E-11
X_U42.x_lf412.vlim 1.329E-03
X_U42.x_lf412.vlp -2.367E-11
X_U42.x_lf412.vln -2.633E-11
TOTAL POWER DISSIPATION 1.95E-01 WATTS
NODE VOLTAGE NODE VOLTAGE NODE VOLTAGE NODE VOLTAGE
( out) 1.9717 ($N_0002) 1.0000 ($N_0003) 1.0000
($N_0004) 1.0000 ($N_0005) 1.0000
($N_0007) 2.3000 ($N_0008) 1.9717
($N_0009) -15.0000 ($N_0010) 15.0000
($N_0011) 1.0000 ($N_0012) 15.0000
($N_0013) -15.0000 ($N_0014) 1.0000
($N_0017) 15.0000 ($N_0018) -15.0000
(X_U29.6)-125.9E-06 (X_U29.7) 1.0000
(X_U29.8) 1.0000 (X_U29.9) 0.0000
(X_U43.6)-267.1E-06 (X_U43.7) 2.0702
(X_U43.8) 2.0702 (X_U43.9) 0.0000
(X_U29.10) 1.6604 (X_U29.11) 14.6590
(X_U29.12) 14.6590 (X_U29.53) 13.5000
(X_U29.54) -13.5000 (X_U29.90)-76.64E-09
(X_U29.91) 25.0000 (X_U29.92) -25.0000
(X_U29.99) 0.0000 (X_U43.10) 2.6313
(X_U43.11) 14.6570 (X_U43.12) 14.6570
(X_U43.53) 13.5000 (X_U43.54) -13.5000
(X_U43.90) 1.9717 (X_U43.91) 25.0000
(X_U43.92) -25.0000 (X_U43.99) 0.0000
(X_U42.x_lf412.6)-302.2E-06 (X_U42.x_lf412.7) 2.3664
(X_U42.x_lf412.8) 2.3664 (X_U42.x_lf412.9) 0.0000
(X_U42.x_lf412.10) 1.6604 (X_U42.x_lf412.11) 14.6590
(X_U42.x_lf412.12) 14.6590 (X_U42.x_lf412.53) 13.5000
(X_U42.x_lf412.54) -13.5000 (X_U42.x_lf412.90) 1.3283
(X_U42.x_lf412.91) 25.0000 (X_U42.x_lf412.92) -25.0000
(X_U42.x_lf412.99) 0.0000
VOLTAGE SOURCE CURRENTS
NAME CURRENT
v_V4 -2.170E-03
v_V5 -2.171E-03
v_V1 3.932E-11
v_V2 -2.171E-03
v_V3 -2.170E-03
v_V7 -2.170E-03
v_V8 -2.172E-03
X_U29.vb -1.259E-09
X_U29.vc 1.250E-11
X_U29.ve 1.450E-11
X_U29.vlim -7.664E-11
X_U29.vlp -2.500E-11
X_U29.vln -2.500E-11
X_U43.vb -2.671E-09
X_U43.vc 1.153E-11
X_U43.ve 1.547E-11
X_U43.vlim 1.972E-03
X_U43.vlp -2.303E-11
X_U43.vln -2.697E-11
X_U42.x_lf412.vb -3.022E-09
X_U42.x_lf412.vc 1.120E-11
X_U42.x_lf412.ve 1.580E-11
X_U42.x_lf412.vlim 1.328E-03
X_U42.x_lf412.vlp -2.367E-11
X_U42.x_lf412.vln -2.633E-11
TOTAL POWER DISSIPATION 1.95E-01 WATTS
NODE VOLTAGE NODE VOLTAGE NODE VOLTAGE NODE VOLTAGE
( out) 1.9714 ($N_0002) 1.0000 ($N_0003) 1.0000
($N_0004) 1.0000 ($N_0005) 1.0000
($N_0007) 2.3000 ($N_0008) 1.9714
($N_0009) -15.0000 ($N_0010) 15.0000
($N_0011) 1.0000 ($N_0012) 15.0000
($N_0013) -15.0000 ($N_0014) 1.0000
($N_0017) 15.0000 ($N_0018) -15.0000
(X_U29.6)-125.9E-06 (X_U29.7) 1.0000
(X_U29.8) 1.0000 (X_U29.9) 0.0000
(X_U43.6)-267.1E-06 (X_U43.7) 2.0699
(X_U43.8) 2.0699 (X_U43.9) 0.0000
(X_U29.10) 1.6604 (X_U29.11) 14.6590
(X_U29.12) 14.6590 (X_U29.53) 13.5000
(X_U29.54) -13.5000 (X_U29.90)-76.64E-09
(X_U29.91) 25.0000 (X_U29.92) -25.0000
(X_U29.99) 0.0000 (X_U43.10) 2.6310
(X_U43.11) 14.6570 (X_U43.12) 14.6570
(X_U43.53) 13.5000 (X_U43.54) -13.5000
(X_U43.90) 1.9714 (X_U43.91) 25.0000
(X_U43.92) -25.0000 (X_U43.99) 0.0000
(X_U42.x_lf412.6)-302.2E-06 (X_U42.x_lf412.7) 2.3664
(X_U42.x_lf412.8) 2.3664 (X_U42.x_lf412.9) 0.0000
(X_U42.x_lf412.10) 1.6604 (X_U42.x_lf412.11) 14.6590
(X_U42.x_lf412.12) 14.6590 (X_U42.x_lf412.53) 13.5000
(X_U42.x_lf412.54) -13.5000 (X_U42.x_lf412.90) 1.3285
(X_U42.x_lf412.91) 25.0000 (X_U42.x_lf412.92) -25.0000
(X_U42.x_lf412.99) 0.0000
VOLTAGE SOURCE CURRENTS
NAME CURRENT
v_V4 -2.170E-03
v_V5 -2.171E-03
v_V1 3.932E-11
v_V2 -2.171E-03
v_V3 -2.170E-03
v_V7 -2.170E-03
v_V8 -2.172E-03
X_U29.vb -1.259E-09
X_U29.vc 1.250E-11
X_U29.ve 1.450E-11
X_U29.vlim -7.664E-11
X_U29.vlp -2.500E-11
X_U29.vln -2.500E-11
X_U43.vb -2.671E-09
X_U43.vc 1.153E-11
X_U43.ve 1.547E-11
X_U43.vlim 1.971E-03
X_U43.vlp -2.303E-11
X_U43.vln -2.697E-11
X_U42.x_lf412.vb -3.022E-09
X_U42.x_lf412.vc 1.120E-11
X_U42.x_lf412.ve 1.580E-11
X_U42.x_lf412.vlim 1.329E-03
X_U42.x_lf412.vlp -2.367E-11
X_U42.x_lf412.vln -2.633E-11
TOTAL POWER DISSIPATION 1.95E-01 WATTS
NODE VOLTAGE NODE VOLTAGE NODE VOLTAGE NODE VOLTAGE
( out) 1.9714 ($N_0002) 1.0000 ($N_0003) 1.0000
($N_0004) 1.0000 ($N_0005) 1.0000
($N_0007) 2.3000 ($N_0008) 1.9714
($N_0009) -15.0000 ($N_0010) 15.0000
($N_0011) 1.0000 ($N_0012) 15.0000
($N_0013) -15.0000 ($N_0014) 1.0000
($N_0017) 15.0000 ($N_0018) -15.0000
(X_U29.6)-125.9E-06 (X_U29.7) 1.0000
(X_U29.8) 1.0000 (X_U29.9) 0.0000
(X_U43.6)-267.0E-06 (X_U43.7) 2.0698
(X_U43.8) 2.0698 (X_U43.9) 0.0000
(X_U29.10) 1.6604 (X_U29.11) 14.6590
(X_U29.12) 14.6590 (X_U29.53) 13.5000
(X_U29.54) -13.5000 (X_U29.90)-76.64E-09
(X_U29.91) 25.0000 (X_U29.92) -25.0000
(X_U29.99) 0.0000 (X_U43.10) 2.6310
(X_U43.11) 14.6570 (X_U43.12) 14.6570
(X_U43.53) 13.5000 (X_U43.54) -13.5000
(X_U43.90) 1.9694 (X_U43.91) 25.0000
(X_U43.92) -25.0000 (X_U43.99) 0.0000
(X_U42.x_lf412.6)-302.2E-06 (X_U42.x_lf412.7) 2.3664
(X_U42.x_lf412.8) 2.3664 (X_U42.x_lf412.9) 0.0000
(X_U42.x_lf412.10) 1.6604 (X_U42.x_lf412.11) 14.6590
(X_U42.x_lf412.12) 14.6590 (X_U42.x_lf412.53) 13.5000
(X_U42.x_lf412.54) -13.5000 (X_U42.x_lf412.90) 1.3285
(X_U42.x_lf412.91) 25.0000 (X_U42.x_lf412.92) -25.0000
(X_U42.x_lf412.99) 0.0000
VOLTAGE SOURCE CURRENTS
NAME CURRENT
v_V4 -2.170E-03
v_V5 -2.171E-03
v_V1 3.932E-11
v_V2 -2.171E-03
v_V3 -2.170E-03
v_V7 -2.170E-03
v_V8 -2.172E-03
X_U29.vb -1.259E-09
X_U29.vc 1.250E-11
X_U29.ve 1.450E-11
X_U29.vlim -7.664E-11
X_U29.vlp -2.500E-11
X_U29.vln -2.500E-11
X_U43.vb -2.670E-09
X_U43.vc 1.153E-11
X_U43.ve 1.547E-11
X_U43.vlim 1.969E-03
X_U43.vlp -2.303E-11
X_U43.vln -2.697E-11
X_U42.x_lf412.vb -3.022E-09
X_U42.x_lf412.vc 1.120E-11
X_U42.x_lf412.ve 1.580E-11
X_U42.x_lf412.vlim 1.329E-03
X_U42.x_lf412.vlp -2.367E-11
X_U42.x_lf412.vln -2.633E-11
TOTAL POWER DISSIPATION 1.95E-01 WATTS
NODE VOLTAGE NODE VOLTAGE NODE VOLTAGE NODE VOLTAGE
( out) 1.9711 ($N_0002) 1.0000 ($N_0003) 1.0000
($N_0004) 1.0000 ($N_0005) 1.0000
($N_0007) 2.3000 ($N_0008) 1.9711
($N_0009) -15.0000 ($N_0010) 15.0000
($N_0011) 1.0000 ($N_0012) 15.0000
($N_0013) -15.0000 ($N_0014) 1.0000
($N_0017) 15.0000 ($N_0018) -15.0000
(X_U29.6)-125.9E-06 (X_U29.7) 1.0000
(X_U29.8) 1.0000 (X_U29.9) 0.0000
(X_U43.6)-267.0E-06 (X_U43.7) 2.0696
(X_U43.8) 2.0696 (X_U43.9) 0.0000
(X_U29.10) 1.6604 (X_U29.11) 14.6590
(X_U29.12) 14.6590 (X_U29.53) 13.5000
(X_U29.54) -13.5000 (X_U29.90)-76.64E-09
(X_U29.91) 25.0000 (X_U29.92) -25.0000
(X_U29.99) 0.0000 (X_U43.10) 2.6307
(X_U43.11) 14.6570 (X_U43.12) 14.6570
(X_U43.53) 13.5000 (X_U43.54) -13.5000
(X_U43.90) 1.9711 (X_U43.91) 25.0000
(X_U43.92) -25.0000 (X_U43.99) 0.0000
(X_U42.x_lf412.6)-302.2E-06 (X_U42.x_lf412.7) 2.3664
(X_U42.x_lf412.8) 2.3664 (X_U42.x_lf412.9) 0.0000
(X_U42.x_lf412.10) 1.6604 (X_U42.x_lf412.11) 14.6590
(X_U42.x_lf412.12) 14.6590 (X_U42.x_lf412.53) 13.5000
(X_U42.x_lf412.54) -13.5000 (X_U42.x_lf412.90) 1.3285
(X_U42.x_lf412.91) 25.0000 (X_U42.x_lf412.92) -25.0000
(X_U42.x_lf412.99) 0.0000
VOLTAGE SOURCE CURRENTS
NAME CURRENT
v_V4 -2.170E-03
v_V5 -2.171E-03
v_V1 3.932E-11
v_V2 -2.171E-03
v_V3 -2.170E-03
v_V7 -2.170E-03
v_V8 -2.172E-03
X_U29.vb -1.259E-09
X_U29.vc 1.250E-11
X_U29.ve 1.450E-11
X_U29.vlim -7.664E-11
X_U29.vlp -2.500E-11
X_U29.vln -2.500E-11
X_U43.vb -2.670E-09
X_U43.vc 1.153E-11
X_U43.ve 1.547E-11
X_U43.vlim 1.971E-03
X_U43.vlp -2.303E-11
X_U43.vln -2.697E-11
X_U42.x_lf412.vb -3.022E-09
X_U42.x_lf412.vc 1.120E-11
X_U42.x_lf412.ve 1.580E-11
X_U42.x_lf412.vlim 1.329E-03
X_U42.x_lf412.vlp -2.367E-11
X_U42.x_lf412.vln -2.633E-11
TOTAL POWER DISSIPATION 1.95E-01 WATTS
**** 12/14/97 08:52:23 ********* PSpice 5.1 (Jan 1992) ******** ID# 62539 ****
* C:\PS-PICE\kurs_pro.sch
**** SORTED DEVIATIONS OF V(out) TEMPERATURE = 27.000 DEG C
SENSITIVITY SUMMARY
******************************************************************************
Mean Deviation = -389.2200E-06
Sigma = 1.3877E-03
RUN MAX DEVIATION FROM NOMINAL
C_C2 c C 2.2769E-03 (1.64 sigma) lower at F = 536
( 1.5366% change per 1% change in Model Parameter)
R_R2 r R 2.1449E-03 (1.55 sigma) lower at F = 540
( 1.4811% change per 1% change in Model Parameter)
C_C1 c C 1.7247E-03 (1.24 sigma) higher at F = 410
( .875 % change per 1% change in Model Parameter)
C_C3 c C 1.5812E-03 (1.14 sigma) lower at F = 452
( .7976% change per 1% change in Model Parameter)
R_R6 r R 1.5812E-03 (1.14 sigma) lower at F = 452
( .7976% change per 1% change in Model Parameter)
R_R1 r R 1.5261E-03 (1.10 sigma) higher at F = 405
( .7778% change per 1% change in Model Parameter)
R_R4 r R 1.1653E-03 ( .84 sigma) higher at F = 437
( .584 % change per 1% change in Model Parameter)
R_R3 r R 1.1132E-03 ( .80 sigma) lower at F = 1
( .5647% change per 1% change in Model Parameter)
R_R9 r R 285.1500E-06 ( .21 sigma) lower at F = 435
( .1429% change per 1% change in Model Parameter)
R_R5 r R 284.9100E-06 ( .21 sigma) higher at F = 433
( .1428% change per 1% change in Model Parameter)
R_R8 r R 119.2100E-09 ( .00 sigma) higher at F = 8
( 60.4920E-06% change per 1% change in Model Parameter)
**** 12/14/97 08:52:23 ********* PSpice 5.1 (Jan 1992) ******** ID# 62539 ****
* C:\PS-PICE\kurs_pro.sch
**** WORST CASE ANALYSIS TEMPERATURE = 27.000 DEG C
WORST CASE ALL DEVICES
******************************************************************************
**** 12/14/97 08:52:23 ********* PSpice 5.1 (Jan 1992) ******** ID# 62539 ****
* C:\PS-PICE\kurs_pro.sch
**** UPDATED MODEL PARAMETERS TEMPERATURE = 27.000 DEG C
WORST CASE ALL DEVICES
******************************************************************************
DEVICE MODEL PARAMETER NEW VALUE
C_C1 c C 1.1 (Increased)
C_C2 c C .9 (Decreased)
C_C3 c C .9 (Decreased)
R_R1 r R 1.05 (Increased)
R_R2 r R .95 (Decreased)
R_R3 r R .95 (Decreased)
R_R4 r R 1.05 (Increased)
R_R5 r R 1.05 (Increased)
R_R6 r R .95 (Decreased)
R_R8 r R 1.05 (Increased)
R_R9 r R .95 (Decreased)
**** 12/14/97 08:52:23 ********* PSpice 5.1 (Jan 1992) ******** ID# 62539 ****
* C:\PS-PICE\kurs_pro.sch
**** SMALL SIGNAL BIAS SOLUTION TEMPERATURE = 27.000 DEG C
WORST CASE ALL DEVICES
******************************************************************************
NODE VOLTAGE NODE VOLTAGE NODE VOLTAGE NODE VOLTAGE
( out) 2.1175 ($N_0002) 1.0000 ($N_0003) 1.0000
($N_0004) 1.0000 ($N_0005) 1.0000
($N_0007) 2.4368 ($N_0008) 2.1175
($N_0009) -15.0000 ($N_0010) 15.0000
($N_0011) 1.0000 ($N_0012) 15.0000
($N_0013) -15.0000 ($N_0014) 1.0000
($N_0017) 15.0000 ($N_0018) -15.0000
(X_U29.6)-125.9E-06 (X_U29.7) 1.0000
(X_U29.8) 1.0000 (X_U29.9) 0.0000
(X_U43.6)-285.9E-06 (X_U43.7) 2.2183
(X_U43.8) 2.2183 (X_U43.9) 0.0000
(X_U29.10) 1.6604 (X_U29.11) 14.6590
(X_U29.12) 14.6590 (X_U29.53) 13.5000
(X_U29.54) -13.5000 (X_U29.90)-76.64E-09
(X_U29.91) 25.0000 (X_U29.92) -25.0000
(X_U29.99) 0.0000 (X_U43.10) 2.7770
(X_U43.11) 14.6570 (X_U43.12) 14.6570
(X_U43.53) 13.5000 (X_U43.54) -13.5000
(X_U43.90) 2.0166 (X_U43.91) 25.0000
(X_U43.92) -25.0000 (X_U43.99) 0.0000
(X_U42.x_lf412.6)-320.0E-06 (X_U42.x_lf412.7) 2.5062
(X_U42.x_lf412.8) 2.5062 (X_U42.x_lf412.9) 0.0000
(X_U42.x_lf412.10) 1.6604 (X_U42.x_lf412.11) 14.6590
(X_U42.x_lf412.12) 14.6590 (X_U42.x_lf412.53) 13.5000
(X_U42.x_lf412.54) -13.5000 (X_U42.x_lf412.90) 1.3887
(X_U42.x_lf412.91) 25.0000 (X_U42.x_lf412.92) -25.0000
(X_U42.x_lf412.99) 0.0000
VOLTAGE SOURCE CURRENTS
NAME CURRENT
v_V4 -2.170E-03
v_V5 -2.171E-03
v_V1 3.932E-11
v_V2 -2.171E-03
v_V3 -2.170E-03
v_V7 -2.170E-03
v_V8 -2.172E-03
X_U29.vb -1.259E-09
X_U29.vc 1.250E-11
X_U29.ve 1.450E-11
X_U29.vlim -7.664E-11
X_U29.vlp -2.500E-11
X_U29.vln -2.500E-11
X_U43.vb -2.859E-09
X_U43.vc 1.138E-11
X_U43.ve 1.562E-11
X_U43.vlim 2.017E-03
X_U43.vlp -2.298E-11
X_U43.vln -2.702E-11
X_U42.x_lf412.vb -3.200E-09
X_U42.x_lf412.vc 1.106E-11
X_U42.x_lf412.ve 1.594E-11
X_U42.x_lf412.vlim 1.389E-03
X_U42.x_lf412.vlp -2.361E-11
X_U42.x_lf412.vln -2.639E-11
TOTAL POWER DISSIPATION 1.95E-01 WATTS
**** 12/14/97 08:52:23 ********* PSpice 5.1 (Jan 1992) ******** ID# 62539 ****
* C:\PS-PICE\kurs_pro.sch
**** SORTED DEVIATIONS OF V(out) TEMPERATURE = 27.000 DEG C
WORST CASE SUMMARY
******************************************************************************
RUN MAX DEVIATION FROM NOMINAL
ALL DEVICES .7441 higher at F = 478
( 139.19% of Nominal)
JOB CONCLUDED
TOTAL JOB TIME 171.25
Вывод. Полученная схема активного RC фильтра соответствует техническому заданию.При Rn=10 kOm и Rг=2 кОм, а также в температурном диапазоне +5.+35 °С схема сохраняет свои характеристики.
Литература.
1. Л.П. Хьюлсман тАЬТеория и расчет активных RC цепейтАЭ М.: тАЬСвязьтАЭ 1973г.
2. Конспект лекций по дисциплине тАЬМикросхемотехникатАЭ.
Содержение
Введение 1
Проектирование активных RC-фильтров 2
Аппроксимация 2
Техническое задание 3
Аппроксимация передаточной функции полиномом Чебышева 3
Реализация в системе Pspice 8
Расчет чувствительности схемы на наихудший случай . 11
Расчет динамического диапазона схемы 14
Схема фильтра 15
Перечень элементов 16
Выходной файл данных Pspice 17
Вывод 45
Литература 45
Вместе с этим смотрят:
Проектирование АЛУ для сложения двоично-десятичных чиселПроектирование командно-измерительной радиолинии системы управления летательным аппаратом
Проектирование участка по изготовлению широкодиапазонного генератора импульсов
Промышленное применение лазеров