Расчет характеристик канала вывода СИ
Основные свойства синхротронного излучения.Синхротронное излучение (СИ) испускается заряженными частицами (электронами, протонами, позитронами), движущимися с релятивистскими скоростями по искривленВнным траекториям. Генерация СИ обусловлена наличием у частицы центростремительВнного ускорения. Предсказанное в конце прошлого века и открытое почти 50 лет назад (1945г.) СИ рассматривалось вначале как тАЬпомехатАЭ в работе циклических ускорителей - синхротронов. Только в последние 10…15 лет СИ привлекло внимание исследователей исключительным богатством своих специфических свойств и возможностью их применеВнния.
Структура накопителя электронов.

ПМВа-Ваповоротные магниты; ВВа-Вамагнитное поле; РВа-Вавектор поляризации фотонов, излуВнчаемых в плоскости орбиты электронов; ЩВа-Ващель канала вывода, ограничивающая ширину пучка СИ по горизонтали.
Си обладает следующими уникальными свойствами:
- СИ - излучение с исключительно высокой коллимацией пучка. Пучок СИ испускается электроном по касательной к траектории и имеет угловую расходимость ψ≈γ-1, где γ - релятивистский фактор (отношение энергии электронов Е в накопителе к энергии покоя электрона Е0=0.511МэВ); для типичных значений Е≈1ГэВ имеем γ≈103 и ψ≈1мра∂.
- СИ обладает широким, непрерывным, легко перестраиваемым спектром, перекрыВнвающим практически весь рентгеновский диапазон и область ультрафиолетового излучеВнния (0.1…100нм). Для описания спектральных свойств СИ вводится понятие критиВнческой длины волны λс. Это длина волны, которая делит энергетический спектр СИ на две равные части (суммарная энергия излучаемых фотонов с длинами волн меньше λс равна суммарной энергии фотонов с длинами волн больше λс).
- СИ обладает очень высокой интенсивностью. Интенсивность СИ в наиболее важВнном для исследований и технологии рентгеновском диапазоне более чем на пять порядков превышает интенсивность рентгеновских трубок.
- СИ обладает естественной поляризацией: строго линейной на оси пучка (вектор электрического поля лежит в плоскости орбиты электронов) и строго циркулярной на его периферии. Поляризация СИ играет важную роль во многих прецизионных методах исследования материалов и структур микроэлектроники.
Перечисленные выше уникальные свойства синхротронного излучения позволяют подВннять на новый качественный уровень субмикронную микротехнологию и аналитические методы диагностики субмикронных функциональных структур.
Контраст в системах экспонирования с применением синхротронного излучения.Рентгенолитография с применением синхротронного излучения - это многофакторный технологический процесс, в котором важную роль играют параметры многих компоненВнтов литографической системы: источника излучения, канала вывода, рентгеношаблона, рентгенорезиста.
Главный фактор, определяющий потенциальные возможности того или иного литоВнграфического метода в микротехнологии СБИС - разрешение или минимальный размер надежно воспроизводимого в резисте элемента рентгеношаблона. В рентгенолитографии разрешение определяется, с одной стороны, волновой природой рентгеновского излучения (дифракционные искажения), с другой стороны, нелокальным характером формирования реального скрытого изображения (генерация фото- и оже- электронов рентгеновскими фотонами и вторичное экспонирование резиста этими электронами). Кроме того, реальВнное технологическое разрешение очень сильно зависит от процесса проявления полученного скрытого изображения.
Для оценки эффективности работы рентгенолитографической системы экспонироваВнния в той или иной области спектра нужно учитывать не только спектральную эффекВнтивность рентгенорезиста, но и рентгеновскую прозрачность, то есть оптические характеристики литографического канала вывода СИ. Поэтому в системах экспонироВнвания с применением рентгеновского излучения (например, в рентгенолитографических системах экспонирования) одним из важных параметров является контраст получаемого рентгеновского изображения (например контраст скрытого изображения в рентгенореВнзисте).
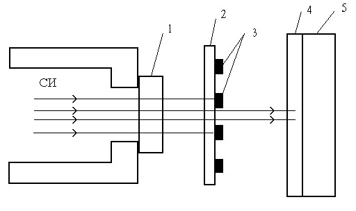
Схема рентгенографической системы экспонирования в пучках СИ.

1Ва-Вавакуумное окно; 2Ва-Вамембрана рентгеношаблона; 3Ва-Вамаска; 4Ва-Варезист; 5Ва-Варабочая пластина.
Вместе с этим смотрят:
Расчет централизованных вакуумных системРасчёт элементов эмиттерно-связанной логики
Реверсная магнитная фокусирующая система мощного многолучевого клистрона
Ремонт и обслуживание СВЧ-печей