Универсальный блок питания
Министерство общего и профессионального образования
Томский политехнический университет

Вилипп К.А.
Принял: преподаватель
Белозеров Н.Л.
Томск 2001 ВведениеУстройство преобразующее переменный ток в ток одного направления называется выпрямителем. Постоянный ток используется для питания радио электронной аппаратуры, в транспорте, получение чистых металлов, покрытие одних металлов другими, разложение воды на водород и кислород.
В случае потребителей постоянного тока с самым разным напряжением питания: 4,5; 9; 12В. И каждый раз нужно было приобретать соответствующее число батареек или элементов. Но не всегда в продаже есть нужные источники питания, да и срок службы их ограничен. Универсальный источник работает от сети переменного тока и обеспечивает постоянное напряжение от 0,5 до 15В. В то время как величина тока, потребляемого от блока, может достигать 0,3А, выходное напряжение остается стабильным. И еще одно достоинство блока тАУ он не боится коротких замыканий.
Данная работа выполнена в Electronics Workbench version 5.12 (EWB 5.12).
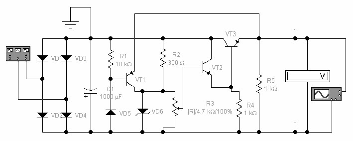
Принципиальная схема блока питания приведена ниже.
Схема блока питания
сеть
↓
силовой трансформатор
↓
вентиль(диодный мост)
↓
сглаживающий фильтр
↓
стабилизатор
↓
нагрузка
Силовой трансформатор тАУ преобразует переменное напряжение одной величины в переменное напряжение другой величены. На схеме заменен на генератор синусоидального напряжения 20В, с частотой 50Гц.
Вентиль тАУ преобразует переменный ток в ток одного направления. На схеме это диодный мост VD1-VD4, действие основано на односторонней проводимости диода.
До выпрямления

после выпрямления

Сглаживающий фильтр тАУ для повышения качества выпрямленного напряжения, уменьшение пульсации выпрямленного напряжения, простым емкостным фильтром достигается аккумулированием энергии емкости в период роста Uвх и отдачи ее нагрузке в период спада. Для большей наглядности зададим С1=10мкФ.

На схеме С1=1000мкФ*25В (советуется брать емкость не меньше 500мкФ, а лучше 4700мкФ или больше, если необходимо и на напряжение в 1,5-2 раза больше рабочего).
Стабилизатор тАУ предназначен для поддержания напряжения питания на постоянном уровне при изменении параметров среды и нагрузки.
Работа схемы
Сетевое напряжение подается на первичную обмотку трансформатора.
Это понижающий трансформатор, поэтому напряжение на его вторичной обмотке значительно меньше сетевого. Переменное напряжение со вторичной обмотки поступает на выпрямитель на диодах VT1-VT4. На выходе выпрямителя будет постоянное напряжение, оно сглаживается конденсатором С1.
Далее следует стабилизатор напряжения, в который входят резисторы R2-R5, транзисторы VT2, VT3 и стабилитрон VD6. Переменным резистором R3 можно устанавливать на выходе блока любое напряжение от 0,5 до 15В.
Стабилитрон VD6 имеет не линейную вольт амперную характеристику, он обеспечивает опорное напряжение.
Пусть Uвх увеличивается, увеличивается Вл - В» на базе VT2, VT2 подоткроется, увеличится ток через VT2, увеличится напряжение на R4, VT3 подзакроется, увеличится падение напряжения на VT3,U нагрузки остается первоначальным.
Каскад на транзисторе VT1 постоянно ВлследитВ» за состоянием нагрузки тАУ это автомат защиты от короткого замыкания. Если в цепи нагрузки произойдет короткое замыкание, т.е. окажутся замкнутыми выходные гнезда блока питания, транзистор VT1 откроется, замкнет выводы стабилитрона и снимет таким образом напряжение с нагрузки. Как только короткое замыкание будет устранено, выходное напряжение появится вновь.
Роль понижающего трансформатора может выполнять выходной трансформатор кадровой развертки телевизора (ТВК-110ЛМ). Подойдет и другой понижающий трансформатор с переменным напряжением на вторичной обмотке около 17В при токе потребления до 0,3А.
Диоды могут быть любые из серии КД226 (например, КД226В, КД226Д и т.д.). Конденсатор С1 типа К50-6. Постоянные резисторы тАУ МЛТ 0,5Вт,
переменный - СП-1. Вместо стабилитрона Д815Е можно применить Д814Д.
Транзисторы VT1, VT2 надо взять типа МП39Б, МП41, МП41А, МП42Б с возможно большим коэффициентом передачи тока. Транзистор VT3 тАУ П213, П216, П217 с любым буквенном индексом. Подойдут и П201 тАУ П203. Транзистор нужно установить на радиатор тАУ пластину из алюминия размером 70*40 мм, толщиной 1,5тАж2мм.
Таблица изменения выходного напряжения в зависимости от входного:
Входное напряжение(с тран.) |
Выходное напряжение |
|
17 |
15.0 |
|
20 |
15.1 |
|
15 |
14.5 |
|
12 |
11.4 |
Список используемой литературы
- Иванов Б.Г. Электронные самоделки 2-е изд., доп. тАУ М .: Просвещение 1993. тАУ 191 с.
- Вилипп К.А. Основы радиолокации и построение ЗРК
Вместе с этим смотрят:
Управление ДПЛА через ретрансляторУправление тюнером спутникового телевидения
Управляемый микроконтроллером выпрямитель
Усиление входного аналогового сигнала до заданного уровня и преобразование его в цифровой