Усиление входного аналогового сигнала до заданного уровня и преобразование его в цифровой
Министерство общего и профессионального образования
Российской Федерации
ТВЕРСКОЙ ГОСУДАРСТВЕННЫЙ ТЕХНИЧЕСКИЙ УНИВЕРСИТЕТ
Кафедра АТП
Курсовая работа по электронике.
Выполнил: студент
группы ИДМ-314
Малинкин А.А.
Проверил:
Тверь 2003 г.
Цель работы:
Усилить входной аналоговый сигнал до заданного уровня и преобразовать
его в цифровой.
Дано:
![]()
биполярный
Для нормальной работы схемы необходимо правильно подобрать ОУ.
Найдём коэффициент усиления ![]()

Следовательно, нужно использовать 100% обратную связь.

Частота единичного коэффициента усиления ![]()
Напряжение смещения
, т.е.
В.
По этим характеристикам в таблице находим подходящий усилитель:
OP 1177
или: OP 27 ![]()
$ 0.8
$ 1.05 ![]()
![]()

Подберём АЦП.
Для этого нужно определить частоту дискретизации и разрядность:
частота дискретизации
,
,
;
разрядность АЦП
,
; 1024 > 1000, значит, разрядность АЦП тАУ 10 Бит.
По этим параметрам из таблицы выбираем следующий АЦП:
AD 7470 10 Бит
U = 2.5 В
до 20 МГц
Подборка RC фильтра.
Строим график:


Наклон линии определяется по
формуле n*20дБ, где
n тАУ порядок фильтра.
Выбираем фильтр четвёртого порядка. Рассчитаем ёмкость для RC фильтра,
взяв сопротивление R за 5 Ом, тогда

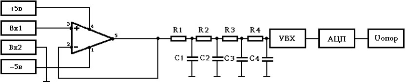
Итоговая схема

Вместе с этим смотрят:
Усилители постоянного токаУсилитель вертикального отклонения осциллографа
Усилитель генератора с емкостным выходом
Усилитель кабельных систем связи