Устройство селективного управления работой семисегментного индикатора
САНКТ-ПЕТЕРБУРГСКАЯ ИНЖЕНЕРНАЯ ШКОЛА ЭЛЕКТРОНИКИ
КУРСОВОЙ ПРОЕКТ Пояснительная запискаТема: УСТРОЙСТВО СЕЛЕКТИВНОГО УПРАВЛЕНИЯ РАБОТОЙ
СЕМИСЕГМЕНТНОГО ИНДЕКАТОРА
КП 2201 453К
Преподаватель Швайка О. Г.
Учащийся Бляхман Е.С.
УТВЕРЖДЕНО
предметной комиссией
Вл В» __________________________ 2004г.
Председатель _______________________
З А Д А Н И Ена курсовое проектирование по курсу ЭЦВМ и МП
учащемуся Бляхман Е.С. IV курса 453-К группы
СПИШЭ техникума
(наименование среднего специального учебного заведения)
(фамилия, имя, отчество)
Тема задания Устройство селективного управления работой семисегментного индикатора
Курсовой проект на указанную тему выполняется учащимися техникума в следующем объеме:
1. Пояснительная записка.
Введение.
1. Общая часть.
1.2. Составление таблицы истинности работы устройства.
1.3. Минимизация логической функции.
1.4. Выбор и обоснование функциональной схемы устройства.
1.5. Синтез электрической принципиальной схемы в базисе И-НЕ.
1.6. Выбор элементной базы проектируемого устройства.
1.7. Описание используемых в схеме ИМС и семисегментного индикатора.
2. Расчетная часть проекта ______________________________________________________
управления.
времени наработки на отказ.
4. Графическая часть проекта _______________________________________________
Схема электрическая принципиальная.
Устройство селективного управления работой семисегментного индикатора.
Заключение.
Список литературы.
Дата выдачи ______________________________
Срок окончания ______________________________
Зав. отделением ______________________________
Преподаватель ______________________________
ВВЕДЕНИЕ
Развитие микроэлектроники способствовало появлению малогабаритных, высоконадежных и экономичных вычислительных устройств на основе цифровых микросхем. Требования увеличения быстродействия и уменьшения мощности потребления вычислительных средств привело к созданию серий цифровых микросхем. Серия представляет собой комплект микросхем, имеющие единое конструктивно тАУ технологическое исполнение. Наиболее широкое распространение в современной аппаратуре получили серии микросхем ТТЛ, ТТЛШ, ЭСЛ и схемы на МОП тАУ структурах.
ТТЛ схемы появились как результат развития схем ДТЛ в результате замены матрицы диодов многоэмиттерным транзистором. Этот транзистор представляет собой интегральный элемент, объединяющий свойства диодных логических схем и транзисторного усилителя.
1. Общая часть.
1.1. Назначение устройства
На рисунке в виде тАЬчерного ящикатАЭ показана комбинационная схема (КС) управляющая семисегментным индикатором. На вход схемы подаются различные комбинации двух сигналов X1, X2, X3, X4 (X1- старший). На индикатор предполагается выводить лишь отдельные цифры из множества шестнадцатеричных цифр. На выходе Y должна быть единица, если соединенный с этим выходом сегмент должен загореться при отображении цифр (для логической схемы). Требуется:
1. Составить совмещенную таблицу истинности, комплект карт Карно для функции Y, провести совместную минимизацию в СДНФ и записать логические формулы, выражающие Y через X, выполнить преобразование этих формул к виду, обеспечивающему минимально возможную реализацию КС в системе логических элементов ТТЛ серии типа К155 или К555;
2. Выполнить принципиальную электрическую схему устройства, провести расчет быстродействия и мощности;
3. Выполнить расчет надежности.
1.2. Составление таблицы истинности работы устройства.
Создание таблицы истинности работы устройства по следующему набору комбинаций 1, 2, 3, 4, 7, 8, B, C, F.
N |
X1 |
X2 |
X3 |
X4 |
Y1 |
Y2 |
Y3 |
Y4 |
Y5 |
Y6 |
Y7 |
1 |
0 |
0 |
0 |
1 |
1 |
0 |
0 |
0 |
0 |
0 |
1 |
2 |
0 |
0 |
1 |
0 |
1 |
1 |
0 |
1 |
1 |
1 |
0 |
3 |
0 |
0 |
1 |
1 |
1 |
1 |
0 |
1 |
0 |
1 |
1 |
4 |
0 |
1 |
0 |
0 |
1 |
0 |
1 |
1 |
0 |
0 |
1 |
7 |
0 |
1 |
1 |
1 |
1 |
1 |
0 |
0 |
0 |
0 |
1 |
8 |
1 |
0 |
0 |
0 |
1 |
1 |
1 |
1 |
1 |
1 |
1 |
B |
1 |
0 |
1 |
1 |
0 |
0 |
1 |
1 |
1 |
1 |
1 |
C |
1 |
1 |
0 |
0 |
0 |
1 |
1 |
0 |
1 |
1 |
0 |
F |
1 |
1 |
1 |
1 |
0 |
1 |
1 |
1 |
1 |
0 |
0 |
1.3. Минимизация логической функции.
Составить СДНФ по таблице, построить карты Карно и минимизировать их.
![]()
|
|
|
|
|
|
1 |
1 |
||
|
1 |
|||
|
1 |
1 |
||
|
1 |
![]()
|
|
|
|
|
|
1 |
1 |
||
|
||||
|
1 |
1 |
1 |
|
|
1 |
![]()
|
|
|
|
|
|
1 |
1 |
1 |
|
|
||||
|
1 |
1 |
||
|
![]()
|
|
|
|
|
|
1 |
1 |
||
|
||||
|
1 |
1 |
1 |
|
|
1 |
![]()
|
|
|
|
|
|
1 |
1 |
||
|
||||
|
1 |
1 |
||
|
1 |
![]()
|
|
|
|
|
|
1 |
1 |
||
|
||||
|
1 |
1 |
||
|
1 |
![]()
|
|
|
|
|
|
1 |
1 |
||
|
1 |
|||
|
1 |
1 |
1 |
|
|
1.4. Выбор и обоснование функциональной схемы устройства.

1.5. Синтез электрической принципиальной схемы
в базисе ВлИ-НЕВ».
Можно уменьшить количество наименований схем. Это можно сделать путем преобразования с помощью формул:
![]()
![]()
В результате получаем только схемы тАЬИ-НЕтАЭ и схемы отрицания
![]()
![]()
![]()
![]()
![]()
![]()
![]()
Повторяющиеся значения формул СДНФ
![]()
![]()
![]()
![]()
![]()
![]()
![]()
![]()
1.6. Выбор и обоснование элементной базы.
Для проектирования было предложено выбрать элементы ТТЛ серий 155 и 555. После сравнения характеристик этих двух серий мною была выбрана 555 серия.
Потому что:
- во-первых, коэффициент разветвления у неё в два раза больше, чем у 155 серии, что в дальнейшем даст возможность не использовать дополнительные резисторы на входе схемы
- во-вторых, элементы 555 серии потребляют меньше мощности в отличие от серии 155, так как их максимальное напряжение и сила тока меньше, чем у 155 серии.
В 555 серию входят различные логические элементы общим числом 98 наименований. Их назначение заключается в построении узлов ЭВМ и устройств дискретной автоматики с высоким быстродействием и малой потребляемой мощностью.
Элементы И тАУ НЕ в 555 серии содержат простые n-p-n транзисторы VT2 тАУ VT4, многоэмиттерный транзистор VT1, а так же резисторы и диоды, количество которых зависит от конкретного элемента. Такая схема обеспечивает возможность работы на большую емкостную нагрузку при высоком быстродействии и помехоустойчивости.
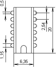
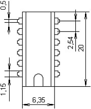
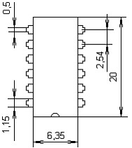
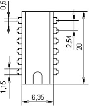
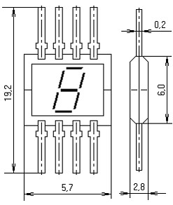
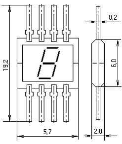
В качестве индикатора выбран семисегментный индикатор АЛС320Б, один из немногих индикаторов способный отображать не только цифровую информацию, но и буквенную, что необходимо в проектируемом устройстве.
В моей схеме используется следующие микросхемы серии К555:
К555ЛА1, К555ЛА2, К555ЛА4, К555ЛН1, К555ЛН2
1.7. Описание используемых в схеме ИМС и семисегментного индикатора.
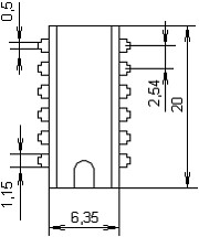
К555ЛА1
Два логических элемента 4И-НЕ
№выв. |
Назначение |
№выв. |
Назначение |
1 2 3 4 5 6 7 |
Вход Х1 Вход Х2 Свободный Вход Х3 Вход Х4 Выход Y1 Общий |
8 9 10 11 12 13 14 |
Выход Y2 Вход Х5 Вход Х6 Свободный Вход Х7 Вход Х8 Ucc |

DIP14
Пластик

Тип микросхемы |
К555ЛА1 |
Фирма производитель |
СНГ |
Функциональные особенности |
2 элемента 4И-НЕ |
Uпит |
5В В± 5% |
Uпит (низкого ур-ня) |
тЙд 0,5В |
Uпит (высокого ур-ня) |
тЙе 2,7В |
Iпотреб (низкий ур-нь Uвых) |
тЙд 2,2мА |
Iпотреб (высокий ур-нь Uвых) |
тЙд 0,8мА |
Iвых (низкого ур-ня) |
тЙд |-0.36|мА |
Iвых (высокого ур-ня) |
тЙд 0,02мА |
P |
7,88мВт |
tзадержки |
20нСек |
Kразвёртки |
20 |
Корпус |
DIP14 |
К555ЛА2
Логический элемент 8И-НЕ
№выв. |
Назначение |
№выв. |
Назначение |
1 2 3 4 5 6 7 |
Вход Х1 Вход Х2 Вход Х3 Вход Х4 Вход Х5 Вход Х6 Общий |
8 9 10 11 12 13 14 |
Выход Y1 Свободный Свободный Вход Х7 Вход Х8 Свободный Ucc |

DIP14
Пластик

Тип микросхемы |
К555ЛА2 |
Фирма производитель |
СНГ |
Функциональные особенности |
элемент 8И-НЕ |
Uпит |
5В В± 5% |
Uпит (низкого ур-ня) |
тЙд 0,5В |
Uпит (высокого ур-ня) |
тЙе 2,7В |
Iпотреб (низкий ур-нь Uвых) |
тЙд 1,1мА |
Iпотреб (высокий ур-нь Uвых) |
тЙд 0,5мА |
Iвых (низкого ур-ня) |
тЙд |-0,4|мА |
Iвых (высокого ур-ня) |
тЙд 0,02мА |
P |
4,2мВт |
tзадержки |
35нСек |
Kразвёртки |
20 |
Корпус |
DIP14 |
К555ЛА4
Три логических элемента 3И-НЕ
№выв. |
Назначение |
№выв. |
Назначение |
1 2 3 4 5 6 7 |
Вход Х1 Вход Х2 Вход Х4 Вход Х5 Вход Х6 Выход Y2 Общий |
8 9 10 11 12 13 14 |
Выход Y3 Вход Х7 Вход Х8 Вход Х9 Выход Y1 Вход Х3 Ucc |

DIP14
Керамический

Тип микросхемы |
К555ЛА4 |
Фирма производитель |
СНГ |
Функциональные особенности |
3 элемента 3И-НЕ |
Uпит |
5В В± 5% |
Uпит (низкого ур-ня) |
тЙд 0,5В |
Uпит (высокого ур-ня) |
тЙе 2,7В |
Iпотреб (низкий ур-нь Uвых) |
тЙд 1,2мА |
Iпотреб (высокий ур-нь Uвых) |
тЙд 0,8мА |
Iвых (низкого ур-ня) |
тЙд |-0.36|мА |
Iвых (высокого ур-ня) |
тЙд 0,02мА |
P |
11,8мВт |
tзадержки |
15нСек |
Kразвёртки |
20 |
Корпус |
DIP14 |
К555ЛН1
Шесть инверторов
№выв. |
Назначение |
№выв. |
Назначение |
1 2 3 4 5 6 7 |
Вход Х1 Выход Y1 Вход Х2 Выход Y2 Вход Х3 Выход Y3 Общий |
8 9 10 11 12 13 14 |
Выход Y4 Вход Х4 Выход Y5 Вход Х5 Выход Y6 Вход Х6 Ucc |

DIP14
Пластик

Тип микросхемы |
К555ЛН1 |
Фирма производитель |
СНГ |
Функциональные особенности |
6 инверторов |
Uпит |
5В В± 5% |
Uпит (низкого ур-ня) |
тЙд 0,5В |
Uпит (высокого ур-ня) |
тЙе 2,7В |
Iпотреб (низкий ур-нь Uвых) |
тЙд 6,6мА |
Iпотреб (высокий ур-нь Uвых) |
тЙд 2,4мА |
Iвых (низкого ур-ня) |
тЙд |-0.36|мА |
Iвых (высокого ур-ня) |
тЙд 0,02мА |
P |
23,63мВт |
Tзадержки |
тЙд 20нСек |
Kразвёртки |
20 |
Корпус |
DIP14 |
К555ЛН2
Шесть инверторов с открытым коллекторным выходом
№выв. |
Назначение |
№выв. |
Назначение |
1 2 3 4 5 6 7 |
Вход Х1 Выход Y1 Вход Х2 Выход Y2 Вход Х3 Выход Y3 Общий |
8 9 10 11 12 13 14 |
Выход Y4 Вход Х4 Выход Y5 Вход Х5 Выход Y6 Вход Х6 Ucc |

DIP14
Пластик

Тип микросхемы |
К555ЛН2 |
Фирма производитель |
СНГ |
Функциональные особенности |
6 инверторов с открытым коллекторным выходом |
Uпит |
5В В± 5% |
Uпит (низкого ур-ня) |
тЙд 0,5В |
Uпит (высокого ур-ня) |
тЙе 2,7В |
Iпотреб (низкий ур-нь Uвых) |
тЙд 6,6мА |
Iпотреб (высокий ур-нь Uвых) |
тЙд 2,4мА |
Iвых (низкого ур-ня) |
тЙд |-0.36|мА |
Iвых (высокого ур-ня) |
тЙд 0,02мА |
P |
23,63мВт |
Tзадержки |
тЙд 32нСек |
Kразвёртки |
20 |
Корпус |
DIP14 |
ИНДИКАТОР ЦИФРОВОЙ
АЛС320Б




Название |
АЛС320Б |
Цвет свечения |
зеленый |
Н, мм |
5 |
М |
1 |
Lmin, нм |
555 |
Lmax, нм |
565 |
Iv, мДж |
0.15 |
при Iпр, мА |
10 |
Uпр max(Uпр max имп), В |
3 |
Uобр max(Uобр max имп), В |
5 |
Iпр max(Iпр max имп), мА |
12 |
Iпр и max, мА |
60 |
при tи, мс |
1 |
при Q |
12 |
Т,В°С |
-60тАж+70 |
2. Расчетная часть
2.1. Расчет быстродействия и потребляемой мощности устройства
- Расчет номиналов резисторов



Из расчетов видно, что сопротивление равно 758 Ом, а его наминал,равен 1 кОм. Сопротивление индикатора равно 167 Ом, а егонаминал, равен 250 Ом.
- Расчет быстродействия
![]()
![]()
![]()
![]()
![]()
Таким образом, из расчета, время задержки составляет 127 нс.
- Расчет мощности
![]()

![]()
![]()
![]()
![]()
Таким образом, из расчета я получил потребляемую мощность
равную 402,88 мВт
2.2. Расчет вероятности безотказной работы устройства исреднего времени наработки на отказ.
Наименее |
Обозначениена схеме |
Кол-воэлементов |
λо 10-6 |
Режим работы |
Усл. раб.Кλ |
Коэф.а |
λi =a⋅кλ⋅λо 10-6 |
10-6 |
|
Кн |
tс |
||||||||
Резисторы |
R1 |
1 |
1 |
1 |
50 |
1,6 |
2,7 |
4,32 |
4,32 |
R2-8 |
7 |
0,4 |
1,728 |
12,096 |
|||||
ИМС |
DD1-DD10 |
10 |
0,1 |
1 |
50 |
1 |
2,7 |
0,27 |
2,7 |
ИМС (К555ЛН2) |
DD11-DD12 |
2 |
0,08 |
1 |
50 |
1 |
2,7 |
0,216 |
0,432 |
Индикатор |
VD |
7 |
5 |
1 |
50 |
1,6 |
2,7 |
21,6 |
151,2 |
- Прикидочный расчет
![]()
![]()
![]()
- Ориентировочный расчет
![]()
![]()
![]()
- Окончательный расчет
![]()
![]()
![]()
![]()
![]()
![]()
![]()
![]()
![]()
![]()
![]()
![]()
![]()
Графическая часть проекта.
Заключение.
В курсовом проекте я разработал электрическую принципиальную схему управления семисегментного индикатора.
Изначально, по заданию, составив таблицы истинности и минимизировав логическую функцию, получили те сигналы, которые поступят непосредственно на индикатор (пройдя предварительную инверсию). Преобразовав полученные формулы и выделив повторяющиеся блоки, оптимизировал работу схемы. В ней используются микросхемы серии К555, т.к. они являются более новыми, чем серия К155, а также рассчитывались номинал резисторов, быстродействие, потребляемая мощность и вероятность безотказной работы устройства.
Значение прикидочного расчета больше, так как при его расчете было взято максимальное значение коэффициента интенсивности отказов, а в ориентировочном расчете для каждого элемента свое. Из-за этой разницы в ориентировочном расчете увеличилось P(t) и Tср.
Список литературы.
1. ВлСправочник по интегральным микросхемамВ» Тарабин; Москва 1981г.
2. ВлЦифровые интегральные микросхемыВ» Богданович М.И., Грель И.Н., Похоренко В.А., Шалимо В.В.; Минск, Беларусь 1991г.
3. Конспект по предмету ВлКонструирование ЭВМВ» преподаватель тАУ Пушницкая И.В.
4. Конспект по предмету ВлТиповые элементы и устройства цифровой техникиВ» преподаватель тАУ Золотарев И.В., Тихонов Б.Н.
5. методическая указания к выполнению курсового проекта по предмету ВлЭлектронные цифровые вычислительные машины и микропроцессорыВ» Пушницкая И.В., Чечурина А.В.
Ленинград 1990г.
6. Методические рекомендации по оформлению курсовых и дипломных проектов Лагутина Н.И.; Ленинград 1987г.
7. ВлСправочник по полупроводниковых электронных приборовВ» Иванов В.И.
8. ВлСправочник интегральных микросхемВ» Нефедов
9. ВлИмпульсные и цифровые устройстваВ» Браммер Ю.А., Пащук И.Н.
Вместе с этим смотрят:
Устройство формирования импульсно-временной кодовой группыУстройство цифровой записи речи
Фазовый и частотный методы измерения дальности
Физико-математическая основа радиоэлектронных систем