Цифровой генератор синусоидальных колебаний
Министерство образования РФ
Южно-Российский Государственный Технический Университет (НПИ)
ИНСТИТУТ ИИТУ _
КАФЕДРА А и Т _
СПЕЦИАЛЬНОСТЬ __ Промышленная электроника__ _
Курсовой проектпо дисциплине ВлЭлектронные промышленные устройстваВ»
на тему ВлЦифровой генератор синусоидальных колебанийВ»
Выполнил студент IV курса, группы 1б Евченко С. Е
Принял Кононенко Т. П.
НОВОЧЕРКАССК 2001 г.
Задание на курсовой проект СодержаниеАннотация. 5
Введение. 6
Генераторы гармонических колебаний. 7
Создание структурной схемы генератора 10
Описание работы схемы 11
Расчеты параметров схемы, обеспечивающих заданные условия. 12
Расчёт значений данных хранимых в ПЗУ. 15
Моделирование узлов схемы. 16
Заключение. 20
Список использованной литературы 21
Перечень элементов 22
Спецификация 23
Аннотация.Задачей данного курсового проекта будет разработать цифровой генератор синусоидального сигнала, имеющего стабильную амплитуду и перестраиваемую частоту в определённом диапазоне и форму сигнала, близкую к идеальной.
Пояснительная записка к курсовому проекту состоит из теоретической и собственно проектной части. Теоретическая часть включает в себя обзор способов формирования периодических сигналов, приведены конкретные схемы, описаны достоинства и недостатки каждого метод.
Проектная часть содержит принципиальную схему цифрового генератора с ее обоснованием и расчетом, а также результаты математического моделирования узлов спроектированного устройства.
Введение.Бурное развитие цифровой электронной техники позволяет во все большем числе случаев формирования аналоговых сигналов использовать цифровые методы. Так как цифровые генераторы аналоговых сигналов обладают рядом достоинств:
- универсальность, поскольку они позволяют генерировать аналоговый
сигнал с произвольной, заданной пользователем, формой;
- отсутствие ограничения по минимальной частоте;
- высокая стабильность параметров выходного сигнала
и другие.
Цифровые генераторы обладают универсальностью, точностью и удобством настройки . Поэтому они получают всё большее распространение как узлы электронной аппаратуры, тат и как самостоятельные устройства применяемые при измерениях и налаживании систем, работающих со сложными сигналами.
Аналоговые генераторы используются в тех случаях, когда нет высоких требований к параметрам генератора, или важна простота и минимальная стоимость узла.
Генераторы гармонических колебаний.Генератором гармонических колебаний называют устройство, создающее переменное синусоидальное напряжение при отсутствии входных сигналов. В схемах генераторов всегда используется положительная обратная связь.
Различают аналоговые и цифровые генераторы.
Аналоговые генераторы преобразуют энергию источника постоянного напряжения в энергию переменного выходного сигнала. ,Генератор гармонических колебаний должен содержать по крайней мере одну частотно-избирательную цепь, которая бы обеспечивала выполнение условия самовозбуждения на заданной частоте. В зависимости от вида частотно-избирательной цепи различает LC-генераторы, RC-генераторы, кварцевые генераторы и другие.
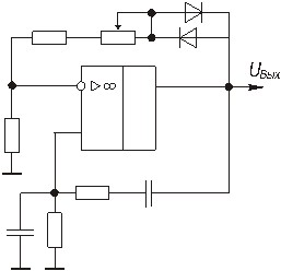
Для аналоговых генераторов гармонических колебаний важной проблемой является автоматическая стабилизация амплитуды выходного напряжения. Если в схеме не предусмотрены устройства автоматической стабилизации, устойчивая работа генератора окажется невозможной. В этом случае после возникновения колебаний амплитуда выходного напряжения начнет постоянно увеличиваться, и это приведет к тому, что активный элемент генератора (например, операционный усилитель) войдет в режим насыщения. В результате напряжение на выходе будет отличаться от гармонического. Схемы автоматической стабилизации амплитуды достаточно сложны. На рис. 1 показан RC-генератор на ОУ с упрощенным мостом Вина и простейшей схемой стабилизации амплитуды.

Рис. 1
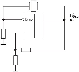
На рис. 2 изображена упрощенная схема кварцевого генератора на основе операционного усилителя при использовании последовательного резонанса.

Рис. 2
На частоте последовательного резонанса в схеме имеет место сильная положительная обратная связь, что и поддерживает автоколебания. Кварцевые резонаторы характеризуются высокой стабильностью и добротностью. Использование кварцевых резонаторов позволяет значительно снизить относительное изменение частоты генераторов. Однако, у кварцевых генераторов затруднено оперативное изменение частоты выходного сигнала.
В отличие от аналоговых, цифровые генераторы обладают высокой стабильностью, надежностью, возможностью изменения частоты генерируемого сигнала в широких пределах и универсальностью.
На рис. 3 изображена упрощенная схема кварцевого генератора на основе логических инвертирующих элементах при использовании последовательного резонанса. Схема разработана для работы на основной частоте кристалла.

Рис. 3
На рис. 4 изображена упрощенная схема кварцевого генератора на основе логических инвертирующих элементах при использовании параллельного резонанса. Схема разработана для работы также на основной частоте кристалла.

4
На рис. 5 изображена упрощенная схема R-C генератора на основе логических инвертирующих элементах. Эта схема используется в неответственных частях устройства, т. к. она обладает простотой реализации, дешевизной деталей и не требует настройки, Но её основным недостатком является временная нестабильность и частота генератора будет изменяться от модуля к модулю из-за разброса параметров компонентов .

Рис. 5
Но для получения генератора с высокими требованиями к его параметрам приходится использовать более сложные схемы. Именно такой генератор мы и будем проектировать.
Принцип действия проектируемого цифрового генератора основан на том, что в ПЗУ в цифровом виде записывают сведения о необходимой форме сигнала, которые последовательно считываются и передаются на ЦАП, формирующий аналоговый сигнал.
Создание структурной схемы генератораСоставим структурную схему для цифрового генератора синусоидальных колебаний на основе памяти. (Рис. 6)

Рис. 6
ГТИ - обеспечивает формирование управляющих импульсов заданний частоты, обеспечивающей требуемую частоту синуса на выходе;
ФА - формирует текущий адрес для выбора данных из памяти;
ROM - выдаёт текущее значение уровня сигнала на выходе;
ЦАП тАУ преобразует цифровое значение уровня сигнала в аналоговый уровень сигнала;
БУ тАУ обеспечивает необходимую амплитуду сигнала на выходе.
Схематически вид сигнала в каждом блоке приведён на рис.7.
Рис. 7
Описание работы схемы Тактовый генератор формирует опорные импульсы с частотой, прямо пропорциональной выходной частоте синуса. Синхронизирующие импульсы с частотой
поступает на счетчик, на выходе которого формируется n-разрядный адрес микросхемы памяти - число Х. Значение адреса изменяется в интервале от 0 до (2 n-1). По числу Х на адресном входе ПЗУ выбирает m-разрядное число У, являющееся значением выборки сигнала тАУ амплитуды синуса. Цифро-аналоговый преобразователь преобразует код числа в аналоговый сигнал.
В общем виде зависимость выходного напряжения UЦАП биполярного ЦАП от входного кода числа Х при опорном напряжении Uоп выражается формулой
.
Максимальная частота генерируемых сигналов определяется по формуле
.
Общая погрешность аппроксимации синусоиды складывается из погрешности квантования сигнала по уровню, погрешности дискретизации сигнала по времени и погрешности линейности ЦАП.
![]()
Наиболее критичной в нашей схеме является погрешность погрешности линейности ЦАП, т. к. он является основой схемы. Выберем в качестве ЦАП микросхему К1108ПА2 тАУ 8 разрядный функционально законченный цифро-аналоговый преобразователь двоичного кода в напряжение, выполненный по биполярной технологии и имеющий следующие характеристики:
Uп = В± 5 В;
л =В±0.28 %;
Uвых=2.5 В;
tуст =1.5 мкс.
Микросхему ПЗУ надо выбирать по объёму памяти и времени выборки адреса.
В качестве ПЗУ остановимся на микросхеме КР556РТ17 емкостью 512 x 8 бит, обладающая следующими параметрами:
tв.а. = 50 нс.; Uп = + 5 В.
Рассчитаем теперь общую погрешность аппроксимации синусоиды:
,
,
,
,
.
,
Полученная общая погрешность аппроксимации не превышает заданного допустимого значения 1 %.
6 тАУ разрядный счётчик построим на основе микросхемы К555ИЕ19, содержащей два четырёхразрядных счётчика.
В качестве задающего (тактового) генератора в проектируемом устройстве будем использовать R-C генератор на основе логических инвертирующих элементах, обеспечивающий заданный коэффициент нестабильности частоты.
При заданном диапазоне частот сигнала на выходе устройства (100 Гц тАУ 1 кГц) и выбранном числе шагов дискретизации (64) максимальная частота тактовых импульсов определяется как
,
а минимальная тАУ как
.
Предельная частота тактового генератора зависит от быстродействия ЦАП:
, что удовлетворяет используемому режиму генератора.
Рассчитаем теперь значения элементов генератора тактовых импульсов для обеспечения данного диапазона частот.
F = 1/(2 * ПА * R * C).
Задавшись R1 = 2.5 кОм, R2 = 1.5 кОм.
При С = 6.8 нФ F = 63,6 кГц; T=15,7 мкс.
При С = 68 нФ F = 6,36 кГц; T=157 мкс.
Таким образом, в качестве конденсатора С возьмём переменный конденсатор на 68 нФ.
А для более точной подстройки частоты последовательно соединим постоянный резистор сопротивлением 2 кОм и переменный тАУ сопротивлением 1 кОм.
Для обеспечения высокой стабильности задающего генератора выберем высококачественные керамические конденсаторы и термостабильные резисторы.
Исходя из того, что от проектируемого генератора не требуется малое энергопотребление, то в качестве цифровой выберем ТТЛ базу как более распространённую, надёжную и дешевую.
Так как рабочие частоты не превышают 20 Мгц, то выберем К555 тАУ тую серию
как более распространённую, надёжную и дешевую.
имеющие следующие параметры:
- напряжение питания +5В,
- диапазон рабочих температур от тАУ10 до +700С,
- уровень логического нуля не более 0.4В,
- выходной уровень логической единицы не менее 2.6В,
- средняя потребляемая одним логическим элементом мощность 2 мВт,
- средняя задержка распространения сигнала 20 нс.
Максимальный потребляемый устройством ток не превышает 0.35 А.
Заданная амплитуда сигнала на выходе устройства будет обеспечиваться усилителем на ОУ с коэффициентом усиления
.
При этом Rос=3.6 кОм, а R=1 кОм.
В качестве ОУ подойдут микросхемы К140УД26, имеющую следующие параметры:
- напряжение питания В±15 В;
- ток потребления 4,7 мА;
- коэффициент усиления 106;
- напряжение смещения 0,025 мВ;
- входной ток 35 нА.
В соответствии с выбранными ЦАП, ПЗУ и параметрами самого устройства в качестве используемых в нем цифровых микросхем будут применены микросхемы серии 555, имеющие следующие параметры:
- напряжение питания +5В,
- диапазон рабочих температур от тАУ10 до +700С,
- уровень логического нуля не более 0.4В,
- выходной уровень логической единицы не менее 2.6В,
- средняя потребляемая одним логическим элементом мощность 2 мВт,
- средняя задержка распространения сигнала 20 нс.
- Максимальный потребляемый устройством ток не превышает 0.35 А.
Расчёт значений данных хранимых в ПЗУ.
Содержимое ячеек ПЗУ рассчитывается по формуле
,
где n=6, m=8, А=0тАж2n-1.
Полученные в результате расчета 64 8-разрядных числа от 0 до 255 и составляют содержимое микросхем ПЗУ (табл.1).
Содержимое ПЗУ |
||||
Адрес |
Содержимое ячеек |
|||
00 |
80 |
8C |
98 |
A5 |
04 |
B0 |
BC |
C6 |
D0 |
08 |
DA |
E2 |
EA |
F0 |
0C |
F5 |
FA |
FD |
FE |
10 |
FF |
FE |
FD |
FA |
14 |
F5 |
F0 |
EA |
E2 |
18 |
DA |
D0 |
C6 |
BC |
1C |
B0 |
A5 |
98 |
8C |
20 |
80 |
73 |
67 |
5A |
24 |
4F |
43 |
39 |
2F |
28 |
25 |
1D |
15 |
0F |
2C |
0A |
05 |
02 |
01 |
30 |
00 |
01 |
02 |
05 |
34 |
0A |
0F |
15 |
1D |
38 |
25 |
2F |
39 |
43 |
3C |
4F |
5A |
67 |
73 |
Таблица 1.
Моделирование узлов схемы.Моделирование будем производить в САПР OrCAD 9.1 тАУ наиболее современной на момент написания проекта. В качестве моделей Российских элементов будем использовать их зарубежные аналоги, имеющие соответствующие характеристики.
На рис. 7 приведён график переходных процессов на конденсаторе задающего генератора, а на рис.8 напряжение на выходе генератора при частоте генератора в 64 кГц. Длина периода 15,7 мкс.

Рис. 7

Рис. 8
На рис. 9 приведён график переходных процессов на конденсаторе задающего генератора, на рис. 10 напряжение на выходе генератора при частоте генератора в 6.4 кГц. Длина периода 157 мкс.

Рис. 9

Рис. 10
На рис. 11 приведён график сигналов выбора адреса, появляющихся на выходах счётчика при частоте формируемого синуса 1кГц.

Рис. 11
На рис. 12 приведён график сигналов значения амплитуды синуса , появляющихся на выводах микросхемы памяти.

Рис. 12
На рис. 13 приведён график сформированной синусоиды на выходе ЦАП.

Рис. 13
На рис. 14 приведён график итоговой синусоиды на выходе ОУ, задающее необходимое значение амплитуды сигнала тАУ 9 В.

Рис. 14
Заключение.В соответствии с заданием был разработан цифровой генератор синусоидального напряжения, полностью удовлетворяющий требуемым параметрам и обеспечивающий стабильный выходной сигнал амплитудой 9 В в диапазоне частот (100тАж1000) Гц +10 Гц. При этом погрешность воспроизведения синусоиды составляет менее 1%.
Все теоретические расчёты были подтверждены путём моделирования схемы в САПР OrCAD 9.1
Список использованной литературы- ВлЭлектроникаВ» В. И. Лачин, Н. С. Савёлов. Феникс 2000г
- Жмурин Д.Н. Математические основы теории систем: уч.пос.- Новочеркасск, 1998
- Лебедев О.Н., Мирошниченко А.И., Телец В.А. Изделия электронной техники: цифровые микросхемы, микросхемы памяти, микросхемы ЦАП и АЦП.- М.: Радио и связь, 1994
- Справочник. ВлИнтегральные микросхемы и их зарубежные аналогиВ». Под редакциеё Нефёдова А.В. М. Радиософт. 1994г.-
- Справочник. ВлДиоды, тиристоры, транзисторы и микросхемы общего назначенияВ». Воронеж. 1994г.
Вместе с этим смотрят:
Цифровой диктофонЦифровые устройства и микропроцессоры
Цифровые фотоаппараты
Черные металлы в конструкциях РЭС