Цифровые устройства и микропроцессоры
МИНИСТЕРСТВО ВНУТРЕННИХ ДЕЛ
РОССИЙСКОЙ ФЕДЕРАЦИИ
ВОРОНЕЖСКИЙ ИНСТИТУТ
КОНТРОЛЬНАЯ РАБОТА № 1по предмету тАЬЦифровые устройства и микропроцессорытАЭ
Вариант 8 Выполнил: слушатель ВнВн31 учебной группырадиотехнического факультета з/о
Оларь Андрей Геннадьевич
шифр 00/72
347800 Ростовская область г. Каменск
ул. Героев-Пионеров д. 71 кв. 72
Проверил:
тАЬ_____тАЭ _______________ 200__ г.
ВОРОНЕЖ 2002 г.
Заданиястр.
- Расставить числа в порядке возрастания и объяснить свой выбор (8910, 2Е16, 578, 1110112) - 4
- Выполнить арифметические операции над двоичными числами, используя обратный код: а) 10111012-1101112; b)10101112-11100112 - 4
- Упростить выражение, применив правила де Моргана и основные тождества алгебры логики: а)
, b)
- 4 - По таблице работы логического устройства записать СКНФ: - 5

- Построить схему регистра D-триггеров для записи числа 1010, начиная с цифры младшего разряда. Составить таблицу состояний его триггеров, показывающую запись отдельных цифр - 7
- Частота следования импульсов на выходе второго триггера счётчика тАУ 256 кГц. Сколько триггеров должен иметь счётчик, чтобы на его выходе получить импульс с частотой 32 кГц, 4 кГц - 7
- Построить схему суммирующего счётчика Т-триггеров ёмкостью 28 - 8
- Разработать логическую схему таймера с прямым отсчётом времени и выдачей звукового сигнала. Частота генератора тАУ 1700 герц. Предусмотреть кнопки пуска, остановки и сброса. Указание: для сравнения заданного времени, следует использовать микросхему сравнения (типа К531СП1) - 8
- Найти по справочнику микросхему К555ИР9. Нарисовать её условное изображение и выписать параметры (с учётом обозначения): - 11
а) типоразмер и изображение корпуса; б) напряжение питания и выводы, на которые оно подаётся; в) напряжения логических нуля и единицы; г) ток потребления (потребляемая мощность); д)диапазон рабочих частот; е) интервал рабочих температур; ж)время задержки включения (выключения); з) коэффициент объединения по входу; и) коэффициент разветвления по входу.
- Что означают сокращения: ТТЛ, ДТЛ, n-МОП? Указать их основные отличительные характеристики - 12
- Назначение и основные функции микропроцессора? - 13
- Используя команды типового МП К1804, составить программу в машинных кодах: - 14
- выполнить загрузку числа 12 в ячейку Q , а 9 в РОН с адресом 3;
- из первого числа вычесть число 8 из шины данных, результат разместить в РОН с адресом первого числа;
- третье число сдвинуть на один разряд вправо и сложить с суммой первых двух чисел. Результат разместить в РОН с адресом 9.
- Использованная литература - 14
- Расставить числа в порядке возрастания и объяснить свой выбор:
(8910, 2Е16, 578, 1110112)
Переведём данные числа в десятичную систему исчисления, кроме 8910, так как это число уже является десятичным.
- 2Е16 - так как 2Е16=2*16+14=4610;
- 578 - так как 578=5*8+7=4710;
- 1110112 - так как 1110112=32+16+8+2=5910;
- 8910
46<47<59<89
- Выполнить арифметические операции над двоичными числами, используя обратный код:
а) 10111012-1101112; b) 10101112-11100112
- 10111012-1101112=1001102 _ 1011101
110111
+01011101
11001001
00100110
100110
- 10101112-11100112=-11011 _ 1010111
1110011
+ 01010111
10001101
11100100
- 11011
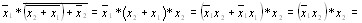
- Упростить выражение, применив правила де Моргана и основные тождества алгебры логики:
а)
, b) ![]()
- По таблице работы логического устройства записать СКНФ:
Для данной функции СКНФ будет иметь вид:
![]()
- получим МКНФ данной функции с помощью метода Квайна:
Сравним попарно все члены функции: 1 и 2 члены не имеют общих импликант; 1 и 3 члены
; 3 и 5 члены
; 4 и 5 члены
.
Составим таблицу:
|
|
|
|
|
|
|
* |
* |
|||
|
* |
* |
|||
|
* |
* |
Из таблицы видно, что МКНФ данной функции будет иметь вид:
![]()
- построить логическую схему устройства в базисе ИЛИ-НЕ;

Логическая схема данного устройства в базисе ИЛИ-НЕ:
- провести анализ работы полученной схемы при х1=1, х2=0, х3=0.
Данное устройство состоит из элементов ИЛИ-НЕ, а на его входе присутствует лог Вл1В» (х1=1), то на его выходе тоже будет лог Вл1В», так как для данных логических элементов активным логическим сигналом является Вл1В», следовательно, у(1,0,0) = 1.
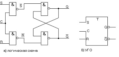
- Нарисовать символическое изображение и таблицу работы синхронного RS-триггера. В какое состояние перейдёт триггер, если на его входы последовательно подавать сигналы:

Символическое изображение RS-триггера с инверсными входами:

Таблица работы синхронного RS-триггера:
Таблица-1 |
Таблица-2 |
|||||||||
S |
R |
C |
Q |
Режим работы |
Входы |
Выходы |
||||
Н |
Н |
/ |
|
Инверсия |
C |
S |
R |
Q |
|
|
L |
Н |
/ |
Н |
Запись Н |
0 |
0 |
0 |
Q |
|
|
Н |
L |
/ |
L |
Запись L |
0 |
1 |
0 |
Q |
|
|
L |
L |
/ |
Q* |
Предшествующее состояние |
0 |
0 |
1 |
Q |
|
|
0 |
1 |
1 |
Q |
|
||||||
1 |
0 |
0 |
Q |
|
||||||
1 |
1 |
0 |
1 |
0 |
||||||
1 |
0 |
1 |
0 |
1 |
||||||
1 |
1 |
1 |
* |
* |
Как видно из таблицы № 2, состояние сигналов на входах S=R=C=1 недопустимо, что обозначено Вл*В» (это является основным недостатком RS-триггеров).
- Построить схему регистра D-триггеров для записи числа 1010, начиная с цифры младшего разряда. Составить таблицу состояний его триггеров, показывающую запись отдельных цифр
Для записи 4-х разрядного числа, начиная с цифры младшего разряда, целесообразно применить не отдельные D-триггеры (К555ТМ2, ТМ7, ТМ8, ТМ9), а сдвигающий регистр К555ИР11А (смотреть рисунок). Биты 4-х разрядного числа надо подавать на вход D и сдвигать импульсами с входа L.
Десятичная запись |
10 |
5 |
2 |
1 |
Двоичная запись |
1010 |
101 |
10 |
1 |

- Частота следования импульсов на выходе второго триггера счётчика тАУ 256 кГц. Сколько триггеров должен иметь счётчик, чтобы на его выходе получить импульс с частотой 32 кГц, 4 кГц
Каждый триггер счётчика уменьшает частоту в два раза, следовательно, частота на входе счётчика тАУ 210=1024 кГц.
Составим таблицу падения частоты на триггерах счётчика:
Частота, кГц |
|
Вход счётчика |
1024 |
Выход 1-го триггера |
512 |
Выход 2-го триггера |
256 |
Выход 3-го триггера |
128 |
Выход 4-го триггера |
64 |
Выход 5-го триггера |
32 |
Выход 6-го триггера |
16 |
Выход 7-го триггера |
8 |
Выход 8-го триггера |
4 |
Выход 9-го триггера |
2 |
Выход 10-го триггера |
1 |
Из чего следует, что для получения на выходе счётчика импульса с частотой 32 кГц, счётчик должен состоять из 5-ти триггеров. А для получения, на выходе счётчика, импульса с частотой 4 кГц, счётчик должен состоять из 8-ми триггеров.
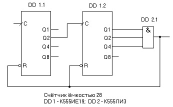
- Частота следования импульсов на выходе второго триггера счётчика тАУ 256 кГц. Сколько триггеров должен иметь счётчик, чтобы на его выходе получить импульс с частотой 32 кГц, 4 кГц
Т тАУ триггеры, в отличие от D и JK тАУ триггеров, выпускаются в интегральной форме не в виде отдельных микросхем, а виде двоичных счётчиков, например: К555ИЕ19 тАУ два 4-х разрядных двоичных счётчика. Ёмкость счётчика 28=4*7. При этом 710=1112.
Ниже приведена схема счётчика:

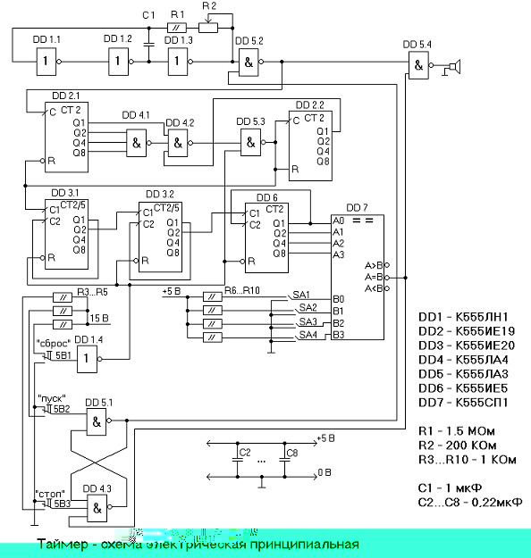
- Разработать логическую схему таймера с прямым отсчётом времени и выдачей звукового сигнала. Частота генератора тАУ 1700 герц. Предусмотреть кнопки пуска, остановки и сброса.
Указание: для сравнения заданного времени, следует использовать микросхему сравнения (типа К531СП1)
Частота 1,7 кГц является не стандартной частотой (в большинстве случаев применяются генераторы с кварцевым резонатором частоты, например: 100 кГц, либо с синхронизацией от сети 50 Гц). Если таймер должен отсчитывать время в секундах (в задании это не оговорено), то входную последовательность импульсов необходимо разделить на 1700=17*10*10, что легко может быть реализовано с применением микросхем К555ИЕ19 и К555ИЕ20.
Микросхема К555СП1 позволяет сравнивать без приращения разрядности 4-х разрядные двоичные коды. Так как в задании не оговорен предел измерений таймера, то мы можем ограничиться пределом 16 секунд.
Функциональная и принципиальная схемы таймера представлены ниже:


- Найти по справочнику микросхему К555ИР9. Нарисовать её условное изображение и выписать параметры (с учётом обозначения):
а) типоразмер и изображение корпуса; б) напряжение питания и выводы, на которые оно подаётся; в) напряжения логических нуля и единицы; г) ток потребления (потребляемая мощность); д)диапазон рабочих частот; е) интервал рабочих температур; ж)время задержки включения (выключения); з) коэффициент объединения по входу; и) коэффициент разветвления по входу.
Условное изображение ИМС К555ИР9:

Корпус 2103-16.2 (старое обозначение 238.16-1):
- шаг выводов 2,5 мм (изображение корпуса приведено на рисунке ниже);

- напряжение питания 5±5% В на 16 вывод, 0 В на 8 вывод;
- L тАУ не более 0,4 В; Н тАУ не менее 2,5 В, не более 5,5 В;
- ток потребления не более 3 мА;
- диапазон рабочих частот не более 25 МГц;
- интервал рабочих температур от 100С до 700С;
- время задержки включения/выключения 20 нс (Сн=15 пФ);
- коэффициент объединения по входу тАУ 1;
- коэффициент разветвления по входу тАУ 10.
- Что означают сокращения: ТТЛ, ДТЛ, n-МОП? Указать их основные отличительные характеристики.
ТТЛ тАУ транзисторно-транзисторная логика, ДТЛ тАУ диодно-транзисторная логика, n-МОП тАУ логика на униполярных транзисторах с n-каналом. Все эти сокращения обозначают тип схемотехники и конструкции цифровых микросхем.
В настоящее время ДТЛ не применяется, ТТЛ вытеснены совместимыми с ними по уровням питания и сигналов сериями ТТЛШ (ТТЛ с диодами и транзисторами Шоттки (К555, К1531 и т.д.)), а n-МОП логика вытеснена КМОП (К564, К1564, К1554).
Основными параметрами, которые позволяют производить сравнение базовых ЛЭ различных серий, являются:
- напряжение источника питания тАУ определяется величиной напряжения и величиной его изменения. ТТЛ тАУ рассчитаны на напряжение источника питания равное 5 В ± 5%. Большая часть микросхем на КНОП структурах устойчиво работает при напряжении питания от 3 до 15 В, некоторые тАУ при напряжении 9 В ± 10%;
- уровень напряжения логического нуля и логической единицы тАУ это уровни напряжения, при которых гарантируется устойчивое различение логических сигналов, как нуля, так и единицы. Различают пороговое напряжение логического нуля (U0пор) и логической единицы (U1пор). Напряжение низкого и высокого уровня на выходе микросхем ТТЛ U0пор<2,4 В; U1пор>0,4 В. Для микросхем на КНОП структурах U0пор<0,3*Uпит; U1пор>0,7*Uпит. В тоже время отклонение выходных напряжений от нулевого значения и напряжения питания, достигают всего нескольких милливольт;
- нагрузочная способность тАУ характеризуется количеством элементов той же серии, которые можно подключить к выходу элемента без дополнительных устройств согласования и называется коэффициентом разветвления по выходу. Для большинства логических элементов серии ТТЛ составляет 10, а для серии КМОП тАУ до 100;
- помехоустойчивость тАУ характеризуется уровнем логического сигнала помехи, которая не вызывает изменения логических уровней сигнала на выходе элемента. Для элементов ТТЛ статическая помехоустойчивость составляет не менее 0,4 В, а для серии КНОП тАУ не менее 30% напряжения питания;
- быстродействие тАУ определяется скорость переключения логического элемента при поступлении на его вход прямоугольного управляющего сигнала требуемой величины. Предельная рабочая частота микросхем серии ТТЛ составляет 10 МГц, а микросхем на КНОП структурах тАУ лишь 1 МГц. Быстродействие определяется так же, как и среднее время задержки распространения сигнала:
, где
и
- времена задержки распространения сигнала при включении и выключении. Для микросхем ТТЛ
составляет около 20 нс, а для микросхем на КНОП структурах тАУ 200 нс; - потребляемая микросхемой от источника питания мощность тАУ зависит от режима работы (статистический и динамический). Статистическая средняя мощность потребления базовых элементов ТТЛ составляет несколько десятков милливатт, а у элементов на КНОП структурах она более чем в тысячу раз меньше. Следует учитывать, что в динамическом режиме, мощность, потребляемая логическими элементами, возрастает;
- надёжность тАУ характеризуется интенсивностью частоты отказов. Средняя частота отказов микросхем со средним со средним уровнем интеграции составляет:
1/час.
Для согласования уровня сигналов ТТЛ и КНОП применяют специальные ИМС (например, К564ПУ4).
- Назначение и основные функции микропроцессора?
Процессор предназначен для выполнения арифметической и логической обработки информации. Арифметические и логические операции можно выполнять как на дискретных элементах и на основе микросхем малой и средней степени интеграции, что приводит к росту размеров процессора, так и на БИС. В последнем случае говорят о микропроцессоре (МП).
К функциям микропроцессора можно отнести:
- выбор из программной памяти ЭВМ команд, дешифрация и выполнение их;
- организация обращения к памяти и устройствам ввода-вывода;
- выполнение запросов на прерывание;
- подача сигналов ожидания для синхронизации работы с медленно действующими устройствами памяти и ввода-вывода информации;
- подача сигналов прямого доступа к памяти и другие сигналы;
- формирование сигналов управления для обращения к периферийным устройствам.
Работа МП организуется по командам, записанным в памяти и поступающим в МП в порядке возрастания номеров ячеек, в которые они записаны.
- Используя команды типового МП К1804, составить программу в машинных кодах:
- выполнить загрузку числа 12 в ячейку Q , а 9 в РОН с адресом 3;
- из первого числа вычесть число 8 из шины данных, результат разместить в РОН с адресом первого числа;
- третье число сдвинуть на один разряд вправо и сложить с суммой первых двух чисел. Результат разместить в РОН с адресом 9.
М2 |
Т8 |
Т7 |
Т6 |
М1 |
Т2 |
Т1 |
Т0 |
С |
Т5 |
Т4 |
Т3 |
А3 |
А2 |
А1 |
А0 |
В3 |
В2 |
В1 |
В0 |
D3 |
D2 |
D1 |
D0 |
|
а |
0 |
0 |
0 |
1 |
1 |
1 |
0 |
0 |
0 |
1 |
1 |
0 |
0 |
|||||||||||
0 |
1 |
1 |
1 |
1 |
1 |
0 |
0 |
0 |
0 |
0 |
1 |
1 |
1 |
0 |
0 |
1 |
||||||||
б |
1 |
0 |
0 |
1 |
1 |
0 |
1 |
0 |
0 |
1 |
0 |
0 |
0 |
1 |
1 |
1 |
0 |
0 |
1 |
0 |
0 |
0 |
||
в |
0 |
0 |
0 |
1 |
1 |
0 |
0 |
0 |
0 |
1 |
1 |
1 |
0 |
0 |
||||||||||
0 |
0 |
0 |
0 |
0 |
0 |
0 |
0 |
0 |
0 |
1 |
1 |
0 |
0 |
|||||||||||
0 |
1 |
1 |
0 |
0 |
0 |
0 |
0 |
0 |
0 |
0 |
0 |
1 |
1 |
1 |
0 |
0 |
1 |
- Использованная литература
Вместе с этим смотрят:
Цифровые фотоаппаратыЧерные металлы в конструкциях РЭС
Шифраторы, дешифраторы, триггеры
Эксплуатация РТС