Конструирование микросхем и микропроцессоров
Московский Государственный институт электроники и математики
(Технический университет)
Кафедра: РТУиС
ВнВн
Пояснительная записка
по выполнению курсового проекта на тему:
тАЬКонструирование микросхем и микропроцессоровтАЭ
Выполнил: студент группы Р-72
Густов А.М.
Руководитель: доцент кафедры РТУиС,
кандидат технических
наук Мишин Г.Т.
Москва, 1994
Задание на курсовое проектирование
В
данном курсовом проекте требуется разработать комплект конструкторской документации интегральной микросхемы К 237 ХА2. По функциональному назначению разрабатываемая микросхема представляет собой усилитель промежуточной частоты. Микросхема должна быть изготовлена по тонкопленочной технологии методом свободных масок (МСМ) в виде гибридной интегральной микросхемы (ГИМС).

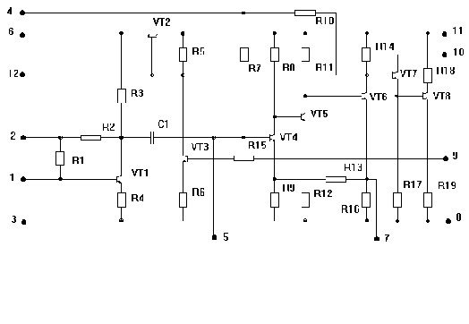
Рис. 1. Схема электрическая принципиальная
Таблица 1. Номиналы элементов схемы:
Элемент |
Номинал |
Элемент |
Номинал |
Элемент |
Номинал |
Элемент |
Номинал |
R1 |
950 Ом |
R7 |
4,25 кОм |
R13 |
1 кОм |
R19 |
1 кОм |
R2 |
14 кОм |
R8 |
12,5 кОм |
R14 |
3,5 кОм |
C1 |
3800 пФ |
R3 |
45 кОм |
R9 |
500 Ом |
R15 |
10 кОм |
VT1-VT8 |
КТ 312 |
R4 |
35 кОм |
R10 |
3 кОм |
R16 |
3,5 кОм |
E |
7,25 В |
R5 |
12,5 кОм |
R11 |
10 кОм |
R17 |
2,5 кОм |
||
R6 |
950 Ом |
R12 |
500 Ом |
R18 |
1 кОм |
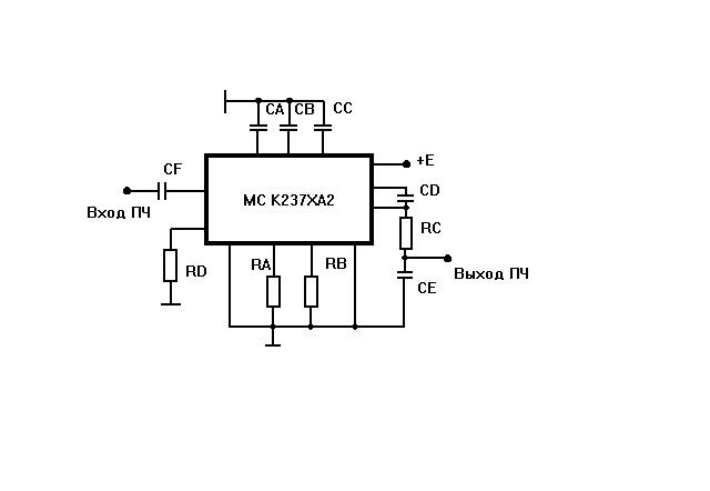
Для подачи на схему входного сигнала и снятия выходного к микросхеме требуется подключить некоторое количество навесных элементов. Одна из возможных схем включения приведена на следующем рисунке.

Рис. 2. Возможная схема включения
Таблица 2. Номиналы элементов схемы включения
Элемент |
Номинал |
Элемент |
Номинал |
RA |
8,2 кОм |
CB |
1 мкФ |
RB |
43 Ом |
CC |
0,033 мкФ |
RC |
2,2 кОм |
CD |
0,015 мкФ |
RD |
1,5 кОм |
CE |
4700 пФ |
CA |
3300 пФ |
CF |
3300 пФ |
Технические требования:
Конструкцию микросхемы выполнить в соответствии с электрической принципиальной схемой по тонкопленочной технологии методом свободных масок в корпусе.
Микросхема должна удовлетворять общим техническим условиям и удовлетворять следующим требованиям:
- предельная рабочая температура - 150° С;
- расчетное время эксплуатации - 5000 часов;
- вибрация с частотой - 5-2000 Гц;
- удары многократные с ускорением 35;
- удары однократные с ускорением 100;
- ускорения до 50.
Вид производства - мелкосерийное, объем - 5000 в год.
Аннотация
Ц
елью данного курсового проекта является разработка интегральной микросхемы в соответствии с требованиями, приведенными в техническом задании. Микросхема выполняется методом свободных масок по тонкопленочной технологии.
В процессе выполнения работы мы выполнили следующие действия и получили результаты:
- произвели электрический расчет схемы с помощью программы электрического моделирования тАЬVITUSтАЭ, в результате которого мы получили необходимые данные для расчета геометрических размеров элементов;
- произвели расчет геометрических размеров элементов и получили их размеры, необходимые для выбора топологии микросхемы;
- произвели выбор подложки для микросхемы и расположили на ней элементы, а также в соответствии с электрической принципиальной схемой сделали соединения между элементами;
- выбрали корпус для микросхемы с тем расчетом, чтобы стандартная подложка с размещенными элементами помещалась в один из корпусов, рекомендуемых ГОСТом 17467-79.
Введение
П
риведем принципы работы и основные характеристики разрабатываемой микросхемы:
Микросхема К 237 ХА 2 предназначена для усиления и детектирования сигналов ПЧ (промежуточной частоты) радиоприемных устройств не имеющих УКВ диапазона, а также для усиления напряжения АРУ (автоматической регулировки усиления). Широкополосный усилитель ПЧ состоит из регулируемого усилителя на транзисторах Т4, Т5 и Т6. Усиленный сигнал поступает на детектор АМ-сигналов (амплитудно-модулированных сигналов), выполненный на составном транзисторе Т7, Т8. Низкочастотный сигнал с резистора R19, включенного в эмиттерную цепь, подается через внешний фильтр на предварительный усилитель НЧ (низкой частоты), а также через резистор R15 на базу транзистора Т3, входящего в усилитель АРУ. Усиленное напряжение АРУ снимается с эмиттера транзистора Т2. Изменение напряжения на эмиттере транзистора Т2 вызывает изменение напряжения питания транзистора Т1, а следовательно и его усиления.
На частоте 465 кГц коэффициент усиления усилителя ПЧ составляет 1200 - 2500. Коэффициент нелинейных искажений не превышает 3%. Если входной сигнал меняется от 0,05 до 3 мВ, то изменение выходного напряжения не превышает 6дБ. Напряжение на выходе системы АРУ при отсутствии выходного сигнала составляет 3 - 4,5 В. Напряжение питания составляет 3,6 - 10 В. Потребляемая мощность не более 35 мВт.
Анализ задания на проект
М
икросхема усиления промежуточной частоты (ПЧ) К 237ХА2 может быть изготовлена по тонкопленочной технологии с применением навесных элементов. Конструкция микросхемы выполняется методом свободной маски, при этом каждый слой тонкопленочной структуры наносится через специальный трафарет. На поверхности подложки сформированы пленочные резисторы, конденсаторы, а также контактные площадки и межэлементные соединения. Пленочная технология не предусматривает изготовление транзисторов, поэтому транзисторы выполнены в виде навесных элементов, приклеенных на подложку микросхемы. Выводы транзисторов привариваются к соответствующим контактным площадкам.
Электрический расчет принципиальной схемы
Э
лектрический расчет производился с помощью системы тАЬVITUSтАЭ.
Система VITUS - это компьютерное инструментальное средство разработчика электронных схем. Система VITUS позволяет рассчитать токи, напряжения, мощности во всех узлах и элементах схемы, частотные и спектральные характеристики схемы. Система VITUS объединяет в себе компьютерный аналог вольтметров, амперметров и ваттметров постоянного и переменного тока, генераторов сигналов произвольной формы, многоканального осциллографа, измерителя частотных характе-ристик.
Система VITUS :
- позволяет описывать принципиальную схему как в графическом виде, так и на встроенном входном языке;
- выводит требуемые результаты расчета в графическом виде;
- снабжена справочником параметров элементов;
- работает под управлением дружественного интерфейса.
Основной задачей электрического расчета является определение мощностей, рассеиваемых резисторами и рабочих напряжений на обкладках конденсаторов. В результате расчета были получены реальные значения мощностей и напряжений, которые являются исходными данными для расчета геометрических размеров элементов.
Результаты расчета приводятся в расчете геометрических размеров элементов.
Данные для расчета геометрических размеров тонкопленочных элементов
Таблица 3. Данные для расчета резисторов
Резистор |
Рном , Вт |
γR |
|
Резистор |
Рном , Вт |
γR |
|
R1 |
1,41E-6 |
0,2 |
0,1 |
R11 |
4,46E-3 |
0,22 |
0,1 |
R2 |
3,36E-8 |
0,22 |
0,1 |
R12 |
2,23E-4 |
0,2 |
0,1 |
R3 |
2,47E-4 |
0,22 |
0,1 |
R13 |
1,79E-5 |
0,2 |
0,1 |
R4 |
1,98E-4 |
0,22 |
0,1 |
R14 |
1,05E-2 |
0,2 |
0,1 |
R5 |
8,58E-6 |
0,22 |
0,1 |
R15 |
3,91E-10 |
0,22 |
0,1 |
R6 |
5,35E-13 |
0,2 |
0,1 |
R16 |
1,27E-6 |
0,2 |
0,1 |
R7 |
3,21E-5 |
0,2 |
0,1 |
R17 |
3,46E-4 |
0,2 |
0,1 |
R8 |
3,30E-3 |
0,22 |
0,1 |
R18 |
1,95E-4 |
0,2 |
0,1 |
R9 |
7,4E-5 |
0,2 |
0,1 |
R19 |
1,97E-4 |
0,2 |
0,1 |
R10 |
4,51E-5 |
0,2 |
0,1 |
Таблица 4. Данные для расчета конденсаторов
Конденсатор |
Uраб , В |
|
|
C1 |
2,348 |
0,23 |
0,115 |
Расчет геометрических размеров тонкопленочных резисторов, выполненных методом свободной маски (МСМ)
1. Исходные данные:
а). конструкторские:
, где
Rн - номинальное сопротивление резистора;
γR - относительная погрешность номинального сопротивления;
Pн - номинальная мощность;
T°max C - максимальная рабочая температура МС;
tэкспл - время эксплуатации МС.
б). технологические:
, где
Δb(Δl) - абсолютная погрешность изготовления;
Δlустан - абсолютная погрешность совмещения трафарета;
- относительная погрешность удельного сопротивления.
2. Определяем диапазон
, в котором можно вести расчет:
0,02 Rmax <
< Rmin ⇒ 900 <
< 500
Видим, что неравенство не выполняется, значит все эти резисторы изготовить из одного материала невозможно. Чтобы мы все же могли изготовить резисторы, надо разбить их на две группы и для каждой группы выбрать свой материал.
Таблица 5. Разбивка резисторов на группы
Первая группа |
R1, R6, R7, R9, R10, R12, R13, R14, R16, R17, R18, R19 (500 - 4250 Ом) |
Вторая группа |
R2, R3, R4, R5, R8, R11, R15 (10 - 45 кОм) |
Расчет резисторов первой группы.
1. Определяем диапазон
, в котором можно вести расчет:
0,02 Rmax <
< Rmin ⇒ 85 <
< 500
Видим, что неравенство выполняется, следовательно эти резисторы выполняются из одного материала. Для того чтобы резисторы были как можно меньше выберем материал с как можно большим удельным поверхностным сопротивлением (
). Остановим свой выбор на материале тАЬМЛТ-3МтАЭ. Этот материал обладает следующими характеристиками:
Таблица 6. Материал для первой группы резисторов
№ |
Наименование |
|
α R , 1/°C |
P0 , мВт/мм2 |
S, %/103 час |
1 |
Сплав МЛТ-3М σК0,028,005,ТУ |
200 -500 |
0,0002 |
10 |
0,5 |
Как уже говорилось,
лучше взять как можно больше, т.е. в данном случае это
=500. Этот материал обладает неплохими характеристиками, присущими резистивным материалам, а именно: низким ТКС (αR), низким коэффициентом нестабильности (старения) (S), хорошей адгезией и технологичностью.
2. Вычислим относительную температурную погрешность:
=0,0002(150-20)=0,026
3. Вычислим относительную погрешность старения:
, где
tисп - время испытания за которое определен коэффициент старения S;
tисп = 1000 часов.
4. Вычислим относительную погрешность контактирования:
= 0,01 - 0,03 ⇒ зададимся ![]()
=0,01
5. Вычислим относительную погрешность формы:
γкф = γR -
-
-
-
= 0,2 - 0,1 - 0,026 - 0,025 -0,01=0,039;
6. Определение вида резистора (подстраиваемый или неподстраиваемый):
γкф > Δb/ bmax , где bmax = 2 мм ⇒ γкф > 0,01 ⇒ резистор неподстраиваемый.
Предпочтение отдается неподстраиваемому резистору.
7. Вычислим коэффициент формы рассчитываемого резистора:
= 950/500 = 1,9;
8. Определение вида резистора (прямой или меандр):
Если коэффициент формы меньше 10, то резистор прямой, а если больше десяти, то резистор изготовляется в форме меандра. Предпочтение отдается прямому резистору. В данном случае резистор изготовляется прямым.
9. Определение ширины резистора по мощности рассеяния:

10. Определение основного размера по заданной точности:
, где Δl=Δb=0,02 при условии, что коэффициент формы больше единицы.
11. Выбор основного размера:
⇒ b = 0,78 мм
12. Определение длины резистора:
![]()
13. Проверка проведенных расчетов:
Ом ⇒ расчет выполнен правильно !
На этом этапе мы рассчитали первый резистор из первой группы (R1). Расчет остальных резисторов этой группы аналогичен и далее не приводится. Результаты расчета всех резисторов данной группы сведены в таблицу.
Таблица 7. Результаты расчета резисторов первой группы
Резистор |
Кф |
bmin γ , мм |
bmin p , мм |
b, мм |
l, мм |
Вид резистора |
R1 |
1,9 |
0,78 |
0,0086 |
0,78 |
1,48 |
Прямой, неподстр. |
R6 |
1,9 |
0,78 |
0,0000053 |
0,78 |
1,48 |
Прямой, неподстр. |
R7 |
8,5 |
0,57 |
0,02 |
0,57 |
4,85 |
Прямой, неподстр. |
R9 |
1 |
1,03 |
0,086 |
1,03 |
1,03 |
Прямой, неподстр. |
R10 |
6 |
0,60 |
0,03 |
0,60 |
3,60 |
Прямой, неподстр. |
R12 |
1 |
1,03 |
0,15 |
1,03 |
1,03 |
Прямой, неподстр. |
R13 |
2 |
0,77 |
0,03 |
0,77 |
1,54 |
Прямой, неподстр. |
R14 |
7 |
0,59 |
0,39 |
0,59 |
4,13 |
Прямой, неподстр. |
R16 |
7 |
0,59 |
0,0043 |
0,59 |
4,13 |
Прямой, неподстр. |
R17 |
5 |
0,62 |
0,083 |
0,62 |
3,10 |
Прямой, неподстр. |
R18 |
2 |
0,77 |
0,10 |
0,77 |
1,54 |
Прямой, неподстр. |
R19 |
2 |
0,77 |
0,10 |
0,77 |
1,54 |
Прямой, неподстр. |
На этом расчет резисторов первой группы завершен. Все резисторы получились прямыми и неподстраиваемыми. Благодаря этому размеры резисторов минимальны, что позволит располагать их на подложке компактно и с наибольшей степенью интеграции.
Расчет резисторов второй группы.
1. Определяем диапазон
, в котором можно вести расчет:
0,02 Rmax <
< Rmin ⇒ 900 <
< 10000
Видим, что неравенство выполняется, следовательно эти резисторы выполняются из одного материала. Для того чтобы резисторы были как можно меньше выберем материал с как можно большим удельным поверхностным сопротивлением (
). Остановим свой выбор на материале тАЬКЕРМЕТтАЭ. Этот материал обладает следующими характеристиками:
Таблица 8. Материал для второй группы резисторов
№ |
Наименование |
|
α R , 1/°C |
P0 , мВт/мм2 |
S, %/103 час |
2 |
Кермет К-50С ЕТО,021,013,ТУ |
5000 |
0,0004 |
10 |
0,5 |
Этот материал обладает хорошими характеристиками, свойственными резистивным материалам, а именно: низким ТКС (αR), низким коэффициентом нестабильности (старения) (S), хорошей адгезией и технологичностью.
2. Вычислим относительную температурную погрешность:
=0,0004(150-20)=0,052
3. Вычислим относительную погрешность старения:
, где
tисп - время испытания за которое определен коэффициент старения S;
tисп = 1000 часов.
4. Вычислим относительную погрешность контактирования:
= 0,01 - 0,03 ⇒ зададимся ![]()
=0,01
5. Вычислим относительную погрешность формы:
γкф = γR -
-
-
-
= 0,22 - 0,1 - 0,052 - 0,025 -0,01=0,033;
6. Определение вида резистора (подстраиваемый или неподстраиваемый):
γкф > Δb/ bmax , где bmax = 2 мм ⇒ γкф > 0,01 ⇒ резистор неподстраиваемый.
Предпочтение отдается неподстраиваемому резистору.
7. Вычислим коэффициент формы рассчитываемого резистора:
= 14000/5000 = 2,8;
8. Определение вида резистора (прямой или меандр):
Если коэффициент формы меньше 10, то резистор прямой, а если больше десяти, то резистор изготовляется в форме меандра. Предпочтение отдается прямому резистору. В данном случае резистор изготовляется прямым.
9. Определение ширины резистора по мощности рассеяния:

10. Определение основного размера по заданной точности:
, где Δl=Δb=0,02 при условии, что коэффициент формы больше единицы.
11. Выбор основного размера:
⇒ b = 0,82 мм
12. Определение длины резистора:
![]()
13. Проверка проведенных расчетов:
Ом ⇒ расчет выполнен правильно !
На этом этапе мы рассчитали первый резистор из второй группы (R2). Расчет остальных резисторов этой группы аналогичен и далее не приводится. Результаты расчета всех резисторов данной группы сведены в таблицу.
Таблица 9. Результаты расчет резисторов второй группы
Резистор |
Кф |
bmin γ , мм |
bmin p , мм |
b, мм |
l, мм |
Вид резистора |
R2 |
2,8 |
0,82 |
0,0011 |
0,82 |
2,30 |
Прямой, неподстр. |
R3 |
9 |
0,67 |
0,052 |
0,67 |
6,03 |
Прямой, неподстр. |
R4 |
7 |
0,70 |
0,053 |
0,70 |
4,90 |
Прямой, неподстр. |
R5 |
2,5 |
0,85 |
0,0185 |
0,85 |
1,03 |
Прямой, неподстр. |
R8 |
2,5 |
0,85 |
0,36 |
0,85 |
2,13 |
Прямой, неподстр. |
R11 |
2 |
0,91 |
0,47 |
0,91 |
1,82 |
Прямой, неподстр. |
R15 |
2 |
0,91 |
0,00014 |
0,91 |
1,82 |
Прямой, неподстр. |
На этом расчет резисторов второй группы завершен. Все резисторы получились прямыми и неподстраиваемыми. Вследствие этого размеры резисторов минимальны, что позволит располагать их на подложке компактно и с наибольшей степенью интеграции.
Расчет резисторов закончен !
Расчет контактных переходов для резисторов первой группы
1. Исходные данные для низкоомных резисторов:
, где
Rн - номинальное сопротивление резистора;
- относительная погрешность контактирования;
- удельное поверхностное сопротивление;
bmin - минимальная ширина резистора;
2. Рассчитаем максимально допустимое значение сопротивления контактного перехода:
Ом;
3. Рассчитаем сопротивление контактного перехода:
Ом;
4. Проверка условия:
Rк доп должно быть больше, чем Rк п. Условие соблюдается.
5. Находим минимальную длину контактного перехода:
мм;
6. Находим реальную длину контактного перехода:
![]()
Остальные резисторы данной группы удовлетворяют этому условию.
Расчет контактных переходов для резисторов второй группы
1. Исходные данные для высокоомных резисторов:
, где
Rн - номинальное сопротивление резистора;
- относительная погрешность контактирования;
- удельное поверхностное сопротивление;
bmin - минимальная ширина резистора;
2. Рассчитаем максимально допустимое значение сопротивления контактного перехода:
Ом;
3. Рассчитаем сопротивление контактного перехода:
Ом;
4. Проверка условия:
Rк доп должно быть больше, чем Rк п. Условие соблюдается.
5. Находим минимальную длину контактного перехода:
мм;
6. Находим реальную длину контактного перехода:
![]()
Остальные резисторы данной группы удовлетворяют этому условию.
Расчет геометрических размеров тонкопленочных конденсаторов, выполненных методом свободной маски (МСМ)
1. Исходные данные:
а). конструкторские:
, где
Cн - номинальная емкость конденсатора;
γC - относительная погрешность номинальной емкости;
Up- рабочее напряжение на конденсаторе;
T°max C - максимальная рабочая температура МС;
tэкспл - время эксплуатации МС.
б). технологические:
, где
Δb(Δl) - абсолютная погрешность изготовления;
Δlустан - абсолютная погрешность совмещения трафарета;
- относительная погрешность удельной емкости.
2. Выбор материала диэлектрика:
В качестве материала диэлектрика будем использовать тАЬСТЕКЛО ЭЛЕКТРОВАКУУМНОЕтАЭ. Характеристики этого материала приведены в таблице:
Таблица 10. Материал диэлектрика конденсатора
Материал |
С0, пФ/мм2 |
ε |
tg δ |
Eпр, В/мкм |
αс, 10-4 |
S, %/1000ч |
Стекло электровакуумное С41-1 НПО.027.600 |
100 - 300 |
5 - 6 |
0,002 - 0,005 |
200 - 400 |
2 |
1,5 |
3. Определение толщины диэлектрика:
мкм, где
Кз - коэффициент запаса, необходимый для обеспечения надежностных характеристик и равный 2 - 4. Примем Кз = 2.
4. Определение удельной емкости по рабочему напряжению:
![]()
5. Определение коэффициента формы конденсатора:
Для большей компактности микросхемы выберем коэффициент формы конденсатора равным двум. Конденсатор такой формы удобнее разместить на подложке, чем квадратный.
Кф = 2;
6. Определение относительной погрешности старения:
, где
tисп - время испытания за которое определен коэффициент старения S;
tисп = 1000 часов.
7. Определение относительной температурной погрешности:
=0,0002(150-20)=0,026
8. Вычисление относительной погрешности:
= 0,23-0,115-0,026-0,075 = 0,014;
9. Определение удельной емкости по относительной погрешности:
;
10. Определение вида конденсатора:
Результаты расчета показали, что конденсатор будет изготавливаться неподстраиваемым. Это наиболее оптимальный вид конденсатора.
11. Выбор удельной емкости:
Удельная емкость выбирается из следующего соотношения:
и удовлетворять диапзону самого материала.
С0 = 300 пФ/мм2
12. Определение площади перекрытия обкладок:
S = Cн/C0 =3800/300 = 12,7 мм2;
13. Определение размеров верхней обкладки:
;
;
14. Определение размеров нижней обкладки:
;
;
15. Определение размеров диэлектрика:
;
;
16. Определение площади, занимаемой конденсатором:
мм2.
На этом расчет конденсатора закончен. Конденсатор получился неподстраиваемым. Вследствие этого его размеры минимальны, что позволит расположить его на подложке компактно и с наибольшей степенью интеграции.
Расчет конденсаторов закончен !
Выбор и обоснование топологии
1. Выбор топологии производится на основе принципиальной электрической схемы данной микросхемы;
2. Выбран вариант технологического процесса - метод свободной маски;
3. Перечень конструкторских и технологических ограничений:
Оборудование имеет шесть позиций:
- низкоомные резисторы и подслой для контактных площадок
- высокоомные резисторы
- нижняя обкладка конденсатора и соединительные проводники
- диэлектрик конденсатора
- верхняя обкладка конденсатора и контактные площадки
- защитный слой;
4. Ограничение перечня элементов в пленочном исполнении;
5. Произведен расчет геометрических размеров элементов;
6. Определение необходимой площади подложки:
, где Кзап=0,5-0,75

Из перечня стандартных размеров выбираем подходящие размеры подложки . Исходя из проведенных расчетов выберем подложку с размерами 12x20 мм.
7. При проведении граф-анализа данной схемы установлено, что все пленочные и навесные элементы расположены в плоскости, и схема их соединений удовлетворяет всем конструкторским и технологическим требованиям.
Граф - анализ электрической принципиальной схемы
Рис. 3. Граф - схема
Топология
Рис. 4. Топология
Обоснование выбора корпуса
В
ыбор типоразмера корпуса произведен согласно геометрическим размерам подложки. Выбор типоразмера корпуса произведен с таким расчетом, чтобы подложка стандартных размеров с размещенными на ней элементами помещалась в выбранный корпус. Корпус 1221.18-5 ГОСТ 17467-88. Корпус металлостеклянный пряВнмоугольной формы с продольным расположением выводов. Он обладает следующими достоинствами:
- хорошо экранирует плату от внешних наводок;
- изоляция коваровых выводов стеклом обеспечивает наилучшую герметизацию и устойчивость к термоциклированию;
- крепление крышки контактной сваркой обеспечивает хорошую герметизацию и прочность;
- хорошо согласовывается с координатной сеткой.
Технологическая часть
Последовательность технологического процесса
- Изготовление масок;
- Подготовка подложек;
- Формирование тонкопленочной структуры;
- Подгонка номиналов;
- Резка пластин на кристаллы;
- Сборка;
- Установка навесных элементов;
- Контроль параметров;
- Корпусная герметизация;
- Контроль характеристик;
- Испытания;
- Маркировка;
- Упаковка.
Методы формирования тонкопленочных элементов
О
сновными методами нанесения тонких пленок в технологии ГИМС являются: термическое испарение в вакууме, катодное, ионно-плазменное и магнетронное распыления.

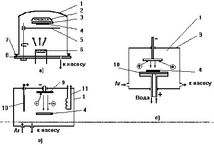
Термическое испарение в вакууме 10-3 - 10 -4 Па предусматривает нагрев материала до температуры, при которой происходит испарение, направленное движение паров этого материала и его конденсация на поверхности подложки. Рабочая камера вакуумной установки (Рис. 5, а) состоит из металлического или стеклянного колпака 1, установленного на опорной плите 8. Резиновая прокладка 7 обеспечивает вакуум-плотное соединение. Внутри рабочей камеры расположены подложка 4 на подложкодержателе 3, нагреватель подложки 2 и испаритель вещества 6. Заслонка 5 позволяет в нужный момент позволяет прекращать попадание испаряемого вещества на подложку. Степень вакуума в рабочей камере измеряется специальным прибором - вакуумметром.
Рис. 5. Методы осаждения тонких пленок
а) - термическое испарение в вакууме; б) - катодное распыление;
в) - ионно-плазменное распыление;
1 - колпак; 2 - нагреватель подложки; 3 - подложкодержатель;
4 - подложка; 5 - заслонка; 6 - испаритель; 7 - прокладка;
8 - опорная плита; 9 - катод-мишень; 10 - анод; 11 - термокатод
Катодным (ионным) распылением (Рис. 5, б) называют процесс, при котором в диодной системе катод-мишень 9, выполненный из распыляемого материала, оседающие в виде тонкой пленки на подложке 4. Ионизация инертного газа осуществляется электронами, возникающими между катодом-мишенью 9 и анодом 10 при U= 3-5 кВ и давлении аргона 1-10 Па.
При ионно-плазменном распылении (Рис. 5, в) в систему анод 10 - катод-мишень 9 вводят вспомогательный источник электронов (термокатод 11). Перед началом работы рабочая камера 1 откачивается до вакуума 10-4 Па и на термокатод 11 подается ток, достаточный для разогрева его и создания термоэлектронного тока (термоэлектронная эмиссия). После разогрева термокатода 11 между ним и анодом 10 прикладывается U=200 В, а рабочая камера наполняется инертным газом (Ar) до давления 10-1 - 10-2 Па - возникает газовый плазменный разряд. Если подать отрицательный потенциал на катод-мишень 9 (3-5 кВ), то положительные ионы, возникающие вследствие ионизации инертного газа электронами, будут бомбардировать поверхность катода-мишени 9, распылять его, а частицы материала оседать на подложке 4, формируя тонкую пленку.
Определенная конфигурация элементов ИМС получается при использовании специальных масок, представляющих собой моно- или биметаллические пластины с прорезями, соответствующими топологии (форме и расположению) пленочных элементов.
Для формирования сложных ТПЭ большой точности применяют фотолитографию, при которой сплошные пленки материалов ТПЭ наносят на подложку, создают на ее поверхности защитную фоторезистивную маску и вытравливают незащищенные участки пленки. Существует несколько разновидностей этого метода. Например, рпи прямой фотолитографии вначале на диэлектрическую подложку наносят сплошную пленку резистивного материала и создают защитную фоторезистивную маску, черз которую травят резистивный слой. Затем эту маску удаляют и сверху наносят сплошную пленку металла (например, алюминия). После создания второй фоторезистивной маски и травления незащищенного алюминия на поверхности подложки остаются полученные ранее резисторы, а также сформированные проводники и контактные площадки, закрытые фоторезистивной маской.
Удалив ненужную более маску, на поверхность наносят сплошную защитную пленку (например, SiO2) и в третий раз создают фоторезистивную маску, открывая участки защитного покрытия над контактными площадками. Протравив защитное покрытие в этих местах и удалив фоторезистивную маску, получают плату ГИМС с пленочными элементами и открытыми контактными площадками.
Использованная литература
1. Методические указания к выполнению курсового проекта по курсу тАЬКонструирование микросхем и микропроцессоровтАЭ, МИЭМ, 1988
2. Романычева Э.Т., Справочник: тАЭРазработка и оформление конструкторской документации РЭАтАЭ, Радио и связь, 1989
Оглавление
Задание на курсовое проектирование .............................. 2
Аннотация .................................................... 4
Введение ...................................................... 5
Электрический расчет принципиальной схемы ....................... 6
Данные для расчета размеров тонкопленочных элементов ............. 7
Расчет геометрических размеров резисторов ........................ 8
Расчет контактных переходов .................................... 13
Расчет геометрических размеров конденсаторов .................... 15
Выбор и обоснование топологии ................................. 17
Граф - анализ схемы ........................................... 18
Топология .................................................... 19
Обоснование выбора корпуса .................................... 20
Последовательность технологического процесса .................... 20
Методы формирования тонкопленочных элементов ................. 21
Использованная литература ..................................... 23
Оглавление ................................................... 24
Вместе с этим смотрят:
Контроль динамических параметров ЦАПКПД трансформатора. Устройство и работа
Лавинно-пролетный диод
Лазер