Исследование логических элементов
Лабораторная работа
1. Цель работы
Целью работы является:
- теоретическое изучение логических элементов, реализующих элементарные функции алгебры логики (ФАЛ);
- экспериментальное исследование логических элементов, построенных на отечественных микросхемах серии К155.
2. Основные теоретические положения.
2.1. Математической основой цифровой электроники и вычислительной техники является алгебра логики или булева алгебра (по имени английского математика Джона Буля).
В булевой алгебре независимые переменные или аргументы (X) принимают только два значения: 0 или 1. Зависимые переменные или функции (Y) также могут принимать только одно из двух значений: 0 или 1. Функция алгебры логики (ФАЛ) представляется в виде:
Ва Y = F (X1; X2; X3 .. XN ).
Данная форма задания ФАЛ называется алгебраической.
2.2. Основными логическими функциями являются:
- логическое отрицание (инверсия)
Ва Y =
;
- логическое сложение (дизьюнкция)
Ва Y = X1 + X2Ва илиВа Y = X1 V X2 ;
- логическое умножение (коньюнкция)
Ва Y = X1 В· X2 ВаВаилиВа Y = X1 L X2 .
К более сложным функциям алгебры логики относятся:
- функция равнозначности (эквивалентности)
Ва Y = X1 В· X2 +
Ваили Y = X1 ~ X2 ;
- функция неравнозначности (сложение по модулю два)
Ва Y = X1 В·
Ва+
В· X2 Ваили Y = X1
ВаX2 ;
- функция Пирса (логическое сложение с отрицанием)
Ва Y =
Ва;
- функция Шеффера (логическое умножение с отрицанием)
Ва Y =Ва
Ва;
2.3. Для булевой алгебры справедливы следующие законы и правила:
- распределительный закон
Ва X1 (X2 + X3) = X1 В· X2 + X1 В· X3 ,
Ва X1 + X2 В· X3 = (X1 + X2) (X1 + X3) ;
- правило повторения
Ва X В· X = X , X + X = X ;
- правило отрицания
Ва X В·
Ва= 0 , X +
Ва= 1 ;
- теорема де Моргана
Ва=
Ва,ВаВаВа
Ва=
Ва;
- тождества
Ва X В· 1 = X ,Ва X + 0Ва = X ,Ва X В· 0 = 0 ,Ва X + 1 = 1.
2.4. Схемы, реализующие логические функции, называются логическими элементами. Основные логические элементы имеют, как правило, один выход (Y)Ва и несколько входов, число которых равно числу аргументов (X1;X2;X3 .. XN ). На электрических схемах логические элементы обозначаются в виде прямоугольников с выводами для входных (слева) и выходных (справа) переменных. Внутри прямоугольника изображается символ, указывающий функциональное назначение элемента.
На рис.1 ¸ 10 представлены логические элементы, реализующие рассмотренные в п.2.2. функции. Там же представлены так называемые таблицы состояний или таблицы истинности, описывающие соответствующие логические функции в двоичном коде в виде состояний входных и выходных переменных. Таблица истинности является также табличным способом задания ФАЛ.
На рис.1 представлен элемент тАЬНЕтАЭ, реализующий функцию логического отрицания Y =
.

Рис. 1
Элемент тАЬИЛИтАЭ (рис.2) и элемент тАЬИтАЭ (рис.3) реализуют функции логического сложения и логического умножения соответственно.

Рис. 2

Рис. 3
Функции Пирса и функции Шеффера реализуются с помощью элементов тАЬИЛИ-НЕтАЭ и тАЬИ-НЕтАЭ, представленных на рис.4 и рис. 5 соответственно.

Рис. 4

Рис. 5
Элемент Пирса можно представить в виде последовательного соединения элемента тАЬИЛИтАЭ и элемента тАЬНЕтАЭ (рис.6), а элемент ШеффераВа - в виде последовательного соединения элемента тАЬИтАЭ и элемента тАЬНЕтАЭ (рис.7).

На рис.8 и рис.9 представлены элементы тАЬИсключающее ИЛИтАЭ и тАЬИсключающее ИЛИ - НЕтАЭ, реализующие функции неравнозначности и неравнозначности с отрицанием соответственно.

Рис. 8

Рис. 9
2.5. Логические элементы, реализующие операции коньюнкции, дизьюнкции, функции Пирса и Шеффера, могут быть, в общем случае, n - входовые. Так, например, логический элемент с тремя входами, реализующий функцию Пирса, имеет вид, представленный на рис.10.

Рис.10
В таблице истинности (рис.10) в отличие от таблиц в п.2.4. имеется восемь значений выходной переменной Y. Это количество определяется числом возможных комбинаций входных переменных N, которое, в общем случае, равно:ВаВа N = 2 n , гдеВа n - число входных переменных.
2.6. Логические элементы используются для построения интегральных микросхем, выполняющих различные логические и арифметические операции и имеющих различное функциональное назначение. Микросхемы типа К155ЛН1 и К155ЛА3, например, имеют в своем составе шесть инверторов и четыре элемента Шеффера соответственно (рис.11), а микросхема К155ЛР1 содержит элементы разного вида (рис.12).

Рис. 11

Рис. 12
2.7. ФАЛ любой сложности можно реализовать с помощью указанных логических элементов. В качестве примера рассмотрим ФАЛ, заданную в алгебраической форме, в виде:
.ВаВаВаВаВаВаВа (1)
Упростим данную ФАЛ, используя вышеприведенные правила. Получим:
ВаВа (2)
Проведенная операция носит название минимизации ФАЛ и служит для облегчения процедуры построения функциональной схемы соответствующего цифрового устройства.
Функциональная схема утройства, реализующая рассматриваемую ФАЛ, представлена на рис.13.

Рис. 13
Следует отметить, что полученная после преобразованийВа функция (2) не является полностью минимизированной. Полная минимизация функции проводится в процессе выполнения лабораторной работы.
3. Описание обьекта и средств исследования
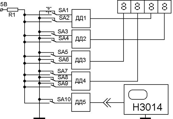
Исследуемое в лабораторной работе устройство представлено на рис.14.

Рис.14
3.1. Устройство представляет собой группу логических элементов, выполненных на микросхемах серии К155 (элементы ДД1¸ДД4).
Для микросхем данной серии логической единице соответствует напряжение U1 = (2,4 ¸ 5,0) B, а логическому нулю - U0 = (0 ¸ 0,8) В.
3.2. Логические тАЬ0тАЭ и тАЬ1тАЭ на входе элементов задаются с помощью кнопок, расположенных на передней панели блока К32 под надписью тАЬПрограмматор кодовтАЭ. Номера кнопок на панели соответствуют номерам на схеме устройства.
Полное графическое изображение кнопок данного типа (так называемых тАЬкнопок с фиксациейтАЭ) показано только для кнопки SA1.
При нажатой кнопке вход элементов через резистор R1 подключается к источнику с напряжением 5В. При этом на входе элементов будет действовать напряжение U1 , что соотвествует подаче на вывод микросхемы логической единицы. При отжатой кнопке вход элемента будет соединен с шиной, находящейся под потенциалом земли, что соответствует подаче на вывод микросхемы логического нуля U0.
3.3. Логические сигналы с выводов элементов ДД1 ¸ ДД4 поступают на цифровые индикаторы и индуцируются в виде символов тАЬ0тАЭ и тАЬ1тАЭ. Цифровые индикаторы расположены в блоке К32 слева (кнопка тАЬIO \ 2тАЭ) под индикаторамиВа должна находиться в нажатом состоянии.
3.4. Сигнал с выхода элемента ДД5 через цепи коммутации подается на вход мультиметра Н3014. Предварительно мультиметр устанавливается в режим измерения постоянного напряжения тАЬ-VтАЭ и выпорлняются следующие подсоединения:
3.4.1. Вход - гнездо мультиметра тАЬ-VтАЭ - кабелем соединяется с гнездом тАЬВыход V ~тАЬ блока К32.
3.4.2. Гнездо XS1 на плате устройства проводником соединяется с левым гнездом под надписью тАЬВход 1тАЭ в поле надписи тАЬКоммутатортАЭ.
3.4.3. Кнопка тАЬВСВ \ ВНКтАЭ над указанным выше гнездом должна находиться в нажатом состоянии.
3.4.4. Кнопка тАЬВХ 1тАЭ под надписью тАЬКонтроль V ~тАЬ должна находиться в нажатом, а кнопка тАЬВСВ \ ВНКтАЭ в поле надписи тАЬКВУтАЭ - в отжатом состоянии.
4. Методические рекомендации к выполнению работы
4.1. Исследование особенностей функционирования логических элементов ДД1 ¸ ДД4 и определение их функционального назначения.
4.1.1. Задавая различные комбинации входных логических сигналов, определить значение выходного сигнала и по результатам измерений заполнить таблицы истинности для каждого элемента ДД1 ¸ ДД4 (таблица 1 или таблица 2 соответственно) в лабораторном отчете.
Таблица 1.
X1 | X2 | Y |
| 0 | 0 | |
| 1 | 0 | |
| 0 | 1 | |
| 1 | 1 |
Таблица 2.
X1 | X2 | X3 | Y |
| 0 | 0 | 0 | |
| 1 | 0 | 0 | |
| 0 | 1 | 0 | |
| 1 | 1 | 0 | |
| 0 | 0 | 1 | |
| 1 | 0 | 1 | |
| 0 | 1 | 1 | |
| 1 | 1 | 1 |
4.1.2. По результатам измерений (п.4.1.1.) определить функциональное назначение элементов и проставить их обозначение на схеме в лабораторном отчете.
Внимание! Вноситьт обозначения в текст методических указаний категорически запрещается.
4.2. Исследование особенностей функционирования элемента ДД5, определение его функционального гназначения и измерение уровней напряжения, соответсствующих логическим сигналам тАЬ0тАЭ и тАЬ1тАЭ.
4.2.1. Задавая с помощью кнопки SA12 лоргические сигналы тАЬ0тАЭ и тАЬ1тАЭ, на входе элемента ДД5 по соотношению выходных сигналов определить его функциональное назначение (см.п.3.1.). Провести измерения величины напряжения на выходе элемента для каждой комбинации входных сигналов с помощью мультиметра (п.3.4.). Данные измерений занести в таблицу.
Таблица 3.
| X | UВЫХ | Y |
| 0 | ||
| 1 |
4.2.2. По результатам измеренийВа (п.4.2.1.) определить уровни напряжений логического нуля U0 и логической единицы U1 для данного типа микросхем и установить их соответствие паспортным данным.
4.3. Провести полную минимизацию ФАЛ, представленной в п.2.7. По результатам минимизации составить функциональную схему устройства.
Содержание отчета
1. Название и цель работы
2. Схема исследуемого устройства
3. Таблицы 1,2,3
4. Результаты измерений U0 и U1 (п.4.2.2.)
5. Формулы для расчета и расчет по п.4.3., схема устройства
6. Выводы по работе
Контрольные вопросы
1. Какими значениями переменных оперирует алгебра логики?
2. Основные формы задания ФАЛ
3. Вид основных логических функций в алгебраической форме
4. Что такое тАЬлогический элементтАЭ?
5. Какие логические функции выполняют элементы Пирса и Шеффера?
6. Чем определяется число возможных комбинаций входных переменныхВа для произвольного логического элемента?
Список литературы
Электротехника и основы электроники. О.А.Антонова, О.П.Глудкин иВа др., Под ред. проф. О.П.Глудкина.-М.:Высшая школа, 1993.
Вместе с этим смотрят:
10 способов решения квадратных уравнений