Оптроны и их применение
СОДЕРЖАНИЕ:
Введение. 2
Основные определения. 2
Отличительные особенности оптронов. 2
Обобщенная структурная схема. 3
Применение. 4
История. 5
Физические основы оптронной техники. 6
Элементная база и устройство оптронов. 6
Физика преобразования энергии в диодном оптроне. 7
Параметры и характеристики оптопар и оптоэлектронных интегральных микросхем. 13
Классификация параметров изделий оптронной техники. 13
Диодные оптопары. 14
Транзисторные и тиристорные оптопары. 15
Резисторные оптопары. 15
Дифференциальные оптопары. 15
Оптоэлектронные микросхемы. 16
Сферы применения оптронов и оптронных микросхем. 16
Передача информации. 17
Получение и отображение информации. 18
Контроль электрических процесов. 18
Замена электромеханических изделий. 19
Энергетические функции. 19
Литература. 19
1. ВВЕДЕНИЕ
1.1 Основные определения.
Оптронами называют такие оптоэлектронные приборы, в которых имеются источник и приемник излучения (светоизлучатель и фотоприемник) с тем или иным видом оптической и электрической связи между ними, конструктивно связанные друг с другом .
Принцип действия оптронов любого вида основан на следующем. В излучателе энергия электрического сигнала преобразуется в световую, в фотоприемнике, наоборот, световой сигнал вызывает электрический отклик.
Практически распространение получили лишь оптроны, у которых имеется прямая оптическая связь от излучателя к фотоприемнику и, как правило, исключены все виды электрической связи между этими элементами.
По степени сложности структурной схемы среди изделий оптронной техники выделяют две группы приборов. Оптопара (говорят также тАЬэлементарный оптронтАЭ) представляет собой оптоэлектронный полупроводниковый прибор, состоящий из излучающего и фотоприемного элементов, между которыми имеется оптическая связь, обеспечивающая электрическую изоляцию между входом и выходом. Оптоэлектронная интегральная микросхема представляет собой микросхему, состоящую из одной или нескольких оптопар и электрически соединенных с ними одного или нескольких согласующих или усилительных устройств.
Таким образом в электронной цепи такой прибор выполняет функцию элемента связи, в котором в то же время осуществлена электрическая (гальваническая) развязка входа и выхода.
1.2 Отличительные особенности оптронов.
Достоинства этих приборов базируются на общем оптоэлектронном принципе использования электрически нейтральных фотонов для переноса информации. Основные из них следующие:
- возможность обеспечения идеальной электрической (гальванической);развязки между входом и выходом; для оптронов не существует каких-либо принципиальных физических или конструктивных ограничений по достижению сколь угодно высоких напряжений и сопротивлений развязки и сколь угодно малой проходной емкости;
- возможность реализации бесконтактного оптического управления электронными объектами и обусловленные этим разнообразие и гибкость конструкторских решений управляющих цепей;
- однонаправленность распространения информации по оптическому каналу, отсутствие обратной реакции приемника на излучатель;
- широкая частотная полоса пропускания оптрона, отсутствие ограничения со стороны низких частот (что свойственно импульсным трансформаторам); возможность передачи по оптронной цепи как импульсного сигнала, так и постоянной составляющей;
- возможность управления выходным сигналом оптрона путем воздействия (в том числе и неэлектрического) на материал оптического канала и вытекающая отсюда возможность создания разнообразных датчиков, а также разнообразных приборов для передачи информации;
- возможность создания функциональных микроэлектронных устройств с фотоприемниками, характеристики которых при освещении изменяются по сложному заданному закону;
- невосприимчивость оптических каналов связи к воздействию электромагнитных полей, что в случае тАЬдлинныхтАЭ оптронов (с протяженным волоконно-оптическим световодом между излучателем и приемником) обусловливает их защищенность от помех и утечки информации, а также исключает взаимные наводки ;
- физическая и конструктивно-технологическая совместимость с другими полупроводниковыми и микроэлектронными приборами.
Оптронам присущи и определенные недостатки:
- значительная потребляемая мощность, обусловленная необходимостью двойного преобразования энергии (электричество - свет - электричество) и невысокими КПД этих переходов;
- повышенная чувствительность параметров и характеристик к воздействию повышенной температуры и проникающей ядерной радиации;
- более или менее заметная временная деградация (ухудшение) параметров;
-относительно высокий уровень собственных шумов, обусловленный , как и два предыдущих недостатка, особенностями физики светодиодов;
- сложность реализации обратных связей, вызванная электрической разобщенностью входной и выходной цепей;
- конструктивно-технологическое несовершенство, связанное с использованием гибридной непланарной технологии, (с необходимостью объединения в одном приборе нескольких - отдельных кристаллов из различных полупроводников, располагаемых в разных плоскостях).
Перечисленные недостатки оптронов по мере совершенствования материалов, технологии, схемотехники частично устраняются, но тем не менее еще длительное время будут носить достаточно принципиальный характер. Однако их достоинства столь высоки, что обеспечивают уверенную внеконкурентность оптронов среди других приборов микроэлектроники.
1.3 Обобщенная структурная схема (рис. 1.1).

Рис 1.1. Обобщенная структурная схема оптрона.
Как элемент связи оптрон характеризуется коэффициентом передачи Кi , определяемым отношением выходного и входного сигналов, и максимальной скоростью передачи информации F. Практически вместо F измеряют длительности нарастания и спада передаваемых импульсов tнар(сп) или граничную частоту. Возможности оптрона как элемента гальванической развязки характеризуются максимальным напряжением и сопротивлением развязки Uразв и Rразв и проходной емкостью Cразв.
В структурой схеме рис. 1.1 входное устройство служит для оптимизации рабочего режима излучателя (например, смещения светодиода на линейный участок ватт-амперной характеристики) и преобразования (усиления) внешнего сигнала. Входной блок должен обладать высоким КПД преобразования, высоким быстродействием, широким динамическим диапазоном допустимых входных токов (для линейных систем), малым значением тАЬпороговоготАЭ входного тока, при котором обеспечивается надежная передача информации по цепи.
Назначение оптической среды - передача энергии оптического сигнала от излучателя к фотоприемнику, а также во многих случаях обеспечение механической целостности конструкции.
Принципиальная возможность управления оптическими свойствами среды, например с помощью использования электрооптических или магнитооптических эффектов, отражена введением в схему устройства управления, В этом случае мы получаем оптрон с управляемым
оптическим каналом, функционально отличающийся от тАЬобычноготАЭ оптрона: изменение выходного сигнала может осуществляться как по входу, так и по цепи управления.
В фотоприемнике происходит тАЬвосстановлениетАЭ информационного сигнала из оптического в электрический; при этом стремятся иметь высокую чувствительность и высокое быстродействие.
Наконец, выходное устройство призвано преобразовать сигнал фотоприемника в стандартную форму, удобную для воздействия на последующие за оптроном каскады. Практически обязательной функцией выходного устройства является усиление сигнала, так как потери после двойного пpeобразования очень значительны. Нередко функцию усиления выполняет и сам фотоприемник (например, фототранзистор).
Общая структурная схема рис. 1.1 реализуется в каждом конкретном приборе лишь частью блоков. В соответствии с этим выделяют три основные группы приборов оптронной техники; ранее названные оптопары (элементарные оптроны), использующие блоки светоизлучатель - оптическая среда - фотоприемник; оптоэлектронные (оптронные) микросхемы (оптопары с добавлением выходного, а иногда и входного устройства); специальные виды оптронов - приборы, функционально и конструктивно существенно отличающиеся от элементарных оптронов и оптоэлектронных ИС
Реальный оптрон может быть устроен и сложнее, чем схема на рис. 1.1; каждый из указанных блоков может включать в себя не один, а несколько одинаковых или подобных друг другу элементов, связанных электрически и оптически, однако это не изменяет существенно основ физики и электроники оптрона.
1.4 Применение.
В качестве элементов гальванической развязки оптроны применяются: для связи блоков аппаратуры, между которыми имеется значительная разность потенциалов; для защиты входных цепей измерительных устройств от помех и наводок; и т.д.
Другая важнейшая область применения оптронов - оптическое, бесконтактное управление сильноточными и высоковольтными цепями. Запуск мощных тиристоров, триаков, симисторов, управление электромеханическими релейными устройствами
Специфическую группу управляющих оптронов составляют резисторные оптроны, предназначенные для слаботочных схем коммутации в сложных устройствах визуального отображения информации, выполненных на электролюминесцентных (порошковых) индикаторах, мнемосхемах, экранах.
Создание тАЬдлинныхтАЭ оптронов (приборов с протяженным гибким волоконнооптическим световодом) открыло совершенно новое направление применения изделий оптронной техники - связь на коротких расстояниях.
Различные оптроны (диодные, резисторные, транзисторные) находят применение и в чисто радиотехнических схемах модуляции, автоматической регулировки усиления и др. Воздействие по оптическому каналу используется здесь для вывода схемы в оптимальный рабочий режим, для бесконтактной перестройки режима и т. п.
Возможность изменения свойств оптического канала при различных внешних воздействиях на него позволяет создать целую серию оптронных датчиков: таковы датчики влажности и загазованности, датчика наличия в объеме той или иной жидкости, датчики чистоты обработки поверхности предмета, скорости его перемещения и т. п.
Достаточно специфическим является использование оптронов в энергетических целях, т. е. работа диодного оптрона в фотовентильном режиме. В таком режиме фотодиод генерирует электрическую мощность в нагрузку и оптрон до определенной степени подобен маломощному вторичному источнику питания, полностью развязанному от первичной цепи;
Создание оптронов с фоторезисторами, свойства которых при освещении меняются по заданному сложному закону, позволяет моделировать математические функции, является шагом на пути создания функциональной оптоэлектроники.
Универсальность оптронов как элементов гальванической развязки и бесконтактного управления, разнообразие и уникальность многих других функций являются причиной того, что сферами применения этих приборов стали вычислительная техника, автоматика, связная и радиотехническая аппаратура, автоматизированные системы управления, измерительная техника, системы контроля и регулирования, медицинская электроника, устройства визуального отображения информации.
1.5 История
Идея создания и применения oптронов относится к 1955 г., когда в работе Loebner E. E. тАЬOpto-electronic devices networkтАЭ была предложена целая серия приборов с оптическими и электрическими связями между элементами, что позволяло осуществлять усиление и спектральное преобразование световых сигналов, создавать приборы с двумя устойчивыми состояниями - бистабильные оптроны, оптоэлектронные устройства накопления и хранения информации логические схемы, регистры сдвига. Там же был предложен и термин тАЬоптронтАЭ, образованный как сокращение от английского тАЬoptical-electronic deviceтАЭ.
Описанные в этой работе оптроны, отлично иллюстрируя принципы, оказались непригодными для промышленной реализации, так как основывались на несовершенной элементарной базе - неэффективных и инерционных порошковых злектролюминесцентных конденсаторах (излучатель) и фоторезисторах (приемник). Несовершенны были и важнейшие эксплуатационные характеристики приборов: низкотемпературная и временная стабильность параметров, недостаточная устойчивость к механическим воздействиям. Поэтому. на первых порах оптрон оставался лишь интересным научным достижением не находящим применения в технике.
Лишь в середине 60-х годов развития полупроводниковых светоизлучающих диодов и технологически совершенных высокоэффективных быстродействующих кремниевых фотоприемников с р - n-переходами (фотодиоды и фототранзисторы) начала создаваться элементарная база современной оптронной техники. К началу 70-х годов производство оптронов в ведущих странах мира превратилось в важную и быстро развивающуюся отрасль электронной техники, успешно дополняющую традиционную микроэлектронику.
2. ФИЗИЧЕСКИЕ ОСНОВЫ ОПТРОННОЙ ТЕХНИКИ
2.1. ЭЛЕМЕНТНАЯ БАЗА И УСТРОЙСТВО ОПТРОНОВ
Элементную основу оптронов составляют фотоприемники и излучатели, а также оптическая среда между ними. Ко всем этим элементам предъявляются такие общие требования, как малые габариты и масса, высокая долговечность и надежность, устойчивость к механическим и климатическим воздействиям, технологичность, низкая стоимость. Желательно также чтобы элементы прошли достаточно широкую и длительную промышленную апробацию.
Функционально (как элемент схемы) оптрон характеризуется в первую очередь тем, какой вид фотоприемника в нем используется.
Успешное использование фотоприемника в оптроне определяется выполнением следующих основных требований: эффективность преобразования энергии квантов излучения в энергию подвижных электрических; наличие и эффективность внутреннего встроенного усиления; высокое быстродействие; широта функциональных возможностей.
В оптронах используются фотоприемники различных структур , чувствительные в видимой и ближней инфракрасной области, так как именно в этом диапазоне спектра имеются интенсивные источники излучения и возможна работа фотоприемников без охлаждения.
Наиболее универсальными являются фотоприемники с р - n-переходами (диоды, транзисторы и т, п.), в подавляющем большинстве случаев они изготовляются на основе кремния и область их максимальной спектральной чувствительности находится вблизи λ=0,7..0,9мкм.
Многочисленные требования предъявляются и к излучателям оптронов. Основные из них: спектральное согласование с выбранным фотоприемником; высокая эффективность преобразования энергии электрического тока в энергию излучения; преимущественная направленность излучения; высокое быстродействие; простота и удобство возбуждения и модуляции излучения.
Для использования в оптронах пригодны и доступны несколько разновидностей излучателей:
- Миниатюрные лампочки накаливания.
- Неоновые лампочки, в которых используется свечение электрического разряда газовой смеси неон-аргон.
Этим видам излучателей свойственны невысокая светоотдача, низкая устойчивость к механическим воздействиям, ограниченная долговечность, большие габариты, полная несовместимость с интегральной технологией. Тем не менее в отдельных видах оптронов они могут находить применение.
- Порошковая электролюминесцентная ячейка использует в качестве светящегося тела мелкокристаллические зерна сульфида цинка (активированного медью, марганцем или другими присадками),взвешенные в полимеризующемся диэлектрике. При приложении достаточно высоких напряжений переменного тока идет процесс предпробойной люминесценции.
- Тонкопленочные электролюминесцентные ячейки. Свечение здесь связано с возбуждением атомов марганца тАЬгорячимитАЭ электронами.
И порошковые, и пленочные электролюминесцентные ячейки имеют невысокую эффективность преобразования электрической энергии в световую, низкую долговечность (особенно- тонкопленочные ), сложны в управлении (например, оптимальный режим для порошковых люминофоров ~220 В при f=400 .. 800Гц). Основное достоинство этих излучателей - конструктивно-технологическая совместимость с фоторезисторами, возможность создания на этой основе многофункциональных, многоэлементных оптронных структур.
Основным наиболее универсальным видом излучателя, используемым в оптронах, является полупроводниковый инжекционный светоизлучающий диод - светодиод. Это обусловлено следующими его достоинствами: высокое значение КПД преобразования электрической энергии в оптическую; узкий спектр излучения (квазимонохроматичность); широта спектрального диапазона, перекрываемого различными светодиодами; направленность излучения; высокое быстродействие; малые значения питающих напряжений и токов; совместимость с транзисторами и интегральными схемами; простота модуляции мощности излучения путем изменения прямого тока; возможность работы как в импульсном, так и в непрерывном режиме; линейность ватт-амперной характеристики в более или менее широком диапазоне входных токов; высокая надежность и долговечность; малые габариты; технологическая совместимость с изделиями микроэлектроники.
Общие требования, предъявляемые к оптической иммерсионной среде оптрона, следующие: высокое значение показателя преломления nим; высокое значение удельного сопротивления ρим; высокая критическая напряженность поля Еим кр, достаточная теплостойкость Δθим раб; хорошая адгезия с кристаллами кремния и арсенида галлия; эластичность (это необходимо, так как не удается обеспечить согласование элементов оптрона по коэффициентам термического расширения); механическая прочность, так как иммерсионная среда в оптопаре выполняет не только светопередающие, но и конструкционные функции; технологичность (удобство использования, воспроизводимость свойств, дешевизна и т. п.).
Основным видом иммерсионной среды, используемой в оптронах являются полимерные оптические клеи. Для них типично nим =1,4.. 1,6, ρим > 1012.. 1014 Ом см, Еим кр =80 кВ/мм, Δθим раб = - 60 .. 120 C. Клеи обладают хорошей адгезией к кремнию и арсениду галлия, сочетают высокую механическую прочность и устойчивость к термоциклированию. Используются также незатвердевающие вазелиноподобные и каучукоподобные оптические среды
2.2. ФИЗИКА ПРЕОБРАЗОВАНИЯ ЭHEPГИИ В ДИОДНОМ ОПТРОНЕ
Рассмотрение процессов преобразования энергии в оптроне требует учитывать квантовую природу света. Известно, что электромагнитное излучение может быть представлено в виде потока частиц - квантов (фотонов), энергия. каждого из которых определяется соотношением;
Εф=hν=hc/nλ (2.1)
где h - постоянная Планка ;
с - скорость света в вакууме ;
n - показатель преломления полупроводника ;
ν, λ - частота колебаний и длина волны оптического излучения.
Если плотность потока квантов (т. е. число квантов, пролетающих через единицу площади в единицу вpeмени) равна Nф, то полная удельная мощность излучения составит:
Pф= Nф Εф (2.2)
и, как видно из (2.1), при заданном Nф она тем больше, чем короче длина волны излучения. Поскольку на практике заданной бывает Pф (энергетическая облученность фотоприемника), то представляется полезным следующее соотношение
Nф = Pф/ Εф=5
1015 λ Pф (2.3)

Рис.2.1. Энергетическая диаграмма прямозонного полупроводника (на примере тройного соединения GaAsP).
где Nф, см-2
с-1; λ, мкм; Pф, мВт/см.
Механизм инжекционной люминесценции в светодиоде состоит из трех основных процессов: излучательная (и безызлучательная) рекомбинация в полупроводниках, инжекция избыточных неосновных носителей заряда в базу светодиода и вывод излучения из области генерации.
Рекомбинация носителей заряда в полупроводнике определяется прежде всего его зонной диаграммой, наличием и природой примесей и дефектов, степенью нарушения равновесного состояния. Основные материалы оптронных излучателей (GaAs и тройные соединения на его основе GaA1As и GaAsP) относятся к прямозонным полупроводникам т.е. к таким, в которых разрешенными являются прямые оптические переходы зона-зона (рис.2.1.). Каждый акт рекомбинации носителя заряда по этой схеме сопровождается излучением кванта, длина волны которого в соответствии с законом сохранения энергии определяется соотношением
λизл[мкм] =1,23/ Εф[эB] (2.4)
Следует отметить, Что имеются и конкурирующие безызлучательные - механизмы рекомбинации . К числу важнейших из них относятся:
1. Рекомбинация на глубоких центрах. Электрон может переходить в валентную зону не прямо, а через те или иные центры рекомбинации, образующие разрешенные энергетические уровни в запрещенной зоне (уровень Et на рисунке 2.1).
2. Оже-рекомбинация (или ударная). При очень высоких концентрациях свободных носителей заряда в полупроводнике растет вероятность столкновения трех тел, энергия рекомбинирующей электронно-дырочкой пары при этом отдается третьему свободному носителю в форме кинетической энергии, которую он постепенно растрачивает при соударениях с решеткой.

рис.2.2. Электрическая (a) и оптическая (b) модели светодиода.
A - оптически тАЬпрозрачнаятАЭ часть кристалла; B - активная часть кристалла; C -тАЬнепрозрачнаятАЭ часть кристалла; D - омические контакты; E - область объемного заряда.
Относительная роль различных механизмов рекомбинации описывается введением понятия внутреннего квантового выхода излучения ηint, определяемого отношением вероятности излучательной рекомбинации к полной (излучательной и безызлучательной) вероятности рекомбинации (или, иначе, отношением числа генерированных квантов к числу инжектированных за то же время неосновных носителей заряда). Значение ηint является важнейшей характеристикой материала, используемого в светодиоде; очевидно, что 0
ηint
100%.
Создание избыточной концентрации свободных носителей в активной (излучающей) области кристалла светодиода осуществляется путем инжекции их р - n-переходом, смещенным в прямом направлении.
тАЬПолезнойтАЭ компонентной тока, поддерживающей излучательную рекомбинацию в активной области диода, является ток электронов In (рис.2.2,а), инжектируемых р - n-переходом. К тАЬбесполезнымтАЭ компонентам прямого тока относятся:
1. Дырочная составляющая Ip, обусловленная инжекцией дырок в n-область и отражающая тот факт, что р - n-переходов с односторонней инжекцией не бывает, Доля этого тока тем меньше чем сильнее легирована n-область по сравнению с р-областью.
2. Ток рекомбинации (безызлучательной) в области объемного заряда р - n-перехода Iрек. В полупроводниках с большой шириной запрещенной зоны при малых прямых смещениях доля этого тока может быть заметной.
3. Туннельный ток Iтун , обусловленный тАЬпросачиваниемтАЭ носителей заряда через потенциальный барьер. Ток переносится основными носителями и вклада в излучательную рекомбинацию не дает. Туннельный ток тем больше, чем уже р - n-переход, он заметен при сильной степени легирования базовой области и при больших прямых смещениях.
4. Ток поверхностных утечек Iпов, обусловленный отличием свойств поверхности полупроводника от свойств объема и наличием тех или иных закорачивающих включений.
Эффективность р - n-перехода характеризуется коэффициентом инжекции:
(2.5)
Очевидно, что пределы возможного изменения γ те же, что и у ηint, т. е. 0
γ
100%.
При выводе излучения из области генерации имеют место следующие виды потерь энергии (рис. 2.2,6):
1. Потери на самопоглощение (лучи 1). Если длина волны генерируемых квантов в точности соответствует формуле (2.4), то она совпадает с тАЬкрасной границейтАЭ поглощения (см. ниже), и такое излучение быстро поглощается в толще полупроводника (самопоглощение).В действительности, излучение в прямозонных полупроводниках идет не по приведенной выше идеальной, схеме. Поэтому длина волны генерируемых квантов несколько больше, чем по (2.4):
2. Потери на полное внутреннее отражение (лучи 2).Известно, что при падении лучей света на границу раздела оптически плотной среды (полупроводник) с оптически менее плотной (воздух) для части этих лучей выполняется условие полного внутреннего отражения такие лучи, отразившиеся внутрь кристалла, в конечном счете теряются за счет самопоглощения.
3. Потери на обратное и торцевое излучение (луч 3 и 4).
Количественно эффективность вывода оптической энергии из кристалла характеризуется коэффициентом вывода Копт определяемым отношением мощности излучения, выходящего в нужном направлении, к мощности излучения, генерируемой внутри кристалла. Так же, как и для коэффициентов ηint и γ , всегда выполняется условие 0
Копт
100%.
Интегральным показателем излучеательной способности светодиода является величина внешнего квантового выхода ηext. Из сказанного ясно, что ηext= ηint γ Копт.
Перейдем к приемному блоку. Принцип действия используемых в оптронах фотприемников основан на внутреннем фотоэффекте , заключающемся в отрыве электронов от атомов внутри тела под действием электромагнитного (оптического) излучения.
Кванты света, поглощаясь в кристалле, могут вызывать отрыв электронов от атомов как самого полупроводника, так и примеси. В соответствии с этим говорят о собственном (беспримесном) и примесном поглощении (фотоэффекте). Поскольку концентрация примесных атомов мала, фотоэлектрические эффекты, основанные на собственном поглощении, всегда существеннее, чем основанные на примесном. Все используемые в оптронах фотоприемники тАЬработаюттАЭ на беспримесном фотоэффекте. Для того чтобы квант света вызывал отрыв электрона от атома, необходимо выполнение очевидных энергетических соотношений:
Eф1=hν1
Ec-Ev (2.6)
Eф2=hν2
Ec-Et (2.7)
Таким образом, собственный фотоэффект может иметь место лишь при воздействии на полупроводник излучения с длиной волны, меньшей некоторого значения λгр:
λгр=hc/( Ec-Ev)
1.23/ Eg (2.8)
Второе равенство в (2.8) справедливо, если λгр выражено в микрометрах, а ширина запрещенной зоны полупроводника Eg - в электроновольтах. Величину λгр называют длинноволновой или тАЬкраснойтАЭ границей спектральной чувствительности материала.
Интенсивность протекания фотоэффекта (в той спектральной области, где он может существовать) зависит от квантового выхода, определяемого отношением числа генерированных пар электрон-дырка к числу поглощенны фотонов. Анализ экспериментальных зависимостей от показывает, что в интересной для оптронов спектральной области β=1.
Образование свободных носителей заряда под действием облучения проявляется в полупроводнике в виде двух фотоэлектрических эффектов: фотопроводимости (возрастание проводимости образца при засветке) и фотовольтаического (возникновение фото-ЭДС на р - n-переходе или другом виде потенциального барьера в полупроводнике при освещении). Оба эффекта используются в практике конструирования фотоприемников; для оптронов предпочтительным и доминирующим является использование фото-ЭДС-эффекта.
Основные параметры и характеристики фотоприемников (безотносительно к физической природе и конструкции этих приборов) можно подразделить на несколько групп , К оптическим характеристикам относятся площадь фоточувствительной поверхности, материал, размеры и конфигурация оптического окна; максимальный и минимальный уровни мощности излучения. К электрооптическим - фоточувствительность, степень однородности распределения чувствительности по фотоприемной площадке; спектральная плотность чувствительности (зависимость параметра, характеризующего чувствительность, от длины волны); собственные шумы фотоприемника и их зависимость от уровня засветки и диапазона рабочих частот; разрешающее время (быстродействие); коэффициент качества (комбинированный показатель, позволяющий сопоставлять различные фотоприемники друг с другом); показатель линейности; динамический диапазон. Как элемент электрической цепи фотоприемник характеризуется прежде всего параметрами его эквивалентной схемы, требованиями к рабочим режимам, наличием (или отсутствием) встроенного механизма усиления, видом и формой выходного сигнала. Прочие характеристики: эксплуатационные, надежностные, габаритные, технологические - ничего специфически тАЬфотоприемнототАЭ не содержат.
В зависимости от характера выходного сигнала (напряжение, ток) говорят о вольтовой или токовой фоточувствительности приемника S, измеряемых соответственно в В/Вт или А/Вт. Линейность (или нелинейность) фотоприемника определяется значением показателя степени n в уравнении, связывающем выходной сигнал с входным: Uвых( или Iвых)~Pф. При n
1 фотоприемник линеен; область значений Pф(от Pф max до Pф min), в которой это выполняется, определяет динамический диапазон линейности фотоприемника
, выражаемый обычно в децибелах:
=10 lg(Pф max /Pф min).
Важнейшим параметром фотоприемника, определяющим порог его чувствительности, является удельная обнаружительная способность D, измеряемая в Вт-1
м
Гц1/2. При известном значении D порог чувствительности (минимальная фиксируемая мощность излучения) определяется как
Pф min=
/D (2.9)
где А - площадь фоточувствительной площадки;
- диапазон рабочих частот усилителя фотосигналов. Иными словами, параметр D играет роль коэффициента качества фотоприемника.
В применении к оптронам не все перечисленные характеристики оказываются одинаково важными. Как правило, фотоприемники в оптронах работают при облученностях, очень далеких от пороговых, поэтому использование параметров Pф min и D оказывается практически бесполезным. Конструктивно фотоприемник в оптроне обычно, тАЬутоплентАЭ в иммерсионную. среду, соединяющую его с излучателем, поэтому знание оптических характеристик входного окна теряет смысл (как правило, специально такого окна нет). Не очень важно знать и распределение чувствительности по фоточувствительной площадке, так как интерес представляют интегральные эффекты.

Рис. 2.4. Схемы измерения и семейства вольт-амперных характеристик в фотодиодном (а) и фотовентильном (б) режимах работы диода.
Механизм работы фотоприемников, базирующихся на фотовольтаическом эффекте, рассмотрим на примере планарно-эпитаксиальных фотодиодов с р - n-переходом и с р - i - n-структурой, в которых можно выделить n+- подложку, базу n- или i-типа (слабая проводимость n-типа) и тонкий р+-слой. При работе в фотодиодном режиме (рис. 2.4,а) приложенное извне напряжение заставляет подвижные дырки и электроны уходить от р - n(р - i)-перехода; при этом картина распределения поля в кристалле оказывается резко различной для двух рассматриваемых структур.
Световое излучение, поглощаясь в базовой области диода, генерирует электронно-дырочные пары, которые диффундируют к р - n-переходу, разделяются им и вызывают появление дополнительного тока во внешней цепи. В р - i - n-диодах это разделение происходит в поле i-o6лaсти и вместо процесса диффузии имеет место дрейф носителей заряда под влиянием электрического поля. Каждая генерированная электронно-дырочная пара, прошедшая через р - n-переход, вызывает прохождение во внешней цепи заряда, равного заряду электрона. Чем больше облученность диода, тем больше фототок. Фототок протекает и при смещении диода в прямом направлении (рис. 2.4,а), однако уже при небольших напряжениях он оказывается намного меньше прямого тока, поэтому его выделение оказывается затруднительным.
Рабочей областью вольт-амперных характеристик фотодиода является III квадрант на рис. 2.4,а; соответственно этому в качестве важнейшего параметра выступает токовая чувствительность
(2.10)
Второе равенство в (2.10) получено в предположении линейной зависимости Iф=f(Pф), а третье - при условии пренебрежения темновым током (
), что для кремниевых фотодиодов обычно выполняется.
Если освещать фотодиод без приложения к нему внешнего смещения, то процесс разделения генерируемых электронов и дырок будет протекать благодаря действию собственного встроенного поля р - n-перехода. При этом дырки будут перетекать в р-область и частично компенсировать встроенное поле р - n-перехода. Создается некоторое новое равновесное (для данного значения: Pф) состояние, при котором на внешних выводах диода возникает фото-ЭДС Uф. Если замкнуть освещенный фотодиод на некоторую нагрузку, то он будет отдавать в нее полезную электрическую мощность Рэ.
Характеристическими точками вольт-амперных характеристик диода, работающего в таком - фотовентильном - режиме, являются ЭДС холостого хода Uxx и ток короткого замыкания Iкз (рис. 2.4,б).
Схематически фотодиод в вентильном режиме работает как своеобразныйный вторичный источник питания, поэтому его определяющим параметром является КПД преобразования световой энергии в электрическую:
КПД=Pэ/APф=aUxxIкз/ Apф (2.11)
В фотовентильном режиме действует важный класс фотоэлектрических приборов - солнечные батареи.
3. ПАРАМЕТРЫ И ХАРАКТЕРИСТИКИ ОПТОПАР И ОПТОЭЛЕКТРОННЫХ ИНТЕГРАЛЬНЫХ МИКРОСХЕМ
3.1. КЛАССИФИКАЦИЯ ПАРАМЕТРОВ ИЗДЕЛИЙ
ОПТРОННОИ ТЕХНИКИ
При классификации изделий оптронной техники учитывается два момента: тип фотоприемного устройства и конструктивные особенности прибора в целом .
Выбор первого классификационного признака обусловлен тем, что практически у всех оптронов на входе помещен светодиод и функциональные возможности прибора определяются выходными характеристиками фотоприемного устройства.
В качестве второго признака принято конструктивное исполнение, которое определяет специфику применения оптрона.
Используя этот смешанный конструктивно-схемотехнический принцип классификации, логично выделить три основные группы изделий оптронной техники: оптопары (элементарные оптроны), оптоэлектронные (оптронные) интегральные микросхемы и специальные виды оптронов. К каждой из этих групп относится большое число видов приборов.
Для наиболее распространенных оптопар используются следующие сокращения:
Д - диодная, Т - транзисторная, R - резисторная, У - тиристорная, Т2 - с составным фототранзистором, ДТ - диодно-транзисторная, 2Д (2Т) - диодная (транзисторная) дифференциальная.
Система параметров изделий оптронной техники базируется на системе параметров оптопар, которая формируется из четырех групп параметров и режимов.

Рис 3.1. К определению импульсных параметров оптопар.
Первая группа характеризует входную цепь оптопары (входные параметры), вторая - ее выходную цепь (выходные параметры), третья - объединяет параметры, характеризующие степень воздействия излучателя на фотоприемник и связанные с этим особенности прохождения сигнала через оптопару как элемент связи (параметры передаточной характеристики), наконец, четвертая группа объединяет параметры гальванической развязки, значения которых показывают, насколько приближается оптопара к идеальному элементу развязки. Из четырех перечисленных групп определяющими, специфически тАЬоптроннымитАЭ являются параметры передаточной характеристики и параметры гальванической развязки.
Важнейшим параметром диодной и транзисторной оптопар является коэффициент передачи тока. Определение импульсных параметров оптронов ясно из (рис. 3.1). Отсчетными уровнями при измерении параметров tнар(сп), tзд, и tвкл(выкл) обычно служат уровни 0.1 и 0.9, полное время логической задержки сигнала определяется по уровню 0,5 амплитуды импульса.

Рис. 3.2. Условные обозначения оптопар.
Параметрами гальванической развязки. Оптопар являются: максимально допустимое пиковое напряжение между входом и выходом Uразв п max; максимально допустимое напряжение между входом и выходом Uразв max; сопротивление гальванической развязки Rразв; проходная емкость Cразв; максимально допустимая скорость изменения напряжения между входом в выходом (dUразв/dt)max. Важнейшим является параметр Uразв п max. Именно он определяет электрическую прочность оптопары и ее возможности как элемента гальванической развязки.
Рассмотренные параметры оптопар полностью или с некоторыми изменениями используются и для описания оптоэлектронных интегральных микросхем.
3.2. ДИОДНЫЕ ОПТОПАРЫ
Диодные оптопары (рис. 3.2,а) в большой степени, чем какие-либо: другие приборы, характеризуют уровень оптронной техники. По величине Кi можно судить о достигнутых КПД преобразования энергии в оптроне; значения временных параметров позволяют определить предельные скорости распространения информации. Подключение к диодной оптопаре тех или иных усилительных элементов, весьма полезное и удобное, не может тем не менее дать выигрыша ни по энергетике, ни по предельным частотам.
3.3. ТРАНЗИСТОРНЫЕ И ТИРИСТОРНЫЕ ОПТОПАРЫ
Транзисторные оптопары (рис. 3.2, c) рядом своих свойств выгодно отличаются от других видов оптронов. Это прежде всего схемотехническая гибкость, проявляющаяся в том, что коллекторным током можно управлять как по цепи светодиода (оптически), так и по базовой цепи (электрически), а также в том, что выходная цепь может работать и в линейном и в ключевом режиме. Механизм внутреннего усиления обеспечивает получение больших значений коэффициента передачи тока Кi, так что последующие усилительные каскады не всегда необходимы. Важно, что при этом инерционность оптопары не очень велика и для многих случаев вполне допустима. Выходные токи фототранзисторов значительно выше, чем, например, у фотодиодов, что делает их пригодными для коммутации широкого круга электрических цепей. Наконец, следует отметить, что все это достигается при относительной технологической простоте транзисторных оптопар.
Тиристорные оптопары (рис. 3.2, b) наиболее перспективны для коммутации сильноточных высоковольтных цепей: по сочетанию мощности, коммутируемой в нагрузке, и быстродействию они явно предпочтительнее Т2 -оптопар. Оптопары типа АОУ103 предназначены для использования в качестве бесконтактных ключевых элементов в различных радиоэлектронных схемах: в цепях управления, усилителях мощности, формирователях импульсов и т. п.
3.4. РЕЗИСТОРНЫЕ ОПТОПАРЫ
Резисторные оптопары (рис. 3.2, d) принципиально отличаются от всех других видов оптопар физическими и конструктивно-технологическими особенностями, а также составом и значениями параметров.
В основе принципа действия фоторезистора лежит эффект фотопроводимости, т. е. изменения сопротивления полупроводника при освещении.
3.5. ДИФФЕРЕНЦИАЛЬНЫЕ ОПТОПАРЫ ДЛЯ ПЕРЕДАЧИ АНАЛОГОВОГО СИГНАЛА
Весь изложенный выше материал касается вопросов передачи цифровой информации по гальванически развязанной цепи. Во всех случаях, когда говорилось о линейности, об аналоговых сигналах, речь шла о виде выходной характеристики оптопары. Во всех случаях управление по каналу излучатель - фотоприемник не описывалось линейной зависимостью. Важную задачу представляет собой передача аналоговой информации с помощью оптопары, т.е., обеспечение линейности передаточной характеристики вход - выход [36]. Лишь при наличии таких оптопар становится возможным непосредственное распространение аналоговой информации по гальванически развязанным цепям без преобразования ее к цифровой форме (последовательности импульсов).
Сопоставление свойств различных оптопар по параметрам, важным с точки зрения передачи аналоговых сигналов приводит к заключению, что если эта задача и может быть решена, то только с помощью диодных оптопар, обладающих хорошими частотными и шумовыми характеристиками. Сложность проблемы заключается прежде всего в узком диапазоне линейности передаточной характеристики и степени этой линейности у диодных оптопар.
Следует отметить, что в создании приборов с гальванической развязкой, пригодных для передачи аналоговых сигналов, сделаны лишь первые шаги и можно ожидать дальнейшего прогресса.
3.6. ОПТОЭЛЕКТРОННЫЕ МИКРОСХЕМЫ И ДРУГИЕ ПРИБОРЫ ОПТРОННОГО ТИПА
Оптоэлектронные микросхемы представляют собой один из наиболее широко применяемых, развивающихся, перспективных классов изделий оптронной техники. Это обусловлено полной электрической и конструктивной совместимостью оптоэлектронных микросхем с традиционными микросхемами, а также их более широкими по сравнению с элементарными оптронами функциональными возможностями. Как и среди обычных микросхем, наиболее широкое распространение получили переключательные оптоэлектронные микросхемы.
Специальные виды оптронов резко отличаются от традиционных оптопар и оптоэлектронных микросхем. К ним относятся прежде всего оптроны с открытым оптическим каналом. В конструкции этих приборов между излучателем и фотоприемником имеется воздушный зазор, так что, помещая в него те или иные механические преграды, можно управлять световым потоком и тем самым выходным сигналом оптрона. Таким образом, оптроны с открытым оптическим каналом выступают в качестве оптоэлектронных датчиков, фиксирующих наличие (или отсутствие) предметов, состояние их поверхности, скорость перемещения или поворота и т. п.
4. iЕРЫ ПРИМЕНЕНИЯ ОПТРОНОВ И ОПТРОННЫХ МИКРОСХЕМ
Перспективные направления развития н применения оптронной техники в значительной степени определились. Оптроны и оптронные микросхемы эффективно применяются для передачи информации между устройствами, не имеющими замкнутых электрических связей. Традиционно сильными остаются позиции оптоэлектронных приборов в технике получения и отображения информации. Самостоятельное значение в этом направлении имеют оптронные датчики, предназначенные для контроля процессов и объектов, весьма различных по природе и назначении. Заметно прогрессирует функциональная оптронная микросхемотехника, ориентированная на выполнение разнообразных операций, связанных с преобразованием, накоплением и хранением информации. Эффективной и полезной оказывается замена громоздких, недолговечных и нетехнологичных (с позиций микроэлектроники) электромеханических изделий (трансформаторов, потенциометров, реле) оптоэлектронными приборами и устройствами. Достаточно специфическим, но во многих случаях оправданным и полезным является использование оптронных элементов в энергетических целях.
4.1. ПЕРЕДАЧА ИНФОРМАЦИИ
Рис 4.1. Схема межблочной гальванической развязки.
При передаче информации оптроны используются в качестве элементов связи, и, как правило, не несут самостоятельной функциональной нагрузки. Их применение позволяет осуществить весьма эффективную гальваническую развязку устройств управления и нагрузки (рис 4.1), действующих в различных электрических условиях и режимах. С введением оптронов резко повышается помехоустойчивость каналов связи; практически устраняются тАЬпаразитныетАЭ взаимодействия по цепям тАЬземлитАЭ и питания.
Интерес представляет также рациональное и надежное согласование цифровых интегральных устройств с разнородной элементной базой (ТТЛ, ЭСЛ, И2Л , КМОП и т. п).
Рис 4.2. Схема сопряжения ТТЛ и МДП элементов по оптическому каналу.
Схема согласования элемента транзисторно-транзисторной логики (ТТЛ) с интегральным устройством на МДП-транзисторах построена на транзисторном оптроне (рис. 4.2). В конкретном варианте: E1 = Е2 =5 В, Е3 = 15 В, R1 = 820 Ом, R2 = 24 кОм - светодиод оптрона возбуждается током (5 мА), достаточным для насыщения транзистора и уверенного управления устройством на МДП-транзисторах.
Активно используются оптические связи в телефонных устройствах и системах. С помощью оптронов технически несложными средствами удается подключать к телефонным линиям микроэлектронные устройства, предназначенные для вызова, индикации, контроля и других целей.
Введение оптических связей в электронную измерительную аппаратуру, кроме полезной во многих отношениях гальванической развязки исследуемого объекта и измерительного прибора, позволяет также резко уменьшить влияние помех, действующих по цепям заземления и питания.
Рис 4.3. Схема коммутации нагрузки переменного тока.
Значительный интерес представляют возможности и опыт использования оптоэлектронных приборов и устройств в биомедицинской аппаратуре. Оптроны позволяют надежно изолировать больного от действия высоких напряжений, имеющихся, например, в электрокардиографических приборах.
Бесконтактное управление мощными, высоковольтными цепями по оптическим каналам весьма удобно и безопасно в сложных технических режимах, характерных для многих устройств и комплексов промышленной электроники. В этой области сильны позиции тиристорных оптронов (рис 4.3).
4.2. ПОЛУЧЕНИЕ И ОТОБРАЖЕНИЕ ИНФОРМАЦИИ

Рис 4.4. Оптоэлектронный датчик.
Оптроны и оптронные микросхемы занимают прочные позиции в бесконтактной дистанционной технике оперативного получения и точного отображения информации о характеристиках и свойствах весьма различных (по природе и назначению) процессов и объектов. Уникальными возможностями в этом плане обладают оптроны с открытыми оптическими каналами. Среди них оптоэлектронные прерыватели, реагирующие на пересечение оптического канала непрозрачными объектами (рис 4.4), и отражательные оптроны, у которых воздействие светоизлучателей на фотоприемники всецело связано с отражением излучаемого потока от внешних объектов.
Круг применений оптронов с открытыми оптическими каналами обширен и разнообразен. Уже в 60-е годы оптроны подобного типа эффективно использовались для регистрации предметов и объектов. При такой регистрации, характерной в первую очередь для устройств автоматического контроля и счета объектов, а также для обнаружения и индикации различного рода дефектов и отказов, важно четко определить местонахождение объекта или отразить факт его существования. Функции регистрации оптроны выполняют надежно и оперативно.
4.3. КОНТРОЛЬ ЭЛЕКТРИЧЕСКИХ ПРОЦЕССОВ
Мощность излучения, генерируемого светодиодом, и уровень фототока, возникающего в линейных цепях с фотоприемниками, прямо пропорциональны току электрической проводимости излучателя. Таким образом, по оптическим (бесконтактным, дистанционным) каналам можно получить вполне определенную, информацию о процессах в электрических цепях, гальванически связанных с излучателем. Особенно эффективным оказывается использование светоизлучателей оптронов в качестве датчиков электрических изменений в сильноточных, высоковольтных цепях. Четкая информация о подобных изменениях важна для оперативной защиты источников и потребителей энергии от электрических перегрузок.

Рис. 4.5. Стабилизатор напряжения с контролирующим оптроном.
Оптроны успешно действуют в высоковольтных стабилизаторах напряжения, где они создают оптические каналы отрицательных обратных связей. Рассматриваемый стабилизатор (рис. 4.5) относятся к устройству последовательного типа, причем регулирующим элементом является биполярный транзистор, а кремниевый стабилитрон действует как источник, опорного (эталонного) напряжения. Сравнивающим элементом служит светодиод.
Если выходное напряжение в схеме рис. 4.5 возрастает, то увеличивается и ток проводимости светодиода. Фототранзистор оптрона воздействует на транзистор, подавляя возможную нестабильность выходного напряжения.
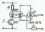
4.4. ЗАМЕНА ЭЛЕКТРОМЕХАНИЧЕСКИХ ИЗДЕЛИИ

Рис 4.5. Схема оптоэлектронного трансформатора
В комплексе технических решений, ориентированных на повышение эффективности и качества устройств автоматики, радиотехники, электросвязи, промышленной и бытовой электроники, целесообразной и полезной мерой является замена электромеханических изделий (трансформаторов, реле, потенциометров, реостатов, кнопочных и клавишных переключателей) более компактными, долговечными, быстродействующими аналогами. Ведущая роль в этом направлении отводится оптоэлектронным приборам и устройствам. Дело в том, что весьма важные технические достоинства трансформаторов и электромагнитных реле (гальваническая развязка цепей управления и нагрузки, уверенное функционирование в мощных, высоковольтных, сильноточных системах) свойственны и оптронам. Вместе с тем оптоэлектронные изделия существенно превосходят электромагнитные аналоги по надежности, долговечности, переходным и частотным характеристикам. Управление компактными и бытродействующими оптоэлектронными трансформаторами, переключателями, реле уверенно осуществляется с помощью интегральных микросхем цифровой техники без специальных средств электрического согласования.
Пример замены импульсного трансформатора приведен на рис 4.5.
4.5. ЭНЕРГЕТИЧЕСКИЕ ФУНКЦИИ
В энергетическом режиме оптроны используются в качестве вторичных источников ЭДС и тока. КПД оптронных преобразователей энергии невелик. Однако возможность введения дополнительного источника напряжения или тока в любую цепь устройства без гальванической связи с первичным источником питания дает разработчику новую степень свободы, особенно полезную при решении нестандартных технических зада.
Литература:
1. Ю. Р. Носов, А. С. Сидоров тАЬОптроны и их применениетАЭ- М.: Радио и связь, 1981 г.
2. В. И. Иванов, А. И. Аксенов, А. М. Юшин тАЬПолупроводниковые оптоэлектронные приборы. / Справочник.тАЭ- М.: Энергоатомиздат, 1984 г.
Вместе с этим смотрят:
Основы дискретизации и восстановления сигналов по теореме КотельниковаОсобенности и классификация систем подвижной радиосвязи
Оценка качества телевизионного изображения
Передающие спиральные антенны