Расчет усилителя низкой частоты с блоком питания
Техническое задание.
Рассчитать схему усилителя низкой частоты с блоком питания. Исходные данные:
- коэффициент усиления по напряжению - 80;
- верхняя граничная частота - 10 кГц;
- нижняя граничная частота - 300 Гц;
- параметры нагрузки : - сопротивление - 200 Ом, емкость - 6800 .... ;
- коэффициент пульсаций на выходе блока питания - не более 0.15 .
Расчетная часть.
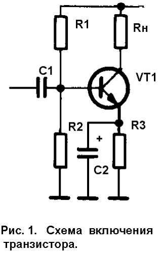
В качестве схемы усилителя выберем стандартную схему включения транзистора с общим эмиттером (рис. 1) . Разделительный конденсатор С1 служит для передачи на вход транзистора VT1 усиливаемого переменного напряжения, а также исключает попадание на вход транзистора постоянного напряжения. Резисторы R1 и R2 образуют делитель для получения необходимого напряжения смещения на базе транзистора. Резистор R1 и конденсатор C2 обеспечивают температурную стабилизацию работы усилителя. В данной схеме резистор RН является нагрузкой.

В качестве транзистора VT1 выберем широко распространенный КТ 315 Д со следующими параметрами:
- максимальный ток коллектора I К MAX = 100 м А ;
- максимальное напряжение коллектор - эмиттер U КЭ MAX = 40 В ;
- максимальная рассеиваемая мощность транзистора P МАХ = 150 м Вт ;
- статический коэффициент передачи h 21
50 .
Напряжение питания U П примем равным 9 В , тогда для определения рабочего режима выберем две крайние точки : (U КЭ = U П , I K = 0) и (U КЭ = 0, I K ), где U КЭ - напряжение коллектор - эмиттер , I K - максимальный ток в нагрузке:
I K =
=
= 45 (м А).
Для нормальной работы транзистора выберем рабочую точку :
I K0 =
=
23 (м А),
U КЭ0 =
=
= 4.5 (В).
Тогда мощность, выделяющаяся в транзисторе :
P K0 = I K0 * U КЭ0 = 23 * 4.5 = 103.5 ( м Вт),
что не превышает максимальную рассеиваемую мощность транзистора P МАХ = 150 м Вт.
Мощность, потребляемая усилителем от источника питания :
P 0 = I K0 * U П = 23 * 9 = 207 ( м Вт).
Для схемы с общим эмиттером коэффициент усиления по току k i примерно равен статическому коэффициенту передачи h 21 . Базовый ток транзистора :
I Б0 =
=
= 0.46 (м А).
Теперь определим номиналы резисторов :
R1
, R2
, R3
, где
I Д - ток через делитель, I Д
4* I Б0 .
R1
3.9 (к Ом) ,
R2
560 (Ом) ,
R3
1 (к Ом) .
Коэффициент усиления по напряжению определяется как : k u =
.
Отсюда входное сопротивление транзистора :
R ВХ =
=
= 125 (Ом).
Емкость конденсатора С1 рассчитывается исходя из того, что его сопротивление по переменному току на самой низкой частоте должно быть во много раз меньше входного сопротивления :
С1
= 42.46 (мкФ).
Выбираем ближайший - 50 мкФ.
Для заданной полосы частот емкость конденсатора С2 должна быть равна десяткам микрофарад, возьмем 20 мкФ.
Теперь рассчитаем стабилизатор напряжения с требуемыми параметрами. Входные цепи блока питания состоят из понижающего сетевого трансформатора и мостового выпрямителя. Схема стабилизатора напряжения показана на рис. 2.

Так как потребляемая схемой мощность небольшая, в качестве стабилизатора DA1 возьмем специально предназначенную микросхему К142ЕН8А, обеспечивающую выходное напряжение + 9 В и ток в нагрузке до 1 А. Данная микросхема обеспечивает коэффициент пульсаций на выходе примерно 0.03, что удовлетворяет заданию. Для нормальной работы напряжение на входе микросхемы должно быть не менее 12 Вольт, поэтому конденсаторы С1 и С2 выбираем на рабочее напряжение 25 В и емкостью 500 мкФ.
Литература.
- Жеребцов И. П. Основы электроники. - Л.: Энергоатомиздат, 1989.
- Транзисторы: Справочник . - М.: Радио и связь, 1990.
- Цифровые и аналоговые интегральные микросхемы: Справочник. - М.: Радио и связь, 1990.
Вместе с этим смотрят:
Расчёт усилителя постоянного тока и источника питанияРасчет характеристик канала вывода СИ
Расчет централизованных вакуумных систем
Расчёт элементов эмиттерно-связанной логики