Устройство динамической индикации
Государственный Комитет Связи РФ
Хабаровский Колледж Связи и информатики
КУРСОВАЯ РАБОТА
на тему
Устройство динамической индикации
Хабаровск
1998 г.
Оглавление.
Введение |
|
1.Сравнительная характеристика видов индикации |
|
2.Синтез коммутатора и выбор ИМС |
|
3.Выбор ИМС счетчика |
|
4.Выбор ИМС дешифратора разрядов |
|
5.Синтез преобразователя кода и выбор ИМС |
|
5.1Выбор типа индикатора |
|
6.Техническое описание работы устройства |
|
Заключение |
|
Литература |
Введение
Ускорение научно-технического прогресса во всех областях требует интенсивного развития таких направлений науки и техники, автоматизация, роботизация, микроэлектроника, вычислительная техника, освоение новых технологий и новых материалов.
Больших успехов достигла отечественная микроэлектроника. Разрабатываются и выпускаются все более сложные интегральные схемы, степень интеграции которых характеризуется сотнями тысяч транзисторов в полупроводниковом кристалле: контролеры, микропроцессоры, микросхемы памяти, однокристальные микроЭВМ. Освоены и продолжают осваиваться новые технологические методы, значительно повышающие быстродействие микросхем и снижающие уровень их энерго потребления. Большое применение находят технологии программируемых структур, базовых матричных кристаллов которые позволяют внедрять в практику систему заказов микросхем требуемого функционального назначения при приемлемом уровне их стоимости и небольших сроках разработки. Существенно расширяется номенклатура цифровых, аналоговых и аналого-цифровых микросхем. Заметна тенденция совмещения в одной микросхеме аналоговых и цифровых узлов, а также узлов, реализующих аналоговые функции цифровыми методами. Успехи микроэлектроники сделали возможным широкое применение в аппаратуре нового поколения микросхем повышенного уровня интеграции. Многие задачи по созданию новой аппаратуры решаются на базе микропроцессоров, микроЭВМ, БИС памяти с повышенной информационной емкостью, БИС аналогово-цифровой обработки сигналов с встроенными микропроцессорами. В повседневной жизни особенно в последнее время микропроцессорные системы играют не последнюю роль, с ними можно встретиться почти в любой бытовой аппаратуре. Их встраивают в телевидео-, аудиоаппаратуру. Микропроцессоры управляют кухонными комбайнами, стиральными машинами, СВЧ печами, и многими другими бытовыми приборами.
Исходя из всего вышесказанного можно сделать вывод: устройства на интегральных схемах находя и будут находить применение не только в вычислительных системах, но и в других сферах деятельности человека, и безусловно, найдут широкое применение в повседневной жизни людей.
1.Сравнительная характеристика видов индикации.
Для потребителей техники большой интерес представляют устройства отображения информации, построенные с применением статической и динамической индикации.
Суть статической индикации заключается в постоянном подсвечивании индикатора от одного источника.
Сущность динамической индикации заключается в поочередном включении индикаторов через общую цепь преобразования кода. Подключение индикаторов необходимо производить с частотой f=120 .. 140 Гц, такой частоты достаточно, чтобы не замечать мерцания индикаторов.
Достоинством динамической индикации является экономия преобразователей кода и соединительных проводов, что весьма существенно если схема динамической цифровой индикации удалена от источника информации. Преимущество данного способа ощутимо при числе разрядов больше 4 .. 6. Схема с динамической индикацией потребляет меньший ток, имеет меньшие габариты и меньшую стоимость. Из цифровых индикаторов более широкое распространение получили семи сегментные индикаторы у которых изображение состоит из семи сегментных светодиодов.

Рисунок 1.1
Рассмотрим схему динамической индикации и ее работу рисунок 1.1. Число индицируемых цифр представлен количеством индикаторов в схеме и определяет коэффициент пересчета счетчика У3. Кроме того, число выходов (разрядов) счетчика равно числу адресных входов коммутатора. Адрес задается сигналами с выхода счетчика У3. Эти коды отражают состояние счетчика при поступлении входных импульсов от генератора, период тактовой частоты которого выбирают выше разрешающей способности человеческого глаза, чтобы не было заметно мерцание индикаторов - от 10 до 15 мс. Преобразователь У2 двоично-десятичный код преобразует в код семи сегментного цифрового индикатора. Каждое состояние счетчика У3 дешифрирует дешифратор У4, подключая соответствующий индикатор.
2.Синтез коммутатора и выбор ИМС
Мультиплексор в зависимости от заданного адресного сигнала может осуществлять коммутацию на единственный выход одного из входов.
Каждому информационному входу присваивается порядковый номер в двоичном коде, который называется адресом. Количество адресных и информационных входов может быть различно, но между ними существует жесткая связь
![]()
![]()
Для данной схемы число информационных входов равно числу индицируемых разрядов то есть пятнадцати. В соответствии с уравнением определяемым число адресных входов А
![]()
следовательно число адресных входов в схеме мультиплексора пять.
Составляем таблицу истинности (таблица 2.1) и следуя из таблицы уравнения. Затем строим схему мультиплексора (рисунок 2.1). Исходя из полученной схемы выбираем серийную микросхему мультиплексора и строим коммутатор.
Таблица 2.1
Адресные входы |
Вход разрешения |
Выход |
||||
А4 |
А3 |
А2 |
А1 |
А0 |
С |
Q |
. |
. |
. |
. |
. |
0 |
0 |
0 |
0 |
0 |
0 |
0 |
1 |
D0 |
0 |
0 |
0 |
0 |
1 |
1 |
D1 |
0 |
0 |
0 |
1 |
0 |
1 |
D2 |
0 |
0 |
0 |
1 |
1 |
1 |
D3 |
0 |
0 |
1 |
0 |
0 |
1 |
D4 |
0 |
0 |
1 |
0 |
1 |
1 |
D5 |
0 |
0 |
1 |
1 |
0 |
1 |
D6 |
0 |
0 |
1 |
1 |
1 |
1 |
D7 |
0 |
1 |
0 |
0 |
0 |
1 |
D8 |
0 |
1 |
0 |
0 |
1 |
1 |
D9 |
0 |
1 |
0 |
1 |
0 |
1 |
D10 |
0 |
1 |
0 |
1 |
1 |
1 |
D11 |
0 |
1 |
1 |
0 |
0 |
1 |
D12 |
0 |
1 |
1 |
0 |
1 |
1 |
D13 |
0 |
1 |
1 |
1 |
0 |
1 |
D14 |
0 |
1 |
1 |
1 |
1 |
1 |
D15 |
1 |
0 |
0 |
0 |
0 |
1 |
D16 |
1 |
0 |
0 |
0 |
1 |
1 |
D17 |
1 |
0 |
0 |
1 |
0 |
1 |
D18 |
Уравнение мультиплексора:

По полученному уравнению строим коммутатор в базисе И-НЕ (рисунок 2.1).
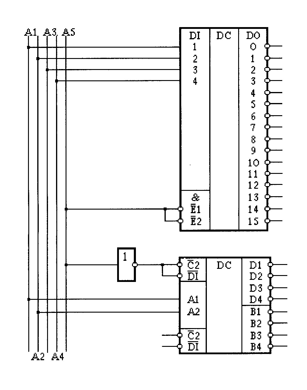
Для построения коммутатора на промышленных ИМС выбираем одну микросхему К133КП1 и одну микросхему К133КП2. К133КП1 - 16 - входовый цифровой мультиплексор (рисунок 2.2). Он позволяет с помощью четырех адресных входов выбора S0 - SЗ передать данные, поступающие на один из входов I1 - I16 в выходной провод |
Рисунок 2.2 |
Таблица 2.2
Вход |
Выход |
Вход |
Выход |
||||||||
Выбор |
Разре-шение |
Выбор |
Разре-шение |
||||||||
S3 |
S2 |
S1 |
S0 |
E |
Y |
S3 |
S2 |
S1 |
S0 |
E |
Y |
B |
B |
H |
H |
H |
H |
9 |
|||||
H |
H |
H |
H |
H |
I1 |
B |
H |
H |
B |
H |
10 |
H |
H |
H |
B |
H |
I2 |
B |
H |
B |
H |
H |
11 |
H |
H |
B |
H |
H |
I3 |
B |
H |
B |
B |
H |
12 |
H |
H |
B |
B |
H |
I4 |
B |
B |
H |
H |
H |
13 |
H |
B |
H |
H |
H |
I5 |
B |
B |
H |
B |
H |
14 |
H |
B |
H |
B |
H |
I6 |
B |
B |
B |
H |
H |
15 |
H |
B |
B |
H |
H |
I7 |
B |
B |
B |
B |
H |
16 |
H |
B |
B |
B |
H |
I8 |
B |
Для построения необходимого коммутатора данной ИМС недостаточно. Для коммутации трех оставшихся входов требуется еще одна ИМС, в качестве которой модно использовать промышленный мультиплексор К133КП2.
Микросхема К133КП2 (рисунок 2.3) содержит два четырех входовых мультиплексора, имеющих общие входы выбора S0 и S1. У мультиплексоров МS A и MS есть собственные входы разрешения не |
Рисунок 2.3 |
Таблица 2.3
Вход |
Выход |
||
Выбор |
Разрешение |
||
S2 |
S1 |
|
Y |
* |
* |
B |
H |
H |
H |
H |
I 1 |
H |
B |
H |
I 2 |
B |
H |
H |
I 3 |
B |
B |
H |
I 4 |
Для коммутации данных с 1 по 16 используется микросхема К133КП1, управление коммутацией будет производится четырьмя разрядами адреса - А1-А4. Пятый разряд адреса А5 используется для переключения ИМС, т.к. 16 вход коммутатора подключается к выходу по адресу А1=1, А2=1, А3=1, А4=1, а А5=0, он будет подаваться на вход разрешения мультиплексора КП1, что обеспечит работу ИМС. Вход разрешения у микросхемы КП2 инверсный, следовательно для работы второй половины коммутатора необходимо подавать на него инверсный сигнал А5. Выходы ИМС объединим по логическому ИЛИ, предварительно инвертировав выходы КП1.
Для нашей схемы нужно четыре пары таких схем (рисунок 2.4). Первая пара схем будет содержать первый разряд выводимой цифры, вторая пара второй разряд, третья пара третий, а четвертая - четвертый (так как используется двоичный код).
- Выбор ИМС счетчика
Счетчик представляет собой устройство предназначенное для подсчета числа сигналов, поступающих на его вход и фиксации этого числа в виде кода, хранящегося в триггерах. Количество разрядов счетчика определяется наибольшим числом, которое должно быть получено в каждом конкретном случае. Для счета и выдачи результатов в счетчиках имеется один вход и n-выходов. Счетчик имеет М=2n устойчивых состояний, включая нулевое и максимальное значение числа, до которого может вестись счет Nmax=2n -1, при n=5 Nmax=32, то есть счетчик должен состоять из пяти счетных триггеров, для того чтобы иметь К=32. Для данной схемы необходим пяти разрядный счетчик с коэффициентом пересчета 19. Требуемого счетчика в 133-ей серии нет. Следовательно, возьмем четырех разрядный счетчик К133ИЕ5 и добавим пятый разряд с помощью D-триггера переведенного в счетный режим.
ИМС К133ИЕ5 (рисунок 3.1) является четырехразрядным, асинхронным счетчиком пульсаций. Счетчик имеет две части: делитель на 2 (выход Q0; тактовый вход |
Рисунок 3.1 |
Таблица 3.1
Выход сброса |
Выход |
||||
R1 |
R2 |
Q0 |
Q1 |
Q2 |
Q3 |
B |
B |
H |
H |
H |
H |
H |
B |
Cчет |
|||
B |
H |
Счет |
|||
H |
H |
Счет |
Таблица 3.2
Счет |
Выход |
Счет |
Выход |
||||||
Q0 |
Q1 |
Q2 |
Q3 |
Q0 |
Q1 |
Q2 |
Q3 |
||
0 |
H |
H |
H |
H |
8 |
H |
H |
H |
B |
1 |
B |
H |
H |
H |
9 |
B |
H |
H |
B |
2 |
H |
B |
H |
H |
10 |
H |
B |
H |
B |
3 |
B |
B |
H |
H |
11 |
B |
B |
H |
B |
4 |
H |
H |
B |
H |
12 |
H |
H |
B |
B |
5 |
B |
H |
B |
H |
13 |
B |
H |
B |
B |
6 |
H |
B |
B |
H |
14 |
H |
B |
B |
B |
7 |
B |
B |
B |
H |
15 |
B |
B |
B |
B |
В качестве триггера выбрали ИМС К133ТМ которая содержит два независимых D триггера , имеющих общую цепь питания. У каждого триггера есть входы D, S, R, а также комплиментарные выходы Q и
. Входы S и R - асинхронные, потому что они работают независимо от сигнала на тактовом входе; активный уровень для них низкий. Для перевода триггера в счетный режим необходимо соединить выход
с
входом D , после этого триггер будет менять свое состояние по положительному перепаду на тактовом входе С.
На рисунке 3.4 показана схема пяти разрядного двоичного счетчика пульсаций с коэффициентом пересчета равным 19. Элементы 4И и 2И необходимы для сброса счетчика и обеспечения коэффициента пересчета равным 18.
Рисунок 3.4
4. Выбор ИМС дешифратора разрядов.
Дешифратор - устройство для преобразования двоичных чисел в десятичные или для преобразования в единичную посылку на одном из выходов. Дешифраторы широко применяются в устройствах управления, в системах цифровой индикации, для построения распределителей импульсов по различным цепям и так далее.
В нашем случае нам необходим дешифратор на 19 выходов. Однако среди ИМС 133 серии не имеется дешифраторов с таким числом выходов. Так как в 133 серии нет ИМС с числом адресных входов более 4, то для построения дешифратора на 19 выходов воспользуемся двумя ИМС К133ИД3 и К133ИД4.
Микросхема К133ИД3 (рисунок 4.1) дешифратор позволяющий преобразовать четырехразрядный код, поступивший на входы А0 - А4 в напряжение низкого логического уровня на одном из выходов. ИМС имеет два инверсных входа разрешения дешифрации |
Рисунок 4.1 |
Для построения дешифратора на 16 выходов необходимо соединить входы разрешения
1 и
2 у ИМС и подключить их к пятому разряду счетчика, то есть к пятому разряду адреса. Работать данная ИМС будет если на пятом разряде счетчика будет напряжение логического нуля, тогда код поступивший на адресные входы скоммутирует один из выходов.
ИМС К133ИД4 (рисунок 4.2) содержит два дешифратора на 4 выхода с общими входами адреса А1 и А2. Кроме этого каждый дешифратор имеет собственный вход разрешения |
Рисунок 4.2 |
Полученная схема (рисунок 4.3) работает следующим образом: если на пятом разряде адреса логический ноль, то работает ИМС К133ИД3 осуществляя коммутацию с 0 по 15 выход, если на пятом разряде логическая единица, то в работу вступает ИМС К133ИД4 которая осуществляет коммутацию оставшихся с 16 по 18 выходов.
Таблица 4.1
Входы |
Выходы |
|||||||||||||||||||||
|
|
I4 |
I3 |
I2 |
I1 |
|
|
|
|
|
|
|
|
|
|
|
|
|
|
|
|
|
H |
H |
H |
H |
H |
H |
H |
||||||||||||||||
H |
H |
H |
H |
H |
B |
H |
||||||||||||||||
H |
H |
H |
H |
B |
H |
H |
||||||||||||||||
H |
H |
H |
H |
B |
B |
H |
||||||||||||||||
H |
H |
H |
B |
H |
H |
H |
||||||||||||||||
H |
H |
H |
B |
H |
B |
H |
||||||||||||||||
H |
H |
H |
B |
B |
H |
H |
||||||||||||||||
H |
H |
H |
B |
B |
B |
H |
||||||||||||||||
H |
H |
B |
H |
H |
H |
H |
||||||||||||||||
H |
H |
B |
H |
H |
B |
H |
||||||||||||||||
H |
H |
B |
H |
B |
H |
H |
||||||||||||||||
H |
H |
B |
H |
B |
B |
H |
||||||||||||||||
H |
H |
B |
B |
H |
H |
H |
||||||||||||||||
H |
H |
B |
B |
H |
B |
H |
||||||||||||||||
H |
H |
B |
B |
B |
H |
H |
||||||||||||||||
H |
H |
B |
B |
B |
B |
H |
||||||||||||||||
H |
B |
X |
X |
X |
X |
B |
B |
B |
B |
B |
B |
B |
B |
B |
B |
B |
B |
B |
B |
B |
B |
|
B |
H |
X |
X |
X |
X |
B |
B |
B |
B |
B |
B |
B |
B |
B |
B |
B |
B |
B |
B |
B |
B |
|
B |
B |
X |
X |
X |
X |
B |
B |
B |
B |
B |
B |
B |
B |
B |
B |
B |
B |
B |
B |
B |
B |

Рисунок 4.3
5. Синтез преобразователя кода и выбор ИМС.
Преобразователь кода преобразует числовую информацию из одной двоичной системы в другую. В данном случае необходимо преобразовать двоично - десятичный код поступающий от коммутатора (код 8421) в специальный код семи сегментного индикатора.
Для этого строим таблицу перехода (таблица 5.1). Обозначим переменные составляющие кода 8421 как Х4, Х3, Х2, Х1, для семи сегментого индикатора А, В, С, D, E, F, G - Y1, Y2, Y3, Y4, Y5, Y6, Y7 рисунок 5.1.
Таблица 5.1
Вход код 8421 |
Выход Семи сегментный код |
||||||||||
4 |
3 |
2 |
1 |
G |
F |
E |
D |
C |
B |
A |
|
X4 |
X3 |
X2 |
X1 |
Y7 |
Y6 |
Y5 |
Y4 |
Y3 |
Y2 |
Y1 |
|
0 |
0 |
0 |
0 |
0 |
0 |
1 |
1 |
1 |
1 |
1 |
0 |
1 |
0 |
0 |
0 |
1 |
0 |
0 |
0 |
0 |
1 |
1 |
0 |
2 |
0 |
0 |
1 |
0 |
1 |
0 |
0 |
1 |
0 |
1 |
1 |
3 |
0 |
0 |
1 |
1 |
1 |
0 |
0 |
1 |
1 |
1 |
1 |
4 |
0 |
1 |
0 |
0 |
0 |
1 |
0 |
0 |
1 |
1 |
0 |
5 |
0 |
1 |
0 |
1 |
1 |
0 |
0 |
1 |
1 |
0 |
1 |
6 |
0 |
1 |
1 |
0 |
1 |
0 |
1 |
1 |
1 |
0 |
1 |
7 |
0 |
1 |
1 |
1 |
0 |
0 |
0 |
0 |
0 |
1 |
0 |
8 |
0 |
0 |
0 |
0 |
1 |
1 |
1 |
1 |
1 |
1 |
1 |
9 |
0 |
0 |
0 |
1 |
1 |
1 |
0 |
1 |
1 |
1 |
1 |

Рисунок 5.1
По таблицам составляем диаграммы Вейча (рисунки 5.2 - 5.8) для каждого входа и по ним производим минимизацию логических выражений.
Рисунок 5.2 Рисунок 5.3 Рисунок 5.4
Рисунок 5.5 Рисунок 5.6 Рисунок 5.7

Рисунок 5.8
Используя полученные логические выражения приведем логическую структуру преобразователя на элементах И-ИЛИ-НЕ рисунок 5.9.
В 133 серии имеется необходимый преобразователь кода ИМС К133ПП4.
Микросхема К133ПП4 - преобразователь двоично - десятичного кода в код семи сегментного индикатора. ИС служит для управления светодиодными индикаторами с объединенным катодом типа АЛС324А элементы которого подключаются согласно приведенной схеме (рисунок 5.10). Вход BI является блокирующем: при BI=0 индикаторы гаснут. |
Рисунок 5.10 |
5.1 Выбор типа индикатора.
Простейшими приборами отображения информации в цифровых устройствах являются светодиоды, цифровые индикаторы и световые табло.
Светодиоды можно использовать для индикации на выходных микросхемах ТТЛ и транзисторных каскадах. Светодиод может светиться как при низких, так и при высоких уровнях сигнала на выходе микросхемы. При подаче прямого напряжения на светодиод последний начинает светиться. В результате высвечивается определенная цифра.
Индикатор АЛС324А, цифровой, одноразрядный, полупроводниковый предназначен для отображения информации в виде цифр от 0 до 9 и десятичного знака. Схема индикатора приведена на рисунке 5.11.
Так как этот индикатор с общим катодом, то на катод нужно подавать напряжение низкого уровня, то есть "0", а на анод - напряжение высокого уровня - "1". У преобразователя активным выходным уровнем является 1, следовательно его выходы подключим к анодам индикатора, а на катод нужно подать с дешифратора напряжение низкого уровня. При этих условиях индикатор будет высвечивать необходимую цифру.
Рисунок 5.11
Вместе с этим смотрят:
Устройство запрета телефонной связи по заданным номерамУстройство оже-спектрометра
Устройство селективного управления работой семисегментного индикатора
Устройство формирования импульсно-временной кодовой группы




